Подключение вебасто к системе охлаждения: Подключение вебасто к системе охлаждения
что это в машине, зачем нужен и как работает
Webasto – это название немецкой компании, которая производит автономные предпусковые подогреватели для автомобилей. Это, конечно, не единственный производитель, но авторитет фирмы на рынке столь высок, что все устройства для подогрева двигателя стали называть Вебасто. Многим такая ситуация знакома: любой копировальный прибор в быту называют Ксероксом, хотя это всего лишь имя компании, первой освоивший выпуск таких изделий.
Зачем нужен подогреватель и что он может?
Чтобы уверенно запускать мотор в сильный мороз. Прибор умеет греть двигатель перед запуском, а некоторые модели могут еще и обеспечить обогрев салона авто. Это зависит от мощности прибора. Использование подогревателей возможно на автомобилях как с бензиновыми, так и с дизельными двигателями.
Как он устроен?
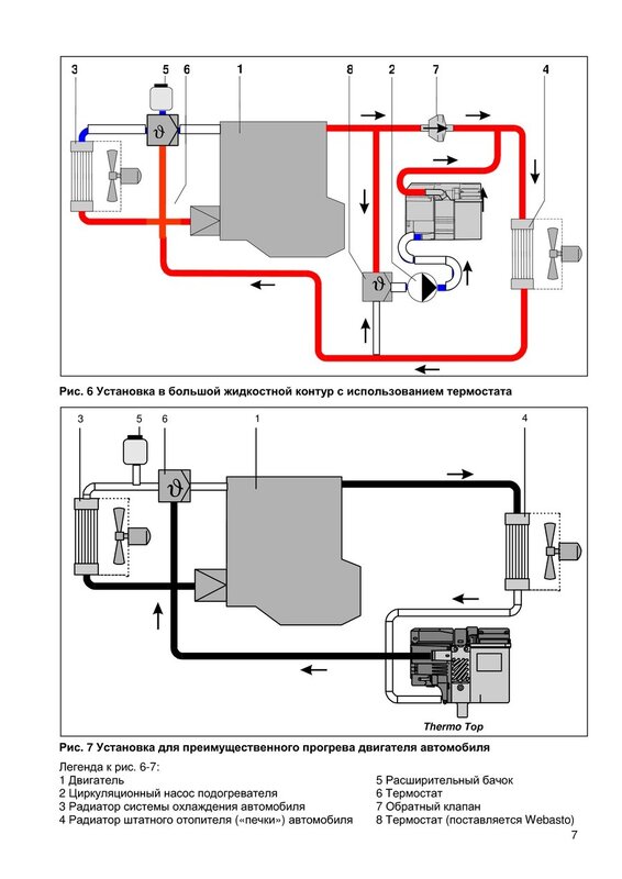
Принцип работы Вебасто достаточно прост. Для работы ему нужны воздух и топливо. Воздух устройство берет с улицы, а бензин или дизельное топливо – из бака.
Хотя возможна установка отдельного топливного бачка специально для подогревателя. Это позволяет использовать дизельные приборы на бензиновых машинах или наоборот. Отдельный насос и нагнетатель подают топливо и воздух в камеру сгорания. Тепло, выделяющееся при сжигании смеси, греет охлаждающую жидкость, которая прокачивается через теплообменник. Чуть не забыли сказать – Вебасто подсоединен к системе охлаждения двигателя машины. Горячая жидкость циркулирует по системе, прогревая мотор. Она же, через радиатор отопителя может обогреть и салон машины.
Вебасто для бензинового мотора и дизеля отличаются лишь системой подачи топлива в камеру сгорания. Подогреватель автоматически поддерживает заданный температурный режим и оснащен необходимы средствами обеспечения безопасной работы.
Как управлять подогревателем?
Вебасто предусматривает три возможных варианта управления. Самый простой – это небольшой пульт, установленный в салоне авто. Такой таймер позволяет запрограммировать время включения устройства.
Пульт может быть и дистанционным. С ним можно управлять прогревом машины с расстояния до одного километра в зоне прямой видимости. Самая современная система управления – специальный модуль, который обеспечивает настройку режима работы подогревателя через мобильный телефон.
Чем подогреватель отличается от системы автозапуска?
Всем! Устройством, принципом работы, задачами. Подогреватель не запускает мотор, он его греет перед запуском, а заодно может прогреть и салон машины. Автозапуск заводит холодный двигатель, который греется сам и обогревает салон. Подогреватель необходим при очень низких температурах, когда запуск холодного мотора затруднен или вовсе невозможен. Автозапуском можно пользоваться в любую погоду, но против лютых холодов он бессилен. Эти системы возможно использовать совместно. Работу автозапуска на некоторых сигнализациях можно даже интегрировать с управлением подогревателем.
Записаться на сервис
Достоинства и недостатки Вебасто
Основные достоинства Вебасто понятны.
Это надежный запуск мотора в любой мороз, теплый салон, чистые от снега и наледи стекла, надежность в работе и умеренный расход топлива. Кроме того, пуск прогретого двигателя сильно снижает износ его деталей и экономит ресурс. Чем за это придется расплачиваться?
В первую очередь деньгами. Качественный обогреватель, тот же Вебасто, стоит немало. Да и цена на его установку, как говориться, кусается. А доверять подключение и настройку прибора непонятно кому точно не стоит. Это должны делать грамотные и опытные специалисты.
Кроме того, подогреватель требует надежного, заряженного аккумулятора – топливный насос, циркуляционный насос для охлаждающей жидкости, воздуходувка – эти устройства потребляют электрическую энергию. В баке должно быть достаточно топлива – подогреватель его довольно активно расходует, хотя все же меньше, чем молотящий на холостых оборотах двигатель. Если хотите прогревать и салон, то отопитель нужно заранее устанавливать в определенный режим.
Кому нужен подогреватель?
Прежде всего жителям холодных, северных регионов.
Там, где морозы, затрудняющие запуск двигателя стоят неделями и месяцами. В средней полосе тоже случаются суровые холода. Но происходит это редко и длится недолго. Установка подогревателя здесь вряд ли будет экономически оправдана, особенно если есть возможность несколько дней обойтись без авто. А салон можно прогреть с помощью системы автозапуска. Ну а на теплом юге предпусковой подогреватель и вовсе не нужен.
Записаться на сервис
Установка предпускового обогревателя Webasto | Детейлинг центр SunStek
Установка предпускового обогревателя Webasto | Детейлинг центр SunStekКачественная установка и настройка системы Webasto для прогрева двигателя и салона автомобиля по отложенному запуску
Всегда теплый двигатель и салон при отрицательных температурах
Установка webasto на автомобиль
Одной из распространенных проблем повышенного износа двигателя является аномально низкая температура окружающей среды.
В суровых зимних условиях автомобиль попросту может не завестись, и намеченные планы могут измениться в худшую сторону. Немецкое изобретение отложенного прогрева двигателя с легкостью меняет ситуацию, и предотвращает негативное влияние холодного запуска двигателя.
Компактный по своим габаритам прибор с легкостью прогревает двигатель и систему жидкостного охлаждения автомобиля. Благодяря этому, снижается износ двигателя и полностью прогревается салон, отогревая все стекла и создавая комфортную температуру для посадки после морозной ночи или дня.
Преимущества установки системы Webasto
Надежный и полезный инструмент при отрицательных температурах
- Спокойный запуск мотора при отрицательной температуреПредварительный подогрев салона автомобиляСнижение износа двигателяНизкий расход при разогреве двигателяМалый вес устройстваОтложенный отогрев ото льда и снега
Этапы установки Webasto
Определение места установки системы Webasto
Специалистами детейлинг центра Sunstek определяется место установки отопительной системы Sunstek.
В зависимости от марки и модели автомобиля, Webasto устанавливается в разные места подкапотного пространства.01
Частичный разбор деталей и подготовка места для установки
Выполняется частичное снятие деталей подкапотного пространства, и подготавливается место для установки ближе к блоку цилиндров. На данном этапе особое внимание уделяется положению webasto по отношению к двигателю и месту проведению теплопроводящих трубок.
02
Установка и подключение к электрике и топливной системе
На данном этапе выполняется установка топливозаборника, монтаж топливного насоса, подсоединение выхлопной системы, и системы охлаждения, и прокладка остальных систем контроля теплопередачи. Более подробную информацию вы можете узнать у наших специалистов по телефону.
03
Настройка управления webasto для отложенного запуска
В завершении процесса установки webasto подключается АКБ и выполняется пробный запуск двигателя автомобиля.
Настраивается система отложенного запуска для подогрева мотора и салона, в зависимости от установленной комплектации.04
Фотографии установки системы Webasto
Все фотографии сделаны в Sunstek Detailing Center
Возможно вам будет интересно
Подбор статей по данной тематике
Установка Webasto ВАО
Установка Webasto в ВАО цены
Читать далее …
Установка Webasto СВАО
Установка Webasto в СВАО цены
Читать далее …
Установка Webasto ЮАО
Установка Webasto в ЮАО цены
Читать далее .


В зависимости от марки и модели автомобиля, Webasto устанавливается в разные места подкапотного пространства.
Настраивается система отложенного запуска для подогрева мотора и салона, в зависимости от установленной комплектации.