Автозапуск схема своими руками: Узнаем как изготовить автозапуск своими руками? Модуль и схема автозапуска своими руками
Узнаем как изготовить автозапуск своими руками? Модуль и схема автозапуска своими руками
Существенно облегчить повседневные занятия поможет автозапуск, своими руками его сделать можно без особых проблем. Причем самый элементарный вариант – это применить простую и дешевую автомобильную сигнализацию. Но такая идеально подойдет лишь в том случае, если управление необходимо совершать в небольшом радиусе. В случае если между приемником и передатчиком большое расстояние, лучше всего применить сигнализацию с обратной связью.
Что учитывать при проектировании автозапуска?
Такую систему можно сделать в том случае, если имеются данные о времени, в течение которого происходит запуск двигателя. Нужно отметить, что промежуток может быть любым, зависит он от того, какое состояние у поршневой группы, системы зажигания и топливоподачи. Эталонное значение времени — порядка 0,7 секунды с момента начала прокрутки коленчатого вала до окончательного запуска.
Именно эти данные стоит учитывать при проектировании системы автозапуска.
Если время в рамках допустимых значений, то можно применять автомобильные сигнализации. Но если же оно больше, вам потребуется извернуться, придумать конструкцию, способную обеспечить гарантированный запуск. Как вариант – применение сотового телефона. Но можно и подключить реле с задержкой. Главное – это замыкание его контактов на тот промежуток времени, который необходим вам.
Использование автомобильной сигнализации
Если вам необходимо проводить запуск установки, находящейся в непосредственной близости от вас, то вполне разумно применять самую простую автосигнализацию. У нее имеются два канала: первый используется для снятия и постановки на охрану, второй – для дополнительных функций, таких как автозапуск или открывание багажника. Это часто используемые функции, необходимые для нормальной работы. Но можно сделать и автозапуск с телефона своими руками, это позволяет увеличить время прокрутки коленвала.
Но минус в том, что импульс, вырабатываемый на контактах второго канала, имеет малый промежуток времени.
Обычно это 0,7 секунды, но некоторые модели автосигнализаций позволяют проводить программирование и выбирать один из нескольких вариантов. Максимальное значение времени замыкания контактов может составлять 3 секунды.
Правильное подключение сигнализации
Но не каждая модель автомобильной сигнализации позволяет подключать выводы второго канала к мощному потребителю, такому как обмотка втягивающего стартера. Поэтому требуется применять дополнительные устройства – реле с нормально разомкнутыми контактами. Его нужно подключать правильно, также требуется, чтобы вся система зажигания начала функционировать. Поэтому имеется необходимость в использовании дополнительных реле, контакты которых будут замыкаться при подаче сигнала на автозапуск двигателя, своими руками собранный.
Обмотки реле подключаются к плюсовому выводу аккумуляторной батареи. Управление производится по минусу, так будет намного безопаснее. Провода, идущие от второго канала сигнализации, подключаются следующим образом: первый — к массе, второй – к выводам всех используемых реле.
Контакты этих приборов соединяются параллельно выводам замка зажигания. Именно в этом месте удобнее всего производить подключение всей системы.
Программирование
В тех случаях, когда имеется необходимость увеличить время прокрутки коленчатого вала двигателя, нужно проводить перепрограммирование центрального блока сигнализации. По умолчанию на большинстве моделей установлено время, равное 0,7 секунды. Но возможность программного увеличения присутствует не у всех. Чтобы сделать эту процедуру, вам нужно обратиться к инструкции по установке. В ней имеется описание всех функций, а также того, как войти в режим программирования.
Кроме того, вам для изменения настроек сигнализации необходимо подключить кнопку Valet и светодиодный индикатор. Также не помешает наличие динамика вместо колокола, чтобы все настройки можно было контролировать. На автомобилях вся процедура заключается в попеременном включении и выключении зажигания. Это действие нужно чередовать с нажатиями на кнопку Valet.
По количеству миганий светодиодного индикатора определяете, в настройках какой функции вы находитесь. Вот так несложно делается автозапуск автомобиля своими руками. Схема подключения сигнализации всегда приводится производителем.
Использование телефона – возможно ли это?
Но что же делать, если время запуска двигателя очень большое? Необходимо использовать реле времени. Но такое не всегда получается воплотить, поэтому вполне разумно применить сотовую сеть. Кроме того, это актуально для систем, которые располагаются на значительном удалении. Даже если вы находитесь в другом регионе, есть возможность завести генератор, например, в теплице, чтобы провести обогрев. Но нужно придерживаться некоторых требований, о которых будет рассказано ниже. Им должен соответствовать автозапуск. Своими руками все сделать несложно. Вам также потребуется изменить конструкцию телефона, используемого в качестве инструмента для автозапуска.
Требования к системе
Самое главное – это ограничить круг лиц, которые могут позвонить на телефон, применяемый в системе автозапуска.
Вам нужно запретить прием сообщений и звонков от всех абонентов, кроме одного – того номера, который вы планируете использовать для управления. Даже вариант «не говорить никому номер» не поможет, так как он мог использоваться кем-то ранее. А вам не нужно, чтобы двигатель автомобиля или генератора запускался по ложным командам.
GSM-автозапуск своими руками сделать не очень сложно. Труднее окажется обезопасить номер мобильного, применяемого в системе, от посторонних звонков. Но сделать это можно, обратившись к сотовому оператору. Стоит отметить, что схема может отличаться в зависимости от того, автомобилем или генератором какой модели вы планируете управлять. Все зависит от сложности системы зажигания.
Как подключить схему?
Чтобы сделать автозапуск с телефона своими руками, нужно учитывать множество факторов. И не стоит пренебрегать блокировкой всех номеров, кроме одного. Но сигнал для начала процесса прокрутки стартера лучше всего взять с динамика, который воспроизводит мелодию при поступлении вызова.
Когда вы звоните на этот телефон, на контактах, соединяемых с динамиком, появляется напряжение. Теперь его нужно направить в нужное русло – в систему управления.
Если уровень сигнала мал (а это так и есть), нужно применить простую схему усилителя на полевом транзисторе. При желании можно даже установить усилительный драйвер – сборку Дарлингтона. Это небольшая микросхема, которая позволит увеличить мощность сигнала в несколько раз. Но ей требуется дополнительное питание, как и телефону. Вам же нужно, чтобы батарея работала максимально долго, по этой причине требуется подключать питание от бортовой сети автомобиля.
Меры предосторожности
Для обеспечения безопасности вам следует взять в привычку не оставлять автомобиль на скорости. В противном случае автозапуск, своими руками собранный, заведет двигатель, машина начнет движение, так как включена передача. Лучше иметь хороший ручной тормоз, но зимой не рекомендуется его использовать. Кроме того, учтите, что нужно обязательно проводить блокировку всех входящих звонков.
Эта мера была подробно рассмотрена выше. Все электрические сети обязательно следует защищать плавкими предохранителями.
Все цепи питания обмоток электромагнитных реле нужно подключать к аккумуляторной батарее только через плавкие вставки. Это позволит избежать пожара в тех случаях, если произойдет короткое замыкание. Правда, при условии использования автомобильной сигнализации все устройства для защиты идут в комплекте установки. Также стоит заметить, что автозапуск двигателя своими руками при помощи сигнализации с обратной связью – это самый верный и надежный вариант. Да и по стоимости окажется не слишком дорогим.
Выводы
Систем управления автозапуском предусмотрено немало, но выбрать ту, которая окажется идеальной, достаточно сложно. Попробуйте проанализировать затраты на различные конструкции. Модуль автозапуска двигателя своими руками может содержать в своей основе либо сигнализацию, либо сотовый телефон. Последний вариант оказывается наиболее подходящим. Особенно если у вас имеется ненужный телефон, который способен принимать звонки.
Из затрат – только покупка реле, проводов и сим-карты. Но с сигнализацией хлопот окажется намного меньше, так как она используется в этом случае по своему прямому назначению. Единственное, что потребуется сделать, – это перепрограммировать. И то не всегда это нужно, так как обычно времени замыкания контактов второго канала хватает для воспламенения топливовоздушной смеси в камерах сгорания. И двигатель заводится менее чем за одну секунду. В некоторых случаях время увеличивается до трех. Проще сделать автозапуск генератора своими руками, но придется внимательно изучить схему подключения, дабы не допустить ошибок при монтаже.
Автозапуск своими руками
Приветствую!
Как же неприятно зимой, в мороз под -20, садиться в свою машину, заводить ее и ждать минут 20, чтоб прогрелась. Особенно неприятно в таком случае:
И как же сейчас удобен и полезен автозапуск двигателя по нажатию кнопки на брелоке сигнализации.
Понятно, что проще всего приобрести новую сигналку, в которой уже есть автозапуск, доехать к спецам и пользоваться всеми прелестями.
Но у меня сигнализация Аллигатор S-275 без автозапуска была уже установлена при покупке авто. Поэтому покупать новую не хотел, а сделать что-то своими руками – всегда приятно. И так, расскажу, как я сделал автозапуск своими руками в автомобиле Опель Astra G, 1999 г.1. Необходимо было
найти нужные провода от замка зажигания к аксессуарам и стартеру и подключится к ним.Выворачиваем руль вправо – выкручиваем правый саморез, выворачиваем влево – выкручиваем левый саморез крепления кожуха рулевой колонки. Снимаем верхнюю половинку кожуха. Выкручиваем три самореза крепления нижней половинки кожуха: два- сверху, сразу за рулевым колесом, третий снизу.Снимаем приборную панель. Для этого выкручиваем четыре самореза крепления рамки приборки: два спереди и два вверху изнутри рамки. Вытаскиваем рамку вправо, она как раз проходит между рулем и торпедой. Выкручиваем два самореза в углублениях спереди приборки. Сверху есть рычаг фиксации разъема приборной панели, его надо чуть приподнять и отвести влево.
Приборка свободна! Процесс снятия приборной панели на видео:
Теперь добираемся до проводов от замка зажигания. Взял провода от замка зажигания, счистил изоляцию и припаял провода. Я припаивал ко всем проводам, потому что не знал, где какие. На будущее, сразу скажу, что от замка идет 6 или 7 проводов, а нужно всего 5. Есть еще провод для определения наличия ключа в замке зажигания, но необходимости в нем не было. Провода определял по повороту ключа, когда и на кокой провод приходит плюс.
И так, с проводами определился.
Чтобы автозапуск работал, необходимо отключить иммобилайзер. Один мой товарищ заказывал себе чип для ключа на Форд, ну и заодно заказал и мне для Опеля.
Прошивали чип с помощью китайского прибора. Работает прибор исправно, нареканий не вызывает. Для прошивки чипа нужен был код производителя для иммобилайзера. Но мы же русские! Сначала попробовали подобрать) Результат – полчаса ожидания в гостях за чашкой чая) То есть обмануть не получилось. В итоге съездил в диллерский центр Опель, оставил копии документов, и через некоторое время мне позвонили и сообщили код иммо. Вот тогда уже, с этим кодом, удалось прошить чип.
Изготовление обходчика иммо описано на просторах интернета. Скажу лишь, что приклеил двусторонний скотч на антенну иммо, прямо на замке зажигания, чтоб витки не сползли,
и намотал проводом 0.3мм 35 витков. Мотнул изолентой сверху. А на чип намотал 30 витков такого же провода внавал и тоже замотал изолентой.
Один конец каждой катушки соединяем (или припаиваем), другие концы будем коммутировать. Выглядит примерно так:
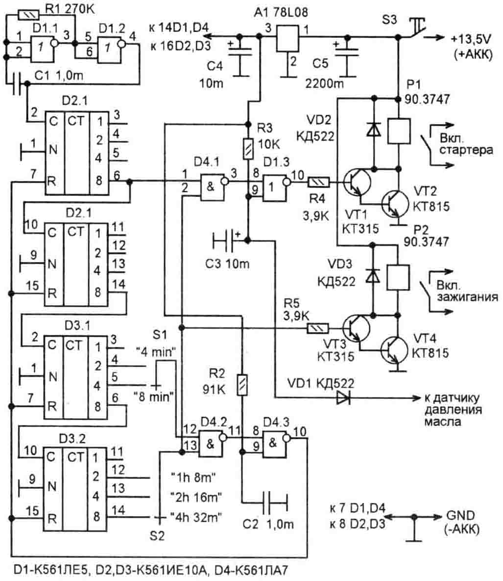
3. Схема автозапуска.Основу схемы составляет контроллер ATMega8 в корпусе TQFP-32.
Теперь о работе самой схемы.
Чтобы не изобретать лишнего (оставил это на будущее:) решил задействовать дополнительный канал сигнализации (3 канал). На выходе этого канала на 1 секунду появляется минус при нажатии двух кнопок брелока. Этот сигнал и служит для автозапуска.
4. Краткое описание работы.Микроконтроллер (МК) постоянно ждет, когда к нему в гости:) придет нулевой сигнал с 3-го канала сигнализации (сигнал на автозапуск). Вот сигнал пришел. 3 раза моргаем аварийкой, что сигнал принят. Микроконтроллер проверяет, взведен ли стояночный тормоз, закрыта ли дверь и какое напряжение в сети. Если ручник взведен и напряжение больше 11,4 В, МК отключает датчик удара, включает обходчик (Bypass), зажигание (IGN) и аксессуары (ACC), ждет 5 секунд, затем проверяет горит ли лампа давления масла. Если лампа горит, МК крутит стартер определенное время (первую попытку 1 с, вторую 1,5 с, и третью 2 секунды), после чего выключает стартер и обходчик.
Снова курит 4 секунды, затем проверяет, погасла ли лампа. Если лампа погасла, МК проверяет напряжение. Если напряжение больше 13,4 В, то МК считает, что двигатель завелся и все окей.
Если лампа не погасла или напряжение после запуска стартера ниже 12,6 В, МК отключает ACC и IGN и фиксирует неудавшийся запуск. МК также фиксирует неудавшийся запуск и выключает все, если после подачи питания на ACC и IGN лампа давления масла не загорелась.
Если сигнал запуска пришел, но напряжение в сети меньше 11,4 В, МК не станет заводить двигатель и моргнет один раз аварийкой.
Если с лампой давления масла что-то не так, автомобиль моргнет аварийкой 2 раза.
Если ручник не взведен или открыта дверь, аварийка включится 3 раза.
Автомобиль моргнет аварийкой 4 раза, если все 3 попытки запуска кончились.
Если все прошло удачно, микроконтроллер начинает мигать аварийкой раз в три секунды. Немного об аварийке. Не стал подключать отдельно на поворотники, подключил к выводам кнопки на панели.
Поэтому, чтобы работа аварийки при автозапуске отличалась от простой аварийки, МК подает питание на аварийку на полсекунды, а на 3 с выключает. Получается как раз одно мигание в 3 с. Кстати, есть интересная статья по усовершенствованию аварийки.
Но вот приходит водитель. Что же делает МК? После открытия двери, МК отсчитывает 1 минуту и глушит двигатель, снимает питание с ACC и с IGN. В течение этой минуты нужно вставить ключ в замок зажигания и повернуть его во второе положение. Ну а дальше уже садиться в прогретую машину и ехать. Если водитель не пришел или задержался (чай не допил), то система глушит двигатель через 20 мин.
Еще одна фишка. Если активировать автозапуск (третий канал сигналки), когда двигатель запущен ключом, то данное устройство включает питание для поддержки запущенного двигателя на 1 минуту. За это время можно выйти из машины, закрыть ее и поставить на охрану (при условии, что сигнализация поддерживает постановку на охрану с запущенным двигателем).
Чтобы принудительно заглушить запущенный от автозапуска двигатель, необходимо еще раз активировать третий канал сигнализации.
Хочу сказать, что все временные задержки, да и сама схема, разрабатывались для моей машины. Для других может быть, например, другое время прокрутки стартера.
Работоспособность схемы проверил не только на компе. Данная плата уже стоит и надежно выручает меня в морозы.
Несколько слов о деталях. Детали применил те, которые были в наличии в магазине. Но лучше заказать детали через интернет. Например, можно подобрать реле с бесплатной доставкой тут.
Приобрести контроллер по привлекательной цене и с бесплатной доставкой можно здесь.
Транзисторы применены MMBT3904 в корпусе для поверхностного монтажа. Стоят они копейки, например тут.
Файл прошивки контроллера:
Mega8_Autorun_board_v3_21_02_19.rar (1,6 KiB, 748 hits)
Благодарю за прочтение.
Следующий этап – автозапуск с телефона.
Чуть дороже, но намного лучше, т.к. можно завести двигатель автомобиля из любого места, где есть сотовая связь. Осталось выделить время и описать все это в статье:)
Компоненты, использованные в устройстве:
Реле 5 В G5V-1
Реле 12 В SRA-12VDC
Транзисторы MMBT3904
Стабилизатор LM2575-ADJ
Дроссель CDRh204R
SMD-Резисторы типоразмера 0603
Программатор USBAsp для микроконтроллеров
Обсудить на форуме.
См. также:
Если Вы нашли что-то полезное, поделитесь с друзьями:
Изготовление автозапуска
https://deneb-80.ru/wp-content/plugins/svensoft-social-share-buttons/images/placeholder.png
Приветствую! Как же неприятно зимой, в мороз под -20, садиться в свою машину, заводить ее и ждать минут 20, чтоб прогрелась.
Особенно неприятно в таком случае: И как же сейчас удобен и полезен автозапуск двигателя по нажатию кнопки на брелоке сигнализации.Понятно, что проще всего приобрести новую сигналку, в которой уже есть автозапуск, доехать к спецам […]- ВКонтакте
- Одноклассники
- Mail.ru
- Google+
- Livejournal
Все своими руками Система дистанционного запуска двигателя
Всем доброго времени суток!!! Хочу поделиться с Вами очередной своей разработкой. А именно – Блок автоматического запуска двигателя автомобиля по сигналу с доп. канала “Ch3” автосигнализации.
Итак, по порядку. Схема устройства представлена ниже:
Мозг устройства – микроконтроллер PIC12F629. Транзисторы VT2, VT3 могут быть любыми n-p-n, максимальный ток коллектора которых, должен быть раза в два больше рабочего тока примененных реле. Реле необходимо выбрать на следующие значения тока коммутации: реле стартера – 20 Ампер, габаритных огней 15 Ампер, а вот реле IGN, оно же реле зажигания и аксессуаров, должно быть рассчитано на ток коммутации не менее 40 Ампер.
Очень хорошо подойдут автомобильные реле, например, такие:
Для питания микроконтроллера применен линейный стабилизатор
Все диоды, примененные в схеме, могут быть абсолютно любыми выпрямительными, допустим, 1N4001 – будет в самый раз. Транзистор VT4, абсолютно любой p-n-p проводимости, например – КТ361. Переменный резистор R1, лучше всего использовать многооборотный, это позволит максимально точно настроить режим работы компаратора, который в свою очередь будет следить за состоянием двигателя (запущен, или заглушен).
Сигнал START управляется логическим “0”, т.е. микроконтроллер понимает, что есть сигнал START, тогда, когда вход START, разъем Х10, подключен к массе (минусу). Данный вход подключаем к каналу «СН2» автосигнализации.
Обычно, в инструкции данный канал предназначен для дистанционного открытия багажника.
Алгоритм работы системы:
1)
Для постановки авто на функцию автозапуска, необходимо, на работающем двигателе, включенном ручном тормозе, подать с брелока автосигнализации сигнал на Ch3 (смотрите инструкцию к автосигнализации). Блок автозапуска проверит состояние положения ручного тормоза, напряжения в бортовой сети авто и, если система определит, что ручной тормоз включен, а напряжение в бортовой сети более 12,9 Вольт, система подаст питание на реле IGN, выполнит так называемую «подтяжку зажигания», после чего можно вытащить ключ с замка зажигания, и покинуть автомобиль. По истечению 15 секунд, система перейдет в режим готовности к запуску, подтверждая переход двумя сигналами габаритных огней, первый длительностью 2 секунды, а второй секунду.
2)
В тот момент, когда необходимо осуществить запуск двигателя, необходимо подать с брелока автосигнализации сигнал на Ch3 (смотрите инструкцию к автосигнализации). Блок автозапуска проверит состояние положения ручного тормоза, напряжения в бортовой сети авто, и, если система определит, что ручной тормоз включен, а напряжение в бортовой сети менее 12,9 Вольт, система подаст питание на реле IGN, 6 секунд пауза, для бензонасоса, и выполнит первую попытку запуска. В случае не удачной попытки запуска двигателя, система сделает еще две. После успешного запуска двигателя, система начнет «мигать габаритами», подтверждая работу блока автозапуска.
Время работы двигателя запрограммировано 15 минут. Если после трех попыток старта двигателя, его запустить не удалось, система два раза «мигает» габаритами, и переходит в режим ожидания автозапуска.
3)
Если будет убран ручник, в режиме ожидания автозапуска, система три раза «мигает» габаритами, и перейдёт в режим «программная нейтраль»
4)
Если в режиме ожидания автозапуска, двигатель запущен, и Вы сделаете попытку запуска двигателя, система не позволит выполнить данное действие!!!
Самым «трудным» является организация подключения модуля запуска к замку зажигания.
Приведу пример подключения к ВАЗ-2113, ВАЗ-2114, ВАЗ-2115.
В данном случае разъемы Х3, Х5, Х7 – подключаем Контакт Х4 к 3-му контакту разъема Замка зажигания (Красный провод). Контакт Х8 к 4-му контакту разъема Замка зажигания (Синий провод).
Разъем Х6 подключаем либо к габаритным огням, либо к указателям поворотных огней. Нужно иметь в виду, что и габаритные огни и указатели поворотных огней имеют левую и правую сторону. Самый простой вариант – использовать два диода, тогда схема будет иметь вид:
Всем спасибо за внимание, и успехов в Ваших начинаниях.
Система установлена, и успешно используется на моем авто. Все работает четко, и без каких-либо сбоев.
Если вы решите повторить устройство, и установить себе в авто, всю ответственность несете только Вы.
С Уважением Юрий Юрьевич!
Скачать файлы проекта
.
Скачать “sistema-zapuska-dvigatelya-v-avtomaticheskom-rezhime” sistema-zapuska-dvigatelya-v-avtomaticheskom-rezhime.rar – Загружено 1 раз – 130 КБ
Просмотров:2 848
Схема Подключения Старлайн А93 — tokzamer.ru
Можно устанавливать такие детали на перегородке, отделяющей салон от мотора. Неважно, чем вы владеете — подержанным транспортом отечественного автопрома или новенькой иномаркой, защита от недоброжелателей нужна и тем, и другим.
Установка Старлайн А93 своими руками F10 — определение типа двигателя бензиновый или дизельный мотор.
Установка Старлайн А93 своими руками Я настраивал через компьютер, отключив при этом его от блока сигнализации. Пошаговая установка автосигнализации Starline A93 ( коротко и без воды)
Если удастся, принюхайтесь, нет ли посторонних запахов проводки. Так будет их легче скрыть от неопытного угонщика.
Можно установить устройство за комбинацией приборов. Общие требования Сигнализация предназначена для установки на автомобили с бортовым питанием 12 Вольт.
Сигнализация сразу может сработать и наверняка это сделает. Тогда придется прибегнуть к методу диодной развязки.
Еще пользователи отмечают частые сбои в работе коммуникатора, особенно после интенсивной эксплуатации. Starline A63 — Установка сигнализации. Точки подключения на авто Mitsubishi Lancer
Настройка брелока, обозначение кнопок:
- Основной — 4-кнопочный брелок с обратной связью и жидкокристаллическим (ЖК) дисплеем.
- Дополнительный — 3-кнопочный брелок без дисплея.

Короткое нажатие кнопки — одно нажатие любой кнопки продолжительностью менее 0.5 секунды. Длительное нажатие кнопки – нажатие и удержание кнопки брелка до появления мелодичного звукового сигнала. Двойное нажатие кнопки — два нажатия одной кнопки в течение 0.5 секунд. Последовательное нажатие кнопок — два нажатия одной или разных кнопок. Первое нажатие должно быть длительным, второе нажатие — кратковременным.
Вариации серии А93
Если все заработает сразу — ищите неисправность шутка электриков.
При правильном следовании этим требованиям, а также соблюдении инструкции, водитель будет долго и исправно пользоваться автозапуском способы описаны выше. Вроде как разницы куда что подключать смысла нет, но начиная с версии 3. Минимальный набор: термоусадка специальные кембрики, уменьшающиеся в сечении при нагревании промышленным феном либо зажигалкой, они лучше, чем изолента сечением 3, 5 и 8 мм длиной 1 метр каждая; набор разноцветных медных многожильных проводников в полихлорвиниловой изоляции ПВХ сечением 2, 4 и 6 кв.
Расположение и назначение контактов на центральном блоке Схема расположения контактов на основном блоке Старлайн А Необходима для корректной работы стартера и соответствия режиму эко; F11 — варианты контроля за работой двигателя. Их можно подключить, например, к датчику коленвала, без которого двигатель не заведется. На него должен быть подключен провод с обжатой клеммой. Подключение к шинам CAN LIN Подключение к шинам CAN и LIN выполняется по схеме Если шина CAN не поддерживает центральный замок , следует пользоваться следующей схемой Схема установки слаботочного управления приведена ниже Схема включения силового управления Система StarLine A93 имеет схему блокировки двигателя при несанкционированном запуске Обычно блокируются напряжения питания, подаваемые на бензонасос, форсунки, катушку зажигания. Состоит она из следующих разделов: приблизительные места установки элементов сигнализации карта монтажа , тут производитель дает детальные рекомендации, куда установить тот или иной блок, для того чтобы автомобиль был полностью защищен, а дополнительные функции могли эффективно запускать мотор автоматически; порядок подключения , тут имеются детальные схемы, по которым автолюбитель если решил произвести монтаж самостоятельно обязан соединить все элементы между собой после их установки, например датчик пуска мотора; порядок программирования , тут указывается, как программировать охранную систему, установить персональный ПИН код, запрограммировать интерфейс.
По окончании электромонтажных работ и настройки охранной системы с помощью пластмассовых хомутов можно объединить штатную и нештатную проводку в единый хомут, тем самым усложнив работу возможным угонщикам. Как пользоваться автозапуском Starline A93 Для того, чтобы правильно пользоваться автозапуском, необходимо изучить инструкцию по эксплуатации для пользователя.
Датчик температуры двигателя 5 крепится на металлические части системы охлаждения, лучше возле термостата в непосредственной близости от штатных датчиков температуры охлаждающей жидкости автомобиля. Сначала подключается масса минус, черный проводник второго разъема. Если все заработает сразу — ищите неисправность шутка электриков.
Все основные разъемы центрального блока расположены в ряд с одной стороны. Сервисная кнопка и контроллеры чувствительности и наклона устанавливаются в салоне. Тем не менее со своей главной задачей она справляется вполне сносно. На капот или багажник фиксируются концевые переключатели.
Они написаны для профессионалов, но обычным доступным для чайника языком. Их можно подключить, например, к датчику коленвала, без которого двигатель не заведется. В случае длительного срабатывания звукового сигнала возможен перегрев и выход из строя сирены, поэтому в электрическую цепь сирены лучше включить дополнительный предохранитель на 5 Ампер. Сначала подключается масса минус, черный проводник второго разъема. Нельзя крепить датчик температуры двигателя в непосредственной близости к выпускному коллектору. Обзор сигнализации StarLine А93 Дальность, установка,функции
Основной список команд брелка
Основной брелок • Включить режим охраны со звуковым подтверждением (кнопка 1 — короткое нажатие) • Выключить режим охраны со звуковым подтверждением (кнопка 2 — короткое нажатие) • Включить режим охраны без звукового подтверждения (кнопки 1+1 — последовательное нажатие) • Выключить режим охраны без звукового подтверждения (кнопки 2+2 — последовательное нажатие) • Включить режим бесшумной охраны (кнопки 1+2 — последовательное нажатие) • Прервать сигналы тревоги (кнопка 2 — короткое нажатие)
Дополнительный брелок • Включить режим охраны со звуковым подтверждением (кнопка 1 — короткое нажатие) • Выключить режим охраны со звуковым подтверждением (кнопка 2 — короткое нажатие) • Включить режим охраны без звукового подтверждения (кнопка 1 — двойное нажатие) • Выключить режим охраны без звукового подтверждения (кнопка 2 — двойное нажатие) • Включить режим бесшумной охраны (включается только через основной брелок) • Прервать сигналы тревоги (кнопка 2 — короткое нажатие)
Полный список команд вы можете найти в инструкции по эксплуатации на страницах 19-20.
Скачать бесплатно инструкции по установке и эксплуатации в формате PDF
Читать памятку пользователя, а также сервисные руководства по монтажу и использованию можно, перейдя по ссылкам:
| Руководства на русском языке по эксплуатации и установке сигнализации | |
| Скачать файл: Инструкция по эксплуатации Starline A93 [4,74 Mb] (cкачиваний: 128) Посмотреть онлайн файл: Инструкция по эксплуатации Starline A93 | |
| Скачать файл: Инструкцию по установке Starline A93 [5,32 Mb] (cкачиваний: 51) Посмотреть онлайн файл: Инструкцию по установке Starline A93 | |
| Скачать файл: Памятка пользователю Starline A93 [3,95 Mb] (cкачиваний: 48) Посмотреть онлайн файл: Памятка пользователю Starline A93 |
Дистанционный запуск двигателя
В СтарЛайн а93 удобно и эффективно введена функция дистанционного пуска силового агрегата, создающая дополнительное удобство при эксплуатации транспортного средства.
Настройка программной нейтрали
· Активируется ручной тормоз при работающем моторе, водитель покидает салон, закрыв двери. Воздействием на вторую кнопку включается режим;
· Зажигание выключается. В зависимости от условий программной нейтрали, мотор либо продолжает работу, либо нет;
· Машина ставится на охрану.
Таблица: запуск, продление работы и остановка двигателя с брелока
| Что делать. | Брелок. | Система. |
| Пуск силового агрегата на расстоянии. | ||
| Кнопка №1 до оповещения двумя мелодиями. | · Один сигнал сирены; · Одна вспышка фар; · Двери блокируются; · Мотор запустится. |
|
| Продление работы. | ||
| Нажать и удерживать первую кнопку до двух мелодий на пульт. | · Фары моргнут один раз; · Двигатель работает. |
|
Остановка мотора на расстоянии.![]() | ||
| Первая кнопка долго, четвертая кратко. | · Четыре проблеска оптики; · Двигатель глохнет. |
|
Таблица: инструкция настройки автозапуска по времени
| Что делать. | Брелок. | Система. |
| Настройка запуска по времени | ||
| Курсор к значку: Клик по первой клавише. | Фары мигнут один раз. |
|
| Выбор периода первой клавишей. | — | Изменение периода отображается на дисплее: |
| Запись в память первой клавишей до мелодии. | Через несколько секунд начинается прогревочный цикл двигателя. |
|
Отключение функции.![]() | ||
| Курсор к значку Клик по первой клавише. | Два проблеска фар. | · Одна мелодия пульта; · Исчезнет значок |
Таблица: настройка запуска по температуре
| Что делать. | Брелок. | Система. |
| Настройка запуска по температуре забортного воздуха. | ||
| Курсор к значку: Клик по первой клавише. | Фары мигнут один раз. |
|
| Выбор периода первой клавишей. | — | Изменение температурного значения пуска отображается на дисплее: |
| Запись в память первой клавишей до мелодии. | Через несколько секунд начинается прогревочный цикл двигателя. |
|
Отключение функции.![]() | ||
| Курсор к значку: Клик по первой клавише. | Два проблеска фар. | · Одна мелодия пульта; · Исчезнет значок: |
Таблица: автозапуск по будильнику
| Что делать. | Брелок. | Система. |
| Настройка запуска по будильнику. | ||
| Курсор к значку: Клик по первой клавише. | Фары мигнут один раз. |
|
| Отключение функции. | ||
| Курсор к значку: Клик по первой клавише. | Два проблеска фар. | · Одна мелодия пульта; · Исчезнет значок: |
Видео
Канал «ORJEUNESSE» рассказал об особенностях установки сигнализации А93, а также показал ее фактический диапазон действия при эксплуатации.
У Вас остались вопросы? Специалисты и читатели сайта AVTOKLEMA помогут вам, задать вопрос
Поддержите проект — поделитесь ссылкой, спасибо!
Оценить пользу статьи:
Обсудить статью:
2020 год
Технические характеристики
Есо
Бюджетная версия, имеющая базовый набор охранных функций с экономичным режимом потребления электроэнергии.
Двухстороннюю связь между брелоком и центральным блоком управления обеспечивает зашифрованный 128-битный код с высокой степенью защиты от помех. Универсальный датчик удара чутко реагирует не только на легкое прикосновение, но и на изменение горизонтального положения автомобиля.
Автозапуск двигателя кроме ручного режима имеет возможность производиться по запрограммированному времени или достижению определенного температурного порога. Настройки позволяют изменять громкость сирены, чувствительность датчика удара, имеется возможность перехода в бесшумный режим.
При необходимости возможна установка дополнительных модулей GSM, CAN+LIN, 2CAN+2LIN и без ключевого доступа.
GSM
Телематическая комплектация модели значительно расширяет возможности охранного комплекса. Канал связи GSM позволяет осуществлять дистанционное управление и контроль транспортного средства в зоне действия сотовой связи и позволяет:
- определить местонахождение и маршрут автомобиля;
- техническое состояние и блокировку систем управление двигателя в случае угона.

Базовая комплектация сигнализации старлайн с автозапуском GSM имеет следующие возможности:
- авторизация по ПИН-коду;
- функция SUPER SLAVE;
- бесключевой доступ;
- интеллектуальный автоматический запуск двигателя.
Данная версия не поддерживает активацию бесключевого доступа на автомобилях, выпускавшихся до 2005 года.
CAN+LIN
Сигнализация starline a93 CAN+LIN в своей базовой комплектации не имеют модулей GSM и GPS, но технически предусмотрена такая возможность при отдельном приобретении и установке необходимых блоков.
До приобретения этой версии следует убедиться на наличие в автомобиле соответствующих электронных шин для подключения. Всю необходимую информацию можно получить на официальном сайте старлайн.
Базовая комплектация этой модели обеспечивает следующую функциональность:
- кодирование сигнала 128 бит;
- самодиагностика системы;
- авторизация посредством PIN-кода;
- универсальные трехмерные датчики;
- функция SUPER SLAVE;
- доступ без применения ключа;
- автоматический запуск двигателя в нескольких режимах.

2CAN+2LIN
Технические характеристики и функционал сигнализации старлайн 2CAN+2LIN сопоставимы комплектации предыдущей модели. Версия адаптирована для электронных систем современных автомобилей, выпускающихся с 2010 года. Блоки GSM и GPS отсутствуют в базовой комплектации, но при желании могут быть установлены дополнительно.
2CAN+2LIN GSM ЕСО SLAVE
Наиболее продвинутая автосигнализация старлайн А93 2CAN+2LIN GSM ЕСО SLAVE имеет самую максимально оснащенную комплектацию, в которую входят:
- брелок, поддерживающий двустороннюю связь с радиусом действия 2000 метров;
- возможность управления штатным ключом;
- диалоговый код не поддающийся расшифровке сторонними устройствами;
- трехмерные датчики удара и наклона с элементами искусственного интеллекта;
- турботаймер;
- различные режимы управления автоматическим запуском двигателя;
- автоматический режим прогрева автомобиля;
- температурный контроль охлаждающей жидкости;
- температурный датчик воздуха в салоне;
- функцию самодиагностики охранной системы;
- 128-битный канал радиосвязи;
- двухсторонняя связь через мобильное приложение на смартфоне с возможностью дистанционного управления некоторыми функциями;
- получение информации о месторасположении автомашины.

Насыщенная комплектация лишена только модуля ГЛОНАСС, который, впрочем, вполне возможно установить за отдельную плату.
Схема подключения Starline А39
Противоугонная система предназначена для профессиональной установки в салоне. Если же устанавливать А39 по каким-то причинам владельцу необходимо самостоятельно, можно воспользоваться инструкцией к А93, которая является аналогичной.
Дополнительные функции
Универсальная платформа четвертого поколения позволяет модернизировать центральный блок модулями, позволяющими использовать дополнительные функции, такие как:
- осуществление контроля и управление электронными системами двигателя;
- контроль температурного режима системы охлаждения;
- температурный контроль воздуха в салоне;
- двухсторонняя связь через мобильный интернет при помощи приложения на смартфоне;
- определение координат нахождения автомобиля и его маршрут.
Некоторые модификации изначально имеют дополнительные функции.
При их отсутствии при желании расширить функционал на девяносто третьей модели можно легко установить дополнительные модули, без каких-либо технических проблем.
Защищенность и охрана
Диалоговый способ авторизации с индивидуальными ключами шифрования, длиной 128 бит, делает невозможным интеллектуальный взлом кодграбберами. Узкополосный 128-канальный трансивер отлично справляется с радиопомехами в мегаполисах, обеспечивая дальность управления до 500 метров, а оповещения до 2 км. StarLine A93 оборудована встроенным 3D-акселерометром, который реагирует на удар, перемещение, поддомкрачивание или эвакуацию. При этом настройка чувствительности всех датчиков доступна с брелка сигнализации.
Установка Старлайн А93 своими руками
20.05.2017, Просмотров: 17879
Starline A93 – надежная современная автосигнализация со множеством функций, в том числе, автозапуском.
Стоимость установки этой сигнализации в большинстве автосервисов составляет приблизительно половину ее цены, а в некоторых мастерских и более. Вместе с тем, обладая некоторыми познаниями в области электрики, умением держать паяльник, сигнализацию можно установить самостоятельно, немного сэкономив. В этом еще одно преимущество: установив сигнализацию своими руками, вы не будете в дальнейшем обращаться к автоэлектрикам в дальнейшем для ее обслуживания в случае сбоев в работе, а такое обязательно когда-нибудь случится. То есть, вы экономите дважды, а то и трижды. Кроме этого, вы получите опыт установки сигнализации. Кто знает, вдруг это будет вашей дальнейшей профессией. Установку автосигнализации значительно упрощает наличие двух инструкций (по эксплуатации и установке), в которых очень подробно описан процесс установки сигнализации SlarLine A93. Перед установкой сигнализации требуется внимательно изучить обе инструкции. Они написаны для профессионалов, но обычным доступным для чайника языком.
Общие требования
Сигнализация предназначена для установки на автомобили с бортовым питанием 12 Вольт. Понятно, что на мотосредства и грузовые авто ее установить нельзя. Хотя есть умельцы, которые запитывают ее от одного аккума грузового авто и делают гальванические развязки с другим оборудованием. И все отлично работает.
Первый этап работ – составление монтажной схемы. На ней указываются схемы пролегания проводов и жгутов для доступа к оборудованию: сирене, блокам, элементам подключения к питанию. Необходимо убедиться, что все оборудование авто в норме. Для этого лучше произвести компьютерную диагностику.
Особо хочу отметить: перед отключением аккумуляторной батареи (а это придется сделать перед началом электромонтажных работ), обязательно убедитесь, что ключ вынут из зажигания.
Если такового нет – что зажигание выключено. Если оно будет включено в момент отключения клеммы аккумулятора, возможны проблемы с штатным иммобилайзером.
При монтаже блоков сигнализации лучше прибегать к креплениям на саморезы, под болты. Монтаж с помощью пластмассовых хомутов ненадежен, особенно в условиях российских холодов – они начинают трескаться на морозе, блоки начинают болтаться на проводах, разъемы отходить, сигнализация сбоить.
Проводники автосигнализации необходимо укладывать как можно ближе к штатным жгутам, подальше от движущихся деталей авто (педали акселератора и тормоза, рулевой стойки, переключения передач), иначе в процессе движения они могут перетереться. После настойки сигнализации их лучше соединить со штатными жгутами пластмассовыми хомутами. Так будет их легче скрыть от неопытного угонщика.
Производитель рекомендует параллельно дополнительным управляющим реле ставить диодные шунты, как показано ниже
Размещение элементов сигнализации
Рекондуемое размещение устройств изображено на рисунке.
Хотя можно для большей скрытности установить их и в других местах.
Центральный блок 1 традиционно располагают под приборной панелью, чтобы было проще дотянуться до питания и исполнительных устройств. Рекомендация: в блоке установлен датчик температуры салона. Поэтому его надо располагать подальше от воздухопроводов отопителя салона, иначе показания температуры будут неточные. Крепят блок разъемами вниз. Немного неудобно при монтаже и обслуживании. Зато, когда вдруг во время ливня внутрь салона попадет вода (например, при протекании стойки), в блок она не прольется.
Приемопередатчик 2 лучше установить в верхней части салона на расстоянии не менее 5 сантиметров от других электронных устройств и металлических элементов кузова. Индикатор работы сигнализации 3 устанавливают на видном месте под лобовым стеклом.
Сирена 4 устанавливается в подкапотном пространстве подальше от нагревающихся элементов двигателя. Лучше последовательно в цепь сирены включить дополнительный предохранитель на 5 или 10 Ампер.
Бывают случаи, когда во время длительного воя сирены последняя перегревается и выходит из строя. Провода, ведущие к ней начинают плавиться, может произойти возгорание.
Датчик температуры двигателя 5 устанавливается на металлические патрубки системы охлаждения двигателя (на термостат).
Расположение контактов на центральном блоке StarLine
Схема расположения контактов Старлайн А93
Расположение и назначение контактов (распиновка) основных разъемов приведены ниже
Подключение основных цепей
Электромонтаж проводки необходимо осуществлять при отключенных разъемах. Начинают его с подключения минусовых проводов (заземление). Для этого необходимо найти штатную землю под болты. Она обычно расположена под ковриками в переднем углу пола авто. Если штатные болты заземления найти не удается можно установить заземление под хороший саморез, предварительно зачистив металлическое место установки.
Подключение к положительной шине питания лучше производить непосредственно от аккумулятора через дополнительный предохранитель. Провод лучше использовать сечением не менее 6 квадратных миллиметров, многожильный медный в полихлорвиниловой (ПВХ) изоляции. Соединения проводить методом «скрутка + пайка» с изоляцией термоусадкой.
Подключение к шинам CAN (LIN)
Подключение к шинам CAN и LIN выполняется по схеме
Схема включения силового управления
Обычно блокируются напряжения питания, подаваемые на бензонасос, форсунки, катушку зажигания. Беда в том, что все автоугонщики об этом знают и легко обходят их. Поэтому в Starline A93 есть слаботочные каналы блокировок. Их можно подключить, например, к датчику коленвала, без которого двигатель не заведется.
Тогда уж точно угонщикам придется повозиться, и, скорее всего оставить авто в покое.
Подключение обходчика иммобилайзера и GSM-модуля
Режим автозапуска (для разогрева двигателя, из квартиры) обеспечивает обходчик ВР-03. Схема изображена ниже
Общая схема сигнализации
Общая схема подключаемых модулей и узлов
Настройка сигнализации Старлайн А93
После выполнения электромонтажных работ проверьте надежность соединений, отсутствие обрывов и коротких замыканий, подключите центральный и другие блоки. Теперь можно подключить клеммы питания к аккумуляторной батареи. В этот момент брелки с управления сигнализации с включенными элементами питания должны быть под рукой.
Сигнализация сразу может сработать (и наверняка это сделает). Тогда попробуйте ее отключить. Если сразу не удается, на время настройки функций отключите сирену, чтобы не распугать собак.
Если все заработает сразу – ищите неисправность (шутка электриков). Попробуйте произвести пробный запуск. Если удастся, принюхайтесь, нет ли посторонних запахов проводки.
Далее глушат двигатель и проверяют автомобиль на наличие ошибок. После этого приступают к программированию функций автосигнализации при помощи таблиц, прилагаемых к инструкциям по установке и эксплуатации. Об этом в следующей статье.
Дистанционный запуск двигателя или автозапуск своими руками. Что такое автозапуск. Что такое автозапуск, принципы его работы, а также преимущества и недостатки.
После появления на рынках первых систем автоматического запуска двигателя можно было услышать много разных мнений и аргументов по этому поводу — как положительных, так и отрицательных.
Чтобы понять, стоит ли устанавливать подобный механизм на свое транспортное средство, мы подробно рассмотрим все его преимущества и недостатки, принципы работы и научимся делать систему автозапуска двигателя самостоятельно.
Двигатель автозащиты — Удобство для водителя в морозы
Несомненно, гораздо удобнее и комфортнее сесть в машину и сразу тронуться с места, чем тратить свое время на реанимацию замерзшего мотора. Когда-то можно было только мечтать, что машина утром заведет таймер и двигатель прогреется сам, теперь это реально.
На самом деле идея прогрева мотора при отсутствии водителя, совсем не новая, хоть и на легковом транспорте, применяется сравнительно недавно.Изначально такая технология использовалась на грузовых автомобилях, в которых замерзание жидкости могло дать очень печальные результаты. Кстати, для легковых автомобилей устройство способно не только обогревать, но и охлаждать салон, включая кондиционер в нужный момент.
Модуль автоматического запуска двигателя может работать в автоматическом или дистанционном режиме.
В первом случае нужно только настроить количество попыток и время запуска, а во втором — просто нажать кнопку на брелке. В некоторых случаях GPS-приемник можно заменить управлением через SMS-команды с обычного мобильного устройства.
Принцип работы автозапуска.
В техническом плане автоматический запуск мотора не составит труда. Электронная плата, имеющая возможность программирования, нужно подключить к нужным датчикам и зажиганию через реле. Установка может располагаться где угодно, никаких особых требований к системе не предъявляется, не считая электричества. Чип должен сочетаться с такими механизмами:
1. Вход.
2. Тахометр (для контроля работы двигателя)
3.Конец капюшона.
4. Датчик скорости.
5. Датчик давления масла.
6. Педаль газа.
7. Рычаг коробки передач и стояночного тормоза.
8. Свеча обогрева (для дизельных двигателей).
В заданное время на цепи, соединяющей питание с зажиганием, переключается реле.
Далее через датчик в магистрали проверяется давление масла с последующим запуском стартера. Что касается дизелей, то нужно еще контролировать свечи накаливания.
Есть несколько попыток запуска. По умолчанию для каждого реле предусмотрено три попытки, однако настройки можно изменить. Если все попытки не увенчались успехом, современные системы автозапуска способны по достаточно простому алгоритму пропустить информацию и отправить причины на ненормальный мобильный телефон.
Автосигнализация с автозапуском, как добиться взаимодействия
Запуск двигателя предназначен для отключения или обхода определенных сигнальных функций. Поэтому система автозапуска очень сложно взаимодействует с системой защиты автомобиля.В случае блочной связи с охранным комплексом отключается большинство датчиков сигнализации, после чего включается зажигание. Блок обхода иммобилайзера можно приобрести отдельно, благо стоит он не дорого.
Те, кто занимается разработкой охранных комплексов, обязаны создавать разновидности и защиту при работающем двигателе.
Часто при работающем двигателе на клеммы возлагаются защитные заряды. Один датчик находится на клемме стоп-сигнала. При получении тревоги включаются все датчики, блокируются двери и т.д.
Автомобильная система, как сделать своими руками, ход работы стилизован под
Сделать систему автозапуска самостоятельно вполне реально. Если на вашем транспортном средстве нет сигнализации, вам подойдет самая простая схема. В противном случае вам нужно будет находиться возле иммобилайзера.
Схема достаточно проста для ее воплощения, ничего не понадобится, кроме контактных реле, трех-четырех площадок к ним, паяльника и скотча. Если у вас есть вспомогательные выходы на сигнализацию вашего автомобиля, например, на открытие капота, то можно обойтись и без таймера.Сделанная схема будет соединяться через них и запускать брелок.
Сигнализация не способна сама подавать напряжение, однако подключает блок питания со схемой. Для этого заморачивается одно из реле, которое запускает всю систему.
Но длится подобное подключение недолго, по этому один провод должен выводиться на клемму ручника. Что касается третьего реле, то оно закреплено за стартером.
Также вы можете управлять кнопкой, которая дистанционно открывает двери.Для этого необходимо не спеша разобрать ключ и применить плату, отвечающую за активацию мотора. Типовой считыватель, расположенный в замке зажигания, соединяется тонким проводом с извлеченной платой.
Прогрев автомобиля можно проводить без запуска мотора. В этом случае используется прогревочный автомат, который работает от автомобильного аккумулятора. Не забывайте, что выполняя установку, последний должен быть подключен к плюсовому проводу.
Автозапуск двигателя — преимущества и недостатки
Преимущества автозапуска:
1.Фракция двигателя и салона автомобиля в холодное время года.
2. В жаркое время года охлаждаемый салон.
3. Вы значительно экономите свое время.
4. Есть опция турботаймера, которая позволяет останавливать турбину двигателя постепенно, а это положительно сказывается на ресурсах устройства.
Недостатки и минусы системы:
1. В очень холодную ночь, пытаясь поднять температуру до оптимальной точки, система может посадить аккумулятор. Чтобы этого не допустить, правильно установите время двигательной активности, достаточное для того, чтобы зарядиться обратно.
2. Значительно снижена защита автомобиля. Чтобы не снижать безопасность, нужно приобрести специальную систему сигнализации, которая может работать с автозапуском.
3. При неправильной настройке системы автозапуска вы получите пару холодных пусков на ночь и ни одного утром.
4. При сильном морозе и холодном ветре, по вине системы, выхлопная труба может замерзнуть. Это происходит при образовании водяного конденсата в выхлопной трубе.
5.Иммобилайзер временно отключается во время автозапуска.
6. Увеличивается расход топлива. Однако при самостоятельном прогреве автомобиля вы также тратите топливо.
7. Если поставить автомобиль в зимнее время на нейтральную передачу, тросы тормозных колодок или ручного стояночного тормоза могут столкнуться.
8. При ослаблении ручного стояночного тормоза автомобиль может самопроизвольно начать движение, особенно если вы стоите на склоне.
Несколько советов:
1.Увеличенная выхлопная труба с автозапуском, необходимо установить таймер перегрева двигателя на нужное время, например, десять минут. Таким образом, автомобиль не будет долго работать на холостом ходу, а значит, не будет образовываться водяной конденсат.
2. При замерзании троса стояночного тормоза сбить с него можно следующим способом — снять колеса, отвести флажок ручника назад в заднее положение и вытянуть трос. Холодные колодки и установка колес обратно.
3. Если стояночный тормоз ослаблен, подложите под колеса кусок кирпича или противотанковые подкладки.
Делаем выводы
Система автозапуска — не палочка-выручалочка, однако достаточно удобный инструмент в зимнее время года. Помните, что вышеперечисленные недостатки характерны только для автомобилей с механической коробкой передач, по этому при установке не забывайте о рисках. Также следует помнить, что при активации автозапуска система безопасности автомобиля будет отключена, что может привести к угону автомобиля. Кроме того, при обходе иммобилайзера необходимо использовать запасной ключ, способный обнаружить злоумышленника при проникновении в автомобиль.Поэтому, прежде чем оснащать автомобиль этим устройством, необходимо взвесить и хорошенько обдумать все его плюсы и минусы.
Как подключить реле автозапуска. Процесс установки автозапуска на карбюраторный автомобиль. Можно и нужна ли система автозапуска установить своими руками
Рассмотрим автоматический запуск двигателя на примере ВАЗ по дополнительному каналу сигнализации.
Наступление холодов особенно скрывают автолюбители, ведь ехать зимой не на той машине становится немного неудобно из-за сильного холода в салоне.
Часто водители борются с этим неудобством, предварительным прогревом двигателя и салона автомобиля, но и в этом случае нужно выйти на улицу на мороз и завести машину.
В качестве полезного устройства в этом случае мы можем предложить вам полезное устройство, с помощью которого можно запустить мотор от обычного брелка сигнализации, используя дополнительный канал.
Для изготовления данного инструмента нам потребуется:
- Сигнальное устройство с обратной связью и дополнительными кнопками на брелке;
- Четыре 4-контактных реле, их стоимость примерно 60-80 рублей, которые можно приобрести в любом автомобильном магазине;
- Для реле нам также понадобятся четыре блока, которые также необходимо приобрести, стоимость их обычно не выше 20-30 рублей;
- Паяльное устройство;
- Изолента;
- Типовая схема самого устройства;
Теперь приступаем к сборке.
Сначала отрезаем от колодки центральный провод желтого цвета, так как он в дальнейшем не понадобится, а будет только мешать. После этого нам нужно сделать все четыре площадки в один ряд, чтобы они не торопились во время пайки, делают это с помощью скотча.
Цвета проводов даны в соответствии с реальными цветами проводов на автомобилях ВАЗ-2110 серийного производства. Конечно может быть и так, что в вашем случае цвета не совпадают, для этого возьмите схему электропроводки вашего автомобиля, она поможет понять какие провода, с какими соединены.На схеме также подписаны, для удобства, все провода.
Принцип работы устройства.
В нашем случае мы воспользовались сигнализацией с обратной связью типа «Томагавк 7000». В данной сигнализации предусмотрена двухканальная система передачи сигнала, активировать которую можно с помощью кнопок на брелке сигнализации.
Обычно первый канал в сигнальном устройстве используется для открытия замка багажника, в нашем случае придется пожертвовать дистанционным открытием багажника, так как нам понадобится первый канал для создания электрической цепи.
Оборудование второго канала обычно не используется, поэтому проблем с ним быть не должно.
Также следует помнить, что обычно установка сигнализации не содержит тока напряжения, а лишь способствует замыканию контактного реле на кузов автомобиля. Другими словами, контакт реле подключается к минусовому контакту.
Крайне реле должно быть подключено к клемме ручника, это легко сделать, если все подключатся к тому реле, что подходит для комбинаций устройств.Самое крайнее реле нужно для защиты от отключения двух реле, расположенных посередине, если снова разомкнется первый канал сигнализации. Обычно не бывает сигнализаторов, которые держали бы замкнутую цепь до трех секунд.
Изготавливаем систему отопления.
Скажу сразу, этот способ изготовления отопления может сэкономить вам 50-70% вашего бюджета, так что этот заголовок заслуживает вашего внимания.
Как мы знаем, наша замыкающая колодка, к которой мы будем подключать блок автоматического запуска, имеет 3 толстых провода, которые подключаются к реле.
Итак, среднее реле при КЗ будет подавать ток розовым толстым проводом на провод, который подключен к бензонасосу и комбинированному прибору.
Следующее, а именно второе реле, можно подключить к любому прибору, будь то фары, габаритные огни и т.д.
Что касается первого реле, то оно понадобится для запуска стартера автомобиля. Это сделано таким образом, что при замыкании второго канала нашей сигнализации это реле подает напряжение на сам стартер, который в свою очередь крутит двигатель автомобиля.
Установка выносного двигателя двигателя автомобиля.
Готовое устройство можно перемотать лентой и подписать каждый вывод провода, как показано на фото, так будет удобнее пользоваться при дальнейшей эксплуатации.
И так, после сборки нам нужно достать из автомобиля блок сигнализатора, к которому крепятся все активаторы дверных замков и датчики вибрации. Нужно выяснить, какой из проводов сигнализации питается от дополнительного канала.
После этого нам нужно снять защитный кожух рулевой колонки и найти контакты замка зажигания, нужно подключить провода блока автоматического запуска, предварительно отсоединив клеммы от аккумулятора.
На фото виден синий провод, который подключается к ручному тормозу. В конце должен остаться только зеленый провод, его можно подключать к любому месту, будь то фары, габаритные огни или даже магнитола. Последний вариант будет еще эффективнее.Так как при дистанционном включении машины, то будет работать и радио, ну а когда вы вернетесь в теплую машину с теплым салоном, вас также может встретить и приятная музыка.
Инструкция по использованию устройства.
Итак, мы сделали блок реле и подключили его к контактам зажигания, теперь пришло время попробовать его работоспособность.
Для этого сначала снимите автомобиль с охранной сигнализации. После этого запускаем работу бензонасоса с помощью кнопки первого канала сигнализации.
Далее закрываем все двери автомобиля и нажимаем вторую кнопку, которая использует второй канал для запуска двигателя.
В нашем случае сигнализация запрограммирована на трехсекундную задержку, которой достаточно для запуска двигателя. Иногда встречаются такие модели будильников, в которых предустановлена двенадцатисекундная задержка. Ничего страшного в этом нет, так как хватит, ну или в крайнем случае можно второй раз нажать на кнопку.
Далее подойдите к машине и отоприте двери с кнопки на брелке.Садясь в машину, снимите ее с ручного тормоза, машина тут же заглохнет. Не пугайтесь, это такой хитромный трюк для угонщиков, так сказать на всякий случай. Но не спешите снимать машину с ручного тормоза, следует вставить ключ зажигания и повернуть его на одно деление, тогда можно стрелять с ручника.
Если вы уже завели двигатели, но по каким-то причинам передумали ехать, то в этом случае потребуется все, чтобы спуститься к машине и снять ее с ручного тормоза.
Конечно, это немного неудобно, но можно заранее починить реле, в этом нет ничего сложного.
В качестве альтернативы сигнализации можно также использовать GSM-модуль и заводить двигатель автомобиля, не поверите, с мобильного телефона, но это уже, как говорится, совсем другая история.
Мозговое устройство — микроконтроллер Pic12f629. . Транзисторы VT2, VT3 могут быть любые N-P-N, максимальный ток коллектора, должен быть на два больше тока срабатывания реле.Реле необходимо выбирать на следующие значения коммутационных токов: реле стартера — 20 ампер, наружные амперметры, а вот реле IGN, оно же реле зажигания и комплектующих, должно быть рассчитано на ток коммутации не менее 40 ампер. Очень хорошо подходят автомобильные реле, такие как:
Линейный стабилизатор применяется для питания микроконтроллера L7805 Для сглаживания пульсаций на входе и выходе стабилизатора стоят электролитические конденсаторы 470MCF, рассчитанные на напряжение не менее 25 вольт, а керамические на 0.
1 мкФ на такое же напряжение.
Все диоды применяемые в схеме могут быть абсолютно любыми выпрямительными, допустим 1N4001. — Будет в самый раз. Транзистор VT4, абсолютно любой P-N-P проводимости, например — КТ361. Переменный резистор R1, лучше всего использовать многооборотный, это позволит в основном регулировать режим работы компаратора, который в свою очередь будет следить за состоянием двигателя (запущен, или заглушен).
Сигнал пуска управляется логическим «0», т.е. микроконтроллер понимает, что есть сигнал СТАРТ, когда вход СТАРТ, разъем Х10 подключен к массе (минус).Этот вход подключается к каналу Ch3 автосигнализации. Обычно в инструкции этот канал предназначен для дистанционного открывания багажника.
Парковочный сигнал управляется логическим «0», т.е. микроконтроллер понимает, что есть парковочный сигнал, когда Парковочный вход, разъем Х9 подключен к массе (минус). Этот вход подключен к датчику ручного тормоза.
Алгоритм работы системы:
Для установки автомобиля на функцию автозапуска необходимо при работающем двигателе, включив двигатель, подать сигнал на Ч3 от блокировки сигнализации (см.
инструкцию к автосигнализации).Блок автозапуска проверит состояние положения ручного тормоза, напряжение в бортовой сети автомобиля и, если система определит, что ручной тормоз включен, а напряжение в бортовой сети больше 12,9 вольт , система подаст питание на реле IGN, выполнит так называемую «приостановку зажигания», после чего можно вытащить ключ из замка зажигания, и покинуть автомобиль. Через 15 секунд система перейдет в режим готовности к пуску, подтвердив переход двумя сигналами габаритных огней, первый длительностью 2 секунды, а второй секунды.Если в течение 15 секунд отпустить ручной тормоз или двигатель по какой-либо причине заглохнет, система обесточит реле IGN и вернется к проверке «программной нейтральности».
В то время, когда нужно запустить двигатель, необходимо подать сигнал на Ч3, сигнал на Ч3 (см. инструкцию к автосигнализации). Блок автозапуска проверит состояние положения ручного тормоза, напряжение в бортовой сети автомобиля и, если система определит, что ручник включен, а напряжение в бортовой сети меньше 12 В.
9 вольт система подаст питание на реле IGN, 6 секунд паузы, на топливный насос, и выполнит первую попытку запуска. В случае неудачной попытки запуска двигателя система сделает еще две. После успешного запуска двигателя система начнет «мигать габаритами», подтверждая работу блока автозапуска.
Время работы двигателя запрограммировано 15 минут. Если после трех попыток запуска двигателя запустить его не удалось, система дважды «мигает» габаритами, и переходит в режим ожидания автозапуска.
Если ручник снят, в режиме ожидания система «мигнет» габаритами три раза, и перейдет в «программно нейтральный» режим
Если в режиме ожидания автозапуска двигатель работает, и вы попытаетесь запустить двигатель, система не допустит этого действия!!!
Самое «сложное» — это организация подключения пускового модуля к замку зажигания.
Приведу пример подключения на ВАЗ-2113, ВАЗ-2114, ВАЗ-2115.
В данном случае разъемы х3, х5, х7 — соедините контакт х4 с 3-м разъемом замка зажигания (красный провод).
Контакт х8 к 4-му контакту разъема замка зажигания (синий провод).
Разъем Х6 подключается либо к габаритным фонарям, либо к указателям поворотных фонарей. Следует иметь в виду, что как габаритные огни, так и указатели поворотных огней имеют левую и правую сторону. Самый простой вариант — использовать два диода, тогда схема будет выглядеть так:
Всем спасибо за внимание, успехов в ваших начинаниях.Система установлена и успешно используется на моем автомобиле. Все работает четко и без сбоев.
Если вы решите повторить устройство, и установить себе в автомобиль, всю ответственность несете только вы.
С уважением, Юрий Юрьевич!
Загрузить файлы проекта
Вряд ли кому-то придет в голову, что личный автомобиль — это неудобно. Он позволяет добираться в любые нужные вам места, делая это быстро и с комфортом.Но сидеть в машине приятно не во всех случаях. Например, холодно и зимой студенту гораздо комфортнее очутиться в теплом салоне, чем пол пути трястись, пытаясь согреться.
Конечно, в определенной степени с этим явлением помогают бороться нагретые накидки, но куда лучше автозапуск для автомобиля. Без будильника нельзя? Несмотря на то что!
Да, в большинстве случаев автоматический запуск мотора и в самом деле обеспечивается «продвинутыми» защитными системами, но не всегда покупка целесообразна.Допустим, у вас уже есть такой «сторож» в машине, но в нем конструктивно отсутствует функция автоматического запуска. Что теперь, купить новую сигнализацию? Нет, сегодня на рынке много дополнительных блоков, которые добавят такой приятный функционал в любой автомобиль, пусть даже выпущенный в прошлом веке.
Бат2 б/кр — это вход во вторую силовую цепь IGN2. Как и в прошлом случае, защищен предохранителем, который рассчитан на ток в 25А. Также рекомендуется подключаться к тому кабелю, который идет напрямую к аккумулятору.
IGN1 — выводы от системы зажигания. Логично, что его необходимо подключить к кабелю, который питает зажигание вашего автомобиля.
Важно не перепутать! Дело в том, что система автозапуска напряжения в этом сегменте определит, есть ли ключ в
Если при установке допустить хоть какие-то засветки, то можно ожидать много очень неприятных сюрпризов. Например, ваш Железный конь откажется заводиться автоматически и вы, вместо комфортной поездки на работу, будете полчаса мерзнуть и пытаться согреть собственную машину холодной зимой.Не лучшая альтернатива!
Этот блок подключается к первому разъему, который идет от «зажигательной» системы. Если по каким-то причинам у вас это сложно сделать, вы можете найти такой же провод в BSI. В общем, это сможет сделать даже человек, не имеющий специального опыта работы с электронными сетями современных автомобилей. Но при этом все же не помешает ознакомиться со схемой его автомобиля. Это избавит вас от многих неприятных последствий.
Лучшие ожидания
Наконец — как выбрать автозапуск для автомобиля без сигнализации? Рейтинг такого рода систем распределяет призы следующим образом:
- Pantera SLK-868RS – пятое место, идеальное сочетание цены и качества.

- StarLine A91 — четвертое место.
- Scher-Khan Logicar 1 — третье место. Очень хороший функционал, модуль относительно прост в установке.
- Pantera SLK-675RS — второе место. Отличные характеристики и высокая надежность за вполне адекватные деньги.
- И снова STARLINE: Модель А94 — вне конкуренции. Отличная функциональность, надежность и простота установки. И цена, которая ниже предложений конкурентов.
Вот как выбрать автозапуск для автомобиля без 2014-2015 года достаточно наглядно показаны самые «яркие» и надежные представители рынка.
Автозапуск — это дистанционное управление автомобилем снаружи, т.е. из дома или офиса.
Приближается холод, бежит и садится в холодную машину. Нет желания и тратить время на прогрев, занимаясь согревающими танцами вокруг машины. Хорошо, когда лежит снег, хотя есть чем заняться, а когда нет, то лучше провести это время с большей пользой.
Многие производители автосигнализаций пришли к нам на помощь, создали сигнализацию с автозапуском.
Но как показывает практика, стоимость у них начинается от 4000 рублей, а за установку еще нужно заплатить 2500 рублей и получается совсем бюджетный вариант.За такие деньги не жалко и потанцевать вокруг машины.
Решил пойти по пути наименьшего сопротивления, т.к. у меня машина не первой свежести, и тратить на нее такую сумму денег просто нецелесообразно. Зачем покупать оригинал, если можно заменить дешевле.
Полазив по интернету, был найден радиомодуль на четыре канала.
С дистанционным управлением с пульта
Настолько эта схема меня заинтересовала, что я решил собрать и применить ее на своем автомобиле.
На этой схеме видно, что используются только 2 канала:
- первый канал включает зажигание;
- второй подает сигнал на стартер.
В моем случае машина под окном и в пределах видимости, т.е. мне этих функций достаточно для запуска машины.
Но все же защита от дурака в схеме есть:
- защита стартера при запуске двигателя, принудительно отключится при появлении питания на лампочке заряда аккумулятора;
- «» На КПП не даст системе работать на скорости, т.
е.е. Масса будет только на нейтрали; - прикол на ручнике не даст машине тронуться при запуске с холодным маслом в КПП.
Система очень сырая, но рабочая, ее можно всячески модифицировать, т.е. можно прицепить старый телефон, который подхватит вас, когда машина завелась. Это как бы дополнительная информация о вашем автомобиле.
Жду предложений в комментариях.
Автозапуск автомобиля — удобная функция, и многие водители успели ее оценить.В большинстве случаев за ее реализацию отвечает спецподразделение, входящее в состав системы сигнализации. Однако бывают ситуации, когда модуль автозапуска нужен, а менять из-за этого не хочется. Можно ли что-то сделать в таких случаях?
Как устроен модуль для автозапуска?
Автоматический и дистанционный запуск необходим для того, чтобы автомобиль заблаговременно перед поездкой пришел в рабочее состояние, а салон — прогрет зимой или остыл летом.Как правило блок автозапуска двигателя позволяет включить двигатель:
- по часам в заранее настроенное время;
- на датчик температуры, если установлен минимум;
- дистанционным сигналом.
Сам по себе модуль автозапуска двигателя состоит из следующих частей:
- Электронный блок управления. В его задачу входит обработка команд владельца, анализ показаний датчиков и подача сигналов на исполнительные устройства автомобиля.
- Датчики. Они нужны, чтобы избежать износа двигателя или даже его поломки.Как правило, в комплекте всегда есть как минимум датчик, измеряющий давление масла (при недостаточном давлении запуск будет заблокирован и может происходить только вручную). Также автомобили часто оснащаются датчиком положения коробки передач: если машина не стоит на нейтрали, мотор тоже не заведется.
- Предпусковой подогреватель. Это не обязательная часть, но крайне полезная в холодное время года.
Посмотреть видео
Алгоритм, по которому модуль осуществляет автозапуск двигателя, выглядит так:
- Модуль получает сигнал снаружи, от владельца, или изнутри от встроенного таймера или датчиков температуры.
- Нагреватель включается.
- Подача топлива включена.
- Иммобилайзер отключен либо, если позволяет его устройство, переведен в режим «Авто-сайт».
- Идет диагностика бортовой электроники и систем электроснабжения.
- Стартер запускается.
- Карбюратор готовит топливную смесь.
- Зажигание включается.
- Если все прошло штатно, водитель получает сигнал о том, что двигатель заработал.
Таким образом, нетрудно заметить, что дистанционный запуск двигателя возможен на автомобилях, оснащенных достаточным количеством электронных устройств.Естественно, на старой машине с армейским «кривым стартером» он как минимум бесполезен.
Кроме того, нетрудно заметить, что срабатывание сигнализации для этой процедуры не требуется. Именно поэтому можно использовать автозапуск автомобиля без сигнализации.
Запуск с телефона и другие варианты модулей
Сейчас на рынке автоаксессуаров можно найти множество вариантов систем автозапуска. Посмотрим, что предлагают производители.
GSM автозапуск автомобиля без сигнализации
Система блокировки GSM удобна тем, кто ставит машину на стоянку вдали от дома.Одним из побочных эффектов от использования этой системы связи является возможность как определять положение машины, так и привязываться к ней вне действия штатной радиостанции. При этом управляющий сигнал на пусковой агрегат может передаваться с помощью обычной сотовой связи. По сути, модуль будет аналогом телефона, на который можно звонить или отправлять сообщения.
Преимущества этого вида модулей:
- Неограниченный радиус действия.Достаточно, чтобы машина находилась на территории «сот» — то есть «в пределах видимости» ближайшего ретранслятора. Поскольку сотовой связью покрыта большая часть европейской части России и изрядная доля Сибири и Дальнего Востока, то команду на запуск можно дать хоть из соседнего региона.
- Удобство. При наличии GSM автозапуска без будильника не нужно покупать дополнительную приставку — достаточно использовать широко распространенный сейчас сотовый телефон. Специальное приложение позволяет превратить любой
Однако необходимо помнить о некоторых ограничениях:
- Необходимо тщательно настроить доступ к блоку управления.Случайный телефонный звонок на используемый номер может привести к тому, что GSM-оборудование для автомобилей случайно запустит двигатель.
- Необходимо использовать только новые номера. Не исключено, что ранее какой-то номер уже принадлежал постороннему лицу.
- Доступ к сотовой системе платный. Поэтому, если на автомобиле установлен дистанционный запуск — готовьтесь оплачивать эту услугу дополнительно.
- Перегрузка сотовой сети (например, по праздникам) приведет к тому, что система перестанет работать.
Автомобильный с цепочкой для ключей
Более удобной для многих владельцев машин является активация автоматического включения двигателя с помощью радио. При этом пульт управления (брелок) посылает на модуль закодированный радиосигнал — и дальше система работает в штатном режиме.
В этом случае можно не беспокоиться об оплате сотовой связи, не нужен смартфон с поддержкой приложений — и не нужно беспокоиться о несанкционированном доступе.Однако необходимо помнить о том, что сигнал от ручного брелка низкий. Поэтому, если вы хотите включить мотор на машине, стоящей вдали от дома, лучше все же приобрести модель GSM.
Плюсы и минусы технологии автоматического запуска
Как и любое другое устройство, автозапуск для автомобиля без сигнализации имеет свои положительные и отрицательные стороны. Его очевидные преимущества:
- Полная подготовка двигателя к работе заранее. К тому моменту, как водитель выйдет на дорогу, мотор уже будет заведен, поведен на рабочие обороты и прогрет.Можно не тратить время и сразу ехать — а в зимнее время года это реально экономит время.
- Комфортные условия в салоне. Вместе с мотором запускается система отопления или кондиционер. Таким образом, к началу поездки внутри автомобиля уже тепло или прохладно в зависимости от времени года.
- Автозапуск незаменим на грузовиках, где смешанная гидравлика может выводить всю машину.
Однако есть и недостатки, и более серьезные.Они:
- Уязвимость. Автозапуск на машине без сигнализации привлекает внимание угонщиков или воров – и вы можете потерять транспортное средство или оставленные в салоне ценные вещи. Работа двигателя вместе с сигналкой и иммобилайзером обычно невозможна. Поэтому использовать устройство без сигнализации можно только на охраняемой стоянке, либо когда автомобиль находится в поле зрения владельца.
- Топливный бак. Электронный блок нужно тщательно настроить, без этого он будет гонять мотор на тех оборотах, которые будет считать нормальными.Кроме того, запуск таймера или датчика температуры приведет к тому, что машинка включится сама, даже когда это не требуется. Эта проблема решается правильной настройкой датчиков и программированием самого блока.
- Зимний автозапуск на стоянке часто приводит к замерзанию глушителя, в котором скапливается конденсат. Чтобы этого не произошло, нужно установить ограничение на время работы мотора. На практике достаточно минут 10, потом двигатель можно заглушить.
- Без датчика трансмиссии автоматический запуск опасен: если водитель забыл поставить его на нейтралку или не включил ручник, автомобиль вполне может указать. В прошлом часто случалось, что водитель нечаянно вдавливался в карман пульта автозапуска, когда машина, например, стояла на светофоре с включенной передачей — и без его участия машина кидала на красный. Единственный метод решения проблемы – использование качественных датчиков.
Установка автозапуска отдельно от будильника — стоит ли так делать?
Оптимальный вариант, когда дистанционная настройка двигателя производится с охранной системы. В этом случае можно быть уверенным, что внутреннего конфликта двух систем не будет.
Однако есть преимущества и при установке отдельного модуля. Прежде всего, в этом случае владелец автомобиля не будет связан с техническими характеристиками того устройства, которое предлагает производитель сигналки.Вы сможете выбрать именно то, что подходит и по качеству, и по цене.
Кроме того, даже при идеально настроенной сигнализации блок автозапуска будет восприниматься системой как нечто постороннее. Запуск двигателя обязательно заставит сработать охранные датчики, а конфликт с иммобилайзером зачастую не дает даже принципиальной возможности поставить автозапуск.
Starline, Pandora и другие модели с автозапуском — Рейтинговые системы
По отзывам автолюбителей можно составить примерный рейтинг модулей автозапуска по соотношению цена-качество.Это будет выглядеть так:
- StarLine A94 — один из лучших вариантов. Надежен, прост при установке, относительно Дёще.
- Пантера СЛК-675РС. Немного больше проблем с установкой, но вещь достойная.
- Scher-Khan Logicar 1. Здесь мнения пользователей несколько разделились. Одни хвалят эту систему, другие отмечают, что отдельно модуль покупать нет смысла: он проявляет все свои преимущества только в комплекте с полной настройкой сигнализации.
- Старлайн А91. «Бюджетная», но вполне надежная модель.
- Пантера SLK-868RS. Главное преимущество — совместимость практически с любой моделью автомобиля.
Можно ли сделать устройство самому?
Дистанционный запуск двигателя без сигнализации вещь удобная, а потому многих автовладельцев интересует вопрос: можно ли как-то сделать это своими руками? Да, можно — однако этот вариант потребует немалых знаний как в электронике, так и в механике автомобиля.Сейчас на рынке можно найти множество готовых деталей, при правильной установке которых на выходе будет вполне достойный дистанционный запуск двигателя автомобиля.
Самый простой вариант — установить дополнительный блок GSM на уже существующий автозапуск для автомобилей без сигнализации. В этом случае потребуется сам мобильный телефон. Его нужно будет разобрать и прикрепить таким образом, чтобы сигнал от вибротелефона поступал на резервный вход автозапуска.Однако перед этим придется тщательно настроить телефон, занеся в «черный список» все номера, кроме номера владельца аппарата, и запретив прием СМС с короткими номерами. Кроме того, необходимо будет как-то решить вопрос с питанием телефона от бортовой сети автомобиля.
В том же случае, если автозапуск без автосигнализации делается «с нуля», следует учитывать ряд принципиальных моментов:
- Если машина может быть подключена к системе для разрыва цепи АКПП.Используйте лучше разъем питания на 8 контактов.
- Дополнительный ввод питания, как правило, не требуется.
- Обязательно используйте предохранители! Оптимальный вариант – плавкий предохранитель на 25 ампер. Без этого есть риск испортить систему при первом запуске: ток тока от аккумулятора достаточно велик.
- Выводы от системы зажигания должны быть подключены так, чтобы система запуска не блокировала замок. Этот вопрос особенно актуален для автомобилей без сигнализации.
- Требуется тщательный хронометраж работы механических систем автомобиля.В противном случае двигатель может не запуститься.
Посмотреть видео
Вообще надо отметить: можно использовать самодельную систему — но гораздо проще купить и поставить готовую.
Использование Activity Starter (App Inventor 2)
Компонент запуска активности позволяет комбинировать приложения, позволяя одному приложению запускать другие приложения. Activity Starter в основном предназначен для опытных разработчиков, но это ключевой способ расширения App Inventor, поскольку он позволяет вам использовать преимущества приложений, написанных другими и созданных с помощью других сред разработки.
Приложения, которые вы запускаете, могут быть приложениями App Inventor, созданными вами или другими людьми; такие приложения, как «Камера» и «Карты», предварительно установленные на устройстве; или любое приложение вообще, созданное с помощью App Inventor или нет, если у вас есть необходимая информация для предоставления инициатору действия.
Для приложений, которые спроектированы соответствующим образом, вы можете передавать значения приложениям при его запуске. Вы также можете запустить приложение и получить от него результат для использования в дальнейшей обработке, при условии, что приложение предназначено для возврата результата.В настоящее время вы можете передавать и получать только текстовые значения.
Чтобы запустить другое приложение, вы должны предоставить операционной системе Android определенную управляющую информацию. Вы делаете это, устанавливая различные свойства Activity Starter перед вызовом метода StartActivity. В этом разделе приведены некоторые примеры.
Вы можете запустить другое приложение, созданное с помощью App Inventor, если знаете имя его пакета и имя класса. Если у вас есть исходный код приложения, вы можете найти эти имена следующим образом:
- Загрузите исходный код на свой компьютер.
- С помощью проводника или утилиты распаковки найдите файл
youngandroidproject/project.properties - Первая строка будет начинаться с «
main=«. Все, что после этого, — это имя пакета и класса.
Например, вот первая строка, которую вы можете увидеть для приложения с именем HelloPurr.:
main=appinventor.ai_HomerSimpson.HelloPurr
Часть имени HomerSimpson происходит от учетной записи пользователя App Inventor.
Чтобы запустить это приложение, вы должны использовать компонент запуска активности со следующими свойствами:
ActivityPackage: appinventor.ai_HomerSimpson.HelloPurr
Класс активности: appinventor.ai_HomerSimpson.HelloPurr.Screen1
Вызов метода StartActivity запускающего действия запустит HelloPurr. Когда HelloPurr завершится (если это произойдет), будет вызван метод ActivityStarter.AfterActivity исходного приложения .
Примечание: Если вы собираетесь запустить другое приложение App Inventor, убедитесь, что вы используете правильное имя пакета. Например, если кто-то публикует исходный код (zip-файл) для приложения, а вы переупаковываете это приложение, вы получите другое имя пакета, чем у него. В случае сомнения или если у вас нет исходного кода, запустите действие вручную на телефоне и запустите «adb logcat», чтобы просмотреть системный журнал Android и увидеть, что на самом деле было запущено, как описано ниже в разделе «Выяснение как установить свойства».
Примечание: Если вы будете запускать второе приложение App Inventor, которое вы сами пишете, как правило, проще и удобнее разработать все это как одно многоэкранное приложение, а не создавать два отдельных приложения. См. раздел ниже «Activity Starter и приложения с несколькими экранами».
Приложения, поставляемые с телефоном, можно вызывать, используя имена пакетов и имена классов, как указано выше. Приложения Android также могут запускать ответы на намерение , что является способом операционной системы Android указать что-то, что нужно сделать, не обязательно назначая конкретное приложение.Информацию о намерениях (написанных для продвинутых разработчиков) можно найти в системной документации Android.
Некоторые приложения предназначены для сбора дополнительной информации при запуске. Например, карты могут принимать географическую информацию, указывающую, какую карту отображать. Другой пример — запуск веб-поиска с дополнительной информацией, указывающей текст для поиска. Вы должны обратиться к документации по конкретному приложению, чтобы узнать, что это за дополнительная информация и как ее указать.Как правило, вы указываете информацию, устанавливая свойства запуска действия непосредственно перед запуском другого приложения.
Вот несколько примеров:
Запустить камеру
Чтобы запустить приложение Android Camera, используйте пускатель активности со следующими свойствами:
Действие: android.intent.action.MAIN
Пакет действий: com.google.android.camera
Класс активности: com.android.camera.Camera
Это в значительной степени то, что делает компонент камеры App Inventor, хотя гораздо удобнее использовать компонент камеры.
Запуск веб-поиска
Чтобы запустить веб-поиск по определенному запросу, например «Гомер Симпсон», используйте пускатель активности со следующими свойствами:
Действие: android.intent.action.WEB_SEARCH
ExtraKey: запрос
ExtraValue: Гомер Симпсон
Пакет действий: com.google.android.providers.enhancedgooglesearch
Класс активности: com.google.android.providers.enhancedgooglesearch.Launcher
Откройте в браузере веб-страницу
Используйте эти свойства запуска активности, чтобы открыть определенную веб-страницу:
Действие: android.намерение.действие.ВИД
DataUri: http://news.google.com
Запустить почтовую программу с предварительно адресованным сообщением
Чтобы запустить почтовое приложение Android, используйте действие android.intent.action.VIEW . Вы можете использовать свойство DataUri начального элемента Activity, чтобы указать получателя, тему и текст сообщения. В каждом случае при запуске действия откроется почтовая программа Android, и вы можете заполнить сообщение, а затем нажать «Отправить».
Например, если указать:
Действие: android.намерение.действие.ВИД
DataUri: mailto:[email protected]
, то при запуске действия откроется почтовая программа с указанным адресатом.
Если указать:
Действие: android.intent.action.VIEW
DataUri: mailto:[email protected]?subject=Пожалуйста, Санта&body=Принеси мне пони
, то при запуске действия откроется почтовая программа с заполненными адресатом, темой и телом. Вы можете использовать почтовую программу, чтобы отредактировать их перед отправкой сообщения, если хотите.
DataURI здесь должен быть закодированным URL-адресом, предназначенным для работы со службой электронной почты в Интернете. Выполните поиск в Интернете, чтобы найти соответствующую документацию и инструменты для их создания, например Elements of a Mailto: URL
.Показать на карте местоположение
Если вы знаете широту и долготу местоположения, вы можете показать карту с помощью пускового устройства с этими свойствами, чтобы показать карту области:
Действие: android.intent.action.VIEW
DataUri: гео: 37.8,-122,23?z=23
Формат DataURI зависит от приложения. В этом примере URI указывает z (масштаб) 23, что является самым большим значением масштаба. Значение масштаба является необязательным и находится в диапазоне от 1 (вся Земля) до 23.
Если вы знаете почтовый индекс, вы можете установить свойства запуска активности следующим образом:
Действие: android.intent.action.VIEW
DataUri: гео: 0,0&q=
Если у вас есть почтовый адрес, вы можете использовать DataUri, который кодирует адрес с помощью схемы, называемой кодированием URL:
Действие: android.намерение.действие.ВИД
DataUri: geo:0,0&q=5000% 20MacArthurBlvd%20Oakland%2CCA
Обычно в кодировке URI необходимо заменять только пробелы (%20) и знаки препинания, такие как запятая (%2C) и точка (%2E).
Воспроизвести видео с YouTube
Вам необходимо знать URI видео на YouTube. Затем установите свойства Activity Starter как
. Действие: android.intent.action.VIEW
Пакет действий: com.google.android.youtube.
Класс активности: ком.google.android.youtube.PlayerActivity
и установите URI данных на URI видео для воспроизведения, например:
DataUri: http://www.youtube.com/watch?v=8ADwPLSFeY8
Выяснение того, как установить свойства
Если вы не можете найти документацию по действиям, которые хотите запустить, один из способов выяснить, как установить свойства, — запустить действие вручную и посмотреть, что появляется в системном журнале Android. Например, если вы используете YouTube для воспроизведения видео, вы увидите в журнале:
. I/ActivityManager( 86): Запуск активности: Intent { act=android.намерение.action.VIEW cat=[android.intent.category.BROWSABLE] dat=http://www.youtube.com/watch?v=8ADwPLSFeY8 flg=0x3800000 cmp=com.google.android.youtube/.PlayerActivity }
Если вы можете найти строку «cmp=», то ActivityPackage — это часть перед косой чертой, а ActivityClass — это вся часть «cmp=» без символа косой черты. Как и в примере с YouTube, также может быть информация «dat=», которую можно указать с помощью свойства DataUri.
Вы можете использовать Activity Starter для запуска любого действия, если вы знаете имя пакета и имя класса или соответствующее намерение.Некоторые разработчики документируют эти намерения в интересах других разработчиков Android. Советы по запуску других приложений с использованием намерений см. в документации по Android API или на форумах разработчиков Android.
Если у вас есть приложение на вашем телефоне и у вас нет исходного кода, вы все равно можете выяснить имя пакета и имя класса (а иногда и цель), запустив приложение и проверив системный журнал Android, как указано выше.
Некоторые приложения созданы для возврата результата.Вы можете увидеть этот результат как аргумент результата события AfterActivity запускающего действия. В настоящее время App Inventor может получать только текстовые результаты.
Возврат результатов из приложений App Inventor и получение результата
Вы можете создавать приложения App Inventor, которые возвращают (текстовый) результат своим вызывающим объектам, чтобы их можно было использовать в качестве подпрограмм. Чтобы вернуть результат, вызовите команду закрыть экран с открытым текстом (находится в панели управления). Ваше приложение-подпрограмма завершится, и аргумент закрыть экран с открытым текстом станет доступным для приложения, которое его вызвало.Если вызывающее приложение само было приложением App Inventor, которое использовало инициатор активности, оно увидит этот текст в качестве аргумента события AfterActivity инициатора активности.
Более подробно, предположим, что есть два приложения App Inventor: приложение SubroutineApp , предназначенное для запуска с помощью пускателя действий и возвращающее значение, и приложение CallerApp , которое использует ActivityStarter для вызова приложения SubroutineApp . Чтобы вернуть результат, SubroutineApp выполняет close screen с открытым текстом , передавая ему в качестве аргумента результат (только текст), который должен быть возвращен вызывающей стороне.
На стороне вызывающей стороны CallerApp настраивает свой Activity Starter с правильным именем пакета и именем класса для запуска SubroutineApp . Он также должен установить для свойства ActivityStarter.ResultName специальную текстовую строку APP_INVENTOR_RESULT . Затем CallerApp запускает действие SubroutineApp . Когда подпрограмма завершается, срабатывает событие Activity Starter AfterActivity , и результат, который был передан обратно из SubroutineApp , будет доступен в качестве аргумента результата для AfterActivity .Эта же информация доступна как свойство ActivityStarter Result .
Вызов приложений App Inventor и передача им значений
Если вы пишете App Inventor CallerApp для вызова App Inventor SubroutineApp , вы можете передать текстовое значение в SubroutineApp . Для этого используйте Activity Starter в CallerApp со свойством ExtraKey, для которого задан специальный тег APP_INVENTOR_START , а для свойства ExtraValue задан текст, который вы хотите передать. SubroutineApp может получить это значение с помощью блока get start простого текста из ящика управления.
Передавая и возвращая результаты, вы можете комбинировать несколько приложений App Inventor, как написанных вами, так и приложений, которыми вы делитесь с другими.
Возврат результатов из произвольных приложений
Возврат значений из других приложений аналогичен возврату значений из приложений App Inventor. Как правило, в Android действие возвращает результат, обозначенный именем, где результат обозначается именем, где имя указывается с помощью свойства ResultName начального элемента действия.Имя для приложений App Inventor — APP_INVENTOR_RESULT , как описано выше. Другие приложения, созданные не с помощью App Inventor, будут использовать другие имена, и вам потребуется знать эти имена, чтобы получить значения из этих приложений. Как правило, вам необходимо ознакомиться с документацией по приложению, которое вы хотите использовать в качестве подпрограммы. Некоторые разработчики предоставляют эту информацию, а иногда у вас будет доступ к исходному коду.
Не все приложения для Android используют механизм Result и ResultName .Например, некоторые приложения возвращают информацию через свойства ResultType и ResultUri . Опять же, вам понадобится информация от разработчика приложения, чтобы знать, какие из них использовать.
Для опытных разработчиков: Более конкретно (со ссылкой на документацию для разработчиков Android) приложение может быть спроектировано так, чтобы оно возвращало намерение . Стартер Activity использует указанный ResultName для доступа к намерению.getStringExtra(resultName) для получения результата.Значения для ResultType и ResultUri взяты из намерения.getType() и намерения.getType() .
Пример: Выбор файлов с SD-карты
Вот пример, иллюстрирующий использование стороннего приложения:
AndExplorer от Lysesoft — это приложение, позволяющее выбирать файлы для SD-карты. Вы можете вызвать AndExplorer со стартером активности, чтобы добавить в свое приложение возможность выбора файлов. Вам нужно будет установить AndExplorer на свой телефон.Вы можете получить его на Android Market.
Чтобы запустить AndExplorer для выбора файла, используйте ActivityStarter с:
Действие: android.intent.action.PICK
Тип данных: vnd.android.cursor.dir/lysesoft.andexplorer.file
dataURI: файл:///sdcard
Когда вы запускаете действие и выбираете файл, результирующее имя файла будет доступно как ResultUri . Кроме того, ResultType даст тип файла, например, изображение/jpeg или аудио/mpeg.Используя это, вы можете написать приложение, которое позволяет вам выбирать файл с SD-карты и либо отображать изображение, либо воспроизводить музыкальную дорожку в зависимости от ситуации.
Приложение доступно?
Если ваше приложение вызывает другие приложения как действия, вы должны убедиться, что эти другие приложения доступны на телефоне вашего пользователя, прежде чем пытаться их запустить. Вы можете проверить это с помощью метода Starter Activity ResolveActivity , который возвращает имя Activity, которое будет запущено, с учетом предоставленной вами информации о пакете или намерении.Если это имя пустое, то требуемое приложение отсутствует, и вы можете предупредить своего пользователя.
Использование Activity Starter по сравнению с использованием нескольких экранов
В приведенных выше разделах объясняется, как создать приложение App Inventor, которое вызывает другое приложение App Inventor, возможно, с передачей и возвратом текстовых значений. Если вы будете писать оба приложения, вероятно, лучше сделать одно многоэкранное приложение, чем создавать два приложения и использовать Activity Starter. Это упростит работу ваших пользователей, поскольку им нужно будет установить на свое устройство только одно приложение.Кроме того, в приложениях с несколькими экранами вы можете передавать и возвращать списки как значения, а не просто текст, и вы можете обмениваться значениями между экранами с помощью TinyDB. Подробнее см. в документации по многоэкранным приложениям.
Примечание по обновлению старых приложений: Описанные здесь команды запуска активности изменились по сравнению с более ранними выпусками, которые использовали закрыть экран с результатом и получить начальный текст , а не более новый закрыть экран с обычным текстом и получить начальный текст .Если вы загрузите исходный код приложения до 2012 года и версии 66, App Inventor пометит старые блоки и потребует заменить их новыми версиями.
Полное руководство по контроллеру FFXIV FF14
Сквинтина Найтгард ~ Фея
Добро пожаловать! Final Fantasy XIV довольно хорошо подходит для игры на контроллере, и я настоятельно рекомендую попробовать ее. Несмотря на то, что SE предоставляет руководство «Основные элементы управления PS4» и содержит большое количество подсказок по игровым контроллерам, некоторые вещи не упоминаются или неясны.Так что это моя попытка супер-всеобъемлющего руководства.
Да, я буду обновлять руководство в Shadowbringers! Ориентир на 9 июля.
Если вы обнаружите какие-либо проблемы, вы можете связаться со мной по адресу https://twitter.com/SquintinaTTV
Reddit: https://www.reddit.com/r/ffxiv/comments/8rd0xj/ff14_comprehensive_controller_guide/
Содержание
Полное руководство по контроллеру FF14
Распространенные заблуждения
Часть 1: Основы контроллера — конфигурация системы
Часть 2: Конфигурация персонажа — Настройки управления — вкладка «Общие»
Режим геймпада
Режим мыши
Какой режим выбрать?
Стандартный тип VS Устаревший тип
Какой тип выбрать: стандартный или устаревший?
Другие настройки в разделе «Конфигурация персонажа» — «Управление» — «Общие»
Часть 2.5: Конфигурация персонажа — Настройки пользовательского интерфейса — вкладка «Общие»
Часть 3: Основы контроллера — карта, квесты, инвентарь и другие основы
Скриншоты
Использование карты
Навигация по списку обязанностей
Передача квестовых предметов и предметов коллекционирования
Управление запасами и агентами
Переключение инвентаря
Сценарий 1: Переметная сумка Чокобо
Сценарий 2: Инвентарь слуги
Сценарий 3: Задания / Предметы коллекционирования / Снабжение и снабжение
Элементы управления чатом
Другие маленькие ярлыки
Сенсорная панель управления
Часть 4: Знакомство с Cross Hotbar
WXHB
Одновременные триггеры
Часть 5: Конфигурация перекрестной панели быстрого доступа — Конфигурация персонажа — Настройки панели быстрого доступа
Конфигурация персонажа — Настройки панели быстрого доступа — Крест
Общие настройки
Элементы управления Cross Hotbar
Перекрестная панель быстрого доступа DisplayType
W Настройки отображения кросс-панели быстрого доступа
Конфигурация персонажа — Настройки панели быстрого доступа — Пользовательский
Расширенные элементы управления удержанием (нельзя использовать тип переключения)
Установить выбор
Конфигурация персонажа — Настройки панели быстрого доступа — Общий доступ
Конфигурация символов — Настройки панели быстрого доступа — Дисплей
Часть 6: Назначение действий/элементов/вещей на поперечину
Назначение действия через контроллер
Переключение мест действий или их удаление
Часть 7. Назначение действий панели быстрого доступа клавиатуры
Размещение их на горячих панелях
Часть 8: Нацеливание через контроллер
Члены партии
Члены Альянса
Враги, объекты и NPC
Список вражды
Бампер нацеливается на
Фильтрация и подтверждение таргетинга
Мягкий таргетинг против жесткого таргетинга
Итоги нацеливания
Часть 9: Расширенный таргетинг: конфигурация персонажа — настройка управления — цель
Тип цели: Цели ближайших врагов
Настройки наведения на землю (режим геймпада)
Часть 10: Расширенный таргетинг: конфигурация персонажа — настройка управления — фильтры
Часть 11: Макросы, помогающие играть с контроллером
Спринт
Наземное наведение
Перекрестная панель быстрого доступа
Обмен действиями
Удаление дружественных статусов
Ориентация на конкретных врагов
Часть 12: Другие схемы управления — Эврика, командные миссии, Deep Dungeon, Gold Saucer, Gpose
Эврика
Командная миссия
Глубокое подземелье
Карта POTD
Меню пунктов POTD
Золотое блюдце
Гонки на чокобо
Лорд Верминион
Тройная триада
Gпозе
Дежурный регистратор
ПВП
Часть 13: Мои установки – раздел мнений.
Об авторе:
Философия перекладины Сквинтины
Полностью протестированные установки
СЧ
АСТ
БХМ
См. номер
БЛМ
РДМ
Гипотетические установки
ПЛД
ВОЙНА
ДРК
МНК
ДРГ
НИН
СЭМ
БРД
МЧ
Часть 14: M/KB против контроллера – раздел мнений
Конкретные проблемы: Исцеление
Конкретные проблемы: PVP
Часть 15: Как настроить контроллер PS4 на ПК
Проблемы с паром
Попробуйте DS4Windows
Часть 16: Как настроить контроллер Xbox на ПК
Часть 17: Как настроить другие контроллеры на ПК через X360ce
Что такое x360ce?
Является ли x360ce против TOS?
Настройка для X360ce
Но что, если он не может найти что-то в Интернете или выдает не совсем то?
Конфигурация для FF14
Игра распознает контроллер, но ведет себя странно
Часть 18. Устранение неполадок с ПК — прерывистое поведение
Часть 19: Подключение контроллера для версии Mac?
Часть 20: Подключение контроллера для версии PS4?
Будущие обновления — возможно
Источники
Прежде чем мы перейдем к самому руководству, давайте позаботимся о нескольких заблуждениях:
Распространенные заблуждения
Если вы в настоящее время играете с мышью и клавиатурой
Вы сначала будете ужасно играть на контроллере.Это нормально. Если вы играли в FF14 (и другие ммо-игры) с помощью мыши и клавиатуры, у вас уже есть много привычек и мышечной памяти, которые помогут вам стать быстрее. Если вы переходите на геймпад, все это необходимо выучить заново — и это займет дополнительное время, если это ваш первый раз! Не сдавайтесь, если игра кажется неуклюжей после 1 часа игры.
Когда я переключился, это заняло несколько дней. Мало того, позже мне пришлось ненадолго вернуться к мыши и клавиатуре, и даже это заняло у меня несколько дней.Мышечная память — удивительная вещь, которая может легко обмануть людей, заставив их думать, что то, чего они вообще не делали (или делали давно), нежизнеспособно, когда это просто не так.
Контроллер не означает PS4
Иногда люди говорят что-то вроде «О, я не играю в контроллер, я играю на ПК», когда им следует сказать, что они играют в M/KB или в контроллеры. Обе системы могут играть с мышью, клавиатурой и контроллером.
Переход на контроллер не означает отказ от мыши и клавиатуры для всего
Если у вас достаточно портов USB (или Bluetooth) для поддержки всего этого, вы можете использовать все 3.Нравится играть на контроллере в боевых заданиях, но использовать мышь для крафта? Вполне выполнимо. Предпочитаете мышь и клавиатуру для боя, но хотите, чтобы было быстрее убрать предметы в фиксатор? Для этого есть контроллер.
Играя на контроллере, я использую мышь и клавиатуру не только для общения, но и для PVP и крафта, а иногда и для игры, когда забываю перезарядить контроллер. Даже если вы не используете мышь и клавиатуру, вы все равно можете использовать обычные панели быстрого доступа на клавиатуре, чтобы добавлять такие вещи, как время восстановления навыков, чтобы вы могли видеть их таймеры в любое время.
Но кто-то сказал мне: «Ты не можешь так хорошо играть на контроллере»
В конце будет раздел, посвященный дебатам, для более подробного ответа, но краткий ответ таков: Вы так же хороши, как и то, в чем вы практикуетесь, чтобы быть хорошим. У всего есть свои плюсы и минусы, но если вы достаточно потренируетесь, вы сможете сделать то, что выберете, таким же хорошим, как то, что выбрал кто-то другой.
Приступим
Часть 1: Основы контроллера — конфигурация системы
Условие: Контроллер подключен и игра его распознает.Хотя может показаться, что это должна быть часть 1, это будет большой раздел, применимый только к пользователям, у которых возникли трудности. Пользователи PS4 или пользователи ПК, использующие собственный контроллер xbox 360 или xbox one или другие контроллеры с отличными драйверами, не будут иметь таких проблем, поэтому имеет смысл начать с того, с чего они могут.
В этом руководстве я постараюсь написать направления кнопок как в формате PS4, так и в формате ABXY (Xbox) — 2 варианта, доступные в игре. Если не указано иное, все будет использовать конфигурации кнопок по умолчанию.
ВИДЕОГИД: https://www.youtube.com/watch?v=KkqB32JhJ4g
PS4
ABXY (Xbox)
Требуемые действия:
| Action | Icons | Text | ||
| PS4: Trianglexbox: Y | ||||
| Отмена | PS4: Circlexbox: B | |||
| Выбор цели / Подтверждение | PS4: CrossXbox: A | |||
| Open Map / SubcommandSubcommand просто означает подменю, то же самое, что и щелчок правой кнопкой мыши для пользователей мыши. | PS4: Squarexbox: x | |||
| Выбрать HUD | PS4: Выбор / TouchPadXbox: Back | |||
| Открыть главное MENU | PS4: Start / optionsxbox: Start | |||
| Высокая высота Hotbar | ps4: l2xbox: lt | |||
| выделение правой горячей машины | PS4: R2xbox: RT | |||
| Auto Run | PS4: L1xbox: LB | |||
| Изменить набор горячей машины | PS4: R1xbox: RB: RB | |||
| Навигационные меню | D-PAD | |||
| Move Chamage | Left Analog | |||
| Move Camera | правильный аналог | |||
| Виртуальная мышь | + | PS4: L1 + R3xbox : LB + R3 |
Что такое R3?
Когда вы нажимаете на свой аналог, это «3».L3 = левый аналоговый щелчок, R3 = правый аналоговый щелчок.
Обратите внимание, я не перечислил действия, связанные с простым нажатием L3/R3. Это будет объяснено в ближайшее время.
Используя вышеизложенное, давайте перейдем к тому, где вы можете настроить это.
Сначала войдите в меню конфигурации системы.
- Пуск
- Левая крестовина (должна оказаться на «Система»)
- Подтвердить
- Вниз крестовину 4 раза
- Подтвердить
Если у вас подключена мышь, конечно, не стесняйтесь использовать ее .Это проще, и я настоятельно рекомендую использовать мышь, когда дело доходит до настройки вашей игры.
Вы хотите спуститься в раздел геймпада.
Включить геймпад
Очевидно, это включает контроллер, и он будет включен. Если он не включен, вам нужно сделать это с помощью мыши.
Устройство
Контроллер, который вы используете. Я полагаю, если у вас есть более одного подключенного.
Тип геймпада
Хотите ли вы ABXY (настройка Xbox) или одну из двух настроек PS4
При переключении между ABXY и любой из версий для PS4 изменятся значки кнопок, которые вы видите в тексте справки, поэтому выберите то, что вам больше подходит (требуется перезапуск приложения).
Сохранить включенным геймпад, когда клиент неактивен
Сохраняет работу контроллера, даже если вы выходите из игры или нажимаете на другое окно программы — в основном это вариант только для игроков на ПК. Полностью на ваше усмотрение.
Включить вибрацию
Хотите ли вы, чтобы ваш контроллер вибрировал (если он может)
Включить автозапуск
Кнопка Auto Run является обязательной кнопкой. При этом вы можете отключить его здесь.К сожалению, вы не можете переназначить эту кнопку на другое действие, но если вы боитесь случайного автозапуска, здесь можно отключить эту функцию.
Включить масштабирование окна через R3
Если вы находитесь в окне (например, в меню инвентаря) и нажимаете R3, оно переключается между разными размерами.
Если отключить, то не будет.
Чувствительность аналогового джойстика
Насколько ваша камера перемещается с помощью аналогового джойстика.Поскольку это системная настройка, которая применяется ко всем, если вы делитесь с другими, лучше выбрать что-то среднее и позволить другим игрокам настраивать больше в конфигурации персонажа «Скорость поворота».
Включить виртуальную мышь
Включает курсор мыши, которым можно управлять с помощью контроллера.
Чтобы войти в режим виртуальной мыши, используйте + . (это же команда для выхода)
Затем вы можете использовать для щелчка левой кнопкой мыши, для щелчка правой кнопкой мыши.
Если вы отключите его, команда больше не будет входить в режим виртуальной мыши.
Забавно: Если включить виртуальную мышь, а потом отключить в конфиге, она не отключается. И поскольку команда больше не работает, вы не можете ее отключить :D. Поэтому вам нужно снова включить его, выключить, а затем снова отключить.
Калибровка
Проводит вас через ряд задач, требующих нажатия кнопок для их назначения. Это в основном полезно для игроков на ПК, использующих другие контроллеры с эмуляцией (например, я использую контроллер Switch Pro через x360ce).
Конфигурация кнопок
Переход к раскладке кнопок.
Обратите внимание, что ваши возможности конфигурации ограничены. Требуемые действия требуются всегда и всегда должны быть частью этой группы.
Есть по существу 4 группы
- Триггеры и бамперы — для автозапуска и настройки панели быстрого доступа
- Лицевые кнопки — для выбора, прыжков, меню и т. д.
- Аналоги — движущийся персонаж или камера
- L3/R3 — настоящие настоящие настройки!
Я настоятельно рекомендую оставить все по умолчанию, кроме L3 и R3.
По умолчанию это «Достать оружие/Включить блокировку» и «Сменить камеру». Если вам действительно не нравится Lock On, они довольно бесполезны (и, честно говоря, их можно переместить в макросы, которые вы в конечном итоге помещаете на свои панели быстрого доступа).
Вы увидите варианты, и самые лучшие из них:
- Face Target
- Assist Target
- Face Camera
- **** Выполнить макрос 98
- **** Выполнить макрос 99
**** Мои личные рекомендации.
Мы рассмотрели все конфигурации контроллера, доступные на уровне конфигурации системы (а поскольку это системные конфигурации, их изменение изменит их для всех игроков.Поэтому, если вы делитесь с кем-то другим, и им не нравится ваша установка, будьте готовы часто ее менять, пока не убедите их, что ваш способ лучше).
Я также добавлю, что очень полезно иметь один из них макросом Sprint.
В конфигурации персонажа есть дополнительные параметры конфигурации.
Часть 2: Конфигурация персонажа — Настройки управления — вкладка «Общие»
Я расскажу о большей части конфигурации персонажа, например, о прицеливании, в другом разделе.Однако есть несколько вещей, которые стоит проверить немедленно, поэтому сейчас мы сделаем «Конфигурация персонажа» -> «Настройки управления» -> вкладка «Общие».
Если вы зайдете в настройки персонажа, там будет небольшой значок-переключатель для «Режим мыши» или «Режим геймпада». Оба из них можно использовать с контроллером, но они меняют некоторые вещи. Большинство из них косметические, хотя есть одна функция (карта), которая немного меняет свое поведение.
Режим геймпада
В режиме геймпада системное меню больше не отображается на экране как компонент HUD, а становится доступным в виде гигантского меню при нажатии.
Текст справки будет использовать кнопки геймпада, а новый текст справки будет существовать для таких функций, как карта, чтобы помочь вам. (перечислено не все, но большинство).
В режиме геймпада сочетания клавиш с буквами/цифрами больше не работают, и по умолчанию предполагается, что вы вводите текст в чат при нажатии клавиши (хотя это можно изменить).
Режим геймпада отлично подходит, если вы находитесь далеко или если вы все еще изучаете элементы управления (хотя они есть в следующем разделе руководства в качестве справки).
Режим мыши
В режиме мыши вы сохраняете системное меню, которое по умолчанию отображается для пользователей ПК.
Весь текст справки также будет исходить из предположения, что у вас есть мышь и клавиатура.
Сочетания клавиш продолжают работать.
Режим мыши идеально подходит для игроков, которым просто нравится внешний вид.
Если вы находитесь в режиме мыши и вам нравится, что системное меню отображается только при нажатии кнопки «Меню», вы можете сделать это, перейдя в «Настройки пользовательского интерфейса» и отключив «Отображать главное меню».
Какой режим выбрать?
Выбор зависит от ваших личных предпочтений.
Обратите внимание, что все различия между режимом геймпада и режимом мыши являются различиями по умолчанию, все они настраиваются. Единственное полное ненастраиваемое отличие — это текст справки. Мало того, эти настройки хранятся отдельно. Поэтому, если вы переходите с мыши на геймпад и боитесь менять конфигурацию, все в разделе «Управление», «Настройки пользовательского интерфейса» и «Настройки панели быстрого доступа» в разделе «Конфигурация персонажа» сохраняется независимо для каждого режима.
Раньше я предпочитал режим мыши, прежде чем понял все вышеперечисленное. Теперь я использую режим геймпада, и у меня все настроено одинаково между двумя режимами, так что единственная разница, которая у меня есть, если я переключаюсь, — это текст справки.
Стандартный тип VS Устаревший тип
Еще одна базовая конфигурация персонажа, относящаяся к игре с контроллером, — это стандартный тип против устаревшего типа (находится в разделе «Настройки управления»).
будет иметь камеру, которая в основном контролирует себя, а ваши движения основаны на вас.Из-за этого нажатие вниз заставит вас сделать шаг назад. Ваш персонаж также будет двигаться в сторону, а не поворачиваться.
Legacy Type будет иметь камеру, которая не так сильно двигается сама по себе, и вам придется больше контролировать ее. Поскольку вы находитесь на контроллере, это должно быть довольно естественно, поскольку это ничем не отличается от консольных игр, в которых используются оба аналоговых джойстика. Этот режим также заставит вас двигаться вниз, когда вы нажимаете вниз, вместо того, чтобы делать шаг назад.
Какой тип выбрать: стандартный или устаревший?
Возможно, вы ожидаете, что «выберете то, что вам больше нравится», и обычно я бы предпочел позволить людям выбирать то, что им удобно… но не в этом случае.
Если вас не интересует сложный контент, конечно. Делай что хочешь.
Однако, если вас интересует какой-либо контент текущего уровня сложности Extreme, Savage или Ultimate (или более старые уровни фактически синхронизированы), настоятельно рекомендуется использовать тип Legacy. Это особенно верно для контроллера, где вы не будете перемещать камеру так быстро (если только у вас не будет сумасшедших хороших рефлексов и вы не увеличите чувствительность).
Вы будете намного быстрее уворачиваться от роботов с типом Legacy — и, поскольку вы находитесь на контроллере, это должно быть очень естественно.Это одно из основных преимуществ контроллера, и оно применимо только в том случае, если вы используете устаревший тип, поэтому убедитесь, что вы используете его.
Примечание. Стандартный тип может быть лучше для головоломок с прыжками, потому что этот медленный шаг назад может помочь вам не упасть, если вам нужно приспособиться к прыжку.
Другие настройки в разделе «Конфигурация персонажа» — «Управление» — «Общие»
Позволяет ли ввод письма использовать сочетания клавиш или всегда будет предполагаться, что вы общаетесь в чате.
So Off = Я могу использовать сочетания клавиш.Если я хочу пообщаться, мне нужно сначала нажать Enter.
Вкл. = любой ввод с клавиатуры попадет в чат.
Хотя это может показаться неуместным для руководства по контроллеру, вам может понадобиться клавиатура для чата и выполнения быстрых сочетаний клавиш, и она включена по умолчанию в раскладке контроллера и выключена по умолчанию в раскладке мыши.
Помимо прочего, вы также можете изменить направление аналоговой оси.
И скорость поворота:
Часть 2.5: Конфигурация персонажа — Настройки пользовательского интерфейса — вкладка «Общие»
Включая сюда, потому что это такой маленький раздел (что касается вещей, которые конкретно влияют на игру с контроллером):
Как упоминалось в части 2, режим мыши + главное меню дисплея означает, что главное меню режима мыши отображается постоянно.Если его отключить, он будет виден только при нажатии кнопки главного меню.
Настройки карты «Обратные аналоговые джойстики» говорят сами за себя. Отредактируйте по своему усмотрению.
Часть 3: Основы контроллера — карта, квесты, инвентарь и другие основы
Теперь, когда у нас есть абсолютные базовые настройки (и вы выбрали свой режим), вот как сделать некоторые вещи. Люди в режиме геймпада заметят большинство из них в различном тексте справки, но вы можете увидеть несколько новых ненаписанных.
Скриншоты
| Скрыть HUD | + |
| Сделать снимок экрана | + |
Так что, если вы хотите сделать действительно красивые скриншоты окружающей среды, сделайте + ->.
Использование карты
| Движение на карте | |
| Двигайтесь медленно на карте | + |
| Выбрать эфир / карта Ссылка | |
| навигация с использованием карта раскрывающегося и карта Меню | |
| Сброс обратно к вашей карте и местоположению | |
| Перемещайтесь, пока карта открыта (это приведет к расфокусировке карты и невозможности использовать аналоговую камеру или крестовину) | |
| иметь возможность повторно использовать Аналог камеры) Этот режим на самом деле будет отличаться в зависимости от вашего режима отображения (описанного в разделе «Конфигурация персонажа») | Режим отображения мыши: (кнопка Hud для переключения между элементами HUD) Повторное использование кнопки «Карта» в этом режиме закроет карту. Режим отображения геймпада: Снова используйте кнопку «Карта» В этом режиме вы также можете использовать кнопку выбора HUD, но для этого потребуется больше нажатий кнопок. |
| Закрыть карту (оба режима) | |
| zoom in / out | + |
| Switch Type (локальная VS область) |
Так что, если непонятно, объясню здесь по-другому:
Режим отображения мыши, сценарий 1 (только кнопка карты):
Кнопка карты -> открыть карту
Переместить -> карта выходит из фокуса
Нажмите кнопку «Карта» еще раз-> закрывает карту
Режим отображения мыши, сценарий 2 (с кнопкой выбора HUD):
Кнопка карты -> открыть карту
Переместить -> карта выходит из фокуса
Кнопка выбора HUD -> перефокусирует карту
Нажмите кнопку «Карта» еще раз -> закрывает карту
Режим отображения контроллера, сценарий 1 (только кнопка карты):
Кнопка карты->открыть карту
Переместить -> карта выходит из фокуса
Нажмите кнопку «Карта» еще раз-> перефокусирует карту
Нажмите кнопку «Карта» еще раз-> закрывает карту
Режим отображения контроллера, сценарий 2 (с кнопкой выбора HUD):
Кнопка карты->открыть карту
Переместить -> карта выходит из фокуса
Кнопка выбора HUD -> фокусируется на чем-то, что, скорее всего, не на карте (для меня список обязанностей)
Кнопка выбора HUD, пока не дойдет до карты -> перефокусирует карту
Нажмите кнопку «Карта» еще раз -> закрывает карту
Таким образом, если вы используете отображение с помощью мыши, наиболее эффективным способом перефокусировки является использование выбора HUD.
Если вы используете дисплей контроллера, наиболее эффективным способом перефокусировки является использование кнопки «Карта».
Навигация по списку обязанностей
Пользователи мыши могут нажимать на предметы квеста прямо из HUD списка обязанностей.
Так же, как и пользователи, вы должны знать, как это сделать.
- Если предмету нужна цель (например, левая цель), нацельтесь на нее
- Используйте кнопку Select HUD для перехода к списку обязанностей.
- Используйте D-pad вверх/вниз, чтобы перейти к квесту
- Используйте D-pad влево/вправо, чтобы добраться до предмета
- Нажмите кнопку подтверждения
Если вам нужно нацелиться на монстра или NPC, я бы рекомендовал сначала нацелиться на него прежде чем делать вышеописанное.
Передача квестовых предметов и предметов коллекционирования
Пользователи мыши скажут вам, что они могут просто щелкнуть правой кнопкой мыши предмет квеста (в поле для сдачи), чтобы выбрать его. То же самое можно сказать и о пользователях-контроллерах — а у нас чуть быстрее.
Когда вы доберетесь до ящика для рук, ваш выбор контроллера уже будет сфокусирован на нем по умолчанию.
Используйте кнопку Подкоманда для быстрого выбора нужного элемента.
Быстрая доставка большого количества предметов снабжения и снабжения еще никогда не была такой простой.
Для квестов с несколькими предметами для сдачи: как только вы закончите выбирать один, используйте крестовину, чтобы перейти к следующей сдаче, и повторите.
Управление инвентарем и слугами
Для этого раздела я предполагаю, что у вас уже открыт хотя бы какой-то инвентарь (вы можете открыть его через меню, макрос или кнопку в меню навыков, которую вы можете назначить своим горячим панелям).
- D-pad = навигация по элементам
- Бампер L/R = вкладки инвентаря
- Кнопка подкоманды = доступ к подкомандам, таким как «Использовать», «Связать», «Поиск» и т. д.
- Отмена = закрыть
Переключение инвентаря
Если у вас открыты определенные инвентари, кнопка прыжка также позволит переключаться.
Сценарий 1: седельная сумка чокобо
Использование кнопки прыжка приведет к переключению на инвентарь игрока или сундук с оружием
При нажатии кнопки «Отмена» вы вернетесь к седельной сумке чокобо
Сценарий 2: инвентаризация слуг
При нажатии кнопки прыжка вы переключитесь на инвентарь игрока, сундук с оружием или седельную сумку чокобо
При нажатии кнопки «Отмена» вы вернетесь к инвентаризации держателя
Сценарий 3: Задания / Предметы коллекционирования / Снабжение и снабжение
Почти все, что позволяет передать NPC, будет иметь переключатель для Инвентаря и Арсенала.
В режиме «переключатель» (инвентарь, который не является исходным инвентарем) с помощью кнопки «Подтвердить» предмет будет перемещен в инвентарь, который породил переключатель (седельная сумка в сценарии 1, фиксатор в сценарии 2) без каких-либо подтверждений или подменю. . Очевидно, это не относится к Сценарию 3, потому что это руки NPC, а не переход из «исходного» инвентаря.
Это означает, что добавление предметов в гонорар намного быстрее с помощью контроллера, чем с помощью мыши (в то время как для извлечения предметов по-прежнему используется подменю, в котором нужно сказать «Получить из гонорара»).
Можно с уверенностью предположить, что другие типы инвентаризации, которые я пропустил или которые будут добавлены в будущем, будут работать аналогичным образом.
Элементы управления чатом
Если у вас выбраны окна чата (с помощью кнопки выбора HUD), вы также получаете следующие элементы управления:
| Изменить вкладки | Левый/правый бамперы |
| Большой чат | Кнопка перехода |
| Перейти к «Добавить чат», «Группа, локальные типы чата» или выбрать определенные типы чата.,. вниз | |
| Быстро вернуться к панели после завершения прокрутки чата | Кнопка отмены |
| История (о том, что вы ввели и отправили ранее) | D-pad вверх/вниз |
| Автоперевод | Правый бампер |
| Автоматический перевод категорий ввода/возврата | D-pad влево/вправо |
Другие маленькие ярлыки
Если вы используете оба бампера одновременно ( + ), это также приведет к обшивке/снятию обшивки.Еще одна причина, по которой установка по умолчанию на L3 бессмысленна и должна быть удалена.
Сенсорная панель управления
Элементы управления для людей, использующих контроллер PS4:
Нажатие сенсорной панели действует как кнопка выбора HUD
В противном случае тачпад используется для имитации мыши
Перетащите сенсорную панель для перемещения виртуальной мыши
Коснитесь сенсорной панели, чтобы щелкнуть левой кнопкой мыши
Дважды нажмите и удерживайте, чтобы зажать левую кнопку мыши
Коснитесь двумя пальцами, чтобы удерживать левую кнопку мыши + блокировать
Игроки на ПК, использующие DS4Windows, могут переназначить их, чтобы иметь определенные сопоставления клавиатуры для «пролистывания влево» или «пролистывания вправо», что позволит получить больше доступных навыков.
Часть 4: Знакомство с Cross Hotbar
Так много страниц, а я только сейчас упомянул о перекрестной панели быстрого доступа! Обратите внимание, я также буду называть это Crossbar в качестве сокращения. Также обратите внимание, что аббревиатура Cross Hot Bar — это не CHB, а XHB. Вот как игра называет это так… Смирись с этим.
Этот раздел представляет собой введение в различные доступные вам стили конфигурации. Настройка этих параметров будет упомянута сразу после.
Перекладина — это панель быстрого доступа, сгруппированная по 4 штуки.Игроки могут использовать перекладины и панели быстрого доступа для назначения навыков. (И да, вы можете иметь оба для любого входа. Технически даже игроки, не владеющие контроллером, могут играть с перекладиной, я на самом деле сделал настройку MMO-мыши для перекладины, когда ждал прибытия нового контроллера, который я купил. Это был интересный эксперимент.)
В перекрестной панели быстрого доступа вы активируете часть своей панели с помощью триггера (или бампера, если вы его изменили), а затем используете лицевые кнопки и крестовину. Таким образом, 2 триггера x 8 лицевых кнопок = 16 навыков на перекладине.
Перекладина с активированным правым триггером:
Вы можете переключаться с одной перекладины на другую, используя правый бампер для циклического переключения.
Или используйте правый бампер + кнопку на лице, чтобы получить доступ к определенному.
Будет отображаться визуальное напоминание (даже если у вас включен режим мыши), какой из них у вас есть в данный момент, когда вы удерживаете правый бампер.
WXHB
Далее идет еще поперечина «WXHB»:
Это отдельная видимая панель быстрого доступа.«W» означает «Double», потому что с японским акцентом они звучат очень похоже.
Я обвел WXHB красным прямоугольником:
WXHB приобретается двойным нажатием на триггер.
Одновременные триггеры
Существует также возможность иметь половинную перекладину при одновременном использовании обоих триггеров. У вас может быть по-другому, если вы выполняете удержание правого триггера плюс левый триггер (+) — или если вы делаете удержание левого триггера плюс правый триггер (+). Для большинства заданий в этой игре у вас будет более чем достаточно места для навыков, чтобы они были одинаковыми, поэтому вам не нужно беспокоиться о том, чтобы выполнять их в правильном порядке.
Перекрестная полоса изменена на одновременные триггеры:
Уведомление WXHB не затрагивается.
Часть 5: Конфигурация перекрестной панели быстрого доступа — Конфигурация персонажа — Настройки панели быстрого доступа
Итак, вам нужно спросить себя, какую конфигурацию вы хотите:
- Использование бампера для переключения? Подходит для работы с небольшим набором навыков
- Используете WXHB? Занимает больше места, но хорошо виден
- Используете одновременные триггеры? Вы хотите относиться к любому направлению одинаково или по-разному?
Примечание: не беспокойтесь, если вы не видите WXHB.Я покажу вам, как включить его, когда мы перейдем в «Настройки Hotbar» -> «Пользовательские», но сначала мы начнем с кросс-меню:
Конфигурация персонажа — Настройки панели быстрого доступа — Крест
Общие настройки
Включить Cross Hotbar : хотите ли вы его использовать. Да, вы делаете.
Показать справку по панели быстрого доступа : Видите ли вы названия навыков, когда нажимаете на триггер, чтобы выбрать сторону.
Включено:
Выключить:
Если он включен, он занимает больше места, но может быть очень полезен, если вы играете в задания, с которыми не так хорошо знакомы.
Используйте Hotbar для домашних животных :
Хотите ли вы, чтобы панель быстрого доступа для питомцев была частью ротации.
Заменяет все быстрое переключение вкладок поперечной панели. Поэтому, если вы нажмете на правый бампер (и позволите ему защелкнуться, не нажимая никаких кнопок на лице), он всегда будет перемещаться между вашей текущей перекладиной и любимой. Поэтому, если вы используете эту опцию, вы либо ДОЛЖНЫ использовать правый бампер + лицевую кнопку, либо полностью полагаться на использование одновременных триггеров и WXHB (что очень выполнимо).
Это личный выбор. Лично мне это нравится, так как я напрямую распределил навыки питомца.
Использовать крепление Hotbar :
Переключает панель быстрого доступа на монтирование, если применимо.
Активировать ввод рабочего действия
Существует специальная команда для использования действия «Долг», это правый триггер + R3 ( + ). при этом он не будет использовать все остальное, что у вас обычно есть на R3.
Руководство по управлению дисплеем
Когда вы удерживаете триггер в течение примерно полсекунды или более, появляется подсказка по кнопкам
Если выключен, то нет
Прозрачность XHB, когда она не используется:
Насколько прозрачны неактивированные поперечины.
Прозрачность 80%:
Уведомление WXHB также затронуто
На ваше усмотрение, хотя я замечу, что если вы сделаете его слишком прозрачным, вам будет трудно увидеть таймеры перезарядки.
Элементы управления Cross Hotbar
Возможные варианты: «Удерживать», «Переключать» и «Смешанный».
Если вы используете «Удержание», это означает, что вам нужно удерживать триггер, чтобы активировать его, и, таким образом, нажимать кнопки на лице, пока он удерживается.
Если вы используете «Переключение», это означает, что вам нужно только нажать, чтобы активировать.Если вы отпустите триггер, он останется активированным. Вы можете использовать другой триггер для переключения или нажать на тот же триггер для отмены. У него будут проблемы, если вы попытаетесь удерживать курок.
Если вы используете «Смешанный», он будет делать и то, и другое. Если вы нажмете, он останется активным. Если вы держите его, он деактивируется, как только вы отпустите.
Обратите внимание, что если вы действительно собираетесь использовать WXHB или одновременные триггеры, вам необходимо включить «Hold». Если вам нужен WXHB для видимости, но вы планируете использовать переключение поперечины, чтобы фактически использовать навыки, вы можете использовать другие режимы.
Перекрестная панель быстрого доступа DisplayType
Это легче объяснить, показав:
Вариант 1: Использование правого триггера показывает следующее:
Вариант 2: Использование правого триггера показывает следующее:
Я нахожу вариант 2 очень запутанным, но если это то, что вы предпочитаете… вперед. Я не плачу за вашу подписку.
W Настройки отображения кросс-панели быстрого доступа
Всегда отображать WXHB: хотите ли вы видеть WXHB, даже когда он не активирован.
Возврат к XHB после WXHB: хотите ли вы, чтобы он возвращался к обычному перекрестному горячему бару после использования навыка на WXHB.
Положение WXHB отдельно от XHB:
Таким образом, WXHB всегда отделен от обычного кросс-бара (XHB). Однако, если он у вас есть, вы можете перемещать его в HUD вместо того, чтобы использовать его местоположение по умолчанию.
Таймер ввода WXHB: сколько времени у вас есть между нажатиями, чтобы зарегистрироваться как двойное нажатие. Кажется, это миллисекунды или что-то еще, что меньше секунд.
Вы хотите, чтобы у вас было достаточно времени, чтобы вы могли комфортно дважды нажать, но не настолько много, чтобы случайно «двойное нажатие» при переключении триггеров.
Конфигурация персонажа — Настройки панели быстрого доступа — Пользовательский
В этом разделе мы можем включить одновременные триггеры (оба триггера вместе, в любом направлении), а также WXHB.
Теперь я знаю, что там написано «Настройки PVE», но на самом деле это означает «настройки по умолчанию».
Если вы не включите «Настройки PVP» (ниже), будут использоваться «Настройки PVE».
Оба раздела идентичны, кроме того, что включены настройки PVP.
Таким образом, я расскажу об этом только один раз, и если вы хотите отдельные настройки для PVP, следуйте тем же инструкциям, но сделайте это в разделе «Настройки PVP» (и включите его).
Расширенные элементы управления удержанием (нельзя использовать тип переключения)
И по определению не может использовать тип «Смешанный».
Первый для включения одновременных триггеров
Затем вы назначаете половину перекладины для LT+RT (+)
И назначьте другую половину поперечины для RT+LT (+)
Это означает, что если вы хотите, чтобы они были одинаковыми, у вас есть два варианта
- Назначьте их одной половине, но если это означает, что вам придется сделать это для всех ваших работ
- Оставьте их отдельными и для работ, где вы не хотите, чтобы они были разными, просто назначьте навыки одинаковыми в обеих , как на картинке ниже:
Пример (для № 2) — мой одновременный запуск WHM (в обоих направлениях):
Это означает, что любое одновременное срабатывание триггера, независимо от порядка, всегда дает мне:
Использование № 2 позволяет мне гибко использовать SCH и SMN (единственные задания, где, как мне кажется, достаточно кнопок, чтобы гарантировать наличие отдельных одновременных триггеров), сделайте следующее:
Второй для включения WXHB.
Если вы оставите его как «Включить только 4 кнопки», вы получите только половину WXHB — части, которые используют только обычные лицевые кнопки, а не крестовину.
Если вы включите кнопки направления, вы получите их все — для этой полной поперечной панели вверху, как у меня.
Назначьте каждую полукрестовину по желанию.
WXHB из первого варианта (половина)
WXHB из второго варианта (полный)
Установить выбор
Set Selection на самом деле очень аккуратный.
Если вы включите первую опцию, она вернет вашу перекладину обратно в первую «разрешенную» перекладину, когда ваше оружие убрано в ножны (т. е. когда вы вступаете в бой).
Если вы включите второй вариант, вы можете выбрать определенные поперечные стержни, чтобы они были доступны для «вкладки», независимо от того, обшиты они или нет.
Обратите внимание, что это не влияет на WXHB, двойные триггеры или использование перекрестной панели выбора (кнопка + лицевая сторона). Это только для того, чтобы использовать только RB для циклического переключения между перекладинами. Это означает, что если вы не используете ничего, кроме 1 такта, в качестве фактического обычного перекрестного хотбара, вы можете выбрать только его и никогда не переключаться случайно, нажав RB.
Это также означает, что для людей, которые используют RB для езды на велосипеде, вы можете убедиться, что у вас нет небоевых перекладин, когда вы сражаетесь. Таким образом, вы можете посвятить определенные наборы поперечин небоевым вещам, таким как наборы снаряжения, крепления и т. д., и никогда не беспокоиться о том, что вам придется много ездить на велосипеде, чтобы пройти их.
Конфигурация персонажа — Настройки панели быстрого доступа — Общий доступ
Какие перекрестные панели быстрого доступа являются общими для всех заданий.
Конфигурация персонажа — Настройки панели быстрого доступа — Дисплей
Здесь не так много информации, относящейся к перекрестным панелям быстрого доступа, но если вы являетесь SCH/SMN, вы, вероятно, захотите прочитать дальше и перейти к разделу «Настройки отображения панели быстрого доступа для домашних животных».
Итак, когда вы вызвали питомца.
Первый вариант будет иметь перекрестную панель быстрого доступа и обычную панель быстрого доступа для питомцев. Это замечательно, если вы планируете назначить навыки своего питомца на кросс-панель быстрого доступа, но хотите видеть время восстановления питомца отдельно.
Второй вариант не будет отображать обычную панель быстрого доступа питомца, поэтому вы, вероятно, захотите, чтобы панель быстрого доступа питомца была частью переключателя и/или назначила все навыки питомца, которые вы планируете использовать, на основную или WXHB поперечную панель, где видимость высокий.
Третий вариант работает так же, как и первый. Я не уверен, почему он там, может быть, он как-то связан с обычными панелями быстрого доступа для игроков без контроллера.
Последняя опция заменяет перекрестную панель быстрого доступа 1 на панель быстрого доступа питомца при установке. Я не уверен, почему кто-то захочет, чтобы это было включено. Обратите внимание, что это не влияет на то, когда вы ездите верхом и получаете специальные действия ездового животного.
Часть 6: Назначение действий/элементов/вещей на поперечину
Итак, я еще раз признаю, что использовать мышь для настройки все же проще.Поэтому, если он у вас есть, я бы рекомендовал его для назначения ваших действий. Просто перетащите их в перекладину.
Сначала нужно переключиться на перекладину.
Итак, поставьте набор поперечин 1 для выделения этого, набор 2 для выделения этого и т. д.
Поскольку WXHB и одновременные триггеры используют назначенные поперечные полосы, вам нужно сначала переключиться на них (используя либо циклический переход к ним, либо кнопки Face для выбора). Вы не можете назначать действия WXHB через фактический WXHB.
Набор 3 — это мой WXHB. Поэтому я переключился на Set 3, чтобы иметь возможность назначать в него действия. Вот почему XHB и WXHB на этом снимке экрана идентичны.
Назначение действия через контроллер
Конечно, если у вас нет мышки, нужно уметь назначать действия через сам контроллер.
- Откройте меню «Действия» (или меню миньонов/скакунов/комплекта снаряжения/инвентаря, если вы хотите их назначить).
- Используйте крестовину, чтобы найти действие, которое вы хотите выделить
- Нажмите кнопку подкоманды, и она откроет палитру панели быстрого доступа (на самом деле просто напоминание о том, что вы выделяете)
- Для других меню, таких как набор передач , он может открыть список, в котором вам нужно сначала выбрать «Установить на панель быстрого доступа».
Переключение мест действий или их удаление
Возможно, вы не хотите назначать новое действие, но поняли, что хотите поменять местами некоторые из них.
Нажмите один из триггеров ( или ), а затем используйте кнопку HUD, чтобы войти в режим редактирования.
Сделайте комбинацию кнопок, чтобы выбрать действие для перемещения
Сделайте еще одну комбинацию кнопок, чтобы переместить его туда.
Если в новой локации уже было другое действие, они поменяются местами.
До:
После:
Если вы выберете то же место, он спросит вас, хотите ли вы его удалить:
Вы можете использовать кнопку выбора HUD или кнопку Cancel, чтобы выйти из режима редактирования.
Часть 7. Назначение действий панели быстрого доступа клавиатуры
Многие геймеры будут использовать обычные панели быстрого доступа на клавиатуре, чтобы следить за своими компакт-дисками.
Некоторые люди делают это, потому что не все из них видны, так как не всем нравится интенсивно использовать WXHB (или вообще).
Другие делают это, даже если это видно, чтобы иметь их в группах. Может быть, группа для всех защитных перезарядок для быстрого взгляда на то, что еще доступно.
Лично я этого не делаю, но это отличная практика — хотя я использую панель быстрого доступа на клавиатуре питомца, чтобы иметь возможность быстро взглянуть на время восстановления Эос.
Вы можете включить их в макете HUD или в разделе «Конфигурация персонажа» -> «Горячая панель» -> «Экран»
Хотя вы, вероятно, захотите использовать макет HUD, чтобы вы могли изменить их положение.
В макете HUD вы все еще можете использовать R3 для изменения размера. Вы также можете включить или выключить Треугольник.
Правый аналог используется для перемещения выбранного вами элемента
Размещение их на горячих панелях
Если у вас есть мышь, это, конечно, очень просто.
Но если вы этого не сделаете, вам нужно будет использовать виртуальную мышь.
Напоминаем, что для входа в виртуальную мышь используйте LB + R3 ( + ).
Чтобы перетащить навык, используйте «Левый щелчок», который является левым триггером, и удерживайте его.Используйте правильный аналог
Удерживая, чтобы перетащить его на панель быстрого доступа. Отпустите кнопку, и она останется на панели быстрого доступа.
Часть 8: Нацеливание через контроллер
Таргетинг — это один из недостатков контроллера. С помощью мыши вы можете просто нажать на то, что вы хотите настроить. С контроллером, ну… Не совсем. (Хотя, если у вас есть тачпад, вы можете использовать для этого виртуальную мышь и касание, но, поскольку у меня нет этой функции, я не могу комментировать, насколько хорошо она работает, но я бы представил , что во время боя это, вероятно, неудобно. использовать его в целях таргетинга.Пользователь Lekceh на Reddit, который играет с контроллером PS4, говорит, что использование этого метода медленное и неудобное, и он используется только для небоевых вещей, таких как перемещение элементов HUD)
Так что очень важно уметь прицеливаться!
Члены партии
Вы можете использовать крестовину вверх/вниз, чтобы переключаться между вечеринками.
Подождите секунду, вы имеете в виду, что если я в группе из 8 человек, мне нужно прокрутить цикл 7 раз!?
Только если вы неэффективны.Цикл продолжается. Итак, допустим, вы лечили человека с 8-го места, а теперь вам нужно вылечить танка (скорее всего, 2-е место). Конечно, вы, , могли бы переместить крестовину вверх 6 раз и быть неэффективными. Или вы можете дважды переместить крестовину ВНИЗ (которая переместится с 8-го на 1-е место), чтобы перейти на 2-е место.
8-й + вниз = 1-й
1-й + вверх = 8-й
Таким образом, вам нужно нажать D-pad не более 4 раз. Вы привыкнете к этому.
Разве это не усложняет лечение?
Для группового исцеления? Не совсем.4 нажатия крестовины — это довольно быстро. Даже если вы запаниковали и забыли, что можете использовать ярлык и в итоге сделать 5-7 нажатий, это все равно довольно быстро.
Кроме того, в большинстве материалов для 8 игроков ваши одиночные исцеления в основном предназначены для 2 танков (которые у большинства лекарей были бы на их 2-м и 3-м месте, если вы не изменили настройки по умолчанию), и большинство ДПС лечатся с помощью исцеления по площади, если они не ошибаются. вверх или выбраны для механика. Необходимость время от времени использовать d-pad для нацеливания на дпс вряд ли является помехой — и если ваш дпс настолько запутался, что ему нужно частых исцеления одиночной цели вместо исцеления по области, вам, вероятно, есть о чем беспокоиться. о чем ваш таргетинг.Им нужно начать делать механику правильно.
Члены Альянса
Здесь целители (и реззеры) находятся в невыгодном положении.
Чтобы выбрать члена альянса, вам нужно использовать LB + крестовину влево/вправо ( + ).
Хотя, еще раз, это цикл, так что вы можете перейти от 1-го альянса к последнему (3-му) альянсу и наоборот, довольно быстро, хотя цикл может быть очень большим. Например, чтобы добраться до танка 3-го альянса, обычно требуется 8 нажатий.Чтобы добраться до танка 2-го альянса, может потребоваться около 9–12 нажатий в зависимости от того, откуда вы начали. В целом, вы рассчитываете максимум на 12 нажатий, ЕСЛИ вы эффективно работаете на велосипеде. Если нет, у вас есть 23 потенциальных пресса.
Конечно, на самом деле, если это время от времени, это не имеет большого значения. Вы точно потеряете как минимум 1 GCD, но вы просто смиритесь с этим. Однако, если вам приходится делать это несколько раз, это мешает, но в то же время… если вам постоянно нужно лечить/восстанавливать людей в других группах для вашего альянса, эти партии, вероятно, разрушают весь альянс. если их целители не в состоянии поддерживать свою собственную группу, так что вам, вероятно, придется ужасно бежать, несмотря ни на что.
Людям, у которых есть контроллер PS4 (или другой контроллер с работающей сенсорной панелью), может быть быстрее использовать виртуальную мышь для прицеливания.
Враги, объекты и NPC
Список вражды
Вы можете перемещаться по списку враждебности (список монстров с некоторой агрессивностью), используя левый бампер и кнопки вверх/вниз на крестовине ( + )
Бампер, нацеленный на
Вы можете перемещаться по цели с помощью левого бампера или правого бампера (без крестовины), имея активную перекладину (то есть, пока один или оба триггера включены).Таб-таргетинг работает странно, но по сути: правый бампер перемещается «вправо/ближе», левый — «влево/дальше». Это зависит от вашей цели (или от вас, если у вас нет цели).
В следующем разделе есть настройка, что делать влево/вправо или близко/далеко.
Всегда основывается на видимых врагах. Таким образом, вы можете перемещать камеру, увеличивать масштаб, чтобы было легче ориентироваться.
Фильтрация и подтверждение таргетинга
Есть такая концепция фильтра.Если вы ничего не делаете, это, вероятно, говорит «Все», и это рядом с вашей полосой HP.
Когда вы используете джойстик влево/вправо, он фильтрует таргетинг.
Все = буквально все, на что можно нацелиться. Это один из способов нацеливания на объекты.
Подтверждение таргетинга нажатием кнопки подтверждения, когда в данный момент у вас нет таргетинга. Он выбирает ближайшую к вам цель. Полезно для приближения к слугам или NPC события.
Если ваше оружие в ножнах, по умолчанию используется Враги:
Что, как вы, наверное, догадались, только Враги.
В отличие от таргетинга с помощью бампера, таргетинг с фильтром основан исключительно на левой/правой карте, а не на расстоянии. Так что иногда может быть проще настроить таргетинг на что-то конкретное.
Вы можете создавать свои собственные фильтры, которые будут рассмотрены в Части 9.
Мягкий таргетинг против жесткого таргетинга
Насколько мне известно, эта концепция уникальна для контроллера, и на самом деле это действительно круто, если вы планируете ее использовать.
Есть 2 типа целей. «Жесткая» цель — это та, которую вы определенно выбрали.
Вы временно выбрали «мягкую» цель. Использование действия на мягкой цели вернет его обратно к вашей жесткой цели. Если у вас не было жесткой цели, она станет ею.
Нужно применить действие к кому-то, но вы знаете, что все равно будете бить босса? Мягкая цель, что кто-то, используйте свое действие, бац, вы автоматически вернетесь к боссу.
Мягкая цель:
Используйте крестовину для прицеливания и не нажимайте кнопку подтверждения.
Обратите внимание, что мягкая цель имеет подсветку в списке участников, а сама цель имеет кружок.
Жесткая цель:
Используйте крестовину, чтобы нацелиться и нажмите кнопку подтверждения
Обратите внимание, что жесткая цель в списке отрядов выделена синим цветом, а сама цель отмечена стрелкой.
Мягкий таргетинг доступен только для типов таргетинга с крестовиной.
Итак: партия, альянс, список враждебности и фильтрация таргетинга имеют мягкую таргетинг, если вы не используете кнопку подтверждения для жесткой таргетинга.
Таргетинг «Tab» (с использованием заставок) и таргетинг «Подтверждение» (простое нажатие кнопки подтверждения без фактического нацеливания) всегда являются трудными целями.
Резюме нацеливания
Крестовина вверх/вниз: вечеринка
Крестовина влево/вправо: нацеливание на фильтры (более подробно фильтры рассматриваются в Части 9)
+ LB + крестовина вверх/вниз: Список вражды
+ LB + крестовина влево/вправо: другие стороны Альянса
LB или RB сами по себе = «вкладка» нацеливается только на врагов (более подробно описано в Части 8, которая является следующим разделом)
Подтвердить прицеливание: когда ничего не нацелено, превращает ближайшую цель в жесткую цель
При использовании наведения крестовиной превращает мягкую цель в твердую
Часть 9: Расширенный таргетинг: конфигурация персонажа — настройка управления — цель
Я расскажу только о тех, которые кажутся важными для контроллера.
Тип цели: Цели ближайших врагов
Этот параметр определяет, как работает таргетинг «вкладки». Для игроков KB это буквально клавиша табуляции (если они не переназначат ее). Для вас это будет правый/левый бампер (если вы его не переназначите)
При использовании Игнорирования глубины будет литерал слева слева (бампер), справа справа (бампер). Это очень похоже на то, как работает фильтрация таргетинга.
Использование Конуса будет делать это в зависимости от расстояния от вас или вашей цели. Это может быть полезно при попытке выбрать монстров, которые не очень далеко, только потому, что они видны вам, но это делает их менее предсказуемыми.
Я рекомендую использовать Конус. Если вы хотите предсказуемости, просто используйте фильтр таргетинга, но это полностью зависит от вас.
Настройки наведения на землю (режим геймпада)
Таким образом, этот раздел предназначен только для пользователей контроллера.
Целевое кольцо: заблокировано или заблокировано курсором.
Привязан к курсору
Как уже упоминалось, игра на контроллере не означает отказ от мыши и клавиатуры. Возможно, у вас все еще подключена мышь, и в этом случае у вас, вероятно, есть курсор мыши на экране.Заблокированный к курсору поместит ваш наземный маркер AOE туда. Это означает, что для его перемещения вам нужно либо двигать мышью (не идеально), либо перемещать камеру.
Обратите внимание, что этот курсор также может быть курсором виртуальной мыши, если она у вас включена. Поэтому, даже если у вас нет мыши, вы все равно можете использовать этот тип прицеливания, если предпочитаете контролировать свои местоположения AOE исключительно с помощью аналогового джойстика камеры.
Разблокирован
Когда вы используете Unlocked, размещение AOE контролируется с помощью правого бампера + левого аналогового джойстика ( + ), хотя вы также можете использовать движение камеры, чтобы использовать умные углы для ее перемещения.Его местоположение установлено на белой точке (видно на скриншоте), а не на курсоре.
В следующий раз, когда вы используете AOE, оно начнется с того места, где вы оставили эту «белую точку».
Какой выбрать.
С курсором, пока вы оставляете курсор в ожидаемом месте, скажем, в верхнем центре (будь то физическая или виртуальная мышь), это означает, что «передо мной» находится ваше АОЕ, поэтому очень естественно должны использовать манипуляции с камерой, чтобы справиться с этим.
С Unlocked, первым наземным Aoe, с которым вы будете в порядке, и у вас также есть возможность использовать манипуляции с камерой. Однако предположим, что вы действительно используете манипуляцию без камеры и помещаете ее полностью влево. 15 минут спустя, в другом случае, вы хотите использовать наземное АоЕ и забыли, что делали раньше. Теперь вы ожидаете, что он будет примерно по центру, и вы будете шокированы тем, что это не так. Не ожидая этого, он может медленно реагировать на это.
При этом преимущество разблокированного режима заключается в том, что если вы предпочитаете манипулировать камерой и имеете настоящую физическую мышь, и вы случайно сдвинули ее, потому что толкнули ее локтем или что-то еще (и, следовательно, курсор вместе с ней), вместо того, чтобы брать уберите руку с контроллера, чтобы переместить физическую мышь, чтобы вернуть курсор в середину, вы всегда можете просто оставить белое пятно в середине и по-прежнему использовать манипуляции с камерой для цели.
Итак, в целом Unlocked лучше в долгосрочной перспективе, просто нужно попрактиковаться.
Попробуйте оба, посмотрите, что вам нравится.
Скорость курсора (при разблокировании)
Немного пояснений: насколько быстро разблокировано движение.
Часть 10. Расширенный таргетинг: конфигурация персонажа — настройка управления — фильтры
Итак, раньше мы вводили фильтры.
Ну, вы можете настроить 2 фильтра «по умолчанию» — один, когда вы в бою, и один, когда вас нет.
Слева: фильтр, когда вы выходите из боя или телепортируетесь в новую область или обнажаете.. Когда вы не в бою.
Справа: фильтр, когда вы в бою
Затем вы можете создать 4 пользовательских фильтра. Вы можете использовать их с помощью левого бампера + назначенной кнопки ( + ). Включите нужную комбинацию кнопок и выберите, что вы хотите, чтобы фильтр имел.
Если вы не хотите нажимать вручную, вы можете установить их в готовые списки (например, «Все», «Друзья», «Члены группы», «Занятые враги») из раскрывающегося списка.Это отредактирует фильтры, чтобы вы могли включать / выключать то, что необходимо, чтобы оно соответствовало готовому списку. Если вы создадите свой собственный фильтр и он соответствует одному из этих списков, он также даст ему это имя в раскрывающемся списке. Если вы создадите список, который не соответствует НИ ОДНОМУ из готовых списков, в нем будет написано «Пользовательский».
Я включаю один из моих фильтров. Обратите внимание, что над моим HP написано «A» (потому что у меня включен режим ABXY, и это фильтр, который использует ) и «Друзья». Это индикатор того, какой фильтр у вас включен.
Обратите внимание, что имя фильтра иногда не совпадает. Например, мой фильтр, который говорит «Задействованные враги» в меню конфигурации, на самом деле будет говорить «Битва» в HP-области
.Часть 11: Макросы, помогающие играть на контроллере
Спринт
/боевой спринт
/микон спринт
Идеально подходит для R3 или L3 (вплоть до того, что я не знаю, как люди, которые этого не делают, живут без него).
Наведение на землю
Макросы наведения на землю могут быть очень полезны, чтобы не иметь дело с наведением.
Вот пример макроса, который наложит на мою цель наземный AOE, но если у меня нет цели, он наложит его на меня:
/ac «Земная звезда»
/ac «Земная Звезда»
/macroicon «Звезда земная»
Примечание : всегда ставьте значок макроса последним. Не используйте макросы, если у вас очень низкий FPS, это может показаться глупым, но FPS на самом деле влияет на работу макросов. Макроиконка остается последней, поэтому она не может привести к пропуску следующей, если FPS падает в момент ее выполнения.
Вот еще один, который подойдет в цель, но НЕ поставит его на меня, если цели нет, он будет показывать наземный маркер АОЕ, поэтому его можно использовать вручную при желании.
/ac «Теневая вспышка»
/ac «Теневая вспышка»
/macroicon «Shadow Flare»
Следующими макросами для контроллера будут не действия, а управление хотбаром.
Перекрестная панель быстрого доступа
Для моего ученого я меняю поперечину в зависимости от питомца.Перекладина 5 или 6 копируется в перекладину 1 с помощью макроса вызова. Теперь, очевидно, вам не нужно этого делать. Но если по какой-то причине вы хотите, чтобы макрос копировал один поперечный стержень в другой, а не переключался на поперечные стержни, то это можно сделать следующим образом:
./ошибка выкл
/pac «Волшебный ветер»
/pac «Подчиняйся»
/ac Призыв <ожидание.3>
/ crossshotbar копия Ученый 6 Ученый 1 <подождите.1>
/pac «Подчиняйся»
/микон Вызов
Замена действий
В какой-то момент вместо того, чтобы копировать целые поперечины, я просто назначал действия в свои поперечины с помощью макросов. Это еще один способ редактирования динамической перекладины.
Обратите внимание, что таким образом нельзя назначить макрос на поперечину.
/перекладина для животных «Embrace» «Eos» 1 RA2
/ перекрестие «Physick» 4 RA2
Дополнительную информацию о команде /crossshotbar (для копирования или настройки) можно найти здесь:
https://на.finalfantasyxiv.com/lodestone/playguide/win/text_command/
Обратите внимание, что поперечины для PvP используют /pvpcrosshotbar , и их также можно найти по приведенной выше ссылке.
Последним типом макросов будут статусы.
Удаление дружественных статусов
Пользователи мыши скажут вам, что они могут «отключать» определенные действия. Пользователи контроллера также могут сделать это, используя кнопку выбора hud, чтобы перейти к панели баффов, используя крестовину, чтобы перейти к желаемому баффу, и нажав «Подтвердить», чтобы удалить.Это утомительно, но я полагаю, если вы действительно хотите, чтобы этот реген отключился, вы можете это сделать.
Или… можно сделать макрос.
И поскольку это не действие, оно не влияет на использование вами действий.
Больше всего мне нравится использовать недействующую версию «Undraw Spread» AST. Таким образом, я смог «отключить» плохой спред, который дал мне Рукавный розыгрыш, не тратя впустую OGCD. Это можно использовать во время разыгрывания Malefic (вы даже можете буквально нажать это одновременно с нажатием ogcd, и они оба будут работать — единственное, что он не будет делать одновременно, — это еще один макрос).Так что если у вас есть макрос аоэ земли земной звезды и вы используете его одновременно, то один из макросов будет прерван — еще одна причина, почему вы не должны макросить слишком много действий и только самое необходимое)
/micon «Отменить спред»
/ошибка выкл
/statusoff «Стрела удерживается»
/statusoff «Баланс удерживается»
/statusoff «Шпиль удержан»
/statusoff «Более удерживается»
/statusoff «Эвер Хелд»
/statusoff «Копье в руках»
Итак, танки, если вы хотите удалить эту регенерацию, сделайте для нее макрос.А машинисты, просто сделайте один макрос для отключения Fey Wind и Arrow, и вам больше никогда не придется беспокоиться о том, что они снова испортят ваше вращение.
Ориентация на конкретных врагов
Хотя нацеливание в смысле отмеченных врагов на самом деле не то, что я бы особенно рекомендовал делать для PVE, в основном потому, что это не нужно, это можно сделать, если у вас есть место для этого (или вы хотите сделать поперечную полосу только для этого ). Где он больше всего сияет, так это в PVP.
Одна хорошая вещь в переработке умений в пвп, которую многие ненавидят, это то, что у вас теперь много места на перекладинах, так что вы можете сделать кучу макросов прицеливания для атаки на конкретные цели.
<атака1> (и 2-5 для остальных)
(и 2-3) <игнорировать1> (и 2)
<квадрат> <круг> <крест> <треугольник>
Итак, если кто-то подписывает врага, это один из способов легко нацелиться на него.
/цель <атака1>
Также полезно следующее.
Помощь чьей-либо цели
Последний враг, который атакует/связывает/что бы вы ни были
Сделай макрос,поставь каждого из них на свою перекладину,тогда будет как быстро нацеливаться на таких врагов.
Примечание : таргетинг макросов с использованием /target является жесткой целью.
Часть 12: Другие схемы управления — Эврика, командные миссии, Deep Dungeon, Gold Saucer, Gpose
Эврика
В Эврике нет ничего особенного с точки зрения контроллера. Просто используйте кнопку выбора HUD, чтобы перейти к элементальному колесу, и используйте подкоманду или кнопку подтверждения, чтобы повернуть колесо.
Используйте кнопку отмены, чтобы покинуть колесо стихий.
Подкоманда против часовой стрелки
Подтвердить по часовой стрелке
Командная миссия
Командные миссии включают в себя некоторые действия для управления вашей эскадрильей.И да, технически они находятся в меню «Действия», и вы можете назначить их своим кросс-панелям быстрого доступа.
Это ваш выбор.
Лично я не вижу смысла возиться с моими поперечными панелями быстрого доступа, чтобы приспособить их, потому что внутри командных миссий есть меню для всего этого.
Если вы не видите это меню, перейдите в «Действия» и используйте «Показать панель быстрого доступа»
Вы можете использовать кнопку выбора HUD, чтобы добраться до него.
Теперь я знаю, о чем вы могли подумать:
Не неудобно ли постоянно использовать кнопку выбора HUD, чтобы добраться до него?
Нет, не совсем.Как только вы достигли его, он остается там.
Видите, как я активировал свою перекладину, хотя меню команд было включено?
Система знает, какой из них вы имеете в виду, исходя из того, активирована ли ваша перекладина.
Так что, если я хочу вступить в бой или использовать крестовину, чтобы перейти к Отходу или Прорыву лимита эскадрильи, мне просто нужно перестать активировать перекладину (отпустить триггеры), и она будет знать, что мое подтверждение или крестовина нажимает будет использоваться для командного меню.
Глубокое подземелье
Карта POTD
Если он у вас разблокирован:
- Кнопка «Карта» откроется/закроется
- Кнопка выбора Hud для фокусировки
- Кнопка «Отмена» для закрытия
- Значок «Закрыть» для закрытия
- Кнопка «Пуск» (главное меню) для закрытия
Если оно у вас3 заблокировано
- Кнопка карты для открытия
- Hud select или кнопка карты для фокусировки
- Значок закрытия для закрытия
Меню пунктов POTD
Если он у вас разблокирован:
- Используйте информацию о долге Информация о символе, чтобы открыть
- Кнопка «Пуск» (главное меню) закроется
- Выберите HUD, чтобы сфокусироваться на
- Кнопка «Отмена», чтобы закрыть
- Крестовина + подтверждение для использования элементов
Если у вас есть он заблокирован
- Используйте служебную информацию Информация о персонаже, чтобы открыть
- Используйте значок закрытия, чтобы закрыть
Золотое блюдце
Гонки на чокобо
В этом контроллере нет ничего особенного.🙂 Это именно то, что вы ожидали, если дочитали руководство до сих пор.
Лорд Верминион
Verminion на контроллере в разы лучше и в разы хуже m/kb. Это действительно зависит от того, что вы делаете.
просмотрите ваш миньон BAR D-PAD Выбрать миньон из Minion Bar Подтверждение кнопки Active Minion Список: просматривать миньоны + левый бампер + D-Pad Список активных миньонов: выберите ближайших миньонов (того же типа миньонов) + Левый бампер + кнопка перехода Кнопка Active Minion List: выберите близлежащие миньоны (любой вид миньона) + левый бампер + Active Minion Список: активировать специальную атаку левый бампер + кнопка подкомания Изменить терминал ворот R3 Список врагов RT Помощники U Начало Выбор круга Кнопка Jump Выбрать покинул Queue L3 Перемещение наземного целевого указателя (без движущейся камеры) RB + движение символов аналог Запись точек перехода на карте (отпустите, чтобы вернуться): позволяет вам проверить карту и вернуться к тому месту, где вы начали, когда вы отпустите LT Выбор точки перехода на карте + LT + Аналог движения камеры Восстановление точки перехода на карту + LT + R3 Тройная триада
Должно быть достаточно интуитивно понятным
Позиция
Войдите в Gpose, используя чат, чтобы ввести /gpose или сопоставьте свою перекрестную панель с помощью макроса.
Откройте G-Pose Меню Подкомана Move Camera Движение символов Аналог Rotate / Tilt Camera Движение камеры Аналог Увеличить / из + + левый бампер + движение камеры Analog сброс камеры L3 LT замораживают целевое движение RT Включить / отключить свет 1 RB Лицевая камера Треугольник Дежурный регистратор
Move Camera покинул аналог (персонаж аналоговый) сброс камеры L3 изменить фокус Target D-Pad Pause / Play прыжок Кнопка Изменение скорости воспроизведения Правый триггер 0 92VPКонтроллеры открытия/закрытия Кнопка подкоманды Опять же, ничем особо не отличается от использования контроллера в ПВЕ.Все уже было упомянуто в руководстве до сих пор.
Совершенно очевидно, что вы берете свои навыки PVP из меню «Профиль PVP», а не из меню «Действия».
Независимо от того, эффективно это или нет… ну, я расскажу в разделе «Мнение M/KB против контроллера» далее в документе.
Возможно, у Rival Wings есть что отметить для мехов, но это было давно, и я не помню — и очереди мертвы прямо сейчас, поэтому невозможно пройти тест.
Часть 13: Мои установки – Раздел мнений.
Я поделюсь всеми своими настройками!
Теперь, когда я в последний раз писал/редактировал этот раздел, у меня нет всех рабочих мест в 70 лет. Я установил планки для всех заданий, предполагая, что они будут 70, и я взял некоторых в POTD, чтобы, по крайней мере, проверить до 60, но, очевидно, до тех пор я не узнаю, насколько они хороши на максимальном уровне. Я упомяну, какие из них я полностью протестировал, а какие являются теоретическими.
Однако сначала….
Об авторе:
Прежде чем я объясню свои установки, я должен объяснить МЕНЯ.Раньше я играл в ММО на мышке и клавиатуре. Я переключился на MMO-мышь и играл в FF14 как с обычной M/KB, так и с MMO-мышью/KB, прежде чем переключиться.
Причина, по которой я купил MMO-мышь (первоначально для WoW), заключается в том, что у меня маленькие руки, поэтому тянуться одновременно к Ctrl + к клавишам быстрого доступа действительно неудобно. Использование Ctrl + мышь MMO было намного лучше, но, поскольку мышь MMO активно используется для моих действий, я больше полагался на WASD для движения. Перемещение с использованием Ctrl также неудобно.
Когда я играл в Tera, у которой меньше кнопок (по крайней мере, когда я играл в качестве лоуби), я слышал, что она хороша на контроллере, и сделал решающий шаг, но мой контроллер (контроллер Gamecube с адаптером) не имел 2 бамперы, поэтому его нельзя было использовать с FF14, поэтому переключатель вернулся. Вероятно, помогает то, что я очень хорошо разбираюсь в кнопках контроллера, будучи одним из тех чудаков, которые играли на самых сложных сложностях Guitar Hero на контроллере. <3 вы герой-контроллер.
После нескольких месяцев игры на M/KB, переключившись на MMO M/KB, на FF14, я жаждал играть на контроллере по тем же причинам.Поэтому я переключился. Сначала было тяжело, но практика помогает, и теперь я играю лучше, чем когда-либо. Мне нравится игра на контроллере в FF14, и я не вернусь обратно — за исключением PVP, где я все еще играю в MMO M/KB.
Попутно я много возился с моим хотбаром + поперечными хотбарами и выработал для себя несколько рекомендаций о том, что делает хорошую настройку.
Я главный целитель.
Философия перекладины Сквинтины
Очевидно, что все это субъективно на мой личный вкус.Это мои руководящие правила, которые я стараюсь соблюдать, хотя, конечно, есть исключения, если это каким-либо образом делало работу неуклюжей.
Мышечная память важна.
Таким образом, распределяются ВСЕ ролевые действия, даже если они не включены. Я хочу использовать мышечную память, чтобы знать, где они находятся, если я переключаюсь — не нужно помнить, что «о да, раньше это была Esuna, но теперь я поставил туда Surecast». Если что-то действительно бесполезно там, где нет ситуации, в которой я бы даже использовал это, я пропускаю это.Например, Целитель «Перерыв» подходит под эту категорию. Хотя у него есть применение (атака без MP для прогинга чего-то вслепую, когда люди умирают направо и налево и расходуют много MP на резы и исцеления), это использование никогда не превзойдет любые другие ролевые действия. нет случаев, когда 5 других ролевых действий не были бы предпочтительнее. Но это требует наличия достаточного опыта работы/роли. Так что для моих не-70 я выделил буквально ВСЕ из них, потому что я не знаю, полностью ли они бесполезны.
Это означает, что у меня выделено больше кнопок, чем у большинства людей, но я все равно укладываю все это в рамки следующего принципа:
Всего 3 перекладины для боевого контента
Битва = Поперечная полоса 1, Поперечная полоса 2 (одновременные триггеры), Поперечная полоса 3 (WXHB).
Я использую 5 и 6 для SCH для целей макроса, но не для реального использования (вы поймете, почему).
3 перекладины = 48 навыков/предметов для боевой игры. Если вам нужно больше 48, вы делаете это неправильно.В большинстве заданий я заканчиваю тем, что повторяю навыки, чтобы одновременные триггеры были одинаковыми в обоих направлениях — SCH — единственная работа, где я фактически использую все 48 слотов с уникальными действиями. Все остальное даже близко не стоит.
У меня есть другие поперечины для посадочных мест, креплений и т. д.
Поперечная полоса Вкладка/выбор < Одновременно и WXHB.
Использование (с идентификатором панели быстрого доступа или без него) для табуляции не для меня. Подумайте об этом так: двойное нажатие очень быстрое, потому что это один и тот же палец.Одновременные триггеры тоже быстрые, потому что это отдельные руки, но все же «верхний» палец. В обоих случаях вам не нужно двигать «верхними» пальцами (бампер/спусковой крючок), потому что сам акт изменения также активирует перекладину, и вы никогда не используете пальцы «лицевой кнопки»..
Но для велосипедной перекладины нужно нажать верхним пальцем на бампер, а затем переместить его, чтобы активировать.
Используя выбор перекрестной панели быстрого доступа, вы снова кладете свой верхний палец на бампер, затем вам нужно пожертвовать пальцем кнопки «Лицо» (что, если вы хотите выполнять многозадачность и менять цели или что-то в этом роде?), Затем переместите верхний палец в активное положение.Когда дело доходит до движения пальцев, это просто вариант с меньшей скоростью.
Итак, у меня отключены все табы во время игры в бою (когда оружие в ножнах). Если я случайно нажму РБ сам по себе, он у меня не изменится. Использование Simultaneous и WXHB гораздо удобнее и быстрее, поэтому я использую именно их. Опять же, это может быть связано с тем, что мне очень удобно работать с быстрыми действиями контроллера, будучи опытным игроком в музыкальные игры.
Я использую выбор поперечных полос вне боя, чтобы добраться до поперечных полос моего комплекта снаряжения (у которого также есть мое средство передвижения), и я использую вкладки на поперечных полосах (опять же, вне боя) для действий классов собирателя/крафтера.
Одни и те же действия происходят в одном и том же месте
Ролевые действия выполняются в одном и том же месте независимо от задания. Мой SCH Lucid находится в той же комбинации, что и мой AST Lucid, мой BLM Lucid, мой SMN Lucid и т. д. Если это один и тот же навык, он находится в том же месте. То же самое и с лимитным перерывом и зельями.
Сделано исключение для движения/поведения/призыва питомца.
НЕТ кнопок быстрого доступа для боевых действий
Многие люди скажут, что вы должны использовать горячие клавиши для своих компакт-дисков, и я начал с этого.Это вполне жизнеспособный метод отслеживания ваших компакт-дисков, если вы хотите это сделать.
Потом я понял, что они мне не нужны. Все, что имеет КД 5 секунд или выше, находится на перекладине 1 или WXHB (перекладина 3). На моей перекладине 2 нет длинных КД, так как это одновременный триггер, который не всегда виден.
Таким образом, все мои компакт-диски видны в любое время, а также показывают мне точное местонахождение того, как нажимать навык (полезно для менее используемых профессий).
Это не значит, что я не использую панели быстрого доступа — я использую. Но это для таких вещей, как еда, макросы чата или ключевые элементы, которые я использую часто, потому что у меня все еще есть мышь, и я нажимаю на них, когда это необходимо.
Но я это я. А ты это ты. Этот принцип определенно не распространен в сообществе контроллеров, большинство людей используют горячие клавиши клавиатуры для своих компакт-дисков.
GCD размещаются на лицевых кнопках без dpad
Как правило, X/Y/A/B (треугольник/квадрат/крест/круг) предназначены для НОД.Почему?
Если вам нужно двигаться, ваша левая рука занята движением. Поэтому GCD должны быть справа, поскольку они являются наиболее часто используемыми действиями.
Итак, сначала я выделяю их, а затем выделяю ogcd. Если OGCD не помещаются все на перекладине 1 и 3, я перемещаю некоторые НОД на правые кнопки перекладины 2.
Левый курок = Фланг, Правый курок = Задний
Я не часто играю в ближнем бою, потому что я все еще прокачиваю их, и делаю это всего около 1 часа в неделю, из-за чего мне трудно запоминать направления.
Итак, если у меня есть направления, Фланг на левом триггере, Тыл на правом триггере. Когда я меняю работу, мне просто нужно проверить «есть ли у этой работы какие-либо направления», наведя курсор на навыки. Если да, то я знаю, как использовать это в своих интересах. Изменю ли я это, когда доберусь до 70 в ближнем бою? Может быть, и я обновлю руководство тогда.
Мгновенный НОД всегда находится на правой стороне кнопки X (квадрат).
Помимо заданий дальнего боя, к которым это не относится, у большинства заданий есть только 1-2 мгновенных GCD дальнего боя.Это полезно, чтобы сохранить время безотказной работы как для ближнего боя, так и для заклинателей, убегая от AOE.
Из-за этого я использую одну и ту же кнопку, хотя я переключаюсь между правым триггером или расширенным триггером (он никогда не бывает только на левом триггере).
Это обеспечивает стабильное время безотказной работы при уклонении.
Датчики идут между WXHB
Не требует пояснений. Обычно в простом режиме.
Спринт это макрос
Sprint - это мой макрос на R3.Я изначально собирался сделать на L3, как и FPS, но небольшая заминка в движении при нажатии потенциально могла привести к тому, что что-то не сдвинется с места вовремя. R3 был лучшим выбором.
Полностью протестированные установки
СЧ
Это будет единственное, что сложно объяснить. Все остальные задания будут 2 быстрыми картинками.
Main Bar + WXHB, когда Eos нет:
Main Bar + WXHB Когда Селены нет:
Панель быстрого доступа для питомцев предназначена для сверхбыстрой проверки компакт-дисков только для питомцев.
Вы можете видеть, что навыки питомца находятся в одном месте.
Я храню поперечину Эос в наборе 6, а Селену в наборе 5, и я использую макрос, чтобы поместить 5 или 6 в поперечину 1, когда я их вызываю. Макрос для объятий на тот случай, если я использую цель фокусировки, так как это действительно единственный раз, когда я чувствую необходимость заставить ее использовать объятия на конкретном человеке, вместо того, чтобы позволить ей выбрать, кого она хочет выбрать.
Одновременно:
SCH и SMN — единственные задачи, в которых я использую отдельные одновременные триггеры.Я также нарушаю правило 5-секундного OGCD, потому что Бэйн настолько ситуативен, что я думаю, что могу вспомнить, активен он или нет, без необходимости его видеть (это и 10 секунд не большой КД)
АСТ
Основная шина + WXHB
Одновременно
БХМ
Основная шина + WXHB
Одновременно
СМН
Основная шина + WXHB
Одновременно
БЛМ
Основная шина + WXHB
Одновременно
Я нарушил правило НОД, потому что....ну... Blizzard 2, Freeze и Sleep используются не очень часто, так что не имеет большого значения, если я не поместил их на более доступную сторону.
РДМ
Основная шина + WXHB
Одновременно
Гипотетические установки
ПЛД
Основная шина + WXHB
Одновременно
ВОЙНА
Основная шина + WXHB
Одновременно
ДРК
Основная шина + WXHB
Одновременно
МНК
Основная шина + WXHB
Одновременно
ДРГ
Основная шина + WXHB
Одновременно
НИН
Основная шина + WXHB
Одновременно
СЭМ
Основная шина + WXHB
Одновременно
БРД
Основная шина + WXHB
Одновременно
МЧ
Основная шина + WXHB
Одновременно
Часть 14: M/KB против контроллера – раздел мнений
Хорошо, вот спорная часть: что лучше M/KB против Controller?
Очевидно, есть только один ответ: какой вам больше подходит.Какой из них наиболее удобен для точности, уклонения и нажатия кнопок, тот и правильный.
Теперь, когда технически правильный ответ неизвестен, давайте углубимся в детали.
M/KB Контроллер Уклонение может быть неудобным, поскольку это означает либо отпускание руки для WASD, либо необходимость одновременного управления камерой и движением с помощью мыши для людей с обычными настройками клавиатуры. Движение по диагонали означает либо перемещение камеры (чтобы это больше не было диагональю), либо необходимость одновременного нажатия двух клавиш.
Эту проблему можно решить, настроив клавиатуру и воспользовавшись преимуществами управления мышью. Точно так же, как хорошему контроллеру нужна хорошая перекладина и конфигурация контроллера, хорошему M / KB нужны хорошие панели быстрого доступа И конфигурации клавиатуры.Уклонение от наземных маркеров происходит инстинктивно даже при конфигурации контроллера по умолчанию. Просто переместите аналог в нужном вам направлении. Это главное преимущество контроллера. Наведите на цель, нажав или F (или другие клавиши).Это главное преимущество мыши и клавиатуры. При этом необходимость двигать рукой, чтобы двигать мышь или дотягиваться до клавиши F, сама по себе требует времени, так что это так же быстро, как и вы. Если вы слишком медленны или неточны, вы все равно можете потратить или обрезать GCD. Раздражающий таргетинг для крупномасштабного контента (рейды и PvP, а также легкие/полные групповые инстансы с МНОЖЕСТВОМ монстров на выбор, ЕСЛИ вам действительно нужно выбирать, а не просто использовать AOE) Вы можете значительно настроить раскладку клавиатуры.SE отлично поработала с параметрами настройки. 'Достаточно. Хотя SE предоставляет множество вариантов настройки, что касается вашего фактического макета геймпада, он гораздо более ограничен. (если кто-то хочет использовать бамперы и триггеры, чтобы использовать действия и кнопки на лице для активации перекладины, например, он не может сделать это без сторонних программ, которые существенно переназначат ее и заставят игру думать, что эти кнопки являются другими кнопками) Ваши ключевые движения так же хороши, как размер вашей руки и точность движений руки.
Если у вас нет проблем с быстрым нажатием клавиш от 1 до 9, нажатием клавиш при использовании Ctrl, переназначением клавиш, таких как E или Q, или чем-то еще, тогда да, вы можете быть быстрым.
Если у вас возникли проблемы, будь то из-за маленького размера руки, плохой циркуляции или просто не очень хорошей точности, и вам в конечном итоге приходится смотреть на клавиатуру, то это будет медленно.
Игрокам с проблемами рук (будь то инвалидность или просто маленькие руки...), возможно, придется инвестировать в приобретение специализированных клавиатур, что требует длительного переобучения.
Как и в любом другом деле, здесь нужна практика, поэтому вы не можете судить о том, насколько хороши ваши моторные навыки, пока у вас не будет возможности потренироваться и отточить их. Но если через несколько месяцев у вас все еще возникают проблемы с игрой, как и должно быть, скорее всего, никакая дополнительная практика не поможет.Ваши движения кнопок так же хороши, как и ваша способность двигать пальцами. Если вы быстро двигаете пальцами и нажимаете, вы будете быстрым. Если нет, вы будете медленным. Если вы не можете справиться с тем, что некоторые из ваших навыков могут быть скрыты, и вы забудете, что они есть, это замедлит вас. Плохая циркуляция и размер руки не имеют значения, так как все кнопки будут в пределах досягаемости. Игрокам, которым необходимо приспособиться к этому, будет легко найти контроллеры разных размеров без необходимости изучать совершенно новую раскладку, поскольку большинство контроллеров являются вариантами раскладки playstation.
Как и в любом другом деле, здесь нужна практика, поэтому вы не можете судить о том, насколько хороши ваши моторные навыки, пока у вас не будет возможности потренироваться и отточить их. Но если через несколько месяцев у вас все еще возникают проблемы с игрой, как и должно быть, скорее всего, никакая дополнительная практика не поможет.Массовое добавление предметов в инвентарь (ретейлеры, седельная сумка) занимает столько же времени, сколько требует правого клика для добавления (кроме случаев перетаскивания в свободный слот или если вы действительно знаете, где находится предмет, который нужно сложить).
При этом сортировка с помощью мыши выполняется немного быстрее.Массовое управление запасами выполняется быстрее на контроллере, потому что есть быстрое добавление без необходимости каждый раз иметь подменю. Очень быстро просто нажать на все, чтобы увидеть, что складывается, если у вас много инвентаря.
Но ручная сортировка может быть гораздо более утомительной.«Следующие» ручные входы (такие как ящики Eureka, POTD или Diadem) очень утомительны для мыши, потому что постоянное нажатие указательным пальцем не является естественным движением. Использование Numpad 0 (или другого нажатия клавиши, связанного с подтверждением) немного более естественно.
Автоматические кликеры, конечно, могут это исправить и сделать очень просто, но… вы не должны их использовать; они против ТОС.«Следующие» ручные указатели (например, сейфы Eureka, POTD или Diadem) очень просты, потому что нажатие большим пальцем является более естественным и эргономичным движением, чем движение указательным пальцем.
Плюс, если контроллер беспроводной, может продолжать открываться, даже если вы уходите.Конкретные проблемы: Исцеление
На самом деле я как бы рассмотрел это в разделе таргетинга, так что… я просто скопирую, вставлю и перепишу его на случай, если вы пропустили этот раздел:
Группа из 4 человек определенно не является сложной целью.
На вечеринках из 8 человек люди думают, что это может быть сложно, но 4 нажатия крестовины — это довольно быстро. Даже если вы запаниковали и забыли, что можете сократить и в конечном итоге сделать 5-7 нажатий (но, пожалуйста, научитесь делать короткую версию не более 4 нажатий), это все равно довольно быстро.
Кроме того, в большинстве материалов для 8 игроков ваши одиночные исцеления в основном предназначены для 2 танков (которые у большинства лекарей были бы на их 2-м и 3-м месте, если вы не меняли настройки по умолчанию или танк вошел поздно), и большинство ДПС лечится через AOE исцеляет, если они не ошибаются или не выбраны для механики. Необходимость время от времени использовать d-pad для нацеливания на дпс вряд ли является помехой — и если ваш дпс настолько запутался, что ему нужно часто лечить одну цель вместо исцеления по области, вам, вероятно, есть о чем беспокоиться, чем ваш таргетинг.Им нужно начать заниматься механикой.
В рейдах Альянса целители (и реззеры) находятся в невыгодном положении, если им действительно нужно помогать людям в других группах. В целом, вы рассчитываете максимум на 12 нажатий, ЕСЛИ вы эффективно работаете на велосипеде. Если нет, у вас есть 23 потенциальных пресса. Это много.
Конечно, на самом деле, если это время от времени, это не имеет большого значения. Никто не заботится настолько о рейдах альянса, что потеря GCD здесь и там из-за того, что вы нацелились на кого-то из другой группы, станет огромной потерей.Вы точно потеряете как минимум 1 GCD, но вы просто смиритесь с этим. Однако, если вам приходится делать это несколько раз, это мешает, но в то же время… если вам постоянно нужно лечить/восстанавливать людей в других группах для вашего альянса, эти партии, вероятно, разрушают весь альянс. если их целители не в состоянии поддерживать свою собственную группу, так что вам, вероятно, придется ужасно бежать, несмотря ни на что.
Конкретные проблемы: PVP
Крупномасштабное PVP — это единственное место, где игроки-контроллеры определенно находятся в невыгодном положении.Не так много на Пире, потому что там меньше врагов/союзников.
Но в более крупном масштабе (а я включаю даже 8х8х8, это потенциальные 16 врагов!), это хлопотно.
Представьте, что вы находитесь в режиме 24x24x24. Состав группы не гарантирует наличие целителей для каждой группы, и даже если они иногда бывают повсюду, их целители могут не быть поблизости. Таким образом, в то время как в рейде альянса исцеление кросс-группы — это то, что делается только тогда, когда что-то идет не так, в PvP кросс-группа — это вполне нормально, в зависимости от того, как в конечном итоге состав группы / локации.Внезапно все эти жимы стали иметь гораздо большее значение.
Тогда для атаки это 48 потенциальных врагов. Учитывая, насколько PVP в FF14 основано на целях, довольно часто бывает, что МНОГО игроков находятся в одном месте из-за попытки использовать одну и ту же цель. Пытаться найти среди 15-40 человек конкретного человека, например целителя, сложно.
Есть способы обойти это. Если другие люди подпишут их, и вы настроите таргетинг на каждый из этих Знаков (что можно сделать с помощью макросов, у которых нет задержки в очереди действий, если они только нацеливаются, а не выполняют действие), то да, вы можете убедиться. вы нацеливаетесь и убиваете этих людей..но если другие люди не используют Знаки, это отстой. Вы также можете использовать вспомогательный таргетинг, чтобы выбрать ту же цель, что и кто-то из вашей группы, что, безусловно, намного проще сделать, но вы снова полагаетесь на других людей.
Для справки: эти макросы находятся в разделе «Рекомендуемые макросы» руководства.
Это не значит, что вы не можете хорошо играть в PvP с контроллером. Конечно вы можете! Но вам нужно быть очень хорошим, чтобы компенсировать это. Или, если вы просто хотите поразить что-то, тогда конечно… Вы можете просто нацелиться на первого врага, на которого он приземлится, и попытаться убить его, даже если это может быть не самый логичный враг для атаки, но это не победная позиция!
Хорошо, с разделом мнений покончено, теперь перейдем к техническим разделам.
Часть 15: Как настроить контроллер PS4 на ПК
Вы должны иметь возможность подключить контроллер к компьютеру и выполнить калибровку с помощью настроек контроллера, поскольку в FF14 в конечном итоге была добавлена родная поддержка PS4. Вам также потребуется выполнить калибровку в игре.
У меня нет контроллера PS4, поэтому на снимке экрана используется другой контроллер. Очевидно, ваш будет называться как-то по-другому.
При этом, несмотря на то, что сенсорная панель будет поддерживаться изначально, сенсорная панель может не работать.
Проблемы с паром
Если вы используете Steam, откройте Steam Big Picture> Настройки> Настройки контроллера> Снимите флажок «Поддержка конфигурации PS4», если по какой-то причине FF14 ведет себя так, как будто это контроллер Xbox 360.
Попробуйте DS4Windows
Если у вас по-прежнему возникают проблемы, вам следует использовать программу DS4Windows. Вместо того, чтобы писать инструкции, я дам ссылку на другое руководство (или вы можете его погуглить), насколько я понимаю, оно должно быть довольно простым:
.https://www.techradar.com/how-to/gaming/how-to-use-the-ps4-dualshock-4-controller-on-a-pc-1309014
Вы также можете попробовать использовать x360ce в части 16. DS4 поддерживает сенсорную панель . X360ce нет.
Часть 16: Как настроить контроллер Xbox на ПК
О, это очень просто.
- Купите беспроводной адаптер для используемого вами контроллера
- Позвольте Windows обрабатывать драйверы
- Нажмите кнопку синхронизации на адаптере
- Нажмите кнопку синхронизации на контроллере
- Подождите, пока он синхронизируется. Игрок 1
- Запустить игру
- Проверить, включен ли геймпад в системных настройках
- Готово
Часть 17. Как настроить другие контроллеры на ПК через X360ce
Что такое x360ce?
Это программа, которая позволяет вашему компьютеру обращаться с контроллером как с родным контроллером xbox 360.Таким образом, приложения, поддерживающие контроллеры xbox 360, также будут поддерживать мой контроллер Nintendo Switch Pro.
Является ли x360ce против TOS?
№
Поясню. Широко поддерживаются 2 типа ввода геймпада. Один из них D-input , и это родные окна ввода контроллера, когда вы применяете контроллер, ставите драйверы (если нужно) и выполняете калибровку, и контроллер просто работает. В настоящее время все меньше и меньше игр поддерживают D-вход, но FF14, похоже, поддерживает его немного.Я не знаю, будет ли он работать со всеми контроллерами, но не помешает сначала попытаться узнать, распознает ли он его без какого-либо специального программного обеспечения.
Если ваш контроллер работает, просто подключив его, возможно, обновив несколько драйверов и откалибровав его, ОТЛИЧНО. Вам не нужен x360ce. Просто иди играй. Но если у него есть проблемы, как у меня (потому что Nintendo не выпускает официальный драйвер, а то, что есть у Microsoft для моего контроллера, не работает), тогда x360ce — ваш друг. Есть и другие программы, которые делают то же самое, но я упомяну только эту, потому что именно ее я использую.
Когда я попробовал свой контроллер коммутатора в d-input, он распознал и использовал его. К сожалению, драйвер для этого контроллера не очень хорош, и на правом аналоге не было «мертвой зоны», а это означает, что единственный способ остановить движение камеры — это буквально находиться точно в центре. Это сводило меня с ума.
Другие методы называются X-input , и это более новый метод ввода, разработанный Microsoft специально для их контроллеров xbox 360 (и xbox one, и я предполагаю, что будущие контроллеры консоли xbox также).FF14 поддерживает X-input через адаптацию Direct X 11 (у меня были проблемы с DX9, я не уверен, что это мой компьютер или X-input не работает с Direct X 9). X-input и Direct X (9 или 11) НЕ являются программами SE. Это программы Microsoft, которые использует SE, потому что это стандартные библиотеки, которые делают разные вещи, и для разработчиков игр совершенно нормально использовать их, поэтому им не нужно писать свои собственные.
X360ce — это программа, которая редактирует часть ввода X библиотеки Direct X. Таким образом, это не программа, которая влияет на ff14 или что-либо из SE, и при этом она не использует ничего из FF14 (в отличие от ACT, который, хотя и не влияет на FF14, использует свою сеть для чтения журналов).X360ce влияет только на то, как Microsoft Direct X считывает ваш контроллер.
Таким образом, пока он находится в папке программных файлов FF14, это потому, что так работают программы в Windows. Библиотеки загружаются во что-то, называемое GAC (Global Assembly Cache), но эти библиотеки Microsoft можно перезаписать, поместив их в папку программы программы, которая их использует. Технически вы можете заменить его внутри GAC, чтобы адаптация была для каждой программы, которая когда-либо использует поддержку контроллера Direct X, но это гораздо более сложное и техническое руководство, и я не хочу нести ответственность за испорченные ваши библиотеки GAC. , большое спасибо.
Так что это не нарушает правил взаимодействия с самим FF14. Это также не нарушает правила предоставления возможности другим игрокам делать что-либо, поскольку все, что нужно сделать, это сопоставить ваш контроллер так, чтобы им можно было играть. Особых преимуществ у него нет.
Настройка для X360ce
Очевидно, сначала вам нужно скачать его.
https://www.x360ce.com/
Использовать загрузку для 64-разрядной версии. В то время как сам FF14 по умолчанию устанавливается в 32-битные папки, DirectX11 является 64-битным, и, как указано выше, это не программа для изменения FF14, а программа для изменения Direct X, поэтому вам нужна эта версия.
Поместите x360ce_x64.exe в папку «game» FF14.
Открыть в режиме администратора
Когда вы откроете его, он создаст файл x360ce.ini и файл DLL, это файл конфигурации, который он хранит, чтобы знать, как его преобразовать. Если этот файл DLL по какой-либо причине не называется xinput1_3, просто переименуйте его.
Если у вас еще ничего нет, он спросит вас, может ли он найти ваш контроллер в своем онлайн-репозитории. Конечно. Если они уже столкнулись с проблемой его предварительной настройки, продолжайте.
Когда это будет сделано, коснитесь кнопок и переместите аналог и посмотрите, как он выглядит на контроллере «xbox 360», изображенном посередине. Зеленые кресты на аналоге будут двигаться вместе с вашими, а кнопки загорятся, когда вы нажмете на них.
Кнопки триггера и «Y» светятся, потому что я нажал их на своем контроллере:
Но что, если он не может найти что-то в Интернете или выдает не совсем то?
Сначала нажмите «Игровые контроллеры».
Выберите свой контроллер и щелкните свойства.
Перейдите на вкладку настроек и нажмите «Калибровать»:
Следуйте инструкциям.
После этого вернитесь на вкладку «Тест» и попробуйте. Я рекомендую оставить эту вкладку открытой для следующего шага.
В x360ce (программа с изображением контроллера посередине) назначьте свои кнопки. Вы заметите, что они называются «кнопка 1» или как-то так, и это не обязательно то, что вы можете увидеть на своем реальном контроллере. Вот почему вкладка «текст» в свойствах контроллера полезна, поскольку вы можете видеть там кнопки.
Кнопка 1 светится, когда я нажимаю ее на своем контроллере:
Немного сложнее сказать об Axis (аналоговые джойстики), но просто продолжайте пробовать их, пока они не заработают.
Если вам нужно настроить мертвые зоны (насколько аналоговые стики НЕ распознают движение), как это было у меня для моего контроллера Switch, чтобы не требовалось нечеловеческого уровня точности, чтобы остановить движение — идите влево или правый большой палец (в зависимости от того, какой стик нуждается в мертвой зоне) и установите его.
Конфигурация для FF14
Теперь Xinput имеет множество опций, и различное программное обеспечение поддерживает разные опции. Таким образом, x360ce должен знать, какие из них передать XInput, чтобы он работал с параметрами, которые FF14 ожидает от xinput.
Перейдите на вкладку Game Settings в x360ce, нажмите «Добавить…» и выберите ffxiv.exe и ffxiv_dx11.exe (первый — DX9. Может повезет и с ним заработает, но мне удалось получить только хорошо играть в DX11). Так могло бы также сделать для обоих.
Убедитесь, что выбраны COM, DI и PIDVID.
Закрыть x360ce.
(Re)Boot FF14, надеюсь, сработало.
Игра распознает контроллер, но ведет себя странно
Повторите попытку калибровки. Мне пришлось калибровать около 5 раз, прежде чем он заработал должным образом. Некоторые контроллеры сложнее откалибровать, чем другие.
И под этим я имел в виду, что мне приходилось использовать калибровку в игровом контроллере -> Свойства-> Настройки -> Калибровка И Калибровка FF14 каждый раз.
Калибровка контроллера:
Калибровка контроллера в FF14:
Часть 18. Устранение неполадок с ПК — прерывистое поведение
У вас когда-нибудь возникали проблемы, когда иногда аналог продолжал работать?
Или ВООБЩЕ несколько секунд не слушает нажатия кнопок?
Обычно это происходит потому, что ваш компьютер не может справиться со слишком большим объемом работы.
Это произошло потому, что у меня было программное обеспечение для резервного копирования (для резервного копирования моего компьютера в облако), работающее в фоновом режиме, и хотя это определенно не выглядело как всплеск, ему это не нравилось.
Решение 1. Отключите ненужные фоновые программы
У меня также это происходит, потому что мой контроллер является контроллером Bluetooth, и у меня также есть Bluetooth-гарнитура, когда я подключаю или отключаю свою гарнитуру, потому что диспетчер устройств Windows так путается.
Решение 2. Не подключайте и не отключайте устройства в то время, когда вы ожидаете нажатия кнопок, и если у вас есть дополнительные устройства, отключите их, если вы их не используете, на случай, если у них есть скрытые проблемы с подключением, которые заставляют Диспетчер устройств Windows работать в фоновом режиме, даже если вы об этом не подозреваете.
Решение 3: обратитесь за помощью к SE на форумах 😀 Это не их проблема, но у них обычно есть список решений, которые можно попробовать, чтобы не иметь дело с игроками, которые думают, что это ошибка FF14, и регистрируют отчеты об ошибках на протяжении многих лет.
Часть 19: Подключение контроллера для версии Mac?
у меня такого нет, так что...
Если кто-то захочет это написать, буду очень благодарен.
Часть 20: Подключение контроллера для версии PS4?
Нажмите кнопку подключения на заряженном рабочем контроллере PS4
Готово
Будущие обновления — возможно
Астрагалос — когда очереди больше не мертвы: проверьте, какие элементы управления использовались для вызова меха.Вероятно, это крестовина для выбора, Подтвердить вызов, для которого не нужен отдельный раздел, поскольку это действительно очевидно, но, не попробовав и не подтвердив это, я должен не забыть проверить.
Eureka Pyros+ — сопоставление действий с логотипом
Маджонг контролирует
Элементы управления сенсорной панелью — мне нужно спросить кого-нибудь с PS4
Контроллеры, в использовании которых люди признались: Xbox 360, PS4, Xbox One с сенсорной панелью, Nintendo Switch Pro, контроллер Xbox в сочетании с ReWASD
Источники
Если я правильно помню, я изначально изучил свои основы (давным-давно) в этой ветке Reddit:
Я проверил https://na.finalfantasyxiv.com/lodestone/playguide/ps4/manual/
Но ничего нового не узнал.
Контроллер PS4 для ПК:
Набор крючков для ff14 x360ce пришел из:
https://github.com/x360ce/x360ce/blob/master/Wiki/CompatibilityList.md
Направляющая G-позиции:
http://forum.square-enix.com/ffxiv/threads/337597-gpose-guide
Пожертвования Reddit:
BigBadDrag: Комбинация медленного движения на карте и значение буквы «W» в «WXHB»
Bluecenter: Напомнил поставить макрос Sprint
FawksFawks: Напомнил мне создать раздел о том, как настроить горячие клавиши клавиатуры
Miyako09: Указание на то, что для нацеливания на альянсы сенсорная панель может быть проще
NegZero: нашел отсутствующее изображение и напомнил мне создать раздел о том, как настроить горячие клавиши клавиатуры
(Когда 2 человека напоминают мне, так ты понимаешь, что это было действительно необходимо!)
Th4rdRaven: Конфигурация персонажа -> Настройки управления — Настройки режима чата, отключение «Включить прямой чат.» возвращает вам стандартное поведение нажатия клавиши ввода для чата в режиме геймпада (позволяя вам регулярно использовать сочетания клавиш и прочее).
Значки кнопок контроллера:
https://forums.dolphin-emu.org/Thread-xenoblade-chronicles-hd-texture-pack-v8-51-may-8-2018
(ссылка для предварительного просмотра «Кнопки контроллера HD + пакет учебных пособий»)
Все остальное было из памяти и личного опыта, включения режима геймпада, проверки всего, просто попробовав кучу комбинаций кнопок на случай, если есть скрытая (что часто бывает), и просмотр моей существующей настройки x360ce.
Изменить цветовую схему терминала Linux на основе обоев
Если вы являетесь подписчиком информационного бюллетеня It’s FOSS, вы уже знаете, что мы начали новую серию «Терминальный вторник». Здесь вы сможете прочитать об инструментах командной строки или советах/рекомендациях, которые помогут вам в работе с терминалом.
Терминал — это не только серьезная работа, иногда это может быть весело. Вы можете играть в игры в терминале или использовать забавные команды Linux, чтобы развлечь себя, коллег или членов семьи.
Последняя подсказка на этой неделе — забавная.Речь идет об изменении цветовой схемы вашего терминала на основе ваших обоев.
Зачем тебе это? Потому что это выглядит хорошо, и если вы делитесь своим экраном рабочего стола Linux, это добавляет приятный штрих к общему виду.
Pywal: удобная утилита для автоматического изменения схемы терминала Linux на основе фоновых обоев
Pywal — отличный инструмент командной строки на основе Python, который меняет цвета терминала в зависимости от цветов этих обоев.
Вы можете использовать его для установки обоев, и вы увидите, что цвета терминала сразу же изменятся.
Взгляните на это. Выглядит хорошо, не так ли?
Позвольте мне показать вам, как правильно использовать Pywal.
Шаг 1. Установите Pywal в Linux
Pywal основан на Python, поэтому вы можете легко установить его в любом дистрибутиве Linux с поддержкой Python. Для пользователей Arch/Manjaro это еще проще, так как они могут найти пакет
python-pywalв своем репозитории.Сначала вам нужно установить Pip. Вы можете использовать менеджер пакетов вашего дистрибутива для установки pip3 (для Python3).В дистрибутивах на основе Debian/Ubuntu вы можете использовать следующую команду:
sudo apt установить python3-pipТеперь, когда в вашей системе есть pip3, используйте его для установки Pywal для всех пользователей в вашей системе:
sudo pip3 установить pywalШаг 2. Использование Pywal для изменения цветовой схемы терминала
Я полагаю, вы немного знакомы с командами Linux для использования Pywal.
Загрузите обои по вашему выбору.Запишите расположение обоев и имя файла.
Откройте терминал и используйте команду
wal, указав местоположение файла обоев в качестве ввода:wal -i путь_к_файлу_обоевВы увидите, что фон вашей системы изменился, и терминал немедленно изменит его цвет в зависимости от фоновых обоев:
Шаг 3. Сделайте так, чтобы новый терминал использовал цветовую схему обоев
Откройте новый терминал, и вы заметите, что он не использует новую цветовую схему.
Странно? Не так много. По умолчанию цветовая схема изменений применяется только к уже запущенным экранам терминала. Новые открытые терминалы продолжают использовать цветовую схему системы.
Это можно легко изменить. Вы можете изменить файл конфигурации вашей оболочки.
Обычно вы должны использовать оболочку bash, но если вы не уверены, проверьте, какую оболочку вы используете по умолчанию.
Откройте файл ~/.bashrc в вашем любимом текстовом редакторе на базе терминала. В Ubuntu вы всегда можете использовать редактор nano.
В конце этого файла ~/.bashrc добавьте следующую строку, сохраните и закройте файл.
# Импорт цветовой схемы из 'wal' асинхронно # & # Запустить процесс в фоновом режиме. # ( ) # Скрыть сообщения управления заданиями оболочки. (кот ~/.cache/wal/sequences &) # Альтернатива (блокирует терминал на 0-3мс) кошка ~/.cache/wal/sequences # Чтобы добавить поддержку TTY, эту строку можно добавить дополнительно. источник ~/.cache/wal/colors-tty.shТеперь новая цветовая схема будет применяться и к новым терминалам.
Шаг 4. Сохраните новую цветовую схему даже после перезагрузки (если хотите)
Когда вы перезагрузите систему, pywal больше не будет работать, и ваш терминал вернется к старой цветовой схеме.
Если вы хотите сохранить цветовую схему на основе обоев, pywal предоставляет удобную опцию
-R, которая восстанавливает последнюю использованную цветовую схему.Все, что вам нужно сделать, это добавить команду
wal -Rв список запускаемых вами программ.Этот шаг может отличаться для разных дистрибутивов.В Ubuntu вы можете управлять запускаемыми приложениями с помощью программы Startup Applications.
Добавьте команду, дайте ей имя и описание следующим образом:
Теперь Pywal запускается автоматически при каждой перезагрузке и восстанавливает последнюю использованную цветовую схему. Другими словами, ваш терминал будет иметь цвета, основанные на фоне вашего рабочего стола (если он был настроен pywal).
Поднимите настройку на новый уровень, добавив цветовую схему к другим утилитам
Во многих сообществах Linux люди делятся снимками экрана своего рабочего стола.Это группа FOSS в Facebook размещает пост DesktopFriday, где участники делятся своими рабочими столами, и вы увидите, что они используют Pywal и для других приложений.
У Pywal есть несколько плагинов, которые расширяют цветовую схему до Vim, Emacs, Gnuplot или даже CLI-Visualizer (визуализатор аудио).
Кредит: cli-visualizerВы также можете использовать Pywal с оконными менеджерами, такими как i3, sway, панелями задач, такими как polybar. Много возможностей для настройки, если вы заинтересованы.
Вам нравится Pywal?
Я понимаю, что не всем нравится настраивать внешний вид своего рабочего стола, но для тех, кто это делает, Pywal — замечательная утилита.
А ты? Вам понравился Пивал? Знаете ли вы какую-либо другую утилиту такого рода, о которой вы хотели бы рассказать в нашей серии «Вторник терминала»? Я приветствую ваши отзывы и предложения.
Нравится то, что вы читаете? Пожалуйста, поделитесь им с другими.
Полное руководство по Cyber Essentials
Последнее обновление: январь 2022 г.
Кажется, чтоCyber Essentials есть везде, но что это на самом деле означает для вашей организации? Мы создали Полное руководство по Cyber Essentials, чтобы помочь вам понять основы, а также технические аспекты Cyber Essentials без сложного жаргона.
Содержимое
1. Понимание угрозы вашей организации
Несмотря на то, что большинство организаций тратят 5,6% своего общего ИТ-бюджета на безопасность и управление рисками, многие организации до сих пор не понимают, что такое кибербезопасность, и, следовательно, не знают, как защититься от хакеров.
За последние 10 лет мы наблюдаем массовый рост киберпреступности.Согласно данным из Отчета правительства Великобритании о кибер-нарушениях за 2020 год, 46% британских предприятий сообщили о кибер-взломах за последние 12 месяцев — и это только те случаи, о которых сообщалось! К сожалению, эти цифры только растут, поскольку мы все больше и больше полагаемся на технологии в наших организациях.
британских предприятия ежедневно подвергаются примерно 65 000 попыткам кибератак. Посыл ясен: кибербезопасность должна быть приоритетом для каждого владельца бизнеса.
Как вы можете себе представить, существует значительное количество организаций, желающих вернуться и загладить свою вину.Популярная фраза «Никогда не поздно» явно не относится к кибербезопасности.
Кто представляет угрозу для вашей организации?Является ли это случайной ошибкой одного из ваших сотрудников или хакером, пытающимся получить доступ к несанкционированным данным, находящимся на другом конце света, есть пять распространенных источников киберугроз, которые показаны ниже:
Что киберпреступники пытаются сделать с вашей организацией?
У киберпреступников есть много разных способов получить ваши данные, например:
- Заражение ваших систем вредоносными программами (программами-вымогателями) — вредоносное ПО — это программное обеспечение, специально разработанное для нарушения работы, повреждения и получения несанкционированного доступа к вашим компьютерным системам.
- Использование социальной инженерии - использование обмана для манипулирования вашими сотрудниками с целью разглашения конфиденциальной и личной информации, которая будет использоваться в мошеннических целях.
через GIPHY
- Использование уязвимостей - слабые места в ваших системах, которые могут быть использованы злоумышленником. Уязвимости существуют во всех системах и программном обеспечении. Задача заключается в обеспечении того, чтобы ваши системы постоянно обновлялись, а уязвимости выявлялись и быстро устранялись, чтобы снизить риски и уменьшить поверхность атаки.
- Перегрузка с помощью DDoS (отказ в обслуживании) — хакеры используют несколько систем для лавинной атаки и захвата пропускной способности и ресурсов ваших систем. Ваш веб-сайт и системы получают так много запросов, что не могут дать ответ и либо полностью терпят неудачу, либо просто перестают отвечать на любые законные запросы.
Как они это делают?
Злоумышленники используют сервер управления и выдают команду, чтобы попросить все скомпрометированные системы, контролирующие сервер, одновременно отправлять запросы на ваш веб-сайт или систему.
2. Как решить кибер-угрозу?
В течение 2020 года 46% британских организаций пострадали от утечки данных или атак. Мы знаем, что это звучит ужасно, однако хорошая новость заключается в том, что компании начинают уделять приоритетное внимание своей кибербезопасности, и теперь 80% говорят, что это является высоким приоритетом для их высшего руководства.
Так как же эти предприятия реагируют на киберугрозу?
Что ж, в последнее время многие говорят о Cyber Essentials, и это правильно.С постоянно растущим давлением со стороны правительства, клиентов и поставщиков вы, вероятно, тоже уже слышали об этом. Так почему же все говорят о Cyber Essentials? Откровенно говоря, потому что это работает.
Британские организации начинают отдавать приоритет кибербезопасности, внедряя Cyber Essentials, и именно поэтому в британских организациях наблюдается такое снижение количества нарушений.
3. Что такое Cyber Essentials ?
Cyber Essentials — это правительственная схема обеспечения безопасности информации/данных Великобритании, управляемая Национальным центром кибербезопасности (часть GCHQ), которая поощряет организации применять передовые методы обеспечения безопасности данных.Программа Cyber Essentials была разработана правительством, чтобы упростить защиту вашей организации от распространенных киберугроз.
Подумайте об этом так: вы сдаете экзамен по вождению и надеетесь получить водительские права. Оценщик на пассажирском сиденье понимает, что вам нужно сделать, чтобы сдать экзамен, и оценщик будет использовать контрольный список, чтобы определить, сдадите вы экзамен или нет.
Компания, сертифицирующая вашу организацию, является оценщиком (называемым сертифицирующим органом), а Cyber Essentials — контрольным списком.Cyber Essentials — это стандарт для сравнения текущего состояния вашей кибербезопасности. Цель состоит в том, чтобы достичь стандарта Cyber Essentials, и как только это будет сделано, вы получите сертификат Cyber Essentials, и ваша организация значительно снизит свою киберугрозу.
Не слишком сложно, верно?
Причина, по которой правительственный «Департамент бизнеса, инноваций и навыков» создал Cyber Essentials в 2014 году, заключалась в том, чтобы гарантировать, что все поставщики, ведущие бизнес с правительством Великобритании, ответственно обращаются с любыми личными и конфиденциальными данными, которыми они располагают.
Важно помнить, что Cyber Essentials дает вам оценку вашей организации на момент времени, а сертификация является ежегодной, а это означает, что вам потребуются постоянные решения для обеспечения безопасности, такие как SOC и SIEM, в дополнение к вашей сертификации Cyber Essentials, чтобы иметь возможность чтобы иметь полное спокойствие, чтобы ежедневно понимать вашу кибербезопасность.
Существует две сертификации Cyber Essentials: Cyber Essentials и Cyber Essentials Plus. Они оба достигаются разными способами, и каждый из них имеет свои преимущества для вашей организации.
Чтобы понять, какая сертификация нужна вашей организации, важно понимать разницу между этими двумя сертификатами.
Достижение киберосновCyber Essentials «Basic» — это сертификация «сделай сам». Его может выполнить собственный ИТ-отдел вашей организации или сертифицированная внешняя третья сторона, если у вас нет собственных ресурсов или технических знаний. Ваша организация заполняет анкету для самооценки, после чего ответы независимо проверяются внешним сертифицирующим органом.
Cyber Essentials Plus требует внешнего сертифицирующего органа для проведения системных тестов, а не самодельного характера Cyber Essentials.
4. Cyber Essentials против Cyber Essentials Plus
Сертификация Cyber Essentials показывает вашим клиентам и клиентам, что вы заботитесь о своей кибербезопасности, тогда как Cyber Essentials Plus показывает, что вы делаете абсолютно все, что в ваших силах, для защиты их данных, и это подтверждается «аудитором».
Cyber Essentials Plus требует использования внешнего удостоверяющего органа на протяжении всего процесса сертификации, тогда как Cyber Essentials использует внешний удостоверяющий орган для проверки ответов из анкеты самооценки.
5. Зачем нужна предварительная оценка Cyber Essentials Plus?
Мы всегда рекомендуем пройти предварительную оценку перед покупкой Cyber Essentials Plus. Есть много причин, по которым вам нужна предварительная оценка Cyber Essentials, но ее основная цель — указать, какие области вашей кибербезопасности требуют внимания и улучшения.Без предварительной оценки выяснить, в чем заключаются пробелы, может быть дороже, поскольку для ее проведения вам придется полагаться на свой внутренний ИТ-отдел или внешнюю ИТ-компанию.
Последнее, что вы хотите делать, это тратить деньги впустую, и предварительная оценка гарантирует, что вы этого не сделаете. Когда вы проводите предварительную оценку с нами, один из наших старших кибер-экспертов проведет вас через полный отчет, чтобы убедиться, что вы предприняли правильные корректирующие действия для прохождения фактической оценки, чтобы вы могли избежать любых затрат на повторную сертификацию!
В основном мы расскажем вам, как обстоят дела с вашей безопасностью, и покажем, что требуется для решения выявленных проблем.Выявив и устранив эти проблемы, вы будете в гораздо лучшем положении для получения сертификата Cyber Essentials Plus.
Это ежу понятно!
6. Преимущества сертификации Cyber Essentials
- Cyber Essentials — это единственный поддерживаемый правительством Великобритании стандарт кибербезопасности, что означает, что вы будете соответствовать самому признанному стандарту в стране.
через GIPHY
- Время.Деньги. Ресурсы. Взглянув на вашу кибербезопасность с высоты птичьего полета с уровня руководства, вы сможете сгладить любые недостатки в своей практике, а также максимально повысить производительность, поскольку у вашей команды будет больше времени на их стороне.
- Вы всегда мечтали получить ОГРОМНЫЙ государственный контракт, но без Cyber Essentials вам придется перестать мечтать. Наличие сертификата Cyber Essentials является минимальным требованием для любой организации, стремящейся получить государственные контракты (включая Министерство обороны), и все чаще в частном секторе.
- В то время как сертификация Cyber Essentials показывает, что вы заботитесь о данных, сертификация Cyber Essentials Plus показывает, что вы прилагаете все усилия для защиты данных.
Это будет иметь большое значение, когда ваша организация попытается получить киберстрахование, поскольку брокеры будут готовы предложить вам сниженную премию, поскольку они увидят, что ваша организация невероятно защищена от киберугроз. Сертификация через Cyber Tec может дать вам до 10 % специальной киберстраховки.
- Мы уверены, что вы пользуетесь услугами, вы являетесь чьим-то клиентом.Теперь подумайте об уверенности, которую вы бы почувствовали, если бы эта служба вернулась к вам и сказала: «Мы делаем абсолютно все, что в наших силах, чтобы защитить ваши данные, и можем доказать это, потому что у нас есть собственный стандарт правительства». Вы оцените работу, которую они делают, даже больше, чем вы сейчас.
Это то самое чувство, которое вы хотите дать своим клиентам. Вы хотите, чтобы ваши клиенты ценили то, что вы для них делаете. Это начинается с защиты ваших клиентов, и, прежде чем вы это узнаете, вы улучшите свою репутацию в своей отрасли.Отрасль признает вас одной из самых безопасных организаций в отрасли, вы можете только представить, что это может сделать для вашей организации.
- Есть организации, которые просто не заботятся о кибербезопасности, они считают, что это не приоритет и что у них никогда не будет с этим проблем. Это неудачный способ мышления, их организации долго не продержатся в наши дни. В идеале вы хотели бы отделить свой бренд и идентичность от этих организаций.
- С сертификацией Cyber Essentials вы автоматически показываете, что заботитесь о данных, а также отличаетесь от своих конкурентов, которым еще предстоит сделать кибербезопасность приоритетом. Подумайте об этом сейчас, ваш веб-сайт будет обновлен с логотипами Cyber Essentials, и вы поместите свою организацию в элитную группу организаций в вашей отрасли, которые показали, что они заботятся о своих данных. Если вы покажете своим клиентам, что заботитесь о них, они позаботятся и о вас.
- Великобритания по-прежнему обязана соблюдать GDPR (Общее положение о защите данных).Соблюдение требований важно по многим причинам, но одна из них особенно выделяется: в случае нарушения ваша организация может быть обязана выплатить до 4% от вашего оборота.
Причиной этого является то, что Управление Комиссара по информации (ICO) может очень быстро прийти к выводу, что вы не сделали все, что в ваших силах, для защиты данных, которыми вы владеете. Как? Они увидят, что у вас не было Cyber Essentials, когда вас взломали. Просто наличие сертификата могло бы предотвратить штраф, поскольку они могли видеть, что вы пытались защитить свои данные.
- Могут ли ваши поставщики доверять вам? Если что-то пойдет не так, каковы шансы, что они продолжат вести с вами дела?
По статистике, большинство поставщиков разрывают отношения с клиентами, которые пострадали от нарушения. Если вам интересно, почему, то это потому, что они узнают, что вы мало что сделали для защиты их данных, а это означает, что доверие, которое вы построили, было потеряно. Без доверия поставщик больше не захочет иметь с вами дело.
через GIPHY
Получив сертификат Cyber Essentials, вы защитите свою организацию и тем самым окажете своим поставщикам доверие, необходимое им для продолжения работы с вами.Выбор очевиден: вы можете дать своим поставщикам уверенность без Cyber Essentials или вы можете дать им уверенность с Cyber Essentials.
Чтобы лучше понять каждое преимущество, взгляните на 10 способов, которыми Cyber Essentials может помочь вашей организации.
7. Защита цепочки поставок с помощью Cyber Essentials
Точно так же, как те компании, которым вы поставляете, захотят знать, что вы в безопасности как бизнес, вы также захотите, чтобы ваши собственные поставщики были в безопасности.
В современном деловом мире цепочки поставок больше не являются линейными. Мы становимся более цифровыми в том, как мы работаем и взаимодействуем с поставщиками по всему миру. Это привело к множеству преимуществ и удобств, помогая удовлетворить растущий спрос потребительского рынка, но также означало увеличение киберугроз.
Подумайте о своей цепочке поставок. Насколько хорошо вы знаете всех своих поставщиков? Вы действительно верите, что каждая третья сторона, с которой вы работаете, принимает адекватные меры кибербезопасности?
Одна уязвимость где-то в вашей цепочке поставок может позволить хакерам получить доступ к вашим системам и другим системам в той же цепочке поставок, что может привести к катастрофе — достаточно взглянуть на атаку цепочки поставок SolarWinds в 2020 году.
Если бы вы могли убедиться, что все ваши поставщики соответствуют стандарту Cyber Essentials, не так ли?
Наша Программа цепочки поставок делает именно это, но вам не нужно даже пальцем шевелить. Мы помогаем определить правильный уровень сертификации Cyber Essentials для каждого поставщика в зависимости от их риска и заботимся о каждом процессе сертификации.
Чтобы пройти квалификацию, вам просто нужно предоставить не менее 10 поставщиков для сертификации. Мы даже бесплатно проводим сертификацию Cyber Essentials вашей компании каждый год!
Зная, что у ваших поставщиков есть Cyber Essentials, вы снижаете риск цепочки поставок на 80 %, и это очень важно.Затем вы можете сделать это естественной частью вашего процесса заключения контрактов всякий раз, когда вы приобретаете нового поставщика.
8. Знакомство с IASME — The Cyber Essentials Партнер NCSC
1 апреля 2020 года было объявлено, что Консорциум IASME станет единственным органом по аккредитации Cyber Essentials в Соединенном Королевстве. До этого существовало пять органов по аккредитации с разными методологиями, однако Правительство решило, что было бы более выгодно, если бы все органы по сертификации работали по одной и той же методологии.
IASME теперь работает с несколькими органами по сертификации по всей стране, такими как Cyber Tec Security, что дает нам возможность сертифицировать предприятия и организации для Cyber Essentials.
В дополнение к схеме Cyber Essentials NCSC, IASME также предлагает стандарт управления IASME, который разработан специально для МСП (малых и средних организаций) и предлагает уровень гарантии, аналогичный международно признанному стандарту ISO 27001, но проще и часто дешевле для МСП в реализации.Стандарт управления IASME основан на оценке рисков и включает такие аспекты, как физическая безопасность, осведомленность персонала и резервное копирование данных.
9. Начало работы с Cyber Essentials
Причина, по которой Cyber Essentials может защитить вашу организацию от 80 % кибератак, заключается в том, что вы соблюдаете пять важнейших элементов управления.
Вы, наверное, думаете... что такое контроль?
Проще говоря, технические средства контроля — это средства защиты, встроенные в компьютерное оборудование, программное обеспечение или прошивку.
Элементы управления Cyber Essentials:
- Контроль доступа
- Брандмауэры и интернет-шлюзы
- Безопасная конфигурация
- Управление исправлениями
- Защита от вредоносных программ
Контроль доступа
Важно предоставить пользователям доступ только к ресурсам и данным, необходимым для их ролей, и не более того. Все пользователи должны иметь уникальные учетные записи и не должны выполнять повседневные задачи, такие как выставление счетов или работа с электронной почтой, войдя в систему как пользователь с правами администратора, что позволяет вносить существенные изменения в работу ваших компьютерных систем. .
Передовой опыт
- Вы должны обеспечить, чтобы учетные записи пользователей (такие как входы в систему на ноутбуках и учетные записи на серверах) предоставлялись только после того, как они были одобрены лицом, занимающим руководящую роль в вашей организации.
- Вы должны убедиться, что доступ к устройствам невозможен без ввода имени пользователя и пароля. Пользователи не должны иметь возможность делиться учетными записями.
- Запретить любому бывшему сотруднику доступ к любой из ваших систем.
- Убедитесь, что у сотрудников есть только те привилегии, которые им необходимы для выполнения их текущей работы.
- У вас должен быть формальный, записанный процесс, которому вы следуете, когда принимаете решение о предоставлении кому-либо доступа к системам на уровне администратора. Этот процесс должен включать утверждение лицом, которое является владельцем/директором/доверенным лицом/партнером организации.
- Учетные записи администратора следует использовать только в случае крайней необходимости, например при установке программного обеспечения. Использование учетных записей администратора в течение всего дня делает устройство уязвимым для вредоносных программ.
- Вы должны убедиться, что учетные записи администратора не используются для доступа к веб-сайтам или загрузки электронной почты. Использование таких учетных записей таким образом делает устройство уязвимым для вредоносных программ. Для этого вам может не понадобиться техническое решение, оно может быть основано на хорошей политике и процедурах, а также на регулярном обучении персонала.
- Вы должны отслеживать с помощью списка или формальных записей всех людей, которым предоставлены учетные записи администратора.
- Вам следует регулярно просматривать список людей с правами администратора.В зависимости от вашей организации это может быть ежемесячно, ежеквартально или ежегодно. Любые пользователи, которым больше не нужен административный доступ для выполнения своей роли, должны быть удалены.
- Включить двухфакторную аутентификацию для всех учетных записей администраторов.
Брандмауэры и интернет-шлюзы
Брандмауэры— это техническая защита между вашими системами и внешними системами. Это брандмауэр, который будет фильтровать все, что может нанести вред вашей системе.
Интернет-шлюзыпозволяют нам общаться, отправляя данные туда и обратно. Без шлюзов Интернет был бы бесполезен для нас.
Передовой опыт
- Ваши домашние работники должны использовать брандмауэр или офисную VPN.
- Ваш маршрутизатор или устройство аппаратного брандмауэра будут иметь пароли по умолчанию, которые следует изменить на пароли, которые трудно угадать, и длиной не менее восьми символов.
- У вас должна быть гостевая сеть для ваших клиентов и клиентов, когда они хотят использовать ваши серверы.Например, если клиент хочет получить доступ к вашему Wi-Fi, вы должны предложить ему гостевой вариант, иначе вы сделаете свою сеть уязвимой для атаки.
- Если вы разрешаете другим людям, например вашему поставщику управляемых услуг, доступ к вашим настройкам через Интернет, вы должны настроить двухфакторную аутентификацию или добавить их в список доверенных IP-адресов.
- Вы должны включить брандмауэры на всех ваших подключенных устройствах.
Безопасная конфигурация
Компьютеры редко бывают защищены сразу после установки, поскольку они часто включают административную учетную запись с общеизвестным паролем по умолчанию, включенными ненужными учетными записями пользователей (иногда с особыми правами доступа) и предустановленными второстепенными приложениями или службами.Все это может представлять угрозу безопасности.
Передовой опыт
- Вам следует попытаться удалить или отключить приложения, системные утилиты и сетевые службы, которые не нужны в повседневном использовании.
- Удалите или отключите любые учетные записи пользователей, которые не нужны для повседневного использования на всех устройствах.
- Измените пароль по умолчанию для всех учетных записей пользователей и администраторов на всех устройствах и серверах на трудно угадываемый надежный пароль из восьми или более символов.
- Убедитесь, что у каждого пользователя и администратора есть трудно угадываемый надежный пароль из восьми или более символов.
- Не следует включать предсказуемые слова, такие как «пароль», или предсказуемые последовательности, такие как «12345».
- Предотвратите доступ людей за пределами вашей организации к конфиденциальной информации через ваши внешние службы (VPN-сервер, почтовый сервер и т. д.), сделав эту информацию конфиденциальной.
- Меняйте пароли, как только вы считаете, что они были скомпрометированы.
- Ограничьте количество неудачных попыток входа в систему до десяти в течение пяти минут.
- Создайте политику паролей, чтобы управлять своими пользователями. Это включает в себя рекомендации о том, как выбирать пароли, которые нельзя угадать, как не использовать один и тот же пароль для нескольких учетных записей, какие пароли можно записывать и где их можно хранить.
- Отключите автозапуск и автовоспроизведение на всех ваших системах.
Управление исправлениями nt
Чтобы защитить свою организацию, вы должны убедиться, что ваше программное обеспечение всегда обновлено с последними исправлениями.Это требование Cyber Essentials.
Передовой опыт
- Убедитесь, что все операционные системы, приложения и микропрограммы на ваших устройствах поддерживаются поставщиком, который регулярно выпускает исправления для любых проблем безопасности.
- Используйте лицензионное программное обеспечение в соответствии с рекомендациями издателя.
- Обеспечьте установку всех критических или критических обновлений безопасности для операционных систем и микропрограмм в течение 14 дней после их выпуска.
- Удалите с устройств старые приложения, которые больше не поддерживаются производителем.
Защита от вредоносных программ
Вредоносное ПО(известное как программа-вымогатель) обычно используется для кражи или повреждения информации. Вредоносное ПО часто используется в сочетании с другими видами атак, такими как «фишинг» (получение информации путем мошенничества с конфиденциальностью) и сайты социальных сетей (из которых можно извлечь информацию, полезную для хакера), чтобы обеспечить целенаправленную атаку на организацию.
Передовой опыт
- Установите антивирусное программное обеспечение.
- Составьте список утвержденных приложений и используйте и устанавливайте только эти приложения.
- Ежедневно обновляйте антивирусное программное обеспечение.
- Автоматически сканировать файлы при доступе к антивирусному программному обеспечению.
- Ваше антивирусное программное обеспечение должно иметь подключаемый модуль для вашего интернет-браузера или самой операционной системы, который предотвращает доступ к известным вредоносным веб-сайтам.
- Запретить пользователям устанавливать неподписанные приложения.
- Вы должны создать список утвержденных приложений и убедиться, что пользователи устанавливают эти приложения только на свои устройства, включая устройства, принадлежащие сотрудникам.
- При использовании изолированной программной среды приложений убедитесь, что приложения в изолированной программной среде не имеют доступа к хранилищам данных, конфиденциальным периферийным устройствам и вашей локальной сети.
10. Процесс Cyber Essentials
Шаг 1. Свяжитесь с нами
Сообщите нам больше о вашем бизнесе, чтобы мы могли оценить вашу текущую ситуацию и дать рекомендации о том, нужны ли вашему бизнесу Cyber Essentials или Cyber Essentials Plus.
Шаг 2. Получите сертификат Cyber Essentials (Basic)
Мы проведем вас через процесс сертификации вашего бизнеса для Cyber Essentials. Обычно это занимает менее 24 часов. Вы получите свои логотипы, сертификат и отчет сразу после прохождения сертификации.
Этап 3: Предварительная оценка
Поскольку более 95% предприятий не проходят Cyber Essentials Plus с первой попытки, мы гарантируем, что вы пройдете Cyber Essentials Plus с первого раза, выделив все существующие проблемы, чтобы ваш ИТ-провайдер мог исправить их до фактической оценки Cyber Essentials Plus.
Шаг 4. Получите сертификат Cyber Essentials Plus
После того, как все проблемы будут устранены, мы проведем окончательную оценку Cyber Essentials Plus и после ее прохождения предоставим вам ваши логотипы, сертификат и отчет.
Все наши оценки выполняются на 100% дистанционно. Это означает, что мы можем оценить ваших домашних работников, поэтому вам не нужно идти в офис, чтобы встретиться с кем-либо или подключить сканирующее устройство/компьютер. Цена указана за всю сеть и распространяется на ВСЕ ваши физические сайты и ВСЕХ ваших сотрудников, где бы они ни находились.
11. Что происходит после сертификации
После достижения Cyber Essentials/Plus вы сможете отображать соответствующие логотипы Cyber Essentials на своем веб-сайте и снизите свою киберугрозу на 80%. Тем не менее, это все еще оставляет разрыв в 20%, так как вы справляетесь с этим?
Шаг 5: Ежедневное соответствие Cyber Essentials Plus
Постоянное соответствие, чтобы ваш бизнес постоянно соответствовал стандарту Cyber Essentials Plus.
Что такое соответствие?
Сложность с сертификацией Cyber Essentials заключается в том, что это только оценка «на определенный момент времени», которая обновляется каждые 12 месяцев. В этот период может появиться уязвимость, о которой вы можете не знать, пока не станет слишком поздно. Было бы здорово, если бы вы каждый божий день знали, соответствует ли ваш бизнес стандарту Cyber Essentials Plus?
Наше решение для обеспечения соответствия требованиям обеспечивает ежедневный аудит всех ваших систем на наличие уязвимостей и признаков того, что вы больше не соответствуете требованиям Cyber Essentials Plus.
Ваша собственная киберпанель предоставляет вам регулярные обновления статуса, чтобы вы сразу знали, если что-то требует внимания от вашего ИТ-провайдера.
В настоящее время мы являемся единственным поставщиком услуг по обеспечению безопасности, который может предложить эту услугу соответствия для более высокого уровня Cyber Essentials Plus, чтобы ваш бизнес был еще более надежно защищен.
Это постоянное решение по обеспечению соответствия стоит от 5,99 фунтов стерлингов в месяц на пользователя и представляет собой простой устанавливаемый агент, который можно легко отключить или обновить до службы SOC и SIEM более высокого уровня...
Шаг 6. Максимальное снижение рисков с помощью SOC и SIEM
Вы можете снизить риск взлома на 98 %, внедрив упреждающие решения SOC и SIEM, которые отслеживают киберугрозы и реагируют на них.
Что такое SOC и SIEM?
SIEM (Security Information and Event Management) — это инструмент, который указывает на подозрительную активность с помощью правил настройки и аналитики корреляции и позволяет аналитикам безопасности реагировать на предполагаемые угрозы.
SOC (Центр управления безопасностью) объединяет людей, процессы и технологии, участвующие в защитном мониторинге сети, реагировании на инциденты и исследовании/активном поиске известных/неизвестных угроз.
Что это означает для вашей организации?
SOC лучше всего работает с SIEM, поскольку SIEM обеспечивает основу для специализированных аналитиков безопасности SOC для работы с угрозами, представляемыми SIEM. Хотя SIEM — лучший инструмент для сбора и корреляции информации от вашей организации, что происходит, когда вы получаете оповещение? Вам нужен набор квалифицированных аналитиков по безопасности, которые помогут вам понять, что означают эти предупреждения, и именно здесь на помощь приходит SOC.
Имея SOC и SIEM для своей организации, вы сможете упреждающе отслеживать угрозы, исходящие от вашей организации, и иметь возможность предотвращать взломы и атаки до того, как они произойдут. Поскольку Cyber Essentials показывает вам «моментальный снимок» вашей кибербезопасности в определенное время, SOC и SIEM гарантируют, что вы всегда будете соответствовать стандарту. Это очень важно, так как вы можете сэкономить деньги в следующем году при продлении Cyber Essentials, поскольку вам может не понадобиться предварительная оценка.
Компания Cyber Tec Security предлагает два варианта SOC и SIEM.Вы можете получить полноценную защиту конечных точек всего за 13,99 фунтов стерлингов в месяц на пользователя или более конкретное решение SOC и SIEM, основанное на службах Office 365, всего за 4,99 фунтов стерлингов за лицензированный почтовый ящик. Поскольку все больше и больше компаний используют приложения Microsoft, это отличный вариант для защиты ваших самых важных активов от киберугроз.
Дополнительные часто задаваемые вопросы
Срок действия Cyber Essentials истекает?
Cyber Essentials требует ежегодного продления, и сумма, которую вы платите, зависит от вашей сертификации.
Зачем мне продлевать подписку на Cyber Essentials?
По тем же причинам, по которым вы изначально выбрали сертификацию:
- Уменьшить вашу киберугрозу на 80%
- Чтобы воспользоваться программой Cyber Essentials
- Чтобы понять позицию вашей организации в области кибербезопасности
Могу ли я получить Cyber Essentials Plus без Cyber Essentials Basic?
Чтобы получить Cyber Essentials Plus, вы должны сначала получить Cyber Essentials Basic.
Как мне стать на 100% безопасным?
Мы все хотели бы быть на 100% безопасными, но, к сожалению, это практически невозможно. Лучшее, что вы можете сделать, — это гарантировать 80-процентную защиту от кибератак с помощью Cyber Essentials, а затем попытаться инвестировать в решения Compliance и SOC и SIEM, чтобы преодолеть этот разрыв. Затем подумайте о том, чтобы получить специализированную киберстраховку, чтобы вы могли быть защищены в случае кибератаки.
Моя ИТ-команда посоветовала мне купить инструменты, почему я должен возиться с Cyber Essentials?
Инструменты хорошие, но недешевые.Гораздо лучше рассматривать инструменты кибербезопасности как дополнение к сертификатам Cyber Essentials. С Cyber Essentials вы автоматически снизите свою киберугрозу на 80 %, а затем сможете использовать дополнительные инструменты, чтобы преодолеть разрыв с 80 % до 100 %. Сначала разберитесь с сертификацией, а затем инвестируйте в дополнительные инструменты.
Как быстро я могу пройти сертификацию Cyber Essentials и Cyber Essentials Plus?
Вы можете пройти сертификацию Cyber Essentials в течение 24 часов, а затем, чтобы перейти на Cyber Essentials Plus, вам необходимо пройти сертификацию в течение 3 месяцев после достижения Cyber Essentials.
Сводка
Вы обязаны защищать заинтересованные стороны.
Киберугроза реальна, и она угрожает каждой организации. Поскольку почти половина британских организаций пострадала от атак в 2020 году, эти организации должны сделать все возможное, чтобы защитить свои заинтересованные стороны с помощью важных и фундаментальных инвестиций, таких как Cyber Essentials. С Cyber Essentials ваша организация может быть уверена, что это защита от 80% кибератак, успокоить ваших клиентов и избежать огромных штрафов за нарушение ICO.
Хотите больше?
Узнайте, были ли взломаны с помощью нашего бесплатного инструмента 👇🏼
В начало
Как настроить собственную ячеистую сеть Nebula VPN, шаг за шагом
Увеличить / Туманность, к сожалению, не поставляется с собственной галереей потрясающих астрономических фотографий в высоком разрешении. На прошлой неделе мы рассказывали о запуске сетевой VPN-системы с открытым исходным кодом Nebula от Slack Engineering.Сегодня мы собираемся немного углубиться в то, как вы можете настроить свою собственную частную ячеистую сеть Nebula, а также немного подробнее о том, почему вы можете (или не можете) этого захотеть.Сетка VPN по сравнению с традиционными VPN
Самым большим преимуществом Nebula является то, что это не «просто» VPN, это распределенная сетка VPN. Обычная VPN намного проще, чем ячеистая, и использует простую топологию звезды: все клиенты подключаются к серверу, а любая дополнительная маршрутизация выполняется поверх этого вручную.Весь VPN-трафик должен проходить через этот центральный сервер, независимо от того, имеет ли это смысл в общей схеме вещей или нет.
В противоположность этому, ячеистая сеть понимает структуру всех своих узлов-членов и разумно направляет пакеты между ними. Если узел A находится рядом с узлом Z, сетка не будет произвольно направлять весь свой трафик через узел M посередине — она просто направит его от A к Z напрямую, без посредников и ненужных накладных расходов. Мы можем изучить различия с помощью сетевой блок-схемы, демонстрирующей закономерности в небольшой виртуальной частной сети.
Увеличить / С помощью Nebula соединения могут идти прямо из дома/офиса в гостиницу и наоборот, а двум компьютерам в одной локальной сети вообще не нужно покидать локальную сеть.Джим Солтер
Все виртуальные частные сети частично работают за счет использования двунаправленной природы сетевых туннелей. После того, как туннель установлен — даже с помощью преобразования сетевых адресов (NAT) — он становится двунаправленным, независимо от того, какая сторона изначально подключалась. Это верно как для ячеистых, так и для обычных VPN: если две машины в разных сетях прокладывают исходящие туннели к облачному серверу, облачный сервер затем может связать эти два туннеля вместе, обеспечивая связь с двумя переходами.Пока у вас есть один общедоступный IP-адрес, отвечающий на запросы VPN-подключения, вы можете передавать файлы из одной сети в другую, даже если обе конечные точки находятся за NAT без настроенной переадресации портов.
Nebula становится более эффективной, когда две машины, подключенные к Nebula, находятся ближе друг к другу, чем к центральному облачному серверу. Когда узел Nebula хочет соединиться с другим узлом Nebula, он обращается к центральному серверу — тому, что Nebula называет маяком, — чтобы узнать, где можно найти этот узел.Как только местоположение будет получено от маяка, два узла могут решить между собой, какой может быть лучший маршрут друг к другу. Как правило, они могут общаться друг с другом напрямую, а не через маршрутизатор, даже если они находятся за NAT в двух разных сетях, ни в одной из которых не включена переадресация портов.
Напротив, соединения между любыми двумя ПК в традиционной VPN должны проходить через его центральный сервер, что увеличивает пропускную способность к ежемесячному выделению этого сервера и потенциально снижает как пропускную способность, так и задержку от однорангового узла к одноранговому.
Прямое подключение через UDP Skullduggery
Nebula может — в большинстве случаев — установить туннель напрямую между двумя разными сетями с NAT, без необходимости настраивать переадресацию портов с обеих сторон. Это немного ломает голову — обычно вы не ожидаете, что две машины за NAT смогут связаться друг с другом без посредника. Но Nebula — это протокол только для UDP, и он готов обманывать для достижения своих целей.
Если обе машины достигают маяка, маяк знает исходный порт UDP для исходящего соединения каждой стороны.Маяк затем может информировать один узел об исходном UDP-порте другого, и наоборот. Само по себе этого недостаточно, чтобы вернуться через дырку NAT, но если каждая сторона нацелится на дырку NAT другой стороны, а подделает общедоступный IP-адрес маяка как источник, их пакеты пройдут.
UDP — это соединение без сохранения состояния, и очень немногие сети утруждают себя проверкой и принудительной проверкой границ для пакетов UDP, поэтому эта подмена исходного адреса работает чаще, чем нет.Однако некоторые более продвинутые брандмауэры могут проверять заголовки исходящих пакетов и отбрасывать их, если они имеют невозможные исходные адреса.
РекламаЕсли только на одной стороне есть брандмауэр с проверкой границ, который отбрасывает поддельные исходящие пакеты, все в порядке. Но если на обоих концах есть доступная, настроенная и включенная проверка границ, Nebula либо потерпит неудачу, либо будет вынуждена вернуться к маршрутизации через маяк.
Мы специально проверили это и можем подтвердить, что прямой туннель из одной локальной сети в другую через Интернет работал без переадресации портов и без маршрутизации трафика через маяк.Мы тестировали с одним узлом за доморощенным маршрутизатором Ubuntu, другим за Netgear Nighthawk на другом конце города и маяком, работающим на экземпляре Linode. Запуск iftop на маяке не показал заметного трафика, хотя между двумя сетями бодро работал поток iperf3 со скоростью 20 Мбит/с. Так что прямо сейчас в 90 554 большинстве 90 555 случаев прямые двухточечные соединения с использованием поддельных исходных IP-адресов должны работать.
Настройка туманности
Чтобы настроить сетку Nebula, вам понадобятся как минимум два узла, один из которых должен быть маяком.Узлы Lighthouse должны иметь общедоступный IP-адрес, желательно статический. Если вы используете маяк за динамическим IP-адресом, вы, вероятно, столкнетесь с неизбежным разочарованием, если и когда этот динамический адрес обновится.
Лучший вариант маяка — это дешевая виртуальная машина у поставщика облачных услуг по вашему выбору. Предложения за 5 долларов в месяц в Linode или Digital Ocean более чем достаточно для обработки трафика и уровней ЦП, которые вы должны ожидать, и быстро и легко открыть учетную запись и настроить ее.Мы рекомендуем последнюю версию Ubuntu LTS для операционной системы вашего нового маяка; на момент публикации это 18.04.
Установка
Nebula на самом деле не имеет установщика; это всего лишь два голых инструмента командной строки в архиве, независимо от вашей операционной системы. По этой причине мы не собираемся давать здесь конкретные инструкции для операционных систем: команды и аргументы одинаковы для Linux, MacOS или Windows. Просто загрузите соответствующий tar-архив со страницы выпуска Nebula, откройте его (пользователям Windows для этого понадобится 7zip) и сохраните команды там, где вы хотите.
Загрузите правильный tar.gz для вашей ОС и архитектуры здесь. («Обычные компьютеры» будут иметь архитектуру amd64.)
Джим Солтер
Linux, Windows или MacOS — все, что вы получаете, — это две утилиты командной строки.Если вы ожидали необычного установщика, вам не повезло.
Джим Солтер
После полной настройки каждому узлу требуется пять файлов: сертификат ЦС (, а не ключ!), собственный сертификат и ключ узла, файл конфигурации и само приложение CLI туманности.
Джим Солтер
В системах Linux или MacOS мы рекомендуем создать папку
/opt/nebulaдля ваших команд, ключей и конфигураций Nebula — если у вас еще нет папки /opt, ничего страшного, просто создайте ее. В Windows C:\Program Files\Nebula, вероятно, является более разумным местом.Конфигурация центра сертификации и генерация ключа
Первое, что вам нужно сделать, это создать центр сертификации с помощью программы nebula-cert. К счастью, Nebula делает этот процесс ошеломляюще простым:
.root@lighthouse:/opt/nebula# ./nebula-cert ca -name "Моя сеть Mesh Shiny Nebula"
На самом деле вы создали сертификат и ключ для всей сети. Используя этот ключ, вы можете подписывать ключи для каждого узла. В отличие от сертификата CA, сертификаты узлов должны иметь IP-адрес Nebula для каждого узла, встроенный в них при их создании.Так что остановитесь на минутку и подумайте, какую подсеть вы хотели бы использовать для своей сетки Nebula. Это должна быть частная подсеть, чтобы она не конфликтовала с какими-либо интернет-ресурсами, которые вам могут понадобиться, и она должна быть чудной , чтобы не конфликтовать ни с какими локальными сетями, в которых вы оказались.
Хорошие круглые числа, такие как 192.168.0.x, 192.168.1.x, 192.168.254.x и 10.0.0.x, должны быть правильными , так как вероятность того, что вы остановитесь в отеле, очень велика. , дом друга и т. д., который использует одну из этих подсетей.Мы выбрали 192.168.98.x, но вы можете выбрать более случайный вариант. Ваш маяк будет занимать 0,1 в любой подсети, которую вы выберете, и вы будете выделять новые адреса для узлов по мере создания их ключей. Давайте продолжим и настроим ключи для нашего маяка и узлов:
.root@lighthouse:/opt/nebula# ./nebula-cert sign -name "маяк" -ip "192.168.98.1/24" root@lighthouse:/opt/nebula# ./nebula-cert sign -name "banshee" -ip "192.168.98.2/24" root@lighthouse:/opt/nebula# ./nebula-cert sign -name "locutus" -ip "192.168.98.3/24"
Теперь, когда вы сгенерировали все свои ключи, рассмотрите возможность получения их из вашего маяка в целях безопасности. Вам нужен файл ca.key только для фактической подписи новых ключей, а не для запуска самой Nebula. В идеале вы должны полностью переместить ca.key из рабочего каталога в безопасное место — может быть, даже в безопасное место, которое вообще не связано с Nebula, — и восстанавливать его только временно, если вам это нужно. Также обратите внимание, что сам маяк не обязательно должен быть машиной, которая запускает nebula-cert — если вы чувствуете паранойю, даже лучше делать CA из совершенно отдельной коробки и просто копировать ключи и сертификаты по мере необходимости. создать их.
РекламаКаждому узлу Nebula требуется ли копия ca.crt, сертификата ЦС. Ему также нужны собственные .key и .crt, соответствующие имени, которое вы ему дали выше. Однако вам не нужен ключ или сертификат какого-либо другого узла — узлы могут обмениваться ими динамически по мере необходимости — и в целях безопасности вам действительно не следует хранить все файлы .key и .crt в одном месте. . (Если вы потеряете один, вы всегда можете просто создать другой, который использует то же имя и IP-адрес Nebula из вашего центра сертификации позже.)
Настройка Nebula с помощью config.yml
Репозиторий Nebula на Github предлагает образец файла config.yml с практически всеми параметрами и множеством комментариев вокруг них, и мы настоятельно рекомендуем всем, кто заинтересован, просмотреть его и посмотреть, что можно сделать. Однако, если вы просто хотите сдвинуть дело с мертвой точки, может быть проще начать с радикально упрощенной конфигурации, в которой нет ничего, кроме того, что вам нужно.
Строки, начинающиеся с хэштега, закомментированы и не интерпретируются.
# # Это пример файла конфигурации Nebula от Ars Technica. # пки: # каждому узлу нужна копия сертификата ЦС, # и ТОЛЬКО собственный сертификат и ключ. # ca: /opt/туманность/ca.crt сертификат: /opt/nebula/lighthouse.crt ключ: /opt/nebula/lighthouse.key static_host_map: # как найти один или несколько узлов маяка # вам НЕ нужно, чтобы каждый узел был указан здесь! # # format "Nebula IP": ["общедоступный IP-адрес или имя хоста:порт"] # "192.168.98.1": ["nebula.arstechnica.com:4242"] маяк: интервал: 60 # если ты маяк, скажи, что ты маяк # am_lighthouse: правда хосты: # Если вы маяк, этот раздел должен быть ПУСТОЙ # или закомментировано. Если вы НЕ маяк, перечислите # узлы маяка здесь, по одному в строке, далее # формат: # # - "192.168.98.1" Слушать: # 0.0.0.0 означает "все интерфейсы", что, вероятно, вам и нужно # хозяин: 0.0.0.0 порт: 4242 # "Punchy" в основном означает "отправлять частые пакеты подтверждения активности" # так что ваш маршрутизатор не истечет и не закроет ваши туннели NAT. # пробивной: правда # "punch_back" позволяет другому узлу попытаться пробить вам, # если у вас возникли проблемы с его вводом. Полезно для упрямых # сети с симметричным NAT и т.д. # Punch_Back: правда тун: # разумные значения по умолчанию. не шути с этим, если только # вы УВЕРЕНЫ, что знаете, что делаете.# Разработчик: Nebula1 drop_local_broadcast: ложь drop_multicast: ложь tx_queue: 500 МТУ: 1300 маршруты: протоколирование: уровень: информация формат: текст # вам НУЖЕН этот раздел брандмауэра. # # Nebula имеет собственный брандмауэр в дополнение ко всему # ваша система установлена, и по умолчанию все запрещено. # # Так что, если вы не укажете здесь некоторые правила, вы потеряете # весь трафик, и ругаться и удивляться, почему вы не можете пинговать # один узел от другого.# брандмауэр: связь: tcp_timeout: 120 часов udp_timeout: 3 м default_timeout: 10 м max_connections: 100000 # так как по умолчанию все запрещено, все правила вы # на самом деле УКАЗАТЬ здесь разрешающие правила. # исходящий: - порт: любой прототип: любой хозяин: любой входящий: - порт: любой прототип: любой хост: любойПредупреждение: наша CMS искажает некоторые пробелы в этом коде, поэтому не пытайтесь копировать и вставлять его напрямую.Вместо этого получите рабочие копии с гарантированно правильными пробелами с Github: config.lighthouse.yaml и config.node.yaml.
Нет большой разницы между конфигурациями маяка и обычного узла. Если узел не должен быть маяком, просто установите
am_lighthouseнаfalseи раскомментируйте (удалите ведущий хэштег) строку# - "192.168.98.1", которая указывает узел на маяк, который он должен отчитываться перед.Обратите внимание, что в списке
маяк: хостыиспользуется IP-адрес узла маяка туманность , а не его реальный общедоступный IP-адрес! Единственное место, где должны отображаться реальные IP-адреса, — это разделstatic_host_map.Стартовая туманность на каждом узле
Я надеюсь, что вы, пользователи Windows и Mac, не ожидаете какого-либо графического интерфейса — или апплета в доке или системном трее, или предварительно настроенной службы или демона, — потому что вы их не получаете. Возьмите терминал — командную строку, запущенную от имени администратора, для вас, ребята из Windows, — и запустите туманность в соответствии с ее конфигурационным файлом. Сверните окно терминала/командной строки после запуска.
root@lighthouse:/opt/nebula# ./nebula -config ./config.yml
Это все, что у вас есть.Если вы оставили для ведения журнала значение info, как это указано в наших примерах конфигурационных файлов, вы увидите немного информационных материалов, прокручивающихся вверх по мере того, как ваши узлы подключаются к сети и начинают выяснять, как связаться друг с другом.
Если вы являетесь пользователем Linux или Mac, вы также можете рассмотреть возможность использования утилиты screen, чтобы скрыть туманность от вашей обычной консоли или терминала (и предотвратить ее закрытие после завершения сеанса).
Выяснение того, как заставить Nebula запускаться автоматически, — это, к сожалению, упражнение, которое нам придется оставить пользователю — оно отличается от дистрибутива к дистрибутиву Linux (в основном в зависимости от того, используете ли вы systemd или init).Продвинутым пользователям Windows следует подумать о том, чтобы запустить Nebula в качестве специального сервиса, а пользователям Mac следует позвонить старшему редактору по технологиям Ли Хатчинсону на его домашний телефон и попросить помощи напрямую.
Заключение
Nebula — довольно крутой проект. Нам нравится, что у него открытый исходный код, что он использует платформу Noise для криптографии, что он доступен на всех трех основных настольных платформах и что его легко настроить и использовать.
С учетом сказанного, Nebula в ее нынешнем виде действительно не для тех, кто боится испачкать руки в командной строке — не один раз, а всегда .У нас есть ощущение, что в конце концов появятся какие-то настоящие каркасы пользовательского интерфейса и сервисов, но пока они не появятся, какими бы убедительными они ни были, они не готовы для «обычных пользователей».
В настоящее время Nebula, вероятно, лучше всего используется системными администраторами и любителями, которые полны решимости воспользоваться преимуществами динамической маршрутизации и не обращают внимания на чрезвычайно заметные гайки и болты и отсутствие чего-либо, даже отдаленно похожего на дружественный интерфейс. Мы определенно не рекомендуем его нынешнюю форму «обычным пользователям» — будь то вы сами или кто-то, кого вам нужно поддержать.
Если вам действительно не нужна эта динамическая маршрутизация «точка-точка», более обычная VPN, такая как WireGuard, почти наверняка будет лучшим выбором на данный момент.Хороший
- Бесплатное программное обеспечение с открытым исходным кодом, выпущенное по лицензии MIT
- Кроссплатформенность — выглядит и работает одинаково в Windows, Mac и Linux
- Достаточно быстро — наш процессор Ryzen 7 3700X управлял скоростью 1,7 Гбит/с от себя к одной из собственных виртуальных машин в Nebula
- Туннелирование «точка-точка» означает почти нулевую пропускную способность, необходимую на маяках
- Динамическая маршрутизация открывает интересные возможности для портативных систем
- Простое и доступное ведение журнала делает устранение неполадок Nebula немного проще, чем устранение неполадок WireGuard
Плохой
- Пока нет поддержки Android или iOS
- Оболочка службы/демона не включена
- Нет пользовательского интерфейса, программы запуска, апплета и т.

Особенно неприятно в таком случае: И как же сейчас удобен и полезен автозапуск двигателя по нажатию кнопки на брелоке сигнализации.Понятно, что проще всего приобрести новую сигналку, в которой уже есть автозапуск, доехать к спецам […]






е.е. Масса будет только на нейтрали;