Газель двигатель 402 схема: особенности монтажа проводки своими руками, втдео, фото, инструкция
402 двигатель, Газель: система охлаждения, схема
«Газель» — пожалуй, самый массовый в России грузовик малого класса. Эти машины встречаются на улицах каждый день. Мало кто помнит, но первые «Газели» шли с моторами и КПП от обычной «Волги». В таком виде «Газель» производилась в период с 1995 по 2002 гг. включительно. Это был двигатель Заволжского моторного завода, получивший маркировку ЗМЗ-402. Какие он имеет характеристики и особенности? Узнаем в нашей сегодняшней статье.
Описание
Двигатель ЗМЗ-402 – один из самых массовых, которые когда-либо выпускались в Заволжье. Этот мотор имеет алюминиевый блок с «мокрыми» чугунными гильзами. Распределительный вал находится внизу. Данный агрегат выпускался серийно с 1981 по 2006 гг. Изначально 402 двигатель для «Газели» не предусматривался. Это был модернизированный мотор 24Д, который ставится на советскую «Волгу». Среди существенных отличий 402-го мотора стоит отметить измененный выпускной коллектор, иной подъем распредвала (он стал выше на 0,5 миллиметра) и масляный насос.
В остальном ЗМЗ-402 был копией мотора 24Д – двигателя из 50-х. О проблемах ДВС мы расскажем позже. Кстати, схема двигателя «Газели» (402 ЗМЗ) есть на фото в нашей статье.
Технические характеристики
Итак, ЗМЗ-402 – это бензиновый рядный четырехцилиндровый мотор с рабочим объемом в 2440 кубических сантиметров. Агрегат имеет простейшую карбюраторную систему питания с механическим бензонасосом.Система ГРМ – восьмиклапанная, с цепным приводом от коленчатого вала. 402 двигатель «Газели» имеет 92-миллиметровый ход поршня. Диаметр цилиндров – тоже 92 миллиметра, ввиду чего мотор имел малую степень сжатия и компрессию. В норме данный параметр составлял 8,2 килограмм на кубический сантиметр. Критическим считался показатель в 6,7 килограмм. Наряду с низкой степенью сжатия, 402 двигатель «Газели» отличался малой мощностью. Максимальная мощность, которая достигалась при 4,5 тысячах оборотов – 100 лошадиных сил. Крутящий момент – 182 Нм при 2,5 тысячах оборотов. И если для «Волги» этого параметра еще было достаточно, то для «Газели» уже нет.
Машина была чувствительная к малейшим перегрузам. Восьмиградусные подъемы казались для нее настоящим испытанием. Рекомендуемое производителем масло – 5w30-15w40. При замене необходимо лить до шести литров. Регламент замены масла – десять тысяч километров. Но автомобилисты рекомендуют это делать раньше, на восьми тысячах.
Карбюратор на «Газели» с 402 двигателем
Что касается системы питания, здесь использовался отечественный карбюратор «Пекар» модели К151. Это штатный элемент, коим укомплектовывались все 402-е двигатели. «Газель» не стала тому исключением. Как показывает себя К151 в деле? Как отмечают отзывы владельцев, «Пекар» – не самый лучший карбюратор. На «Газели» с 402 двигателем хорошо ведет себя «Солекс». Он не имеет, таких минусов, как «Пекар»:
- Расход топлива. С карбюратором К151 «Газель» тратила порядка 25 литров бензина, причем 92-го. Установка «Солекса» позволяет снизить данный параметр примерно на четверть.
- Работа двигателя. Как не пытались настраивать «Пекар» автомобилисты, мотор все равно работал неустойчиво.
На холостых плавали обороты, при разгоне ощущались провалы. На «Солексе» таких проблем нет. - Ресурс. К151 обладает малым ресурсом. Через 50 тысяч километров он приходил в негодность. Причем К151 не подлежал ремонту – попытки установить ремкомплект были тщетными. Мотор работал еще хуже. Кстати, К151 мог выйти из строя и раньше. Известная болезнь – заклинивание заслонки вторичной камеры. «Солекс» имеет вдвое больший ресурс и легко поддается ремонту.
Клапана
Как мы уже отметили ранее, ЗМЗ-402 – это восьмиклапанный мотор, поэтому в системе ГРМ только один распределительный вал. Среди частых проблем – необходимость в регулировке клапанов. На «Газели» с 402 двигателем она должна производиться каждые 30 тысяч километров. Причем зазоры подстраиваются строго под каждый тип топлива. Производитель заявляет, что тепловой зазор на обеих клапанах (впускном и выпускном) должны быть 0,4 миллиметра.Но как показывает практика, для нормальной работы мотора нужны другие настройки.
Регулировка клапанов на «Газели» с 402 двигателем под 92-й бензин должна производиться следующим образом. Для впускных клапанов зазор составляет 0,30 миллиметра, для выпускных – 0,25. А вот для езды на 76-м бензине нужно увеличить данный параметр до 0,44 миллиметров. Что касается большинства «Газелей» из 90-х, которые эксплуатируются сегодня, они ездят на пропан-бутане. Под это топливо свой тепловой зазор – 0,35 миллиметра. Именно с такими характеристиками машина будет приемистой и тяговитой.
Система охлаждения
Любой двигатель внутреннего сгорания нуждается в охлаждении. Не стал исключением и двигатель 402 «Газели». Система охлаждения двигателя данной модели – жидкостного типа, с принудительной циркуляцией от помпы. Схема СОД представлена в нашей статье.Устройство данной системы на всех «Газелях» одинаковое. Единственное – на модификациях «микроавтобус» установлены два отопителя и дополнительный электронасос. В конструкцию СОД входит:
- Термостат.
- Расширительный бачок.

- Радиатор.
- Вентилятор, приводящийся в действие от коленчатого вала.
- Датчик температуры охлаждающей жидкости.
- Ремень (для привода вентилятора).
- Салонный радиатор.
- Водяной насос.
- Байпасный клапан.
- Электронасос системы отопления.
В качестве охлаждающей жидкости производитель рекомендует использовать Тосол А-40. Также мотор работает и на чистой дистиллированной воде. Однако ее нельзя использовать в зимний период времени.
Ниже мы рассмотрим наиболее важные элементы системы охлаждения 402 двигателя «Газели».
Термостат
СОД состоит из двух кругов – малого и большого. По первому жидкость циркулирует до того момента, как мотор прогреется. Как только температура достигнет заданной отметки (обычно 70-80 градусов), тосол движется по большому кругу. Для чего нужен термостат? Именно он управляет регулировкой и подает жидкость по определенному контуру в зависимости от ее температуры. Что касается неисправностей термостата на 402-м моторе, зачастую случается клин элемента в закрытом виде.
Ввиду этого мотор начинает перегреваться, поскольку жидкость циркулирует только по малому кругу, минуя основной радиатор.
Помпа
Иное ее название – водяной насос. Данный механизм обеспечивает циркуляцию тосола в системе охлаждения. Работает деталь от коленчатого вала. Чем выше его обороты, тем сильнее раскручивается крыльчатка насоса.Среди неисправностей помпы на 402-м моторе стоит отметить вой подшипника. В таком случае насос разбирается и меняется вал в сборе с подшипником. Также в негодность приходит сальник, шкив и крыльчатка.
Вентилятор и радиатор
С завода на «Газель» с 402-м мотором ставится трехрядный медный радиатор. Он достаточно выносливый и служит очень долго. Но со временем (особенно при использовании некачественной охлаждающей жидкости) начинается внутренняя коррозия металла. Из-за этого ухудшается теплоотвод и сильно греется двигатель. Также коррозия приводит к течи тосола. Что касается вентилятора, он шестилопастной и установлен на шкиву коленчатого вала.
Вращается элемент с такой же частотой, что и сам вал. Работает вентилятор постоянно, из-за чего 402-й мотор не может нормально нагреться зимой.
Элементы отопления
Сюда входят:
- Салонный радиатор.
- Вентилятор отопителя с электрическим моторчиком.
- Соединительные патрубки.
- Элементы управления печкой с тросовым приводом.
Часто обрывается трос, что перекрывает клапан на печку. Из-за этого она греет как летом, так и зимой. Сам радиатор и вентилятор служат относительно долго.
Водяная рубашка и патрубки
Первая находится в самом блоке цилиндров, а также в ГБЦ. Принцип работы водяной рубашки простой. Холодный тосол, что идет от радиатора, попадает в каналы блока и забирает часть тепла. Далее жидкость снова попадает на радиатор и охлаждается. Среди неисправностей рубашки стоит отметить засор каналов и внутреннюю коррозию. Опять же, виновником сей проблемы является некачественная охлаждающая жидкость.
Генератор «Газели» (402 двигатель)
Немного расскажем о навесном оборудовании.
Двигатель ЗМЗ-402 комплектуется 65-амперным генератором модели 1631.3701. Это трехфазный синхронный генератор со встроенным выпрямителем на кремниевых диодах. Приводится в действие он посредством ремня от шкива коленвала. Ротор вращается на шариковых подшипниках, что находятся в крышках. Стоит отметить, что смазка на вал ротора заложена на весь его срок службы. Внутри задней крышки имеется выпрямительный блок, что регулирует напряжение. Выпрямитель состоит из шести диодов, что установлены в подковообразные пластины. Данный генератор может выдавать ток от 12 до 14 Вольт. В статоре – две трехфазные обмотки, подключенные друг другу параллельно. Охлаждение – воздушного типа, через окна в крышке.Для возбуждения на роторе генератора находится обмотка. Ее выводы идут на два медных контакта, что соединяются с кольцами вала ротора. Питание подается через угольные щетки. Среди проблем данного генератора владельцы выделяют малую мощность. Для полноценной эксплуатации необходимо минимум 80 Ампер-часов.
Также часто из строя выходят щетки генератора и «шоколадка» (регулятор напряжения).
Ресурс
Ремонт двигателю 402 «Газели» понадобится не раньше, чем через 200 тысяч километров. Для коммерческого автомобиля это не большой срок. Мотор может «капиталиться» до четырех раз. А чтобы ремонт двигателю «Газели» не понадобился долгое время, нужно вовремя менять в нем масло и не перегревать мотор.Также следует выставить правильное зажигание. На «Газеле» с 402 двигателем он выставляется на трамблере. Настройка угла опережения зажигания позволит сохранить клапана от прогара и увеличить приемистость мотора.
В заключение
Итак, мы выяснили, что собой представляет двигатель ЗМЗ-402. Конструкция данного мотора весьма устарела, ввиду чего возникают частые поломки с ним. Поэтому владельцы старых «Газелей» устанавливают вместо него более современные, 405 и 406 моторы. При таком же расходе они выдают намного больше мощности и крутящего момента. А поломки с ними случаются гораздо реже.
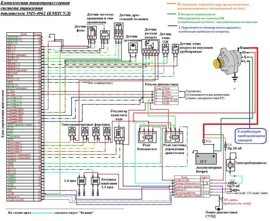
Электросхема двигателя и карбюратора Газели 402, 406 и инжекторной 405
Схема электрооборудования коммерческого автомобиля «Газель» может отличаться в первую очередь в зависимости от того, какой устанавливается двигатель на Газель. Также отличается электропроводка по типу кузова – например, у цельнометаллического фургона ГАЗ 2705 задние фонари по-другому расположены, чем у бортового грузовика ГАЗ 3302. Соответственно, и провода прокладываются в другом месте, имея другую длину.
Проводка в кабине грузовика ГАЗ 3302
Следует учитывать еще и разные поколения автомобилей по годам выпуска – со временем меняются комбинации приборов, оптика, блок предохранителей и т. п. В электрической схеме меняются штекера, разводка проводов. Поэтому в электрической схеме существует немало модификаций.
Вернуться к оглавлению
Содержание
- 1 Общее в электрооборудовании «Газелей»
- 2 Различные схемы в зависимости от двигателя
- 3 Перестановка электропроводки двигателя
- 3.
1 Замена мотора Cummins на ЗМЗ 405
- 3.
- 4 Неисправности в электросхеме «Газель»
Общее в электрооборудовании «Газелей»
Несмотря на множество модификаций, принцип построения электросхемы один и тот же на всех автомобилях. Все потребители электрической энергии питаются от постоянного напряжения 12 Вольт. Масса кузова и силового агрегата является минусовым проводом, схема электрооборудования двухпроводная.
Расположение аккумулятора в Газели
В любой схеме есть следующие элементы:
Вернуться к оглавлению
Различные схемы в зависимости от двигателя
Самыми первыми на «Газель» стали устанавливаться карбюраторные двигатели ЗМЗ 402. Для работы системы зажигания ДВС была необходима подача питания на катушку зажигания, трамблер и коммутатор. Следующим в серию пошел двигатель ЗМЗ 406 также в карбюраторном исполнении.
Но на нем уже катушки, трамблера и коммутатора не было, вместо них устанавливался электронный блок управления зажиганием.
Позднее «Газели» стали комплектоваться инжекторным двигателем ЗМЗ 405, у которого вместо карбюратора была система распределенного впрыска.
Так выглядит двигатель ЗМЗ 405
Электропроводка двигателя на этом моторе уже совсем другая – блок управления стал общим и на систему зажигания, и на распределенный впрыск.
Новые автомобили «Газель некст» имеют свою электрическую схему, и она разная в зависимости от типа устанавливаемого ДВС: Cummins или УМЗ-А274. Новым мотором объемом 2,7 л «Газель некст» стала комплектоваться с конца 2014 года.
Вернуться к оглавлению
Перестановка электропроводки двигателя
Горьковский автозавод предусмотрительно разделил пучки проводок на переднюю, заднюю и подкапотную. Поэтому при смене силового агрегата на другой тип двигателя (например, ЗМЗ 406 карбюратор на ЗМЗ 405 инжектор) всю проводку менять вовсе необязательно, достаточно только сменить подкапотные провода.
Также несложно переставить подкапотный жгут проводов в случае замены ДВС 3М3 402 на ЗМ3 406 карбюратор или ЗМЗ 405 инжектор.
Замена мотора Cummins на ЗМЗ 405
К сожалению, случаи преждевременного выхода их строя хваленого мотора Cummins на Газели Бизнес не редкие, и хозяева автомобилей, посчитав расходы на восстановление дизеля, решаются поставить проверенный и более дешевый мотор ЗМЗ 405. Перестановка двигателя требует внесения изменений в электрическую схему. Что нужно, чтобы подключить питание к двигателю? Все просто, потребуется для ЗМЗ 405:
- Подкапотный жгут проводов;
- Электрический бензонасос;
- Блок управления двигателем.
Проводка меняется элементарно – необходимо только подсоединить все штекеры. Перепутать разъемы очень сложно, все они разные.
Установить ЭБУ и бензонасос на места – тоже не проблема. Необходимо только к бензонасосу подвести питание.

На холостых плавали обороты, при разгоне ощущались провалы. На «Солексе» таких проблем нет.
1 Замена мотора Cummins на ЗМЗ 405