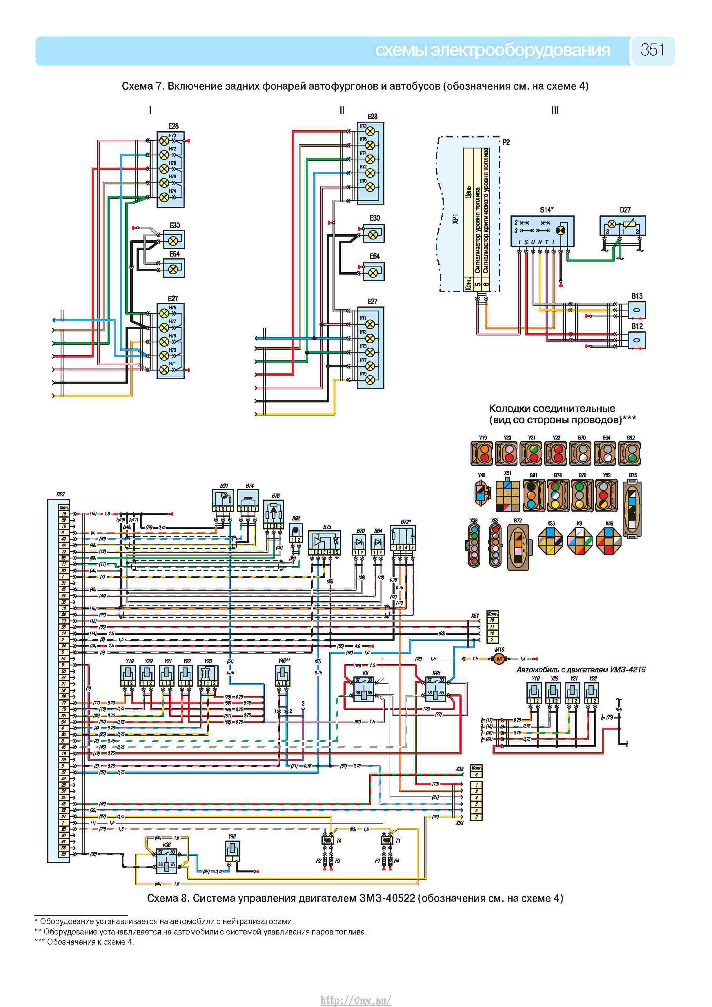
Схема газель двигатель 402: Схема системы управления двигателями ЗМЗ-40522, УМЗ-4216 ГАЗель.
Схемы ВАЗ, ГАЗ, ОКА, ГАЗЕЛЬ — Главная — Статьи
СХЕМЫ ОТДЕЛЬНЫХ ЭЛЕМЕНТОВ:
Электрические схемы автомобилей семейства Шеврале Нива:
Условные обозначения:
B1 — Датчик указателя давления масла
B2 — Датчик сигнализатора аварийного падения давления масла
B7 — Датчик указателя температуры охлаждающей жидкости
B8 — Датчик сигнализатора перегрева охлаждающей жидкости
В12 — Датчик указателя уровня топлива
В20 — Датчик включения электровентилятора
В46 — Датчик спидометра
В64 — Датчик температуры воздуха во впускном трубопроводе (ЗМЗ-4062)
B67 — Датчик аварийного падения уровня тормозной жидкости
B68 — Датчик-распределитель зажигания (ЗМЗ-402)
В70 — Датчик температуры охлаждающей жидкости системы управления двигателем (ЗМЗ-4062)
B74 — Датчик частоты вращения и синхронизации (ЗМЗ-4062)
B75 — Датчик расхода воздуха (ЗМЗ-4062)
B76 — Датчик положения воздушной дроссельной заслонки (ЗМЗ-4062)
В83 — Антиобледенитель
B91 — Датчик фазы (ЗМЗ-4062)
B92 — Датчик детонации (ЗМЗ-4062)
В95 — Датчик давления
D4 — Блок управления ЭПХХ (ЗМЗ-402)
D23 — Блок управления двигателем (ЗМЗ-4062)
Е1 — Фара головного света левая
Е2 — Фара головного света правая
ЕЗ — Фара противотуманная левая
Е4 — Фара противотуманная правая
Е7 — Указатель поворота передний левый
Е8 — Указатель поворота передний правый
Е9 — Повторитель указателя поворота левый
Е10 — Повторитель указателя поворота правый
Е16 — Плафон
Е27 — Фонарь задний левый
Е28 — Фонарь задний правый
Е30, Е72 — Фонари освещения номерного знака
Е31 — Фонарь противотуманный задний
Е35 — Фонарь подкапотный
Е59 — Прикуриватель
E61 — Фонарь багажника
Е66 — Фонарь медицинского знака (ГАЗ-310231)
Е67 — Фара-искатель (ГАЗ-310231)
Е68, Е69 — Плафоны салона
Е70 — Плафон двери задка (ГАЗ-310221)
Е71 — Плафон освещения вещевого ящика
Е80 — Дополнительный сигнал торможения
Е81, Е82 — Фонари задние в крышке багажника
F1-F4 — Свечи зажигания
F30 — Предохранитель 10А кондиционера
F36 — Предохранитель 25А в цепи фароочистителя
F41 — Блок предохранителей левый
F42 — Блок предохранителей правый
F43 — Блок предохранителей в моторном отсеке
G1 — Генератор
G2 — Аккумуляторная батарея
Н1, Н2 — Сигнал звуковой
Н7 — Сигнализатор аварийного падения давления масла
Н8 — Сигнализатор перегрева охлаждающей жидкости
Н16 — Сигнализатор правого поворота
h27 — Сигнализатор левого поворота
Н19 — Сигнализатор минимального резерва топлива в баке
Н20 — Сигнализатор дальнего света фар
Н30 — Сигнализатор включения стояночного тормоза
Н54 — Сигнализатор разряда аккумуляторной батареи
Н56 — Сигнализатор аварийного падения уровня тормозной жидкости
Н62, Н63 — Лампы габаритного света передние
Н64, Н65 — Лампы головного света
Н66-Н69 — Лампы освещения приборов
Н70, Н71 — Лампы заднего противотуманного света
Н72, Н73 — Лампы света заднего хода
Н74, Н75 — Лампы сигнала торможения
Н76, Н77 — Лампы заднего габаритного света
Н78, Н79 — Лампы задних указателей поворота
Н80 — Сигнализатор габаритного света
H81 — Сигнализатор-дублер
Н91 — Сигнализатор системы управления двигателем (ЗМЗ-4062)
Н92 — Сигнализатор прикрытия воздушной заслонки карбюратора (ЗМЗ-402)
Н97 — Сигнализатор обогрева сидений
K1 — Реле стартера
КЗ — Реле стеклоочистителя
К6 — Реле режимов кондиционера
К7 — Реле звукового сигнала
К9 — Реле электробензонасоса (ЗМЗ-4062)
К12 — Прерыватель указателей поворота
К13 — Прерыватель сигнализатора стояночного тормоза
К20 — Реле противотуманных фар
К30 — Реле фароочистителя (ГАЗ-3102)
К36 — Реле электровентилятора
К40 — Реле фар
К42 — Реле обогрева заднего стекла
К46 — Реле системы управления двигателем (ЗМЗ-4062)
К54 — Реле обогрева сидений
К56 — Реле кондиционера
К57 — Реле муфты компрессора
М1 — Стартер
М2 — Электродвигатель вентилятора отопителя
МЗ — Электровентилятор системы охлаждения (ЗМЗ-4062)
М4 — Электродвигатель стеклоочистителя
М5 — Электронасос стеклоомывателя
М6 — Электробензонасос (ЗМЗ-4062)
М15 — Электродвигатель фароочистителя
М19 — Электродвигатель антенны
М20 — Электродвигатель заднего отопителя (ГАЗ-310231)
МЗЗ — Электровентилятор климатической установки
М38, М39 — Электропривод корректора фар
М40 — Электровентилятор конденсатора кондиционера
Р1 — Спидометр
Р2 — Комбинация приборов
РЗ — Тахометр
Р5 — Указатель напряжения
Р6 — Указатель температуры охлаждающей жидкости
Р7 — Указатель давления масла
Р8 — Указатель уровня топлива
R1-R4 — Помехоподавительные резисторы (ЗМЗ-402)
R12 — Резистор добавочный электродвигателя вентилятора отопителя (электросхема)
R13 — Резистор добавочный электродвигателя вентилятора заднего отопителя (ГАЗ-310231)
R14 — Нагревательный элемент заднего стекла
R17, R18 — Элементы обогрева сиденья
R25, R26 — Электрообогревные жиклеры стеклоомывателя
R28 — Резистор кондиционера
S1 — Выключатель зажигания
S5 — Выключатель аварийной сигнализации
S6 — Переключатель вентилятора отопителя
S9 — Переключатель указателей поворота
S12 — Переключатель стеклоочистителя
S18 — Выключатель заднего противотуманного света
S19 — Выключатель противотуманных фар (ГАЗЕЛЬ)
S29 — Выключатель света заднего хода
S30 — Выключатель сигнала торможения
S36 — Выключатель звукового сигнала
S39 — Центральный переключатель света
S52 — Выключатель сигнализатора стояночного тормоза
S54 — Выключатель проверки сигнализаторов комбинации приборов
S61 — Переключатель обогрева заднего стекла
S63 — Переключатель антенны
S70, S71 — Выключатели плафона дверные
S72 — Выключатель системы ЭПХХ (ЗМЗ-402)
S73 — Выключатель вентилятора заднего отопителя (ГА3-310231)
S75 — Выключатель фары-искателя (ГАЗ-310231)
S76 — Выключатель плафонов салона
S77 — Выключатель плафона вещевого ящика
S91, S92 — Выключатели обогрева сиденья
S109 — Выключатель обогрева жиклеров стеклоомывателя
S116 — Переключатель электрокорректора фар
S117 — Переключатель электровентилятора климатической установки
S118 — Выключатель кондиционера
Т1,Т4 — Катушки зажигания
U2 — Магнитола
V1 — Регулятор напряжения (ЗМЗ-402)
V2 — Коммутатор транзисторный (ЗМЗ-402)
ХЗ — Штепсельная розетка
Х51 — Разъем диагностики (ЗМЗ-4062)
Х52 — Соединитель
Y3 — Электромагнитный клапан ЭПХХ (ЗМЗ-402)
Y19-Y22 — Форсунки (ЗМЗ-4062)
Y23 — Регулятор холостого хода (ЗМЗ-4062)
Y27 — Муфта компрессора кондиционера
Условные обозначения цвета проводов:
Б — белый
БК — бело-красный
БЧ — бело-черный
Г — голубой (синий)
Ж — желтый
ЖГ — желто-голубой
ЖК — желто-красный
3 — зеленый
К — красный
Кч — коричневый
КчГ — коричнево-голубой
О — оранжевый
Р — розовый
РК — розово-красный
С — серый
СГ — серо-голубой
СЧ — серо-черный
Ч — черный
Ф — фиолетовый
Похожие материалы
Электросхема Газель 3302 и Бизнес 4216 с двигателем 402, 405 и 406 инжектор и карбюратор
Каждый автомобиль оснащается электрической схемой, на которой отмечается все устройства и оборудование, использующееся в машине, а также цепи соединений.
Работоспособность проводки очень важна для любого транспортного средства, поскольку ее повреждение может значительно усложнить эксплуатацию авто. Какие элементы включает в себя электросхема Газель, какие неисправности для нее характерны? Ответы на эти и другие вопросы ищите ниже.
Общие сведения
Схема электропроводки в автомобиле ГАЗ с двигателем карбюратор или инжектор состоит из множества компонентов.
И неважно, будь то Газель 402, 405, 406, 3302, 2705, Бизнес или Евро, схема электрооборудования будет включать в себя такие подсистемы:
- Система зажигания. Этот узел состоит из разных компонентов, основными являются распределительное устройство, свечи, а также высоковольтные провода, передающие заряд. От работоспособности этой системы зависит функциональность двигателя и его работа в принципе.
- Оптическая система. В нее входят все внешние фары, начиная от габаритов и заканчивая стоп-сигналами и противотуманками.
- Освещение в салоне авто, в том числе на приборной панели.

- Электронная система управления двигателем (в зависимости от модели авто).
- Система стеклоочистки, включающая в себя электродвигатель и щетки стеклоочистителя.
- Топливная система, одним из основных компонентов которой является насос.
- Аккумуляторная батарея и генераторный узел.
- Аудиосистема, если имеется, и т.д.
Как определить неисправность?
При появлении неисправностей в работе оборудования в первую очередь нужно проверить целостность предохранительных устройств. Если в схеме проводки происходит замыкание или скачок напряжения, предохранительные элементы первые выходят из строя, защищая основные устройства и электрооборудование, подключенное к определенной цепи. Так как визуальная проверка далеко не всегда эффективна, поиск неполадки следует осуществлять при помощи тестера — мультиметра.
Процедура диагностики заключается в извлечении предохранителей из посадочных мест и дальнейшей проверке гнезд. Если вы выявили вышедший из строя предохранитель, то это не значит, что проверку можно завершать, поскольку замыкание может произойти одновременной в нескольких цепях (автор видео — Denis Legostaev).
Если в проводке авто с карбюраторным или инжекторным двигателем произошло короткое замыкание, то нужно заняться диагностикой состояния цепей. Разумеется, если все предохранители оказались целыми. Перед диагностикой следует отключить массу, непосредственно для проверки понадобится тестер или контрольная лампочка. При использовании лампы один из ее контактов следует подключить к цоколю, а другой — к центральному контакту.
Сама проверка происходит так:
- сначала ключ в замке зажигания следует выставить в положение I;
- затем к контактам в гнездах предохранителей нужно по очередь подключить щупы тестера или лампы;
- в том случае, если лампа не горит, это свидетельствует о том, что на проверяемом участке цепи нет замыканий, если же она загорается, то замыкание было обнаружено.
Еще один немаловажный момент — это диагностика целостности электроцепей.
В данном случае принцип поиска довольно простой — для диагностики вам потребуется тот же тестер (подойдет вольтметр или омметр) либо лампа с проводами. Вам необходимо будет подсоединить один из контактов пробника к кузову транспортного средства, а вторым контактом произвести замер питания в соединительных местах между собой и оборудованием.
Лучше всего начинать с середины электроцепи и сначала проверять легкодоступные места. Кроме того, для диагностики обрыва следует понимать, что чаще всего повреждение цепи происходит в местах сгиба проводки. Причем как показывает практика, в жгутах провода очень редко повреждаются.
Еще одна поломка в электроцепи — это плохой контакт в местах соединений, поиск такой неисправности лучше всего осуществлять с использованием тестера — вольтметра.
Есть два метода диагностики:
- Один щуп тестера следует подключить к кузову автомобиля, а второй к выводу соединения, измерение напряжения осуществляется в двух сторон. Учтите, что при этом падение напряжения должно составить не больше 0.
5 вольт. - Следующий метод — подключите один проводок с контактом на одном конце штекера, а второй — к контакту на другой стороне данного штекера. В том случае, если тестер покажет более 0.5 вольт, это говорит о том, что контакты на штекере следует прочистить (автор видео — канал МЗС TV).
Возможные неполадки проводки и методы их устранения
Какие неисправности наиболее характерны для электрической схемы Газелей 4216, 2003, 2705 и других моделей:
- Повреждение проводки. Если повреждение несерьезное, то такую проблему можно решить путем дополнительной изоляции цепи с помощью изоленты. При более значимых повреждениях весь участок цепи лучше заменить.
- Выход из строя предохранительного элемента. Неисправности такого плана решаются путем замены поврежденных устройств. Ни в коем случае не используйте самодельные предохранители из куска проволоки или в виде монетки, поскольку это может привести к возгоранию.
Единственное, когда это возможно — когда вышел из строя предохранитель, без которого авто не заводится, к примеру, отвечающий за бензонасос, и вам нужно будет только доехать до ближайшего магазина. - Плохой контакт оборудования с электросетью. В таком случае нужно произвести диагностику, подробная инструкция представлена выше. Если плохой контакт обусловлен окислением, то разъем достаточно будет зачистить, но если имеет место перегорание контактов, то их, вероятнее всего, придется менять. При этом учтите, что нужно определить причину, по которой контакт перегорел.
- Неполадки в работе системы зажигания. К примеру, это может быть повреждение корпуса распределителя, плохой контакт высоковольтных проводов с трамблером и свечами зажигания. Также автовладелец может столкнуться с неисправностью высоковольтников, в частности, речь идет о пробое изоляции. Такая неполадка приведет к нестабильной работе силового агрегата в целом, решить ее можно путем замены проводов.
- Выход из строя или некорректная работа генератора.
Этот узел, как известно, предназначен для питания всего электрооборудования авто. Состоит он из множества компонентов, чаще всего изнашиваются щетки, перегорают обмотки, выходит из строя реле напряжения. Также нужно следить за натяжением ремня генератора — он не должен быть перетянут или не дотянут. Повреждения ремня также не допускаются — при их наличии нужно задуматься о скорой замене.
Фотогалерея «Основные неисправности»
Заключение
В целом электрическая схема Газели довольно сложная. Она состоит из множества компонентов, каждый из которых выполняет определенную функцию. При появлении неполадок в работе электросети нужно как можно быстрее заняться их диагностикой или обратиться за помощью к специалисту, поскольку это может привести к более серьезным проблемам. Всегда следите за заряженностью аккумулятора, особенно зимой, поскольку при отрицательных температурах он более подвержен разряду.
Видео «Расположение блоков и крепление проводки в салоне Газели»
Что нужно знать о месте расположения блоков и способе крепления проводки на Газелях — узнайте из ролика ниже (автор видео — канал OrionCars).
Понравилась статья? Поделиться с друзьями:
Схема генератора на Волгу и Газель с двигателем 402 — Схемы генераторов — — Каталог статей
Список всех статей быстрый поиск по теме
Схемы генераторов
Схема генератора на «Волгу» и «Газель»
На «Волгу» и «Газель» ставился двигатель ЗМЗ 402.
Для этого варианта автомобилей применялся генератор типа 16 КЗАТЭ или 19 АТЭ1 (Элтра)
Эти генераторы были полностью взаимозаменяемы. По конструкции были идентичны и позволяли взаимное использование деталей для ремонта.
Для двигателей «Волги» генераторы комплектовались двухрядным шкивом, для «Газелей» однорядным. Для автомобилей производства первой половины 90х годов использовался вывод переменного напряжения с фазы генератора для работы тахометра. В последующих моделях тахометр получал сигнал от системы зажигания, и вывод фазы генератора стал не нужен, если на генераторе он есть, то его просто не подключают.
Генератор имеет традиционную схему. Обмотка, ротор, диодный мост, щеточный узел. Регулятор напряжения типа 13.3702 (131.3702) стоит отдельно и соединяется с генератором проводами.
Схема генератора на «Волгу» с двигателем 402
Схема генератора на «Газель» с двигателем 402
Монтажная схема здесь
Схема отличается тем, что в ней для контроля за работой генератора применяется вольтметр, а в схеме «Волги» Амперметр
При включении зажигания, ток от аккумулятора идет через контакты замка зажигания, с точки 15\1, на щетку, далее через обмотку ротора на внешний регулятор (который стоит в стороне от генератора). На клемму + регулятора с точки 15\1 приходит отдельный провод, плюс с этого провода, открывает регулятор напряжения и ток ротора проходит на массу. Этот ток намагничивает ротор. Двигатель заводится, ротор генератора начинает вращаться, и его магнитное поле возбуждает ЭДС в обмотке генератора.
Уже на холостых оборотах генератор начинает давать напряжение. Аккумулятор становится потребителем и начинается зарядка, обмотка возбуждения генератора питается по той же цепи, только теперь не от аккумулятора, а от выхода генератора. При подключении внешних потребителей, все питается от генератора.
Принцип действия генератора
Выпрямитель (диодный мост), состоит из шести диодов, которые проводят ток обмотки только в одну строну, так происходит выпрямление.
Магнитное поле создается электрическим током. Для этого внутри ротора вставлена обмотка, которая называется обмотка возбуждения. Ток в обмотку возбуждения подводят через щетки, прижатые к кольцам ротора.
Щетки генератора
Регулятор напряжения
Генератор должен обеспечивать в сети постоянный уровень напряжения. Чем выше обороты, тем больше ЭДС, а значит, напряжение может вырасти до недопустимых значений. Поэтому во всех автомобильных генераторах предусмотрено подержание напряжения на заданном уровне при изменении числа оборотов двигателя.
Кроме того, при включении приборов увеличивается ток нагрузки а чем больше ток, тем ниже становится напряжение. Устройство, которое поддерживает напряжение на одном уровне называется регулятор напряжения. Регулятор напряжения включен в цепь обмотки возбуждения, он включает и выключает ток возбуждения.
Какое должно быть напряжение?
Все электрооборудование рассчитано на напряжение аккумулятора 12 Вольт. Для зарядки аккумулятора напряжение генератора должно поддерживаться примерно на 2 Вольта выше, поэтому рабочее напряжение генератора поддерживается на уровне 14, 2 – 13, 8 Вольта. Если напряжение будет выше, это приведет к выкипанию аккумулятора и сокращению срока его службы, лампочки и другие приборы начнут перегорать. Если напряжение будет ниже, то аккумулятор будет недозаряжен, это приведет к неожиданным отказам стартера и сокращению срока службы аккумулятора. Напряжение на заданном уровне поддерживает регулятор напряжения.
Если генератор неисправен то разряжен или плохо заряжен аккумулятор
От этого возможны такие случаи:
Стартер тяжело крутит, но, все-таки, заводит.
Стартер тяжело крутит, не может завести двигатель и на вторую попытку аккумулятора не хватает.
С утра стартер медленно крутит и с трудом заводит двигатель.
Машина постоит и уже не заведешь
Заводится только с толкача
Все погасло и полная тишина
Лампочки тускло светятся и сигнал слабый
Если напряжение стало выше 15 Вольт, это уже перезаряд
Аккумулятор становится мокрый и чувствуется запах кислоты
Обычно перезаряд происходит, если пробит регулятор напряжения, на «Волге» и «Газели» это внешнее устройство и его легко заменить.
Что же делать, если напряжение стало ниже и есть подозрение, что генератор не работает.
Чтобы понять в чем дело надо завести машину. Например, поставить проверочный аккумулятор, или завести с толкача.
Дело может быть: в стартере, в аккумуляторе, в проводке или в генераторе. Сначала надо поставить проверочный аккумулятор.
Если заведется нормально, то стартер и проводка в норме. Проверим генератор. Стрелка собственного вольтметра должна быть на зеленой шкале. Вольтметром надо проверить напряжение на аккумуляторе. Напряжение должно быть 13, 6 – 14 Вольт, при включении фар и печки не должно стать ниже 13, 4 Вольта. Если так, то генератор исправен. Если напряжение ниже, то зарядка слабая или ее нет. Сначала надо убедиться, что ремень натянут хорошо. Потом померить напряжение на выходе генератора, оно должно быть 13, 6 – 14 Вольт. Если при этом на аккумуляторе оно ниже, то оборван предохранитель 60 А, или контакты блока предохранителей заржавели.
Это частая проблема на старых «Газелях. Ток зарядки идет от плюса генератора на плюс аккумулятора через предохранитель 60А. Это место быстро ржавеет и на контактах предохранителя падает целый Вольт или полтора. Блок силовых предохранителей лучше поставить новый.
Если напряжение на выходе генератора близко к 12 Вольтам, то генератор не работает, зарядки нет и аккумулятор садится.
Поменяем регулятор напряжения, поставим проверочный. Если генератор заработал и на аккумуляторе появилось нормальное напряжение, то все ясно, надо просто поменять регулятор напряжения. Покупаем регулятор 13.3702 или его аналог. Если замена регулятора не помогла, то проблема в самом генераторе или в проводке.
Если с проверочным регулятором генератор не заработал, то сначала, проверим, приходит ли плюс на щетки генератора и на регулятор напряжения. Можно проверить вольтметром, или контрольной лампочкой. Надо вынуть разъем из щеток генератора и из регулятора напряжения. Померить относительно массы напряжение на снятых разъемах. На одной точке каждого разъема должен быть плюс. Если этого плюса нет, то, где-то от замка зажигания до разъемов обрыв.
Прежде чем снимать генератор проверим его еще раз. Надо взять два провода с «мамой», надеть их на клеммы щеток вместо разъема, один (любой) провод на плюс аккумулятора, другой на минус и завести двигатель.
Напряжение на выходе генератора подскочит до 16 и более вольт, генератор работает, выключаем двигатель и думаем дальше. Если напряжение не появилось, то генератор точно не работает и его придется снимать.
Поставим снятый генератор на стол и крутанем за шкив, если слышен рокот, то подшипники надо менять.
Если у генератора большой пробег, то подшипники надо менять в любом случае.
Разберем генератор:
Если генератор залит, весь в масле и грязи. отгоревший, или разболтанный силовой вывод, сгоревшая обмотка, отгоревшие или ржавые концы обмотки, изношенный медные кольца на роторе, то лучше сразу обменять генератор на восстановленный.
Если на вид все нормально, генератор сухой и чистый, то неисправен диодный мост, или обрыв обмотки статора или ротора.
Проверяем диодный мост любым цифровым (или стрелочным) тестером. Всего шесть диодов. Замеряем проводимость каждого в одну, а потом в другую сторону. Если проверяем сопротивление стрелочным прибором, то в одном подключении стрелка отклоняется сильно, а при обратном подключении слабо, или не отклоняется диод исправен.
Если отклоняется при одном и при другом подключении или не отклоняется вообще, диод неисправен и диодный мост надо заменить.
Обмотку статора надо проверить на пробой на массу. Сопротивление между любым выводом и массой (железом) должно быть очень большим (не должно прозваниваться)
Проверяем целостность обмотки. Сопротивление между тремя выводами обмотки должно быть очень маленьким (все должно прозваниваться).
Если есть пробой или обрыв, то обмотку придется заменить (проще заменить генератор)
Проверяем обмотку ротора. Сопротивление между медными кольцами ротора должно быть 2,5- 3 Ома. Ели есть обрыв обмотки, или пробой на массу, ротор надо заменить. При попытке поставить похожий ротор, может оказаться, что он не подойдет. Проще заменить генератор.
Таким образом, ремонт генератора – это замена диодного моста и замена подшипников
в остальных случаях выгоднее обменять на восстановленный.
.
В некоторых случаях подшипники настолько заржавевшие, что их невозможно снять, это тоже повод поменять генератор на восстановленный.
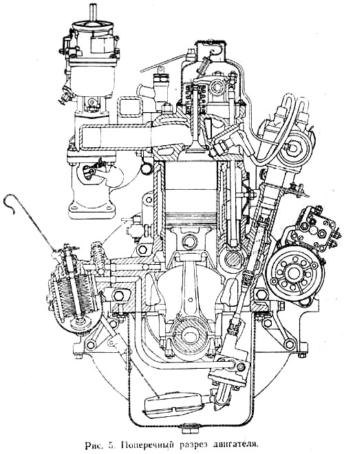
Установка двигателя ЗМЗ — 402 от Волги на ГАЗель :: АвтоМотоГараж
Вот, на моей ГАЗельки стал «заканчиваться» двигатель. Первые мысли были о его неспешной переборке, но потом решил просто заменить двигатель целиком. Новый двигатель не стоит тех денег, которые за него просит завод изготовитель. Начал рассматривать варианты покупки б/у двигателя всборе. Удачным образом подвернулась Волга 31029 с пробегом около 40000 км. Двигатели ЗМЗ-402 устанавливаемые на Волгу и ГАЗель в принципе одинаковые за исключением некоторых моментов. Вот эти некоторые моменты мы и рассмотрим ниже (В статье не будет описано как и что открутить чтобы снять или поставить двигатель).
Автомобильный двигатель ЗМЗ-402.10 / 4026.10
Автомобильный двигатель ЗМЗ-4021.10 / 4025.10
Разбираем ГАЗель.
Извлекаем двигатель:
Двигатель снят:
Разбираем Волгу. Извлекаем двигатель:
Снят и второй двигатель:
Вот видео как снимали двигатели (скорость увеличина в четыре раза):
Ставим двигатель с Волги на Газель.
Начинаем адаптировать агрегат. Момент первый: необходимо добраться до крышки распределителя шестерен и снять её. Забегая вперёд сразу хочу сказать, что тут надо заменить, а потом почему. Выкручиваем две шпильки [1] и [1a]. Выкрутить можно двумя способами. Первый: при помощи двух гаек — посильнее (но без фанатизма) затягиваем гайки друг к другу и потом просто выкручиваем шпильку как болт. Второй: при помощи шпильковёрта — этот способ считаю варварским, т.к. в некоторых случаях можно повредить резьбу.
Использую редко когда первый способ не применить (плохая резьба) или он не работает (шпилька «закисла» и гайки как не тяни прокручиваются).
Выкрученные две шпильки меняем на шпильки М8х1-4hх75 каталожный номер 291762-П. Заменили:
Теперь почему! До производства ГАЗелей двигатель ЗМЗ-402 имел две основные модификации. Первая — ЗМЗ-4021.10 для работы на бензине А-76, вторая — ЗМЗ-402.10 для работы на АИ-93. С началом выпуска а/м ГАЗазель появились ещё две модификации: ЗМЗ-4025.10 — для работы на бензине А-76 и ЗМЗ-4026.10 — для работы на бензине АИ-93. Дополнительные модификации появились из-за расположения двигателя в подкапотном пространстве и отличной от Волговский системы охлаждения. А именно, вентилятор принудительного охлаждения был демонтирован с водяного насоса и перенесён на отдельный кронштейн вниз и немного правее. В итоге крышка распределителя шестерён претерпела некоторые изменения, т.к. на ней поселились кронштейн привода вентилятора и натяжной ролик ремня вентилятора.
Переходим к деталям. Перед нами две крышки. Слева от Волги, справа от ГАЗели. На втором изображении отмечены различия. [1] крепление крышки утолщилось т.к. оно стало ещё и креплением для кронштейна привода вентилятора. [2] флаг МВТ был перенесён в сторону, отсюда следует перенесение меток на шкиве коленвала (замена шкива). [3] крепление шпильки привода вентилятора. [4] крепление шпильки натяжного ролика. Присутствуют и другие, не существенные отличия ни на что не влияющие. Их не рассматриваю.
На этом промежуточном этапе заменили: две шпильки крепления крышки распределителя шестерён, саму крышку распределителя шестерён, шкив коленвала и ремень привода вентилятора.
Далее. Меняем корпуса термостата. Корпус термостата состоит из двух частей основания и крышки. Волговский термостат сверху, ГАЗелевский установлен на двигателе. Отличия. Фланец крышки Волговского термостата имеет бóльший угол крепления патрубка радиатора, чем у ГАЗелевского. В ГАЗелевскую крышку ещё встроен штуцер, для того, чтобы система охлаждения не завоздушивалась (не было воздушной пробки).
Фланец основания термостата у ГАЗели несколько «задушен», т.е. значительно уменьшено отверстие для циркуляции охлаждающей жидкости.
Собираем переднюю часть двигателя дальше.
По передней части двигателя вроде всё.
При помощи спецконструкции извлекаем двигатель. Немного о конструкции. Две А-образные опоры с перекладиной, на которой установлена лебёдка. Чтобы конструкция не завалилась каждая из опор имеет боковой упор. Как это работает! Выкатываем автомобиль на два метра в перёд, монтируем спецконструкцию и вывешиваем двигатель. Как только двигатель вывесили, и он не за что не задевает, откатываем автомобиль на два метра назад. Теперь имеется свободный доступ к любой части двигателя.
По ходу работ моем поддон, меняем прокладку и вообще оцениваем визуально внутренности.
Крышки водяной рубашки головки блока тоже отличаются. В ГАЗелевской крышки установлен датчик температуры. В остальном крышки одинаковые.
Крышку заменили.
Поддон установлен. Необходимые работы выполнены.
Ставим двигатель на место. Позиционируем двигатель, подкатываем автомобиль и опускаем. Монтажечкой помогаем сесть двигателю на подушки …
Двигатель установлен.
Подключаем электропроводку, шланги …, вообщем делаем всё что надо …
Если что нужно по ходу дорабатываем … и дорабатываем …
Ставим радиатор, облицовку, бампер …
Двигатель завёл, прогрел и поехал. Передачи включались с трудом, либо не включались вообще, пока не заглушишь мотор. Причина – недовыжим сцепления. Целый день потратил на поиски причины? Заменил оба цилиндра сцепления, прокачивал … Ставил старые, результат тот же … перебирал и новые цилиндры и старые … … оказалось, что на двигателе с Волги под шаровой опорой вилки выжима сцепления отсутствует шайба.
На снятом двигателе с ГАЗели это выглядело так:
С шайбой под опорой вилки передачи стали включаться лучше.
Но ещё немного по больше выжима и было вообще нормально. Начались эксперименты. Болт, который крепит шаровую опору, было решено заменить на шпильку.
Подложил под опору вилки ещё две шайбы. Оказалось многовато.
Одну убрал. Вот так в моём случае стало нормально.
Итог. Что нужно заменить, чтобы двигатель от Волги заработал на ГАЗели?
Вот перечень деталей:
- две шпильки крепления крышки распределителя шестерён;
- крышку распределителя шестерён;
- шкив коленвала;
- ремень привода вентилятора;
- корпус термостата;
- крышку водяной рубашки головки блока.
Порядок работы цилиндров 402 двигателя
Многие помнят двигатели 402 и работы цилиндров, устанавливаемых на автомобилях «Волга», «Газель». Несмотря на прекращение выпуска, часть автомобильных средств используют в качестве силового агрегата./84.gif)
Содержание статьи
402 Двигатель
Силовой агрегат неприхотливый, в нем нет сложных технических узлов и деталей. Незадача в том, что после каждого пятнадцатитысячного пробега автотранспортного средства, необходимо регулировать клапана работы цилиндров.
- Через 10 тысяч километров требуется регулировка, если автомашина использовалась для перевозки грузов.
- Необходимо вмешательство после 6000 километров пробега при условии, что 402 двигатель работал на другой марке бензина.
В приведенных случаях нарушаются зазоры фасок клапанов и седел цилиндров.
Несоответствие параметров нарушает работу двигателя, вызывая:
- появление стуков в головке цилиндров;
- повышенное потребление топлива;
- понижение мощности;
- увеличение загрязнений выхлопными газами окружающей среды.
Появление характерных признаков является для водителя моментов приняться за устранение дефектов.
Порядок работы цилиндров
Успех достигается, если водитель знает порядок работы цилиндров у 402 двигателя данной силовой установки.
- В моторах 402 порядок такой: сначала работает первый цилиндр, затем второй, потом четвертый и заканчивает цикл третий цилиндр.
Такой порядок работы цилиндров универсального 402 двигателя. Зазор на первом и четвертом цилиндрах на клапанах, отвечающих за впуск горючей смеси в камеру сгорания, по нормативным требованиям составляет 0.40-0.45 миллиметра. Клапаны, утилизирующие выхлопные газы, имеют зазор 0.35-0.40 миллиметров.
У четырехтактных двигателей рабочий процесс завершается прокручиванием коленчатого вала на 720 градусов. У двухтактного в два раза меньше.
Инструмент для работы
Работа по регулировке зазоров клапанов требует подготовки. Размещают в удобном положении инструменты, материалы для измерений.
В инструментальном наборе обязательно наличие:
- заметочные щупов;
- торцевых, рожковых, накидных ключей;
- ключей для вывертывания свечей;
- купленных прокладок для замены отработанных аналогов;
- устройства для проворачивания коленчатого вала;
- набор минусовых, плюсовых отверток.

- неиспользованной раньше ветоши.
Наличие необходимого материала позволяет приступать к регулировочным работам.
Последовательность действий
Сначала дают остыть двигателю. Затем отсоединяют различные шланги, трубопроводы, трос педали газа. Демонтируют фильтр очистки воздуха, крышку, закрывающую клапанный механизм.
Начинают с первого цилиндра. Устанавливают прокруткой коленчатого вала поршень в верхнее мертвое положение. Точность действия сверяют совпадением отметок на ременном приводе коленвала с отметиной на блоке двигателя.
Существует очередность регулировки зазоров клапанов. Сначала приводят в норму первые, вторые, четвертые, шестые клапана. После проворачивают коленчатый вал на 360 градусов по ходу часовой стрелки. Регулировке подлежат третий, пятый, седьмой, восьмой.
Делается это так. Отверткой придерживают контрольный винт, одновременно отвинчивая гайку, при помощи которой он устанавливается в нужное положение. Щупом требуемого размера по толщине, производят замеры.
Он должен входить в зазор с небольшим усилием. Аналогичному «ощупыванию» подлежать остальные зазоры клапанов.
Обратная сборка
Когда «прощупаны» восемь клапанов цилиндров двигателя 402, наступают монтажные работы по обратной сборке силового агрегата.
Устанавливают свечи и выставляют зажигание 402 двигателя на свои места, надежно закрепляют крышку клапанов. При этом не забывают поменять старую прокладку на новый аналог. Затяжку болтов производят, согласую усилия с регламентными указаниями. Они требуют болты завернуть, прилагая усилия, равные 0,5 H. м по минимуму и 0,8 по максимуму.
Затем устанавливают воздушный фильтр, прикрепляют трос от акселератора, шланги.
Контрольная проверка
Когда работа завершена, поверяют ее качество. Двигатель запускают до полного прогрева. Когда температурный режим охладителя двигателя и работы цилиндров выходит на положенные температурные параметры, водитель или слесарь СТО прослушивает работу силового агрегата.
Отсутствие цокота, металлического звона, свидетельствует о качественно произведенной регулировке всасывающих и выпускных клапанов.
Важные особенности
Впоследствии двигатель претерпел некоторые изменения в системе подачи топлива в камеры сгорания. Вместо традиционного карбюратора, использовали инжекторную схему. Конструктивное обновление привело к экономии бензина, улучшило впрыск топлива. Главным положительным моментом, по мнению автомобилистов, реализация инжекторный схемы ликвидировала проблемы, возникавшие с карбюраторным узлом.
Остальное использовано из старого двигателя 402. Ничего не поменялось в эксплуатационных нормах силового агрегата. Остались прежние технические характеристики, нормы по обслуживанию. Например, инструкция по замене масла фильтра осталась в прежней редакции. Предписывалось менять после десятитысячного километрового пробега автомобиля. После 8 тысяч требовалось менять свечи зажигания на новые комплекты.
Заключение
Водители автотранспортных средств, на которых установили двигатели внутреннего сгорания 402, несмотря на некоторые недоработки, положительно характеризуют силовую установку за простоту устройства, несложное обслуживание, длительный эксплуатационный ресурс.
Электросхема газель 406 двигатель инжектор
ГАЗ 24 «Чернушка» › Бортжурнал › Электросхема ГАЗ-31105(801) дв. ЗМЗ 406 салон рестайл. (с мая 2007 г.)
Потратив много времени на поиск данных вещей, решил закинуть всё в одно место.
Может кому также пригодится.
Огромное спасибо всем, кто хоть как-то озвучил эту тему:
www.drive2.ru/b/1786234/
www.drive2.ru/l/8185725/
Если кого-то забыл, извините.
Полный размер
Полный размер
Ссылки для скачивания:
cloud.mail.ru/public/92c0…%D1%8F%202007%D0%B3.).jpg
cloud.mail.ru/public/dnxY…%D1%85%D0%B5%D0%BC%D0%B0/
И расширеная спецификация (обозначения) к электросхеме ГАЗ-31105 рестайл (с мая 2007г.)
А9 – Модуль погружного насоса (ЗМЗ- 40621)
B1 – Датчик указателя давления масла
B2 – Датчик сигнализатора аварийного падения давления масла
B7 – Датчик указателя температуры охлаждающей жидкости
B8 –Датчик сигнализатора перегрева двигателя (Датчик сигнализатора перегрева охлаждающей жидкости)
В12 – Датчик указателя уровня топлива
В20 – Датчик включения электровентилятора
В46 – Датчик спидометра
В64 – Датчик температуры воздуха во впускном трубопроводе (ЗМЗ-4062)
В67 (867) – Датчик уровня тормозной жидкости (Датчик аварийного падения уровня тормозной жидкости)
868 – Датчик-распределитель зажигания (ЗМЗ-402)
В70 – Датчик температуры охлаждающей жидкости системы управления двигателем
(ЗМЗ-4062)
874 – Датчик частоты вращения и синхронизации (ЗМЗ-4062)
875 – Датчик расхода воздуха (ЗМЗ-4062)
876 – Датчик положения воздушной дроссельной заслонки (ЗМЗ-4062)
В83 – Антиобледенитель
В84- Датчик температуры в салоне
В85- Датчик внешней температуры воздуха
891 – Датчик фазы (ЗМЗ-4062)
892 – Датчик детонации (ЗМЗ-4062)
893 – Датчик сигнализатора прикрытия воздушной заслонки карбюратора (ЗМЗ- 402)
В95 – Датчик давления
D4 – Блок управления ЭПХХ (ЗМЗ-402)
D7 – Блок АБС
D21- Блок управления климатической установки(климатконтроля)
D23 – Блок управления двигателем (ЗМЗ-4062)
D29 – Блок управления замками дверей
D30- Блок регулировки скорости вентилятора
D31- Блок управления электростеклоподъёмниками
Е1 – Фара головного света левая
Е2 – Фара головного света правая
ЕЗ – Фара противотуманная левая
Е4 – Фара противотуманная правая
Е7 – Указатель поворота передний левый
Е8 – Указатель поворота передний правый
Е9 – Повторитель указателя поворота левый
ЕЮ – Повторитель указателя поворота правый
Е16 – Плафон центральный
Е17, Е18- Плафон индивидуального освещения
Е27 – Фонарь задний левый
Е28 – Фонарь задний правый
ЕЗО, Е72 – Фонари освещения номерного знака
Е31 – Фонарь противотуманный задний
Е35 – Фонарь подкапотный
Е59 – Прикуриватель
Е61 – Фонарь багажника
Е64 – Фонарь такси
Е66 – Фонарь медицинского знака (ГАЗ- 310231)
Е67 – Фара-искатель (ГАЗ-310231)
Е68, Е69 – Плафоны салона (ГАЗ-310231)
Е70 – Плафон двери задка (ГАЗ-310221)
Е71 – Плафон освещения вещевого ящика
Е80 – Дополнительный сигнал торможения
Е81, Е82 – Фонари задние в крышке багажника
F1- F4 – Свечи зажигания
F30 – Предохранитель 20А кондиционера
F36 – Предохранитель 25А в цепи фароочистителя
F41 – Блок предохранителей верхний
F42 – Блок предохранителей нижний
F43 – Блок предохранителей в моторном отсеке
G1 – Генератор
G2 – Аккумуляторная батарея
1Н.
Н2 – Сигнал звуковой
Н7 – Сигнализатор аварийного падения давления масла
Н8 – Сигнализатор перегрева охлаждающей жидкости
Н16 – Сигнализатор правого поворота
Н17 – Сигнализатор левого поворота
Н19 – Сигнализатор минимального резерва топлива в баке
Н20 – Сигнализатор дальнего света фар
Н30 – Сигнализатор включения стояночного тормоза
Н54 – Сигнализатор разряда аккумуляторной батареи
Н56 – Сигнализатор аварийного падения уровня тормозной жидкости
Н62, Н63 – Лампы габаритного света передние
Н64, Н65 – Лампы головного света
Н66 — Н69 – Лампы освещения приборов (подсветка)
Н70, Н71 – Лампа противотуманная задняя
Н72, Н73 – Лампы света заднего хода
Н74, Н75 – Лампы сигнала торможения
Н76, Н77 – Лампы заднего габаритного света
Н78, Н79 – Лампы задних указателей поворота
Н80 – Сигнализатор габаритного света
Н81 – Сигнализатор-дублёр
Н91 – Сигнализатор системы управления двигателем (ЗМЗ-4062)
Н92 – Сигнализатор прикрытия воздушной заслонки карбюратора (ЗМЗ-402)
Н97 – Сигнализатор обогрева сидений
Н98, Н99 – Лампы ближнего света
Н100, Н101 – Лампа дальнего света
Н102, Н103 – Лампа указателя поворота передняя
Н114-Н119 – Акустические динамики (6шт)
К1 – Реле стартера
КЗ – Реле стеклоочистителя
К6 – Реле режимов кондиционера
К7 – Реле звукового сигнала
К9 – Реле электро-бензонасоса (ЗМЗ-4062)
К12 – Прерыватель указателей поворота
К13 – Прерыватель сигнализатора стояночного тормоза
К18 – Реле дальнего света
К19 – Реле ближнего света
К20 – Реле противотуманных фар
К30 – Реле фароочистителя (ГАЗ-3102)
К36 – Реле электровентилятора
К40 – Реле фар
К42 – Реле обогрева заднего стекла(2 шт.
)
К46 – Реле системы впрыска
К52 – Реле проверки сигнализаторов комбинации приборов
К54 – Реле обогрева сидений
К56 – Реле вентилятора кондиционера
К57 – Реле муфты компрессора
К71 – Реле задних противотуманных фонарей
К72 – Реле системы ЭПХХ (ЗМЗ-402)
M1 – Стартер
М2 – Электродвигатель вентилятора отопителя
М3 – Электровентилятор системы охлаждения (ЗМЗ-4062)
М4 – Электродвигатель стеклоочистителя
М5 – Электронасос стеклоомывателя
М6 – Электробензонасос (ЗМЗ-4062)
М15 – Электродвигатель фароочистителя (ГАЗ-3102)
М19 – Электродвигатель антенны
М20 – Электродвигатель заднего отопителя
(ГАЗ-310231)
М24 – Зеркало заднего вида правое
М25 – Зеркало заднего вида левое
М26, М29 – Электродвигатель стеклоподъёмника
МЗЗ – Электровентилятор климатической установки
М34- Моторедуктор заслонки рециркуляции
М35- Моторедуктор заслонки «Стекло-Грудь»
М36- Моторедуктор заслонки «Тепло-Холодно»
М38, М39 – Электропривод корректора фар
М40 – Электровентилятор конденсатора кондиционера
М42 — Моторедуктор заслонки «Стекло-Ноги»
М43 – Кран отопителя
М50-М53 – Моторедуктор запора дверей
М54 – Мотредуктор привода замка багажника
Р1 – Спидометр
Р2 – Комбинация приборов
РЗ – Тахометр
Р5 – Указатель напряжения
Р6 – Указатель температуры охлаждающей жидкости
Р7 – Указатель давления масла
Р8 – Указатель уровня топлива
P20- Часы
R1-R4 – Помехоподавительные резисторы (ЗМЗ-402)
R12 – Резистор добавочный электродвигателя вентилятора отопителя
R13 – Резистор добавочный электродвигателя вентилятора заднего отопителя (ГАЗ-310231)
R14 – Нагревательный элемент заднего стекла
R17, R18 – Элементы обогрева сиденья
R25, R26 – Электрообогревные жиклеры стеклоомывателя
R28 – Резистор кондиционера
R29- Регулятор освещённости приборов
S1 – Выключатель зажигания
S5 – Выключатель аварийной сигнализации
S6 – Переключатель вентилятора отопителя
S8- Переключатель фар головного света, противотуманных фар и фонарей
S9 – Переключатель указателей поворота
S12 – Переключатель стеклоочистителя
S15 – Выключатель нагревательных элементов зеркал заднего вида
S18 – Выключатель заднего противотуманного света
S19 – Выключатель противотуманных фар
S29 – Выключатель света заднего хода
S30 – Выключатель сигнала торможения
S36 – Выключатель звукового сигнала
S39 – Центральный переключатель света (ЦПС)
S50 – Переключатель управления зеркал
S52 – Выключатель сигнализатора стояночного тормоза
S54 – Выключатель проверки сигнализаторов комбинации приборов
S61 – Переключатель обогрева заднего стекла
S62, S76 – Выключатель центрального плафона дверной
S63 – Переключатель антенны
S70, S71 – Выключатель индивидуального плафона дверной
S72 – Выключатель системы ЭПХХ (ЗМЗ-402)
S73 – Выключатель вентилятора заднего отопителя (ГАЗ-310231)
S75 – Выключатель фары-искателя (ГАЗ-310231)
S77 – Выключатель плафона вещевого ящика
S80- Переключатель стеклоподъёмника левой передней двери
S81- Переключатель стеклоподъёмника правой передней двери
S82 — Переключатель стеклоподъёмника левой задней двери
S83 – Переключатель стеклоподъёмника правой задней двери
S84 — Переключатель стеклоподъёмника правой передней двери водительский
S85 – Переключатель стеклоподъёмника правой задней двери водительский
S86 – Переключатель стеклоподъёмника левой задней двери водительский
S87 – Переключатель стеклоподъёмника левой задней двери водительский
S91, S92 – Выключатели обогрева сиденья
S109 – Выключатель обогрева жиклеров стеклоомывателя
S116 – Регулятор электрокорректора фар
S117 – Переключатель электровентилятора климатической установки
S118 – Выключатель кондиционера
S131 – Выключатель сигнализатора прикрытия воздушной заслонки карбюратора (ЗМЗ-402)
Т1, Т4 – Катушки зажигания
U2 – Магнитола
VI – Регулятор напряжения (ЗМЗ-402)
V2 – Коммутатор транзисторный (ЗМЗ-402)
VD9- светодиод бокового указателя поворота левый
VD10- светодиод бокового указателя поворота правый
XI – Штепсельная розетка (ГАЗ-310231)
Х51 – Разъём диагностики (ЗМЗ-4062)
Х52 – Соединитель
W1- Антенна
Y3 – Электромагнитный клапан ЭПХХ (ЗМЗ-402)
Y19-Y22 – Форсунки (ЗМЗ-4062)
Y23 – Регулятор холостого хода (ЗМЗ-4062)
Y27 – Муфта компрессора кондиционера
Электрические схемы ГАЗ-3110 «Волга»
- Схема пуска двигателя
- Система зажигания
- Наружное освещение
- Комбинация приборов
- Указатели поворотов и аварийная сигнализация
- Противотуманки
- Освещение и оборудование салона
- Обогреватели
- Стеклоочиститель 1
- Стеклоочиститель 2
- Электрокорректоры фар
- Комплексная микропроцессорная система управления двигателем
- Предохранители
(кликабельно)
(кликабельно)
| № предохранителя | Ток в А | Защищаемые цепи автомобиля |
Плавкие предохранителя левого блока | ||
| 1 | 25 | Электровентилятор климатической установки |
| 2 | 15 | Дальний свет правой фары |
| 3 | 15 | Дальний свет левой фары, сигнализатор дальнего света фар |
| 4 | 10 | Ближний свет правой фары, электрокорректор фар |
| 5 | 10 | Ближний свет левой фары |
| 6 | 10 | Реле электровентилятора (ЗМЗ-406), реле обогрева сидений, реле сигнализатора стояночного тормоза, жиклеры стеклоомывателя |
| 7 | 20 | Резервный |
| 8 | 20 | Прикуриватель, реле звуковых сигналов, звуковые сигналы |
| 9 | 15 | Задний противотуманный свет |
| 10 | 10 | Радиооборудование (магнитола, цепи электроантенны) |
| 11 | 5 | Блок системы управления двигателем (ЗМЗ-406) |
| 12 | 15 | Подкапотная лампа, плафон вещевого ящика, плафон салона |
| 13 | 10 | Стеклоочиститель |
Плавкие предохранители правого блока | ||
| 1 | 25 | Передние противотуманные фары, задний противотуманный свет |
| 2 | 15 | Электровентилятор отопителя, реле обогрева заднего стекла, обогрев заднего стекла |
| 3 | 15 | Свет заднего хода, приборы, датчик спидометра |
| 4 | 10 | Сигналы торможения, розетка переносной лампы, дополни- тельный сигнал торможения |
| 5 | 10 | Аварийная сигнализация |
| 6 | 10 | Левые габаритные огни, реле противотуманных фар, сигнализатор габаритных огней |
| 7 | 20 | Обогрев заднего стекла, плафоны |
| 8 | 20 | Электроприводы наружных зеркал и блокировки дверей |
| 9 | 15 | Электробензонасос (ЗМЗ-406) |
| 10 | 10 | Блок системы управления двигателем (ЗМЗ-406) или блок ЭПХХ (ЗМЗ-402) |
| 11 | 5 | Указатели поворота, повторители, прерыватель и сигнализаторы указателей поворота |
| 12 | 15 | Обогрев сидений |
| 13 | 10 | Правые габаритные огни, освещение багажника, номерного знака, приборов, прикуривателя |
Цветовая маркировка плоских ножевидных предохранителей:
| 5А — оранжевый | 10А — красный | 15А — голубой | 20А — желтый | 25А — белый |
Под капотом, на левом брызговике стоит блок из двух предохранителей на 30А и 60А.
30А — защита цепь электровентилятора охлаждения, 60А — все остальные цепи, кроме стартера. Но контакты реле стартера защищены. См. схему.
Схема электрооборудования ГАЗ-З302 и ГАЗ-2705 с двигателями семейства ЗМЗ-406
Схема для более подробного исследования состоит из двух частей.
Отказы электрооборудования объясняются простейшими причинами, такими как коррозия контактов разъемов, выход из строя предохранителя, перегорание плавкой вставки или повреждение реле
Визуально проверьте состояние всех предохранителей, проводки и контактных разъемов цепи перед тем, как приступать к более детальной проверке исправности ее компонентов.
В случае применения для поиска неисправности диагностических приборов тщательно спланируйте (в соответствии с прилагаемыми электрическими схемами), в какие точки контура и в какой последовательности следует подключать прибор для наиболее эффективного выявления неисправности.
В число основных диагностических приборов входят тестер электрических цепей или вольтметр (можно использовать и 12-вольтовую контрольную лампу с комплектом соединительных проводов), индикатор обрыва цепи (пробник), включающий лампу собственный источник питания и комплект соединительных проводов.
Кроме того, всегда следует иметь в автомобиле комплект проводов для пуска двигателя от внешнего источника питания (аккумуляторной батареи другого автомобиля), оборудованных зажимами типа «крокодил».
Как уже было упомянуто, перед тем как приступить к проверке цепи с помощью диагностического оборудования, определите по схемам места его подключения.
карбюратор, электросхема, инжектор, замена цепи ГРМ, сцепление
Двигатель ГАЗель 406 — это механизм, который необходим для преобразования энергии в механическую работу.
Особенности устройства и характеристик
Конструкция этой модели силового агрегата включает в себя такие элементы и механизмы, как:
- система охлаждения;
- топливная система;
- вал распределительного типа;
- крышка клапанов;
- выпускной и впускной вал, через которые проходят газы;
- выхлопное отверстие;
- головка цилиндрических элементов;
- маслосборник;
- поршневая часть и электрооборудование;
- генераторная установка и ремень генератора.

Среди особенностей конструкции можно выделить наличие гидравлических натяжителей у приводных валов, распределительные устройства, оборудованные гидравлическими толкателями, электрический стартер, который помогает завести мотор даже при низких температурах.
Технические характеристики двигателя:
| Средний расход бензина | 15 л на 100 км |
| Количество тактов | 4 |
| Диаметр цилиндрических элементов | 90 мм |
| Степень сжатия | 9,3 |
| Мощность мотора | 110 л. с. |
| Международная экологическая норма | Евро-3 |
| Количество клапанов | 16 |
| Рабочий объем | 2,3 л |
Система охлаждения
Система охлаждения необходима для понижения температуры смазочной жидкости, для охлаждения воздушного потока, который циркулирует в турбонаддуве.
На этом силовом агрегате установлена система жидкостного типа, которая отводит от мотора тепло при помощи потока жидкости, проходящей по всем деталям и механизмам.
Схема системы охлаждения двигателя включает в себя:
- отводящий шланг радиаторной части;
- защитный кожух вентилятора;
- подводящий шланг;
- корпус термостата;
- штуцер выпускного клапана;
- расширительный бак;
- радиатор охлаждения двигателя и пароотводящий шланг.
Топливная система
Конструкция топливной системы включает в себя следующие элементы:
- дроссельный узел;
- клапан гравитационного типа;
- обратный клапан;
- адсорбер;
- диагностический штуцер;
- топливную рампу;
- механизм, регулирующий уровень давления топливной жидкости;
- сливной провод;
- предохранительный клапан;
- заливную трубу;
- насосный элемент;
- фильтрующий механизм.
Из топливного бака бензин переходит в подающую магистраль, которая ведет к фильтрующему механизму.
После этого топливо попадает на корпус регулятора давления, а затем на топливную рампу. Бензин растекается по всем форсункам, где начинается непосредственный впрыск топливной жидкости в проходящий воздушный поток.
Где номер двигателя
Номер расположен на блоке силового агрегата, ниже водяного насосного элемента на специальном выступе.
Частые неисправности, обслуживание и ремонт
Основные неисправности мотора:
- не заводится;
- перегревается;
- глохнет на холостом ходу;
- не развивает полной мощности;
- нет искры в момент зажигания;
- высокий уровень расхода бензина и масла;
- быстрое падение уровня рабочей жидкости в расширительном баке;
- слышен посторонний шум в зоне работы подшипников;
- высокий уровень вибрации во время выполнения работ.
Ремонт двигателя ГАЗель 406 проводится только на отключенном агрегате и в специальной защитной одежде.
Техническое обслуживание предполагает замену масляной жидкости, проверку герметичности соединений, замену фильтрующих элементов, прослушивание механизма при помощи стетоскопа на наличие посторонних шумов, замену износившихся деталей, удаление остатков примесей из фильтров.
Почему не заводится
Причиной того, что двигатель не заводится, может стать:
- неисправность системы зажигания;
- пониженный уровень давления топливной жидкости в рампе;
- засоренность топливных приводов;
- неисправность топливного насосного механизма;
- выход из строя регулятора, отвечающего за уровень давления топлива.
Для того чтобы устранить эту неисправность, рекомендуется промыть и продуть топливный бак и топливные проводы, открутив защитную пробку. Эта процедура проводится при помощи сжатого потока воздуха. Заменить насосный механизм, фильтр и регулятор. Также следует провести внешний осмотр электрического стартера на наличие повреждений и дефектов. Очистку фильтров проводят при помощи бензина.
Что делать, если греется
Перегрев силового агрегата может быть вызван ослабленным натяжением ремня привода вентилятора или водяного насосного механизма, недостаточным количеством рабочей жидкости в охлаждающей системе, поздним срабатыванием системы зажигания, образованием большого количества накипи в системе охлаждения.
В этом случае рекомендуется провести регулировку натяжения ремня, вытянутый или оборванный ремень следует заменить на новый. Необходимо долить жидкость до требуемой отметки, установить более раннее зажигание, промыть охлаждающую систему.
Если рабочая жидкость кипит, следует демонтировать отводящий водяной патрубок, вытащить термостат и проверить его на наличие дефектов, при необходимости заменить.
Если в карбюраторе тосол
Причиной того, что в карбюратор попал тосол, может стать нарушение герметичности игольчатого клапана и поплавка. В этом случае рекомендуется промыть и продуть клапан и его седло, заменить или запаять поплавок, предварительно вылив из системы все масло и топливо.
Тосол попадает в карбюратор при слабом натяжении крепежных элементов корпуса топливного клапана и при наличии повреждений уплотнительной прокладки. Необходимо подтянуть все крепления и заменить вышедшие из строя и износившиеся элементы.
В некоторых случаях может потребоваться разборка мотора и регулировка карбюратора.
Во время снятия силового агрегата с транспортного средства следует воспользоваться специальной тележкой.
Сколько масла заливать
Объем масла в дигателе зависит от сезона. Рекомендуемое количество масляной жидкости на лето — 5 л, на зиму — 6 л.
Как выставить метки
Установка зажигания происходит только на отключенном двигателе.
Для того чтобы установить зажигание, необходимо выполнить следующие действия:
- Демонтировать защитный кожух мотора и брызговики.
- Слить масляную жидкость и тосол.
- Снять верхний патрубок радиаторной части.
- Отсоединить все патрубки.
- Отодвинуть в сторону жгут от проводов.
- Отвернуть крепежные болты и снять крышку клапанов.
- Убрать ремень и шкив насоса охлаждающей жидкости.
- Снять крышку газораспределительного устройства.
- Вытащить генератор.
- Выставить на ГАЗели метку на коленчатом вале. Она должна оказаться на одном уровне с кромкой головки блока цилиндрических элементов.

- Установить метки для распределительного вала.
- Собрать механизм, выполнив все действия в обратном порядке.
Замена цепи ГРМ
Для того чтобы заменить цепь газораспределительного механизма, необходимо снять и выкрутить катушки системы зажигания. После этого можно приступать к снятию воздушных шлангов вместе с клапанами. Затем слить всю масляную жидкость из силового агрегата.
После этого нужно демонтировать головки блока цилиндров, снять шкив коленчатого вала вместе с уплотнительной прокладкой. Затем убрать старую цепь и установить новую. Перед тем как устанавливать новую цепь, рекомендуется смазать ее маслом. Сборка двигателя осуществляется в обратном порядке.
Отзывы владельцев о двигателях
Евгений, 44 года, Ижевск: «406 двигатель способен работать без сбоев даже при сильных морозах. За 6 лет эксплуатации только 1 раз проводил ремонт: потребовалась замена ремня. Агрегат потребляет небольшое количество топлива и выдерживает большие нагрузки».
Василий, 56 лет, Иркутск: «Работаю на ГАЗели с этим двигателем уже второй год. До этого проработал на транспорте с мотором 402 около шести лет. Это мощный агрегат, ремонтируем его только 1 раз в 2 года. Из минусов выделю сбои в работе датчиков».
| 1 | белый | Катушки зажигания 1 и 4 ( КЗ/1-4) Цепь управления зажиганием. Создает возбуждение в катушке зажигания 1 и 4. |
| 2 | черный/белый | Заземление блока управления. ( Общий GNI) Контакт соединен с «массой» автомобиля. Напряжение на контакте относительно «массы» должно быть близким к нулю. |
| 3 | белый/зеленый | Реле бензонасоса (РБН ) Управление реле системы топливоподачи. Включение зажигания является для блока управления сигналом на подключение питания (+12 В) к реле системы топливоподачи. При отсутствии опорных сигналов положения коленчатого вала блок управления выключает реле. При возобновлении опорных сигналов положения к.в. блок вновь включает реле бензонасоса. |
| 4 | синий/голубой | Регулятор дополнительного воздуха* ( РДВ/1 ) |
| 5 | Не используется | |
| 6 | белый/черный | Входной сигнал с датчика массового расхода воздуха «-» (ДМРВ.) |
| 7 | черный/желтый | Входной сигнал с датчика массового расхода воздуха «+» (ДМРВ+) |
| 8 | розовый | Входной сигнал с датчика положения распределительного вала «+» (ДПРВ +) |
| 9 | Не используется | |
| 10 | Не используется | |
| 11 | зеленый/белый | Входной сигнал с датчика детонации «+» (ДД +) Сигнал представляет собой напряжение, подаваемое на блок управления с датчика детонации для обнаружения детонации. Блок корректирует угол опережения зажигания в зависимости от уровня детонации для ее гашения |
| 12 | белый/желтый | Выход питания датчика положения дроссельной заслонки (ДПДЗ (питание) |
| 13 | коричневый | L — линия диагностики (L — Line) |
| 14 | черный | Заземление блока управления (Общий GNP) Контакт соединен с «массой» автомобиля. Напряжение на контакте относительно массы должно быть близким к нулю. |
| 15 | Не используется | |
| 16 | розовый/зеленый | Форсунка 2( Ф/2) |
| 17 | оранжевый | Форсунка 1 ( Ф/1) Управление форсунками. Напряжение на данные контакты поступает через форсунки, соединенные с +12 В. При включенном зажигании и неработающем двигателе напряжение на контактах равно напряжению аккумулятора. На холостом ходу система зарядки несколько повышает это напряжение. При более высоких частотах вращения или большей нагрузке двигателя возросшая частота и длительность импульса впрыска форсунки вызывают некоторое снижение напряжения по сравнению с напряжением на холостом ходу. |
| 18 | синий | Клемма 30 аккумулятора + 12 В ( 30 ) Обеспечивает постоянное питание +12 В электронного блока, в том числе при выключенном зажигании. Напряжение поступает через плавкий предохранитель. |
| 19 | синий/красный | Общий(Общий GNO) Контакт соединен с «массой» автомобиля. Напряжение на контакте должно быть равно нулю. |
| 20 | коричневый/белый | Катушки зажигания 2 и 3 ( КЗ/2-3 ) Цепь управления зажиганием. Создает возбуждение в катушке зажигания 2 и 3. |
| 21 | Не используется | |
| 22 | розовый/голубой | Лампа диагностики (ЛД ) Управление лампой диагностики. Электронный блок обеспечивает «массу» для включения лампы диагностики. При включенном зажигании и неработающем двигателе лампа должна загораться на 0,6 с и гаснуть, а напряжение на контакте относительно «массы» должно быть близким к нулю. Когда лампа включена, это напряжение совпадает с напряжением аккумулятора. |
| 23 | Не используется | |
| 24 | красный/розовый | Заземление блока управления ( Общий GNI) Контакт соединен с «массой» автомобиля. Напряжение на контакте относительно «массы» должно быть близким к нулю.![]() |
| 25 | Не используется | |
| 26 | желтый/черный | Регулятор дополнительного воздуха ( РДВ/2 ) |
| 27 | оранж./белый | Замок зажигания, клемма 15 (15) Сигнал «включение» на блок управления с цепи замка зажигания. Сигнал не является питанием блока, он сигнализирует ему о том, что зажигание включено. Напряжение равно напряжению аккумулятора, когда замок зажигания находится в положении «зажигание» или «стартер». |
| 28 | Не используется | |
| 29 | Не используется | |
| 30 | красный/зеленый | Общий датчиков ( Общий GNA ) Контакт соединен с «массой» автомобиля. Напряжение на контакте относительно «массы» должно быть близким к нулю. |
| 31 | желтый/белый | Канал управления прожитом датчика массового расхода воздуха (прожиг ДМРВ) |
| 32 | Не используется | |
| 33 | Не используется | |
| 34 | оранж./красный | Форсунка 4( Ф/4) |
| 35 | желтый/зеленый | Форсунка 3( Ф/3) см. контакты 16 и 17. |
| 36 | кори ч/голубо и | Входной сигнал с потенциометра регулировки СО (ПТСО +) |
| 37 | оранж./зеленый | Вход+12В(12) |
| 38 | Не используется | |
| 39 | Не используется | |
| 40 | Не используется | |
| 41 | Не используется | |
| 42 | Не используется | |
| 43 | синий/черный | Выходной сигнал (логического уровня) на тахометр |
| 44 | белый/розовый | Входной сигнал с датчика температуры воздуха на впуске (ДТВ) |
| 45 | белый/синий | Входной сигнал с датчика температуры охлаждающей жидкости (ДТОХЛ ) Электронный блок управления посылает сигнал 5 В на датчик температуры охлаждающей жидкости, который представляет собой термистор. Датчик, соединенный также с «массой», меняет напряжение в зависимости от температуры охлаждающей жидкости. |
| 46 | белый/коричневый | Главное реле ( РГЛ ) |
| 47 | Не используется | |
| 48 | желтый/синий | Входной сигнал с датчика положения коленчатого вала «-» (ДПКВ -) |
| 49 | белый/голубой | Входной сигнал с датчика положения коленчатого вала (Дпкв+) Контакты обеспечивают электронный блок данными о частоте вращения и положении коленчатого вала. При включенном зажигании, но неработающем двигателе напряжение должно быть ниже 1В. При вращении коленчатого вала напряжение увеличивается с ростом частоты вращения. |
| 50 | Не используется | |
| 51 | Не используется | |
| 52 | Не используется | |
| 53 | зеленый | Входной сигнал с датчика положения дроссельной заслонки «+» (ДПДЗ+) Напряжение входного сигнала датчика положения дроссельной заслонки, которое соответствует фактическим изменениям положения дроссельной заслонки, изменяется в диапазоне от 0 до 5 В. Как правило, на холостом ходу напряжение ниже 1 В, а при полностью открытой дроссельной заслонке составляет 4,4…4,7 В. |
| 54 | Не используется | |
| 55 | красный/синий | К — линия диагностики ( K-Line ) По этой линии осуществляется связь с диагностическим оборудованием (тестер, стенд и т. д.) |
Схема установки ремня на газель. Газель Бизнес
Недостаточное натяжение ремня ухудшает охлаждение радиатора системы охлаждения и приводит к перегреву двигателя и повышенному износу ремня.
При слишком натянутом ремне могут выйти из строя подшипники привода вентилятора и натяжного ролика.
При правильной регулировке натяжения ремень должен прогибаться на 8–10 мм с усилием 40 Н (4,0 кгс) посередине между шкивом вентилятора и натяжным роликом.
Натяжение ремня регулируется перемещением натяжного ролика.
Замена и регулировка натяжения приводных ремней агрегатов с двигателем ЗМЗ-402
1. Головкой «на 13» ослабить гайку верхнего крепления кронштейна натяжного ролика (шланги системы охлаждения сняты для наглядности).
2. Ключом «на 14» ослабить нижнее крепление кронштейна натяжного ролика, удерживая болт ключом «на 12»
3.Подводим кронштейн натяжного ролика к блоку и снимаем ремень со шкивов
4. Пропустив ремень между крыльчаткой вентилятора и радиатором, снимите его
Ослабить верхнюю и нижнюю опоры генератора
Подводим генератор к блоку цилиндров.
Снимите ремень со шкивов, пропустив его через крыльчатку вентилятора, аналогично снятию ремня привода вентилятора.
Одеваем новые ремни на шкивы.
Натягиваем ремень привода вентилятора, отодвинув натяжной ролик от блока цилиндров, и затягиваем верхний и нижний крепления натяжного ролика.
Таким же образом натягиваем ремень привода генератора, отодвигая генератор от блока цилиндров, после чего затягиваем верхнюю и нижнюю опоры генератора.
Проверяем регулировку натяжения ремней, прикладывая усилие 4 кгс к серединам верхних ветвей.
Прогиб ремня привода генератора должен быть 8-10 мм, а привода вентилятора 7-9 мм.
При необходимости повторите регулировку.
Замена и регулировка натяжения ремня привода агрегата с двигателем ЗМЗ-406
1. Ключом «на 12» ослабляем затяжку болта крепления натяжного ролика (для наглядности радиатор двигателя снят).
2. Ослабить натяжение ремня, повернув натяжной болт против часовой стрелки ключом «на 10»
3. Снимите ремень со шкивов.
Установите новый ремень.
Вращением болта натяжного ролика добиваемся прогиба ремня 15 мм под нагрузкой 8 кгс, приложенной посередине горизонтальной ветви привода (между шкивами генератора и насоса)
Затяните болт натяжного ролика.
Обрыв ремня генератора — частая проблема на Газели. Если это происходит на вашей Газели с завидной регулярностью, стоит обратить внимание на эту проблему и постараться выяснить, в чем причина частых обрывов, прежде чем заменять ремень.
За исключением тех случаев, когда требуется замена ремня через 150 — 200 тысяч пробега или на плановом ТО, сама ситуация при его обрыве ненормальна. Если это происходит на вашей Газели с завидной регулярностью (хотя бы чаще, чем раз в 50 000 км пробега), вам стоит обратить внимание на эту проблему и постараться выяснить, в чем причина частых поломок, перед заменой. Шкивы могут быть смещены или ремень может быть недостаточно натянут после установки.
Тем временем у нашей Газели все-таки порвался ремень. Начинать нужно, конечно же, с новой покупки. Некоторые автовладельцы предпочитают покупать пачками дешевые неоригинальные запчасти, заявляя, что «все равно они постоянно рвутся, даже если у меня в машине всегда есть запас». Как правило, ремни всегда рвутся слишком быстро по двум причинам. Только один из них конструктивный (типа перекоса шкивов или замасливания), второй просто их некачественный. Скупой, как известно, платит дважды. Кроме того, в случае с ремнями понятие «средний» не очень применимо, ведь разница в цене между заводским и неоригинальным ремнем не так уж и велика, ведь запчасть сама по себе дешевая.
Поэтому советуем приобретать ремни, например, в интернет-магазине запчастей ГАЗ или у официального поставщика запчастей. Приобретенный таким образом ремень точно подойдет именно для вашей модификации и под ваши шкивы и межосевое расстояние.
Итак, ремень куплен, переходим к операции по его установке. Учтите, что работать лучше в перчатках, так как в интересующем нас районе много острых углов, и если производить замену прямо на трассе, то некоторые агрегаты под капотом могут не успеть остыть вниз.
В первую очередь лучше сразу демонтировать переднюю панель и облицовку радиатора. Под капотом мало места и лучше всего облегчить себе условия работы. Ключом на 12 отворачиваем пару болтов с обеих сторон панели и ключом на 10 отворачиваем один болт непосредственно под замком капота. Декоративная решетка прикручена еще двумя болтами снизу. Ставим снятую решетку и панель рядом (насколько позволяет трос замка).
Теперь с помощью ключа на 12 ослабляем винт натяжителя ремня на генераторе, вооружившись подходящей ручкой сдвигаем генератор к двигателю.
Вот мы и ослабили ремень (если, конечно, он не порвался до этого). Теперь нужно ослабить гайку ролика натяжителя и гайку самого натяжителя и передвинуть ролик к двигателю и снять ремень.
Если вместе с ремнем генератора меняем остальное, то снимаем ремень вентилятора со шкива на коленвале, аккуратно продеваем его между лопастями вентилятора. Затем также демонтируем ремень водяной помпы. Далее просто устанавливаем новые и натягиваем их. Наконец-то ставим переднюю панель и решетку радиатора на место — замена произведена, можно отправляться в путь.
Ослабьте затяжку болта 1 на два-три оборота.
Отвернув регулировочный болт 2, ослабить натяжение ремня и снять его.
Осмотрите ремень.
При наличии трещин, расслоений резины, надрывов, отложений грязи между ребрами и т.п. замените ремень.
Осмотрите шкивы.
При наличии грязи или повреждений очистите или замените шкивы.
При необходимости снять натяжитель отверните три болта 3, при этом для того, чтобы было удобнее откручивать болт под роликом, отведите ролик вверх.
Установка
1. Наденьте ремень на шкив коленчатого вала.
2. Наденьте ремень на шкивы водяного насоса и генератора.
3. Затем наденьте ремень на натяжной ролик.
После установки ремня отрегулируйте его натяжение.
Регулировка натяжения
При правильно отрегулированном натяжении ремень должен прогибаться на 15 мм с усилием 8 кгс посередине между шкивами генератора и водяного насоса.
Натяжение ремня регулируется перемещением натяжного ролика.
1. Ослабить болт 1.
Поворачивая или отвинчивая болт 2, отрегулировать натяжение ремня. Затяните болт 1.
2. Проверьте прогиб ремня.
Детали на картинках:
Ключом «на 12» ослабляем затяжку болта крепления натяжного ролика (для наглядности радиатор двигателя снят).
Ослабить натяжение ремня, повернув ключом «на 10» против часовой стрелки болт натяжного ролика
Снять ремень со шкивов
Установите новый ремень.
Вращая болт натяжного ролика, добиваемся прогиба ремня 15 мм под нагрузкой 8 кгс, приложенной посередине горизонтальной ветви привода (между шкивами генератора и насоса).
Затяните болт натяжного ролика.
Замена промежуточного шкива и механизма натяжения ремня привода вспомогательных агрегатов
Ослабить натяжение приводного ремня.
Полностью выворачиваем болт крепления натяжного ролика
Снимите шкив с оси натяжителя.
При необходимости открутить три болта крепления натяжителя торцевым ключом или головкой на 12
Снять крепление натяжителя с двигателя
Устанавливаем натяжитель и ролик на двигатель в обратном порядке, после чего натягиваем ремень.
111 ..Газель до 2009 г. Выбрасывает антифриз (тосол) из расширительного бачка
Почему кидает антифриз из расширительного бачка. Поднимается антифриз в расширительный бачок (выдавливает охлаждающую жидкость)
1.
Проблемы с баком.
Несмотря на простоту конструкции расширительного бачка, зачастую именно его неисправности являются причиной выброса антифриза:
Нарушение герметичности. Антифризы отличаются высокими скоростями потока, соответственно, даже микротрещина в стенках сосуда, неразличимая невооруженным глазом, приведет к выдавливанию жидкости, особенно при повышении давления. Основным признаком неисправности будет появление пятна охлаждающей жидкости под автомобилем после длительной стоянки.Лучшее решение — замена бака. Не стоит забывать и о наличии на рынке значительного количества некачественной продукции малоизвестных производителей, предлагающих тонкостенные баки, изготовленные с нарушением технологий производства. Избежать проблем в будущем поможет предустановочная проверка, выполненная с компрессором.
Брак резьбовых соединений. Герметичность устройства во многом зависит от качества резьбы на горловине и крышке. Сколы и заусенцы препятствуют плотному прилеганию деталей.
В результате при повышении давления теплоноситель выбивается через образовавшиеся микроканалы. При замене следует обратить внимание на качество изготовления горловины и крышки, желательна предварительная проверка.
Неисправность клапана. Клапанная крышка тоже вызывает проблемы. Типичная ситуация — отсутствие проблем на холостом ходу двигателя, при увеличении оборотов и увеличении нагрузки (в движении) антифриз буквально выбивает из-под крышки расширительного бачка. Разборка клапана и последующая чистка часто помогают решить проблему.В противном случае требуется замена (предпочтительнее заменить всю крышку).
2. Нарушение циркуляции охлаждающей жидкости.
Возникновение проблем с циркуляцией антифриза приводит к значительному перегреву охлаждающей жидкости, взрывному повышению давления в расширительном бачке и продавливанию через крышку.
Причины явления:
Неисправность термостата. Неисправность приводит к циркуляции жидкости по малому кругу (исключается радиатор, где происходит охлаждение в рабочем режиме).
Ситуация чревата перегревом двигателя и жидкости в системе охлаждения.
Образование воздушных пробок в трубках радиатора или засорение каналов накипью и/или механическими частицами. Требуется чистка и промывка радиатора. Несвоевременно обнаруженная проблема приведет, как и в предыдущем случае, к серьезным неисправностям силового агрегата.
Отказ водяного насоса.
3. Утечка антифриза.
Наиболее характерный вариант – отсутствие циркуляции антифриза в системе.Уменьшение количества жидкости приводит к повышению ее температуры при охлаждении двигателя. Перегрев способствует интенсивному испарению антифриза, значительному повышению давления.
Происходит постоянный перегон антифриза в расширительный бачок вне зависимости от режима и оборотов двигателя. Сохранение уровня после охлаждения свидетельствует о проблеме с циркуляцией. Понижение уровня до минимальной отметки (или ниже) свидетельствует о нарушении герметичности системы.
В последнем случае задача автомобилиста выяснить, почему происходит течь, выявить детали и стяжки, требующие ремонта или замены.
Старение (износ) труб и шлангов, предназначенных для соединения компонентов системы охлаждения. Детали подвергаются постоянному воздействию жидкости, нагретой высокой температурой, что увеличивает интенсивность процессов старения. Среди наиболее вероятных проблемных мест — соединительные шланги на баке. В качестве временной меры может помочь установка дополнительных хомутов. Лучшее решение – замена изношенных деталей.
Трещины в радиаторах системы охлаждения, печки, кондиционера. Появление характерного запаха антифриза в салоне свидетельствует о проблемах с печкой.
Нарушение целостности уплотнений насоса, термостата. Следы жидкости на поверхностях соседних деталей помогут найти проблемный узел.
Прогар (пробитие) прокладки ГБЦ. В результате возникает опасность попадания антифриза в цилиндры силового агрегата и систему смазки или смешивания жидкости в системе охлаждения с используемыми для смазки маслами. Симптомами неисправности являются белый дым из выхлопной трубы автомобиля, пар из-под крышки капота (при пробое наружу), образование эмульсии в расширительном бачке и/или масляном поддоне.
Неисправность требует немедленного вмешательства, так как ухудшение качества масла и охлаждающей жидкости чревато перегревом силового агрегата, ускоренным износом шеек коленчатого вала, проблемами с распредвалом, цилиндро-поршневой группой, заклиниванием двигателя. Прокладку необходимо заменить.
Диагностика неисправностей
Основная проблема антифриза в том, что он очень быстро испаряется, что затрудняет поиск места утечки. Однако большое количество антифриза можно обнаружить под автомобилем в виде лужи.
Бывают случаи, когда антифриз уходит в салон автомобиля — это будет свидетельствовать о неисправности кранов печки, которые заменяются. Еще одним признаком являются соответствующие выделения из выхлопной трубы: мокрые пятна на конце и дым характерного цвета. Скорее всего, неисправна прокладка ГБЦ и антифриз попадает в выхлоп автомобиля.
На переднеприводных автомобилях следы антифриза могут быть и под крышкой ГРМ. Это свидетельствует о неисправности водяного насоса, который необходимо заменить.
Не забудьте проверить состояние и надежность крепления патрубков системы охлаждения. Особенно это касается расширительного бачка, так как антифриз иногда может выдавливаться в нижней части бачка через соединение с патрубком.
Чаще всего все эти признаки будут сопровождаться закипанием антифриза во время поездки. Узнать об этом можно с помощью указателя температуры охлаждающей жидкости. Если стрелка отклонилась до отметки, не соответствующей норме, то необходимо остановить автомобиль и внимательно осмотреть систему охлаждения.
ПОСЛЕДСТВИЯ ВЫБРОСА АНТИФРИЗА
Если не принять никаких мер по устранению неисправности и продолжить движение дальше, последствия такой поездки могут быть достаточно серьезными. Если антифриз выдавится из бачка до отметки меньше минимальной, мотор просто перегреется.
Последствия перегрева двигателя очень печальны. Как правило, в первую очередь страдает прокладка ГБЦ. Он состоит из материала, который поддается большому повышению температуры и выгорает, теряя свои свойства.
Антифриз попадает в картер и делает масло слишком жидким. Такая смесь уже не сможет обеспечить надежную смазку узлов и тогда произойдет заклинивание механизма или гидроудар.
Если охлаждающая жидкость полностью выдавлена, это не повлияет на моторное масло. Однако многие элементы ГБЦ, которые деформируются и нарушают работу механизма, могут негативно отреагировать на повышение температуры. В результате двигатель теряет мощность или вообще не заводится, и тогда ему потребуется дорогостоящий ремонт.
КАК РЕШИТЬ ПРОБЛЕМЫ С РАСШИРИТЕЛЬНЫМ БАКОМ
Несомненно, во избежание каких-либо проблем с системой охлаждения необходимо вовремя реагировать на тревожные сигналы и проводить профилактические мероприятия.
Прежде всего, помните, что в системе охлаждения нельзя использовать бывшие в употреблении детали. Особенно это касается резиновых деталей (труб и шлангов). Все уплотнения и шланги должны быть новыми. Они не должны иметь никаких внешних дефектов или других повреждений, препятствующих их нормальному функционированию.
Во избежание выдавливания антифриза из-за закипания старайтесь не использовать дешевую охлаждающую жидкость, купленную в сомнительном магазине. Используйте только качественный антифриз.
Ослабьте затяжку болта 1 на два-три оборота.
Отвернув регулировочный болт 2, ослабить натяжение ремня и снять его.
Осмотрите ремень.
При наличии трещин, расслоений резины, надрывов, отложений грязи между ребрами и т.п. замените ремень.
Осмотрите шкивы.
При наличии грязи или повреждений очистите или замените шкивы.
При необходимости снять натяжитель отверните три болта 3, при этом для того, чтобы было удобнее откручивать болт под роликом, отведите ролик вверх.
Установка
1. Наденьте ремень на шкив коленчатого вала.
2. Наденьте ремень на шкивы водяного насоса и генератора.
3. Затем наденьте ремень на натяжной ролик.
После установки ремня отрегулируйте его натяжение.
Регулировка натяжения
При правильно отрегулированном натяжении ремень должен прогибаться на 15 мм с усилием 8 кгс посередине между шкивами генератора и водяного насоса.
Натяжение ремня регулируется перемещением натяжного ролика.
1. Ослабить болт 1.
Поворачивая или отвинчивая болт 2, отрегулировать натяжение ремня. Затяните болт 1.
2. Проверьте прогиб ремня.
Детали на картинках:
Ключом «на 12» ослабляем затяжку болта крепления натяжного ролика (для наглядности радиатор двигателя снят).
Ослабить натяжение ремня, повернув ключом «на 10» против часовой стрелки болт натяжного ролика
Снять ремень со шкивов
Установите новый ремень.
Вращая болт натяжного ролика, добиваемся прогиба ремня 15 мм под нагрузкой 8 кгс, приложенной посередине горизонтальной ветви привода (между шкивами генератора и насоса).
Затяните болт натяжного ролика.
Замена промежуточного шкива и механизма натяжения ремня привода вспомогательных агрегатов
Ослабить натяжение приводного ремня.
Полностью выворачиваем болт крепления натяжного ролика
Снимите шкив с оси натяжителя.
При необходимости открутить три болта крепления натяжителя торцевым ключом или головкой на 12
Снять крепление натяжителя с двигателя
Устанавливаем натяжитель и ролик на двигатель в обратном порядке, после чего натягиваем ремень.
Бензонасос «Газель»: ремонт и обслуживание
Заволжский моторный завод является основным поставщиком двигателей для автомобилей «Волга» и «Газель». Двигатели этого предприятия давно известны российским автомобилистам и мототехникам.Хорошая ремонтопригодность, простота конструкции и надежность основных систем заслуженно ставят эти двигатели в число лучших отечественных моторов. Кроме того, в конце 90-х годов 20 века на эти двигатели завод спроектировал и установил систему распределенного впрыска. Эти моторы, в частности, ЗМЗ-405, устанавливаются на малотоннажные грузовики «Газель», микроавтобусы «Соболь» и их модификации.
Конечно, система впрыска усложняла работу и ремонт, но обслуживание двигателей особых вопросов не вызывает.
То же самое можно сказать и о ремонте топливной системы автомобилей «Газель» и «Соболь».
Система питания
Схема ее практически для всех двигателей с системой впрыска топлива конструктивно одинакова. Состоит из бака с модулем, насоса, магистралей, рампы и форсунок. К вспомогательным системам относятся система вентиляции бензобака, противоток топлива, датчик уровня топлива.
В карбюраторной системе из схемы исключена рампа с форсунками и добавлен карбюратор.Система питания также оборудована системой возврата топлива в бак при неработающем двигателе.Расположение бензонасоса «Газель»
Принципиальным отличием карбюраторной и инжекторной системы является расположение бензонасоса. На карбюраторном блоке он расположен на двигателе. Агрегат оснащен механическим приводом от распределительного вала.
На инжекторной модификации элемент устанавливается непосредственно в баке и имеет электропривод. Как питается бензонасос «Газели»? Подключение к электросети осуществляется вместе с переключением датчика уровня топлива.
Конструкция представлена в виде пары разъемов, которые расположены на бензобаке. Насосная система создает значительное давление, поэтому топливо достигает форсунок с высокой скоростью. Это часть технологического процесса впрыска топлива. Так топливо лучше смешивается с воздухом перед подачей в цилиндры.Насосный агрегат
Мембранный элемент в карбюраторных моделях перекачивает бензин за счет разбавления, которое создается специальной газостойкой диафрагмой. На инжекторных моторах, как уже было сказано выше, насос установлен прямо в баке.Элемент соединен с фильтром грубой очистки и датчиком уровня топлива. Конструктивно это вибрационный электронасос, в котором подвижный якорь перекачивает топливо.
Этот вариант считается гораздо более надежным, так как не страдает основным недостатком бензонасосов карбюраторных двигателей — перегревом в жаркую погоду и снижением производительности. Именно качественная и стабильная работа элемента является основой правильной работы двигателя, которая полностью зависит от количества и марки смеси.
Характеристики фильтра
Очистка топлива, поступающего в двигатель, осуществляется через два элемента. Первый (очиститель-отстойник) находится рядом с бензобаком. Он задерживает в себе крупный мусор, грязь и воду, которая собирается в специальном съемном стакане на дне. Фильтр тонкой очистки установлен в месте разрыва шланга перед карбюратором. Он предназначен для задержки более мелких частиц грязи: топливо проходит через специальный картон, заключенный в пластиковый цилиндр.
На инжекторных двигателях очистка топлива осуществляется через фильтр, расположенный на впускном патрубке насоса.Это тонкая плоская металлическая сетка. Он эффективно задерживает грязь и мусор, попавшие в бензобак.
Поиск и устранение неисправностей
Что делать, если бензонасос не работает? «Газель» в этом случае нуждается в диагностике. Следует отметить, что наиболее распространенной проблемой является недостаточное давление топлива. Это очень вредно для топливных форсунок. По этой причине они терпят неудачу.
Первым признаком неисправности являются рывки при движении автомобиля. Причинами этого могут быть как низкое давление в топливной рампе, так и неравномерная работа насоса.
Различия в диагностике диафрагменного элемента
Так как карбюраторный бензонасос «Газель» ЗМЗ-402 имеет механический привод, то и электрическая составляющая в нем отсутствует. Поломка этого типа насоса обычно приводит к разрыву или повреждению диафрагмы. Из-за этого снижается давление жидкости, в худшем случае – ее подача полностью прекращается.
Замена диафрагмы не проблема.
Проверка бензонасоса с помощью манометра
Также проверить работоспособность и работоспособность механизма можно с помощью специального манометра. Он подключается к топливной рампе и измеряет давление, создаваемое насосом в системе. При включении зажигания сразу начинает работать бензонасос. «Газель» не обязательна. Манометр сбросит показания давления. В идеале оно должно быть 300-380 кПа. После этого надо выключить манометр и ехать по обычной дороге с разгоном и торможением — стандартный тест-драйв.После этого снова измеряем давление. Если он отличается от первоначальных замеров, механизм неисправен или его ресурс близок к завершению. Могу ли я восстановить его? Мы обсудим это ниже.
Ремонт бензонасоса «Газель»
На карбюраторных двигателях бензонасос снимается достаточно просто. Для этого отсоединяются топливные шланги, ослабляются гайки крепления фланца насоса к ГБЦ. Кроме того, для ремонта не обязательно демонтировать весь механизм.
Для замены диафрагмы достаточно снять только верхнюю полусферическую часть.
Заключение
Диагностика и ремонт бензонасоса «Газель» — несложная работа, с которой справится практически любой автолюбитель, понимающий принципы работы и особенности устройства.Для замены необходим минимальный набор инструментов.
Motori 402, Газель: системы и двигатели, схемы — Shoqëri
Gazelle ë htë mba e kamioni më i njohur i kla it të vogël në Ru i. Këto makina gjenden në rrugë çdo ditë. Пак и мбайн менд, пор «Газель»
Пермбайтье
Газель еште мбасе камиони мэ и нджохур и класит тэ вогел нэ руси. Këto makina gjenden në rrugë çdo ditë.Pak e mbajnë ремонт, пор «Газелат» e para erdhën me motorë dhe kuti ingranazhesh нга «Волга» e законшме. Нынче форма, «Газель» вышла в свет в период 1995 — 2002. Перфшире Иште мотори и Узин Моторике Заволжский, и шинуар ЗМЗ-402. Çfarë karakteristikash dhe veçorish ka? Ne e zbulojmë në artikullin tonë të sotëm.
Першкрим
Мотори ЗМЗ-402 është një nga motorët më të përhapur të prodhuar ndonjëherë në rajonin e Vollgës. Ky motor ka një bllok alumini me mëngë të lagura prej gize.Бошти я шуфраве ме гумга еште нэ фонд. Kjo njësi është prodhuar në masë nga 1981 deri në 2006.
Fillimisht, motori 402 për Gazelën nuk ishte siguruar. Добавь мотор и модернизируй 24D, а потом ставь инсталуар в Vollgën Sovjetike. Midis ndryshimeve të rëndësishme midis motorit 402, vlen të permendet një shumëzues i modifikuar i shkarkimit, një ngritje tjetër e boshtit shufër me gunga (u bë 0,5 мм më e lartë) dhe njëva dhe njëva. Пьеса Тьетер и ЗМЗ-402 меньше копье и мотор 24D — новый мотор и витеве 50.Ne do të flasim për problemet e motorit me djegie të brendshme më vonë. Нга рруга, схемы и мотор ГАЗель (402 ЗМЗ) Трегохет не фотон не артикуллин тон.
Specifikimet
Pra, ZMZ-402 është një motor me katër cilindra në linjë benzinë me një zhvendosje prej 2440 см куб. Njësia ка sistemin më të thjeshtë të energjisë së karburatorit me një pompë mekanike të karburantit.Sistemi i kohës është me tetë valvola, me një makinë zinxhir nga boshti i boshtit.Газель Motori 402 с новым поршнем 92 мм. Diametri i cilindrit është gjithashtu 92 milimetra, prandaj motori kishte një raport të ulët stypjeje dhe ngjeshjeje.
Normalisht, ky parametër ishte 8,2 килограмма на сантиметр куб. Një tregues prej 6,7 килограмма и konsiderua kritik. Së bashku me një raport të ulët të ngjeshjes, motori 402 Gazelle shquhej për fuqinë e tij të ulët. Fuqia maximale që u arrit në 4.5 mijë rrotullime është 100 kuaj fuqi. Çift rrotullues — 182 Нм и 2,5 мили rrotullime.Dhe nëse për Vollgën ky parametër ishte ende i mjaftueshëm, për Gazelle nuk është më. Makina ishte e ndjeshme ndaj mbingarkesës më të vogël. Ngjitjet në tetë shkallë dukeshin si një sfidë e vërtetë për të. Vaji и rekomanduar nga prodhuesi 5w30-15w40. Кур зевендесони, ештэ е невойшме тэ дердхни дери нэ гьяштэ литра. Orari i ndërrimit të vajit është dhjetë mijë километр. Por shoferet rekomandojnë ta bëjnë këtë më heret, në tetë mijë.
Карбюратор на «Газели» с мотором 402
Са и перкет системит тэ енерджисе, кэту еште пердорур карбюратори и бренд Пекар и модель К151.Ky është një element standard që është përdorur në të gjithë motorët 402.
Gazela nuk ishte përjashtim. Si e tregon veten K151 në veprim? Siç është vërejtur nga rishikimet e pronarëve, «Pekar» nuk është karburatori më i mirë. Нет Газели мне нжэ мотор 402, солекс сильлет мирэ. Nuk ka disavantazhe të tilla si Pekar:
- Консуми и карбурантит. У меня карбюратор К151 «Газель» Калои рэт 25 литров бензина, дхэ е 92-та. Instalimi i «Solex» ju lejon të zvogëloni këtë parametër me rreth një të katërtën.
- Функционими и моторит. Ndërsa shoferet nuk u përpoqën të akordonin «Pekar», motori ende punonte i paqëndrueshëm. Në boshe, revolucionet notuan, gjatë përshpejtimit, undien rënie. Нук ка проблема тë тилла нэ Solex.
- Burimi K151 ka një burim të vogël. Pas 50 mijë kilometrash, ajo u shkaterrua. Për më tepër, K151 nuk mund të riparohej — përpjekjet për të instaluar një pajisje riparimi ishin të kota. Motori funksionoi edhe më keq. Nga rruga, K151 mund të dështojë më heret.Një sëmundje e njohur është bllokimi i përplasjes së dhomës dytësore.»Solex» ka dyfishin e burimit dhe është i lehtë për t’u riparuar.

Valvula
Siç kemi vërejtur më heret, ZMZ-402 është një motor me tetë valvola, prandaj ekziston vetem një bosht me gunga në sistemin e kohës. Проблема е шпешта përfshijnë nevojën për rregullime të valvulave. Нет Газель мне нй мотор 402, аджо духет т е prodhohet çdo 30 mijë километра. Për më tepër, lejet janë rregulluar në mënyrë rigoroze për secilin lloj të karburantit. Prodhuesi deklaron që pastrimi termik në të dy valvulat (marrja dhe shkarkimi) duhet të jetë 0.4 милиметра.Por siç tregon praktika, për funksionimin normal të motorit, nevojiten cilësime té tjera. Регулируемые клапаны на «Газели» с двигателем 402 на бензине и 92-м духовом шкафу, который можно купить на почте. Për valvulat e marrjes, pastrimi është 0,30 миллиметра, per valvulat e shkarkimit — 0,25. Por per të lëvizur me benzinë të 76-të, duhet ta rritni këtë parametër në 0,44 миллиметра. Sa për shumicën e «Gazelave» nga vitet ’90, të cilat operohen sot, to funksionojnë me propan-butan. Пер кэт лэндэ джегесе, хендеку и тий термик эштэ 0.
35 мм. Withshtë me karakteristika tëtilla që makina do të jetë e përgjegjshme dhe me çift rrotullues të lartë.
Sistemi i ftohjes
Çdo motor me djegie të brendshme ka nevojë për ftohje. Мотори 402 Газель нук иште перьяштим. Sistemi i ftohjes së motorit të këtij modeli është i një lloji të lëngët, me qarkullim të detyruar nga një pompë. Skema ODS është paraqitur në artikullin tonë.Pajisja e këtij sistemi është e njëjtë në të gjitha Gazelat. E vetmja gjë — dy ngrohës dhe një pompë elektrike shtesë janë instaluar në modifikimet «микроавтобус».Дизайн и СОД перфшин:
- Термостаты.
- Rezervuari i zgjerimit.
- Радиатор.
- Тифоз и дрейтуар нга бошти и боштит.
- Сенсоры и температуры, которые нужно контролировать.
- Rrip (для drejtimin e ventilatorit).
- Радиатор салона.
- Помпе ужи.
- Валвул байпас.
- Pompë elektrike e sistemit të ngrohjes.
Prodhuesi rekomandon përdorimin e Tosol A-40 si ftohës.
Motori funksionon gjithashtu me ujë të pastër të distiluar.Sidoqoftë, nuk mund të përdoret gjatë kohës së dimrit.
Më poshtë do të shqyrtojmë elementët më të rëndësishëm të sistemit të ftohjes 402 të motorit Gazelle.
Termostati
SOD përbëhet nga dy qarqe — të vogla dhe të mëdha. Sipas të pares, lëngu qarkullon derisa motori të ngrohet. Sapo temperaturearrin pikën e caktuar (законишт 70-80 градусов), antifriz lëviz në një rreth të madh. Për çfarë shërben termostati? Heshtë ai që kontrollon rregullimin dhe furnizon lëngun përgjatë një qarku të caktuar, varësisht nga Temperature e tij.Sa i përket mosfunksionimeve të termostatit në motorin 402, pykë elementi shpesh ndodh në një gjendje të mbyllur. Në funksion të kësaj, motori fillon të mbinxehet, pasi lëngu qarkullon vetëm në një rreth të vogël, duke anashkaluar radiatin kryesor.
pompë uji
Emri tjetër i tij është një pompë uji. Ky mekanizëm siguron qarkullimin e antifrizit në sistemin e ftohjes.
Pjesa funksionon nga boshti i boshtit. Sa më e lartë të jetë shpejtësia e saj, aq më shumë rrotullohet shtytësi i pompës.Midis keqfunksionimeve të pompës në motorin 402, vlen të permendet ulëritja e kushinetës. Në këtë rast, pompë çmontohet dhe boshti dhe kushineta zëvendësohen. Gjithashtu, vulosja e vajit, rrotulla dhe helika bëhen të papërdorshme.
Ventilatori dhe radidi
Nga fabrika, një радиатор бакри ме тре ррешта është instaluar në një Газель me një мотор 402. Shtë mjaft i guximshëm dhe sherben për një kojahë shumë. Por me kalimin e kohës (sidomos kur përdorni ftohës me cilësi të ulët), fillon korrozioni i brendshëm i metalit.Për shkak të kësaj, shpërndarja e nxehtësisë përkeqësohet dhe motori është shumë i nxehtë. Gërryerja gjithashtu çon në rrjedhje të antifrizit. Са я перкет тифозит, ай эште ме гьяште флетэ дхе эште монтуар нэ рротуллен е боштит тэ боштит. Elementi rrotullohet në të njëjtën frekuencë si vetë boshti. Ventilatori funksionon vazhdimisht, prandaj motori 402 nuk mund të nxehet normalisht në dimër.
Elementet engrohjes
Kjo perfshin:
- Радиатор салона.
- Tifoz ngrohës me motor elektrik.
- Lidhja e tubave.
- Kontrollet e sobave të drejtuara me litar.
Кабли шпеш пришел, и чили мбылл вальвулен не собе. Пер шкак тэ кесадж, аджо нксехет си нэ верэ ашту эдхе нэ димэр. Radiatori dhe ventilator vetë shërbejnë për një kohë relativisht të gjatë.
Xhaketë uji dhe tuba
E para është e vendosur në vetë bllokun e cilindrit, si dhe në kokën e cilindrit. Parimi i xhaketës së ujit është i thjeshtë. Antifriz я ftohtë që vjen нга radii hyn në kanalet e njësisë dhe merr pak nga nxehtësia.Pastaj lëngu hyn përsëri në радиатор dhe ftohet. Midis дефективе тë xhaketës, vlen тë përmendet bllokimi и kanaleve dhe korrozioni i brendshëm. Персэри, фтохес ме чилэси тэ добэт еште файтори.
Gjeneratori «Gazelle» (двигатель 402)
Le të flasim pak për bashkëngjitjet. Мотори ЗМЗ-402 шт и паджисур ме ндже генератор 65 ампер 1631.
3701. Shtë një gjenerator sinron trefazor me një ndreqës të integruar diodë silici. Ajo drejtohet nga një rrip nga rrotulla e boshtit të boshtit.Rotori rrotullohet në kushinetat e topave në mbulesa. Duhet të theksohet se boshti irotit është i lubrifikuar për tër jetën e tij të shërbimit. Ekziston një njësi ndreqëse brenda mbulesës së pasme që rregullon voltagein. Ndreqësi përbëhet nga gjashtë dioda që instalohen në pllaka në formë patkoi. Ky gjenerator mund të furnizojë rrymë nga 12 në 14 вольт. Stori permban dy mbështjellje trefazore të lidhura paralelisht me njëri-tjetrin. Ftohja — lloji я ajrit, përmes dritareve në kapak.Për ngacmim, ка një mbështjellje në роторин и gjeneratorit.Drejtuesit e tij shkojnë në dy kontakte bakri, të cilat janë të lidhura me unazat e boshtit tërotit. Energjia furnizohet përmes furçave të karbonit. Ндер проблемат е këtij gjeneratori, pronarët dallojnë energji тë ulët. Kërkohen минимум 80 Amper-orër për funksionimin e plotë. Gjithashtu furçat e gjeneratorit dhe «cokollata» (rregullatori itensitit) spesh dështojnë.
Burimi
Riparimi i motorit 402 «Gazelle» do të kërkohet jo më heret se pas 200 mijë kilometrash. Për një automjet komercial, kjo nuk është një kohë e gjatë.Motori mund të «kapitalizojë» deri në katër herë. Dhe në mënyrë që riparimi i motorit Gazelle të mos marrë shumë kohë, duhet të ndryshoni vajin në të në kohë dhe të mos e nxehni më shumë motorin.Ju gjithashtu duhet të vendosni. Нет Газели с мотором 402, аджо шфакет и трамблер. Rregullimi я kohës Së ndezjes сделать Të kursejë valvulën NGA djegia DHE сделать Të rrisë përgjigjen электронной Mbytjes Së Motorit.
Мой фонд
Pra, zbuluam se çfarë është motori ЗМЗ-402. Дизайн я këtij мотори është shumë i vjetëruar, gjë që çon në prishje të speshta të tij.Prandaj, продает и «Газели» тë vjetër инсталлойнë мотор мë современный 405 dhe 406 në vend. Në të njëjtën shpejtësi të rrjedhjes, ato japin shumë më shumë energji dhe çift rrotullues. Дхе пришжет меня к ндохин шуме мэ рраллэ.
Двигатель 402, Газель: система охлаждения, схема
Газель, пожалуй, самый массовый грузовик малого класса в России.
Эти автомобили встречаются на улицах каждый день. Мало кто помнит, но первые «Газели» шли с двигателями и коробками передач от обычной «Волги».В таком виде «Газель» выпускалась в период с 1995 по 2002 гг. включительно. Это был двигатель Заволжского моторного завода, получивший маркировку ЗМЗ-402. Какие характеристики и особенности у него есть? Узнайте в нашей сегодняшней статье.
Описание
Двигатель ЗМЗ-402 — один из самых массовых, когда-либо выпускавшихся в Поволжье. Этот мотор имеет алюминиевый блок с мокрыми чугунными гильзами. Распределительный вал расположен снизу. Этот агрегат выпускался серийно с 1981 по 2006 год.Изначально 402 двигатель для Газели не предусматривался. Это был модернизированный мотор 24Д, который ставили на советские Волги. Среди существенных отличий 402-го двигателя стоит отметить измененный выпускной коллектор, иной подъем распредвала (он стал выше на 0,5 мм) и масляный насос. В остальном ЗМЗ-402 был копией мотора 24Д — двигатель 50-х годов.
О проблемах ДВС поговорим позже. Кстати, схема двигателя Газели (402 ЗМЗ) есть на фото в нашей статье.
Технические характеристики
Итак, ЗМЗ-402 представляет собой бензиновый рядный четырехцилиндровый двигатель рабочим объемом 2440 кубических сантиметров. Агрегат имеет простую карбюраторную систему питания с механическим топливным насосом.
Система ГРМ восьмиклапанная, с цепным приводом от коленчатого вала. Двигатель Газели 402 имеет ход поршня 92 мм. Диаметр цилиндра тоже 92 миллиметра, из-за чего мотор имел маленькую степень сжатия и сжатия. Обычно этот параметр равен 8.2 килограмма на кубический сантиметр. Критической считалась цифра 6,7 килограмма. Наряду с низкой степенью сжатия двигатель Газели 402 отличался малой мощностью. Максимальная мощность, которая достигалась при 4,5 тысячах оборотов – 100 лошадиных сил. Крутящий момент – 182 Нм при 2,5 тысячах оборотов. И если для «Волги» этого параметра было еще достаточно, то для «Газели» уже нет. Автомобиль был чувствителен к малейшим перегрузкам.
Восьмиградусные подъемы казались ей настоящим испытанием. Рекомендуемое производителем масло 5w30-15w40.При замене заливают до шести литров. Регламент замены масла – десять тысяч километров. Но автомобилисты рекомендуют делать это раньше, на восьми тысячах. Карбюратор на «Газель» с двигателем 402
Что касается системы питания, то здесь применен отечественный карбюратор Pecar модели К151. Это штатный элемент, которым оснащались все 402 двигатели. Газель не стала исключением.
Как К151 показывает себя в деле? По отзывам владельцев Пекар не лучший карбюратор.На «Газели» с 402 двигателем Солекс ведет себя хорошо. У него нет таких минусов как у Пекара:
- Расход топлива. С карбюратором К151 Газель расходовала около 25 литров бензина, а 92-й. Установка «Солекса» позволяет снизить этот параметр примерно на четверть.
- Работа двигателя. Как автолюбители не пытались тюнинговать «Пекар», мотор все равно работал нестабильно. На холостых обороты плавали, при разгоне были провалы.
На Солексе таких проблем нет. - Ресурс.К151 имеет маленький ресурс. Через 50 тысяч километров он пришел в негодность. Более того, К151 не подлежал ремонту — попытки установить ремкомплект были тщетны. Мотор работал еще хуже. Кстати, К151 мог выйти из строя и раньше. Известная болезнь — заедание затвора вторичной камеры. Солекс имеет двойной ресурс и легко ремонтируется.
Клапан
Как мы уже отмечали ранее, ЗМЗ-402 восьмиклапанный двигатель, поэтому в системе ГРМ только один распредвал.Среди частых проблем – необходимость регулировки клапанов. На «Газели» с 402 двигателем его следует производить каждые 30 тысяч километров пробега. Причем зазоры регулируются строго под каждый вид топлива. Производитель заявляет, что тепловой зазор на обоих клапанах (впускном и выпускном) должен быть 0,4 миллиметра.
Но как показывает практика, для нормальной работы мотора нужны другие настройки. Клапана на «Газели» с 402 двигателем под 92-й бензин нужно регулировать следующим образом.
Для впускных клапанов зазор составляет 0,30 миллиметра, для выпускных — 0,25. А вот для езды на 76-м бензине нужно увеличить этот параметр до 0,44 миллиметра. Что касается большинства эксплуатируемых сегодня «Газелей» 90-х, то они ездят на пропан-бутане. Под этим топливом собственный тепловой зазор составляет 0,35 мм. Именно с такими характеристиками автомобиль будет приемистым и тяговитым. Система охлаждения
Любой двигатель внутреннего сгорания нуждается в охлаждении. Не стал исключением и двигатель Газели 402.Система охлаждения двигателя этой модели жидкостного типа, с принудительной циркуляцией от помпы. Схема СОД представлена в нашей статье.
Устройство этой системы одинаково на всех Газелях. Единственное — на модификациях «маршрутки» есть два отопителя и дополнительный электронасос. В конструкцию СОД входят:
- Термостат.
- Расширительный бачок.
- Радиатор.
- Вентилятор с приводом от коленчатого вала.
- Датчик температуры охлаждающей жидкости.

- Ремень (для привода вентилятора).
- Радиатор салона.
- Водяной насос.
- Перепускной клапан.
- Электрический насос системы отопления.
В качестве охлаждающей жидкости производитель рекомендует использовать Тосол А-40. Мотор также работает на чистой дистиллированной воде. Однако его нельзя использовать зимой.
Ниже мы рассмотрим наиболее важные элементы системы охлаждения двигателя Газель 402.
Термостат
СОД состоит из двух кругов — малого и большого.Первая жидкость циркулирует до тех пор, пока двигатель не прогреется. Как только температура достигает заданного значения (обычно 70-80 градусов), антифриз движется по большому кругу. Для чего нужен термостат? Именно он управляет регулировкой и подает жидкость по определенному контуру в зависимости от ее температуры. Что касается неисправностей термостата на 402-м моторе, то часто происходит клин элемента при закрытии. Ввиду этого мотор начинает перегреваться, так как жидкость циркулирует только по малому кругу, минуя основной радиатор.
водяной насос
Другое его название водяной насос. Этот механизм обеспечивает циркуляцию антифриза в системе охлаждения. Деталь работает от коленчатого вала. Чем выше его скорость, тем больше крутится крыльчатка насоса.
Среди неисправностей помпы на 402-м моторе стоит отметить завывание подшипника. В этом случае насос разбирается и меняется вал в сборе с подшипником. Также в негодность приходят сальник, шкив и крыльчатка.
Вентилятор и радиатор
На Газель с 402-м двигателем с завода устанавливается трехрядный медный радиатор. Он достаточно вынослив и служит очень долго. Но со временем (особенно при использовании некачественной охлаждающей жидкости) начинается внутренняя коррозия металла. Из-за этого портится радиатор и двигатель сильно греется. Коррозия также приводит к утечке антифриза. Что касается вентилятора, то он шестилопастный и установлен на шкиве коленчатого вала. Элемент вращается с той же частотой, что и сам вал.Вентилятор работает постоянно, из-за чего 402-й мотор не может нормально прогреваться зимой.
Нагревательные элементы
К ним относятся:
- Радиатор салона.
- Вентилятор отопителя с электродвигателем.
- Патрубки соединительные.
- Элементы управления для печи с тросовым приводом.
Часто обрывается трос, который блокирует вентиль на плите. Благодаря этому согревает и летом, и зимой. Сам радиатор и вентилятор служат относительно долго.
Водяная рубашка и форсунки
Первая находится в самом блоке цилиндров, а также в ГБЦ. Принцип водяной рубашки прост. Холодный антифриз, который поступает из радиатора, поступает в каналы агрегата и забирает часть тепла. Затем жидкость снова попадает в радиатор и охлаждается. Среди недостатков рубашки стоит отметить засорение каналов и внутреннюю коррозию. Опять же, виновником этой проблемы является некачественная охлаждающая жидкость.
Генератор Газель (двигатель 402)
Немного о навесном. Двигатель ЗМЗ-402 оснащен 65-амперным генератором модели 1631.
3701. Это трехфазный синхронный генератор со встроенным выпрямителем на кремниевых диодах. Он приводится ремнем от шкива коленчатого вала. Ротор вращается на шарикоподшипниках, находящихся в крышках. Стоит отметить, что смазка на вал ротора закладывается на весь срок его службы. Внутри задней крышки находится выпрямительный блок, регулирующий напряжение.Выпрямитель состоит из шести диодов, установленных в подковообразной пластине. Этот генератор может дать ток от 12 до 14 вольт. В статоре — две трехфазные обмотки, соединенные между собой параллельно. Охлаждение — воздушное, через окна в крышке.
Для возбуждения на роторе генератора расположена обмотка. Его выводы идут на два медных контакта, которые соединены с кольцами вала ротора. Питание подается через угольные щетки. Среди проблем этого генератора владельцы выделяют малую мощность.Для полноценной работы требуется минимум 80 ампер-часов. Также часто выходят из строя щетки генератора и шоколадка (регулятор напряжения).

Ресурс
Ремонт двигателя Газель 402 понадобится не раньше, чем через 200 тысяч километров. Для коммерческого автомобиля это не долго. Мотор может «капитализироваться» до четырех раз. А чтобы двигатель Газели долгое время не нуждался в ремонте, необходимо вовремя менять в нем масло и не перегревать двигатель.
Также должно быть установлено правильное зажигание.На «Газели» с 402 двигателем он выставлялся на трамблер. Установка угла опережения зажигания позволяет сохранить клапан от прогара и повысить приемистость двигателя.
Наконец-то
Итак, мы выяснили, что из себя представляет двигатель ЗМЗ-402. Конструкция этого мотора сильно устарела, из-за чего с ним случаются частые поломки. Поэтому владельцы старых «Газелей» устанавливают вместо более современных, 405 и 406 двигателей. При том же расходе они выдают гораздо большую мощность и крутящий момент.Да и поломки с ними случаются гораздо реже.
Двигатель 402, Газель: система охлаждения, схема
Газель, пожалуй, самый массовый грузовик малого класса в России.
Эти автомобили встречаются на улицах каждый день. Мало кто помнит, но первые «Газели» шли с двигателями и коробками передач от обычной «Волги». В таком виде «Газель» выпускалась в период с 1995 по 2002 гг. включительно. Это был двигатель Заволжского моторного завода, получивший маркировку ЗМЗ-402.Какие характеристики и особенности у него есть? Узнайте в нашей сегодняшней статье.
Описание
Двигатель ЗМЗ-402 — один из самых массовых, когда-либо выпускавшихся в Поволжье. Этот мотор имеет алюминиевый блок с мокрыми чугунными гильзами. Распределительный вал расположен снизу. Этот агрегат выпускался серийно с 1981 по 2006 год. Изначально 402 двигатель для Газели не предусматривался. Это был модернизированный мотор 24Д, который ставили на советские Волги. Среди существенных отличий 402-го двигателя стоит отметить измененный выпускной коллектор, иной подъем распредвала (стал 0.выше на 5 мм) и масляный насос. В остальном ЗМЗ-402 был копией мотора 24Д — двигатель 50-х годов. О проблемах ДВС поговорим позже.
Кстати, схема двигателя Газели (402 ЗМЗ) есть на фото в нашей статье.
Технические характеристики
Итак, ЗМЗ-402 — это бензиновый рядный четырехцилиндровый двигатель рабочим объемом 2440 кубических сантиметров. Агрегат имеет простую карбюраторную систему питания с механическим топливным насосом.
Система ГРМ восьмиклапанная, с цепным приводом от коленчатого вала.Двигатель Газели 402 имеет ход поршня 92 мм. Диаметр цилиндра тоже 92 миллиметра, из-за чего мотор имел маленькую степень сжатия и сжатия. В норме этот параметр составлял 8,2 килограмма на кубический сантиметр. Критической считалась цифра 6,7 килограмма. Наряду с низкой степенью сжатия двигатель Газели 402 отличался малой мощностью. Максимальная мощность, которая достигалась при 4,5 тысячах оборотов – 100 лошадиных сил. Крутящий момент – 182 Нм при 2,5 тысячах оборотов. И если для «Волги» этого параметра было еще достаточно, то для «Газели» уже нет.Автомобиль был чувствителен к малейшим перегрузкам.
Восьмиградусные подъемы казались ей настоящим испытанием. Рекомендуемое производителем масло 5w30-15w40. При замене заливают до шести литров. Регламент замены масла – десять тысяч километров. Но автомобилисты рекомендуют делать это раньше, на восьми тысячах. Карбюратор на «Газель» с двигателем 402
Что касается системы питания, то здесь применен отечественный карбюратор Pecar модели К151. Это штатный элемент, которым оснащались все 402 двигатели.Газель не стала исключением.
Как К151 показывает себя в деле? По отзывам владельцев Пекар не лучший карбюратор. На «Газели» с 402 двигателем Солекс ведет себя хорошо. У него нет таких минусов как у Пекара:
- Расход топлива. С карбюратором К151 Газель расходовала около 25 литров бензина, а 92-й. Установка «Солекса» позволяет снизить этот параметр примерно на четверть.
- Работа двигателя. Как автолюбители не пытались тюнинговать «Пекар», мотор все равно работал нестабильно.На холостых обороты плавали, при разгоне были провалы.
На Солексе таких проблем нет. - Ресурс. К151 имеет маленький ресурс. Через 50 тысяч километров он пришел в негодность. Более того, К151 не подлежал ремонту — попытки установить ремкомплект были тщетны. Мотор работал еще хуже. Кстати, К151 мог выйти из строя и раньше. Известная болезнь — заедание затвора вторичной камеры. Солекс имеет двойной ресурс и легко ремонтируется.
Клапан
Как мы уже отмечали ранее, ЗМЗ-402 восьмиклапанный двигатель, поэтому в системе ГРМ только один распредвал.Среди частых проблем – необходимость регулировки клапанов. На «Газели» с 402 двигателем его следует производить каждые 30 тысяч километров пробега. Причем зазоры регулируются строго под каждый вид топлива. Производитель заявляет, что тепловой зазор на обоих клапанах (впускном и выпускном) должен быть 0,4 миллиметра.
Но как показывает практика, для нормальной работы мотора нужны другие настройки. Клапана на «Газели» с 402 двигателем под 92-й бензин нужно регулировать следующим образом.
Для впускных клапанов зазор составляет 0,30 миллиметра, для выпускных — 0,25. А вот для езды на 76-м бензине нужно увеличить этот параметр до 0,44 миллиметра. Что касается большинства эксплуатируемых сегодня «Газелей» 90-х, то они ездят на пропан-бутане. Под этим топливом собственный тепловой зазор составляет 0,35 мм. Именно с такими характеристиками автомобиль будет приемистым и тяговитым.Система охлаждения
Любой двигатель внутреннего сгорания нуждается в охлаждении. Не стал исключением и двигатель Газели 402.Система охлаждения двигателя этой модели жидкостного типа, с принудительной циркуляцией от помпы. Схема СОД представлена в нашей статье.
Устройство этой системы одинаково на всех Газелях. Единственное — на модификациях «маршрутки» есть два отопителя и дополнительный электронасос. В конструкцию СОД входят:
- Термостат.
- Расширительный бачок.
- Радиатор.
- Вентилятор с приводом от коленчатого вала.
- Датчик температуры охлаждающей жидкости.

- Ремень (для привода вентилятора).
- Радиатор салона.
- Водяной насос.
- Перепускной клапан.
- Электрический насос системы отопления.
В качестве охлаждающей жидкости производитель рекомендует использовать Тосол А-40. Мотор также работает на чистой дистиллированной воде. Однако его нельзя использовать зимой.
Ниже мы рассмотрим наиболее важные элементы системы охлаждения двигателя Газель 402.
Термостат
СОД состоит из двух кругов — малого и большого.Первая жидкость циркулирует до тех пор, пока двигатель не прогреется. Как только температура достигает заданного значения (обычно 70-80 градусов), антифриз движется по большому кругу. Для чего нужен термостат? Именно он управляет регулировкой и подает жидкость по определенному контуру в зависимости от ее температуры. Что касается неисправностей термостата на 402-м моторе, то часто происходит клин элемента при закрытии. Ввиду этого мотор начинает перегреваться, так как жидкость циркулирует только по малому кругу, минуя основной радиатор.
водяной насос
Другое его название водяной насос. Этот механизм обеспечивает циркуляцию антифриза в системе охлаждения. Деталь работает от коленчатого вала. Чем выше его скорость, тем больше крутится крыльчатка насоса.
Среди неисправностей помпы на 402-м моторе стоит отметить завывание подшипника. В этом случае насос разбирается и меняется вал в сборе с подшипником. Также в негодность приходят сальник, шкив и крыльчатка.
Вентилятор и радиатор
На Газель с 402-м двигателем с завода устанавливается трехрядный медный радиатор. Он достаточно вынослив и служит очень долго. Но со временем (особенно при использовании некачественной охлаждающей жидкости) начинается внутренняя коррозия металла. Из-за этого портится радиатор и двигатель сильно греется. Коррозия также приводит к утечке антифриза. Что касается вентилятора, то он шестилопастный и установлен на шкиве коленчатого вала. Элемент вращается с той же частотой, что и сам вал.Вентилятор работает постоянно, из-за чего 402-й мотор не может нормально прогреваться зимой.
Нагревательные элементы
К ним относятся:
- Радиатор салона.
- Вентилятор отопителя с электродвигателем.
- Патрубки соединительные.
- Элементы управления для печи с тросовым приводом.
Часто обрывается трос, который блокирует вентиль на плите. Благодаря этому согревает и летом, и зимой. Сам радиатор и вентилятор служат относительно долго.
Водяная рубашка и форсунки
Первая находится в самом блоке цилиндров, а также в ГБЦ. Принцип водяной рубашки прост. Холодный антифриз, который поступает из радиатора, поступает в каналы агрегата и забирает часть тепла. Затем жидкость снова попадает в радиатор и охлаждается. Среди недостатков рубашки стоит отметить засорение каналов и внутреннюю коррозию. Опять же, виновником этой проблемы является некачественная охлаждающая жидкость.
Генератор Газель (двигатель 402)
Немного о навесном. Двигатель ЗМЗ-402 оснащен 65-амперным генератором модели 1631.
3701. Это трехфазный синхронный генератор со встроенным выпрямителем на кремниевых диодах. Он приводится ремнем от шкива коленчатого вала. Ротор вращается на шарикоподшипниках, находящихся в крышках. Стоит отметить, что смазка на вал ротора закладывается на весь срок его службы. Внутри задней крышки находится выпрямительный блок, регулирующий напряжение.Выпрямитель состоит из шести диодов, установленных в подковообразной пластине. Этот генератор может дать ток от 12 до 14 вольт. В статоре — две трехфазные обмотки, соединенные между собой параллельно. Охлаждение — воздушное, через окна в крышке.
Для возбуждения на роторе генератора расположена обмотка. Его выводы идут на два медных контакта, которые соединены с кольцами вала ротора. Питание подается через угольные щетки. Среди проблем этого генератора владельцы выделяют малую мощность.Для полноценной работы требуется минимум 80 ампер-часов. Также часто выходят из строя щетки генератора и шоколадка (регулятор напряжения).




5 вольт.
Единственное, когда это возможно — когда вышел из строя предохранитель, без которого авто не заводится, к примеру, отвечающий за бензонасос, и вам нужно будет только доехать до ближайшего магазина.
Этот узел, как известно, предназначен для питания всего электрооборудования авто. Состоит он из множества компонентов, чаще всего изнашиваются щетки, перегорают обмотки, выходит из строя реле напряжения. Также нужно следить за натяжением ремня генератора — он не должен быть перетянут или не дотянут. Повреждения ремня также не допускаются — при их наличии нужно задуматься о скорой замене.


Включение зажигания является для блока управления сигналом на подключение питания (+12 В) к реле системы топливоподачи. При отсутствии опорных сигналов положения коленчатого вала блок управления выключает реле. При возобновлении опорных сигналов положения к.в. блок вновь включает реле бензонасоса.
Блок корректирует угол опережения зажигания в зависимости от уровня детонации для ее гашения
Напряжение на данные контакты поступает через форсунки, соединенные с +12 В. При включенном зажигании и неработающем двигателе напряжение на контактах равно напряжению аккумулятора. На холостом ходу система зарядки несколько повышает это напряжение. При более высоких частотах вращения или большей нагрузке двигателя возросшая частота и длительность импульса впрыска форсунки вызывают некоторое снижение напряжения по сравнению с напряжением на холостом ходу.
Создает возбуждение в катушке зажигания 2 и 3.
Напряжение на контакте относительно «массы» должно быть близким к нулю.
Датчик, соединенный также с «массой», меняет напряжение в зависимости от температуры охлаждающей жидкости.
Как правило, на холостом ходу напряжение ниже 1 В, а при полностью открытой дроссельной заслонке составляет 4,4…4,7 В.
На Солексе таких проблем нет.
На Солексе таких проблем нет.