Схема подключения замок зажигания уаз буханка: Замок зажигания уаз буханка: устройство, схема подключения
Замок зажигания уаз буханка: устройство, схема подключения
Эффективное зажигание позволяет быстро без проблем запускать двигатель автомобиля в любых условиях. С исправным зажиганием без перебоев функционируют все системы электрического обеспечения: стеклоочистители, освещение, потребители, датчики, указатели. Какие существуют типы систем, настройка, регулировка зажигания УАЗ 469 – в данной статье.
Система зажигания УАЗ 469
Фото 1: Система зажигания УАЗ 469 (Источник: Яндекс.Картинки)
Система зажигания УАЗ 469
Чтобы завести движок любого транспортного средства, необходимо, чтобы горючая смесь воспламенилась в нужный момент в камере сгорания. Эффективная работа поршневой системы достигается правильной настройкой всех параметров. Система зажигания УАЗ 469 позволяет эксплуатировать транспортное средство независимо от климата, температуры, влажности и других внешних факторов.
Зажигание УАЗ 469 предусматривает, чтобы все элементы были исправными и безукоризненно выполняли возложенные на них функции.
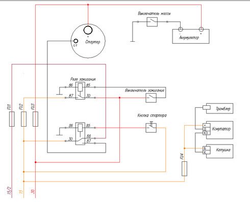
Для УАЗ 469 схема зажигания состоит из следующих комплектующих:
- катушка зажигания УАЗ 469;
- трамблер;
- жгуты;
- коммутатор;
- свечи.
Каждый отдельный компонент электрической цепи не должен допускать пробоя на корпус автомобиля и утечек тока.
Фото 2: Схема системы зажигания УАЗ 469 (Источник: Яндекс.Картинки)
Зажигание автомобиля УАЗ 469 включает в себя следующие элементы:
- АКБ;
- кнопка массы;
- реле-регулятор напряжения;
- генератор;
- амперметр;
- замок зажигания УАЗ 469;
- контакты прерывателя-распределителя;
- трамблер;
- конденсатор;
- крышка прерывателя-распределителя зажигания;
- бегунок;
- свечи зажигания;
- провод высокого напряжения;
- дополнительное сопротивление;
- дополнительное реле стартера;
- катушка зажигания;
- стартер.
Порядок зажигания УАЗ 469 строго регламентирован, искра возникает точно в заданной последовательности.
Важным моментом является не только своевременность подачи искры, но и ее величина. При возникновении малейших перебоев заново настраивается вся цепочка.
Автомобильная АКБ не рассчитана на выработку достаточного объема тока и напряжения, которые требуются для воспламенения горючей смеси. Ток зарядки способен только непродолжительное время раскручивать маховик двигателя. Для устойчивой работы мотора должна полноценно начать функционировать вся система зажигания транспортного средства.
Данный важный узел машины предназначен для существенного повышения мощностных характеристик аккумуляторной батареи. Исправное зажигание совместно с аккумуляторной батареей отправляет свечам достаточный объем и силу тока, необходимого для уверенного розжига топливной смеси.
Принцип работы системы зажигания
Обеспечение, поддержание своевременного воспламенения воздушно-топливной смеси для эффективного функционирования ДВС является главной задачей зажигания. Это происходит в строгом соответствии с установленным порядком работы цилиндров двигателя.
В электрическую цепь последовательно подключена катушка зажигания 16 вместе с дополнительным сопротивлением 14. Оно автоматически замыкается в момент запуска мотора стартером.
Это существенно увеличивает разрывной ток первичной цепи. Катушка зажигания 16 создает в бортовой электрической системе автомобиля импульсы высокой частоты. Вспышки высокого напряжения создают пробой искрового промежутка в свечах зажигания 12, вкрученных в верхнюю точку каждого цилиндра, где осуществляется сжатие рабочей топливной смеси.
Катушка состоит из первичной и вторичной обмоток. Первичная обмотка намотана сверху на вторичную. Внутри катушки расположен сердечник и кольцевой магнитопровод. Оба эти элемента изготовлены из специальной электротехнической стали. Надежная герметизация катушки осуществляется карбонитовой крышкой в кожухе с резиновой прокладкой.
Трансформаторное масло для охлаждения заливается в кожух. Данный материал существенно повышает изоляцию обмоток и эффективно отводит тепло от корпуса катушки.
Чтобы избежать повреждения катушки, ее перегрева, зажигание в авто при неработающем двигателе оставлять включенным не рекомендуется.
Трамблер 8 распределяет импульсы высокого напряжения по всем цилиндрам двигателя внутреннего сгорания строго в установленной последовательности. Трамблер или прерыватель-распределитель установлен в штатное место слева от блока цилиндров двигателя. Привод механизма осуществляется от валика масляного насоса. Вращение валика производится против часовой стрелки со стороны крышки.
Как правильно выставить зажигание
Для того, что бы выставить зажигание на УАЗ 469 необходимо придерживаться следующих рекомендаций:
- Снять крышку трамблера с ротором. Проверить размер зазора между контактами. Его можно регулировать. Между контактами, максимально разведенными, должен быть зазор 0,35 – 0,45 мм. Регулировку лучше всего осуществлять набором щупов. Слишком малый зазор дает слабую искру. При большом зазоре искры может не быть совсем. Сделав нормальный зазор, ротор можно установить на штатное место.

- Свечным ключом выкрутить свечу первого цилиндра. Закрыть пальцем отверстие под свечу. Пусковой рукояткой провернуть коленчатый вал до тех пор, пока палец не будет выталкивать сжатым воздухом. Этот момент называется началом хода сжатия первого цилиндра.
- Продолжать проворачивать пусковую рукоятку до совпадения отверстия на шкиве и штифта на крышке распределительных шестерен. Ротор должен находиться напротив внутреннего контакта крышки, подключенного к высоковольтному проводу от свечи первого цилиндра.
- Провернуть пластину октан-корректора вместе с трамблером, чтобы метка совпала со средней отметкой на шкале пластины.
- Слегка провернуть корпус механизма распределения против часовой стрелки. Прокручивать следует до тех пор, пока контакты трамблера не сомкнутся.
- Подключить контрольную лампочку с патроном. Один контакт соединить с выводом низкого напряжения трамблера, второй с массой машины. Подключить контрольную лампу можно к кузову авто.
- Включить зажигание, аккуратно провернуть трамблер по часовой стрелке.
Крутить, пока не загорится контрольная лампа, после этого прекратить вращение. Может быть такое, что лампа не загорается. Повторить все действия с самого начала. - Затянуть крепежный болт распределителя. Крышку с центральным проводом установить на место. Проверить регулировку, начиная с первого цилиндра. Проверка осуществляется против часовой стрелки.
Порядок зажигания УАЗ 469
Каждый автомобиль имеет свой порядок зажигания. Это значит, что цилиндры двигателя осуществляют свое движение в строго оговоренном порядке. Нарушать его нельзя ни в коем случае. Иначе двигатель полностью разрушится. Порядок зажигания автомобиля УАЗ 469 и работы его цилиндров следующий:
Первый-второй-четвертый-третий.
Проверка осуществляется с учетом подсчета против хода часовой стрелки.
Зачем выставлять зажигание
При правильно выставленном зажигании:
- Двигатель эффективно, устойчиво и стабильно работает на всех режимах. Иначе мотор функционирует с перебоями, стуками, хлопками.
Нестабильная работа двигателя доставляет много проблем, снижает динамику автомобиля и скоростные характеристики. - После правильной регулировки зажигания существенно улучшается запуск холодного силового агрегата.
- При разрегулированном зажигании расход топлива увеличивается. После регулировки он значительно снижается.
- Мощность двигателя также заметно возрастает на автомобиле после правильной регулировки зажигания.
Какие бывают системы зажигания на УАЗ 469
Контактное зажигание на УАЗ 469. Сейчас оно признано морально устаревшим. Однако отечественные производители продолжают его использовать. Система осуществляет запуск импульса определенной мощности. Этот импульс появляется от распределителя зажигания. Схема контактного зажигания УАЗ 469 простая и незамысловатая. В этом ее преимущество. Водитель своими руками может устранить любую неисправность и выполнить регулировку. Цены комплектующих невысокие.
Транзисторное или бесконтактное зажигание УАЗ 469.
Бесконтактная система зажигания устанавливается на многих видах транспортных средств. Имеет целый ряд преимуществ перед контактной конструкцией. Искра, вырабатываемая подобным устройством, намного мощнее. Это происходит вследствие повышенного уровня электрического напряжения во вторичной обмотке катушки зажигания. Транзисторная система зажигания оснащена электромагнитным механизмом. Он обеспечивает стабильную постоянную работу всей системы, бесперебойно передавая энергию узлам, деталям, механизмам. Правильно настроенное зажигание при эффективном ДВС гарантирует высокую мощность и существенную экономию топлива. Длительную надежную работоспособность обеспечивает соблюдение периодичности обслуживания привода трамблера. Его необходимо смазывать и регулировать каждые 10 000 км пробега. Сложность ремонта является недостатком бесконтактной системы зажигания. Самостоятельному ремонту она не подлежит, поскольку для этого необходимо специальное диагностическое оборудование, имеющееся только в условиях сервисных центров и СТО.
Электронное зажигание на УАЗ 469. Данный тип зажигания самый технологичный, но в то же время недешевый. Подобными устройствами оснащаются современные модели авто. Имеет сложную технологию, обеспечивающую не только высокий момент, но и ряд других показателей двигателя. Преимущества: простая настройка угла опережения, отсутствие обязательной проверки контактов на предмет окисления. В двигателях, оснащенных электронной СЗ, топливная смесь сгорает на все 100%. Ремонт необходимо осуществлять только на СТО.
Подводное зажигание на УАЗ 469. Это герметичная система зажигания, при которой не страшно заливание водой, попадание в глубокие ямы, движение по открытой местности во время снега и дождя. Когда зажигание обычное – контактное либо бесконтактное, внутри трамблера, между крышкой и бегуном реально теряется 50% искровой мощности. Выясним, почему это происходит.
Между электрическими контактами, которыми является крышка трамблера и бегунок, имеется небольшой промежуток.
Для прохождения электрической энергии в этом пространстве затрачивается большая часть дополнительного тока. При контактном зажигании для этих целей тратиться еще часть энергии на функционирование кулачка.
Подводное зажигание сконструировано таким образом, что в нем искра с катушки напрямую попадает на свечу зажигания. Осуществляя данный процесс, она не теряет своей основной мощности, кроме сопротивления высоковольтных проводов. Здесь утрата мощности совсем незначительная, поэтому можно ее не учитывать.
Стоит отметить, что на большинстве машин иностранного производства на каждый цилиндр раздельно ставится катушка, которая располагается сразу на свече, и утрата соответственно совсем незначительная.
Схема подключения замка зажигания uaz hunter
Автор admin На чтение 10 мин Просмотров 1 Опубликовано Обновлено
Содержание
- УАЗ Хантер электрическая схема
- Общая информация
- Меры предосторожности
- Взаимосвязь мотора и схемы
- Салон автомобиля
- Сайт о внедорожниках УАЗ, ГАЗ, SUV, CUV, кроссоверах, вездеходах
- Сайт о внедорожниках УАЗ, ГАЗ, SUV, CUV, кроссоверах, вездеходах
УАЗ Хантер электрическая схема
Сегодня ни одно транспортное средство не может обойтись без электрической составляющей, поэтому схема электрооборудования УАЗ Хантер неоднократно модернизировалась и дорабатывалась.
Результатом усилий конструкторов стал полноценный продукт, отвечающий европейским стандартам безопасности и качества. Не случайно марка удостоилась похвал со стороны поклонников и ценителей после появления обновлённой модификации УАЗ-315195, соответствующего нормам Евро-5, в 2014 году.
Детище Ульяновского завода и сегодня пользуется популярностью на рынке. Большинство владельцев ценят автомобиль за надёжную и безотказную конструкцию, которая радует живучестью и способностью преодолевать бездорожье.
Серийный выпуск автомобиля УАЗ модификации «Hunter» начался девятнадцатого ноября 2003 года. Предшественники машины, модификации: 3151, 31512, 31514, 31519, 3153 выпускались с 85 по 2007 год. Основоположник, заложивший принципы вездеходной модели, УАЗ-469, выпускался с 72 по 85 год. Для большинства поклонников стало неожиданным прекращение выпуска автомобиля в 2014 году. Однако годом позже, создание возобновилось, только модификация соответствовала повышенным нормам экологии класса Евро-5.
Схема электрооборудования УАЗ «Hunter» с впрыском топлива:
Схема электропроводки УАЗ Хантер выполнена по принципу одного проводника, вторым выступает корпус автомобиля. Электрические цепи, управляющие силовой установкой с несколькими проводниками, на остов замыкание идёт только через электронный блок. Связь с другими потребителями происходит посредством замка зажигания. В составе комбинированного выключателя точка взаимодействия и механизм предотвращающий воровство. Контур безопасен, поскольку значение бортового напряжения не превышает двенадцати вольт.
Консоль машины оборудована устройствами размыкания дорожного света и фонарей против тумана. Кроме того, предусмотрены регуляторы режима работы электрического вентилятора печки. В единый блок, расположенный на переключателях под рулём автомобиля объединены: фары, лампы поворота, очистители стекла, брызгалка очистительной жидкости. Устройства, потребляющие больше мощности, подключаются через реле электромагнитов.
Схема соединения управления мотором ЗМЗ-5143.10:
Меры предосторожности
Автомобиль УАЗ Хантер, электрическая схема которого при неверной эксплуатации выходит из строя, требует выполнения правил безопасности.
- Манипуляции с машиной, связанные с электрическим оборудованием, проводятся со снятой батареей аккумулирующей энергию. Отключение и включение аккумулятора в цепь проводится в обязательном порядке при де активированном возбуждении;
- Контроль цепей проводится без замыкания проводников на корпус, кроме того, проверка исправности оборудования методом «искры» запрещена, поскольку приведёт к поломке некоторых блоков;Используются только предохранительные элементы установленного образца;Замена предохранителей проводится приборами не из металла, что бы избежать соединения точек электрической цепи с разным потенциалом;Нельзя снимать батарею с работающей силовой установки, это выведет из строя регулятор напряжения и другие элементы;
- Нельзя касаться проводников с высокой степенью электрического потенциала на заведенном моторе;Исключена проверка диодов блока выпрямления омметром, а так же лампой контроля, питание которых больше 12В без отключения изделий от генерирующего устройства;Противодействие прохождению тока изоляционным слоем катушки статора генерирующего устройства проверяется на изделии, демонтированном с машины и отключенном от блока выпрямления;
- Манипуляции со сварочным аппаратом на борту UAZ «Hunter» проводится с предварительным отключением проводников от аккумулятора, а так же отключением выводов генерирующего устройства и контроллера;
- При зарядке аккумуляторной батареи изделие отключается от автомобиля.

Взаимосвязь мотора и схемы
При выпуске автомобиля, конструкторы снабдили УАЗ «Hunter» тремя видами силовых установок. Такой ход позволил выбрать автомобиль, удовлетворяющий запросам потребителя. Однако применяемый ход, внес изменения в электрическую схему автомобиля. Так, электросхема УАЗ Хантер дизель отличается, в сравнении с бензиновым агрегатом. Кроме того, применяемая на моторах электроника раньше не использовалась.
- Блок, управляющий электронным зажиганием;
- Электронная начинка, управляющая мотором;
- Датчики считывания показателей мотора;
- Электронные механизмы исполнения.
| Силовые установки, применяемые на УАЗ «Hunter» | |||
| Модель мотора | УМЗ-4213 | ЗМЗ-409.10 | ЗМЗ-5143.10 |
| Тип мотора | Бензин (инжектор) | Бензин (инжектор) | Дизель |
| Объём мотора, (л) | 2,890 | 2,693 | 2,235 |
Мощность мотора, (л. с.) | 104 | 128 | 98 |
| Цилиндры, (шт) | 4 | ||
| Камера, расположение | ряд | ||
| Камера, сечение, (мм) | 100 | 95,5 | 87 |
| Ход вытеснителя, (мм) | 92 | 94 | 94 |
| Сжатие | 8,2 | 9,0 | 19,5 |
Технологические решения облегчили диагностику и обновление автомобиля. Стоит отметить вклад, внесённый электронной системой, управляющей двигателем. Главную задачу в узле выполняет электронный контроллер. Ошибки в работе силовой установкой фиксируются и в виде цифрового кода передаются на устройство считывания.
Считывание информации происходит через разъём диагностики. Подключение прибора и последующая расшифровка кода, даёт представление о том, где произошел сбой и как устранить поломку. Выполнение диагностики подразумевает выполнение манипуляций.
Диагностический разъём УАЗ:
- Алгоритм действий следующий:
- Установить ключ зажигания в положение «выключено»;
- Снимаем аккумулятор с автомобиля на 10-15 секунд.
Запускается режим «самостоятельной диагностики» контроллера; - Подсоединяем аккумулятор обратно к автомобилю;
- Запускаем мотор, даём поработать шестьдесят секунд;
- Соединяем выводы диагностического разъёма отдельным проводником, это активирует режим «самостоятельной диагностики»;
Генерирующее устройство Bosch 6 003 GB5011:
Подтверждением включения будет код «12», выведенный три раза на устройстве считывания, последующие коды — зафиксированные ошибки.
Для питания автомобиля и зарядки аккумулятора используются новые генерирующие электрический ток устройства. На начальной стадии схема электропроводки УАЗ Хантер инжектор 409 двигатель включала изделие «Iskra», дизельный мотор имел «Bosch 6 003 GB5011». Поскольку схемы генерирующих устройств отличаются, разъёмы и применяемые проводники под капотом автомобиля так же отличаются. В последних моделях производитель начал устанавливать генерирующее устройство собственной конструкции (9422.3701).
Так же можете прочитать про Расход топлива на 100 км УАЗ 469.
Салон автомобиля
Изменения коснулись и салона автомобиля, сделав модификацию привлекательной и способной конкурировать с автомобилями аналогичных производителей. Поменялась обивка, приборная панель, а так же электрическая схема салона.
УАЗ «Hunter», панель приборов:
- Установлена новая, информативная панель приборов;
- Установлены электрические подъёмники стекол;
- Схема электрооборудования УАЗ Хантер 315195 инжектор включает реле, защищающее впрыск топлива.Установлен электрический очиститель стекла и задней двери;
- Применяются плавкие предохранители нового типа, защищающие двадцать шесть автомобильных цепей.
Источник
Сайт о внедорожниках УАЗ, ГАЗ, SUV, CUV, кроссоверах, вездеходах
Электрооборудование автомобилей Уаз Хантер моделей 315195-023, 315195-123, 315195-025, 315195-125, выпуска до 2010 года, в основном, выполнено по однопроводной схеме.
Отрицательные выходы потребителей соединены с кузовом автомобиля, который выполняет функции второго провода. Номинальное напряжение в бортовой сети — 12 Вольт. Схема электрооборудования представлена ниже.
Схемы электрооборудования Уаз Хантер моделей 315195-023, 315195-123, 315195-025, 315195-125, выпуска до 2010 года.
Электрические цепи системы управления двигателем выполнены по многопроводной схеме и соединены с массой автомобиля только через электронный блок управления. Для коммутации основных цепей автомобиля служит комбинированный замок зажигания, включающий в себя контактную часть и механическое противоугонное устройства с замком.
Выключатели наружного освещения и фар противотуманного света, переключатель режимов работы электровентилятора отопителя расположены на консоли под панелью приборов. Выключатели дальнего света фар, указателей поворота, стеклоочистителя и стеклоомывателя объединены в блок подрулевых переключателей. Электропотребители большой мощности включаются через отдельные электромагнитные реле.
Схема электрооборудования Уаз Хантер моделей 315195-023, 315195-123 с двигателем ЗМЗ-409 и системой электронного управления впрыском топлива и зажиганием с блоком управления МИКАС-7.2.
Схема электрооборудования Уаз Хантер моделей 315195-025, 315195-125 с двигателем ЗМЗ-409 и системой электронного управления впрыском топлива и зажиганием с блоком управления МИКАС-7.2.
Особенности эксплуатации электрооборудования Уаз Хантер.
— Любые работы с электрооборудованием автомобиля должны проводится только при отключенной аккумуляторной батарее.
— Отсоединять или подсоединять аккумуляторную батарею можно только при выключенном зажигании.
— При проверке цепей электрооборудования запрещается замыкать на массу провода, проверять исправность цепей «на искру», так как это может привести к выходу из строя элементов электрооборудования.
— Запрещается применять предохранители, не предусмотренные конструкцией автомобиля или рассчитанные на больший ток, и проволоку вместо предохранителей.
— При замене предохранителей запрещается использовать отвертки и металлические инструменты, поскольку это может привести к короткому замыканию в цепях электрооборудования.
— Запрещается отсоединять аккумуляторную батарею при работающем двигателе во избежание выхода из строя регулятора напряжения и элементов электронного оборудования автомобиля.
— Чтобы не вышли из строя диоды выпрямительного блока генератора, запрещается на автомобиле проверять их мегомметром или контрольной лампой, питаемой напряжением более 12 Вольт, без отсоединения проводов от генератора.
— Не касайтесь элементов системы зажигания и высоковольтных проводов на работающем двигателе.
— Проверять сопротивление изоляции обмотки статора генератора повышенным напряжением необходимо на генераторе снятом с автомобиля, при отсоединенных от диодного блока выводах обмотки статора.
— При проведении электросварочных работ на автомобиле необходимо отсоединять провода от клемм аккумуляторной батареи и выводов генератора и блока управления двигателем.
— Не прокладывайте провода низкого напряжения в одном жгуте с высоковольтными.
— Регулярно очищайте от окислов и грязи клеммы аккумуляторной батареи и наконечники проводов.
— При подзарядке аккумуляторной батареи с помощью зарядного устройства отсоедините провода электрооборудования автомобиля от клемм аккумулятора.
Источник
Сайт о внедорожниках УАЗ, ГАЗ, SUV, CUV, кроссоверах, вездеходах
Электрооборудование автомобилей УАЗ-31519, 315195, 315148 Хантер, в основном, выполнено по однопроводной схеме. Отрицательные выходы потребителей электроэнергии соединены с кузовом и двигателем автомобиля, которые выполняют функции второго провода. Номинальное напряжение в бортовой сети автомобиля Уаз Хантер — 12 вольт. Схемы электрооборудования представлены ниже.
Схемы электрооборудования автомобилей УАЗ-31519, 315195, 315148 Хантер выпуска до 2007 года.
Электрические цепи системы управления двигателем выполнены по многопроводной схеме и соединены с массой автомобиля только через электронный блок управления.
Для коммутации основных цепей автомобиля служит комбинированный выключатель (замок) зажигания, состоящий из контактной части и механического противоугонного устройства с замком.
Выключатели наружного освещения и противотуманного света, переключатель режимов работы электровентилятора отопителя расположены на консоли под панелью приборов. Выключатели фар, указателей поворота, стеклоочистителя и стеклоомывателя объединены в блок подрулевых переключателей. Электропотребители большой мощности включаются через электромагнитные реле.
Схемы электрооборудования имеют следующие обозначения цвета проводов :
Б — белый; Г — голубой; Ж — желтый; З — зеленый; К — красный; Кч — коричневый; О — оранжевый; Р — розовый; С — серый; Ф — фиолетовый; Ч — черный; СБ — серый с белой полосой; СК — серый с красной полосой; СГ — серый с голубой полосой; ГК -голубой с красной полосой; КчБ — коричневый с белой полосой; ОГ — оранжевый с белой полосой; БГ — белый с голубой полосой; ЗЖ — зеленый с желтой полосой; ЗК — зеленый с красной полосой; ЗЧ — зеленый с черной полосой; РГ — розовый с голубой полосой; РЧ — розовый с черной полосой; ФБ — фиолетовый с белой полосой.
Схема электрооборудования УАЗ-31519 с двигателем УМЗ-4218 и бесконтактной системой зажигания.
Схема электрооборудования УАЗ-31519-095 и УАЗ-31519-195.
Схема электрооборудования УАЗ-315195 Хантер с двигателем ЗМЗ-409 Евро-2 и системой электронного управления впрыском топлива и зажиганием с блоком управления МИКАС-7.2.
Схема электрооборудования УАЗ-315148 Хантер с двигателем ЗМЗ-5143 и системой электронного управления двигателем с блоком управления VS-9.2 514.3763.
Электрическая схема системы управления двигателем УАЗ-315148 Хантер с двигателем ЗМЗ-5143 и блоком управления VS-9.2 514.3763.
Особенности эксплуатации электрооборудования Уаз Хантер.
— Любые работы с электрооборудованием автомобиля проводите только при отключенной аккумуляторной батарее.
— Отсоединять или подсоединять аккумуляторную батарею можно только при выключенном зажигании.
— При проверке цепей электрооборудования запрещается замыкать на массу провода, проверять исправность цепей «на искру», так как это может привести к выходу из строя элементов электрооборудования.
— Запрещается применять предохранители, не предусмотренные конструкцией автомобиля или рассчитанные на больший ток, и проволоку вместо предохранителей.
— При замене предохранителей запрещается использовать отвертки и металлические инструменты, поскольку это может привести к короткому замыканию в цепях электрооборудования.
— Запрещается отсоединять аккумуляторную батарею при работающем двигателе во избежание выхода из строя регулятора напряжения и элементов электронного оборудования автомобиля.
— Чтобы не вышли из строя диоды выпрямительного блока генератора, запрещается на автомобиле проверять их мегомметром или контрольной лампой, питаемой напряжением более 12 Вольт, без отсоединения проводов от генератора.
— Не касайтесь элементов системы зажигания и высоковольтных проводов на работающем двигателе.
— Проверять сопротивление изоляции обмотки статора генератора повышенным напряжением необходимо на генераторе, снятом с автомобиля, при отсоединенных от выпрямительного блока выводах обмотки статора.


Крутить, пока не загорится контрольная лампа, после этого прекратить вращение. Может быть такое, что лампа не загорается. Повторить все действия с самого начала.
Нестабильная работа двигателя доставляет много проблем, снижает динамику автомобиля и скоростные характеристики.
с.)
Запускается режим «самостоятельной диагностики» контроллера;