Устройство карбюратора на ваз 2103: Устройство и принцип работы карбюратора ВАЗ
Устройство и принцип работы карбюратора ВАЗ
Дорогие друзья, в данном мануале мы попытаемся на пальцах объяснить основные принципы работы любого карбюратора, о его устройстве, с иллюстрациями и достаточно подробными комметариями. Особенно полезной будет эта статья для новичков, которые хотят разобраться в теме. В статье мы рассмотрим следующие моменты:
Режимы работы двигателя и состав горючей смеси, систему холостого хода и переходную систему, устройство поплавковой камеры и принципы ее работы, главную дозирующую систему карбюратора, систему пуска, принцип работы эконостата и многое другое. Ведь от правильной работы всех этих узлов напрямую зависит аппетит вашего авто. Он может быть как выше так и ниже того, который указан в технических характеристиках вашей машины. К примеру расходы Ваз — 2114, 2110, 2112 можете узнать пройдя по ссылке, паспортные расходы семерки ВАЗ-2107 можете глянуть здесь, и т.д. В общем запаситесь терпением, попкорном и приготовьтесь к интересному чтиву.
Режимы работы двигателя и состав горючей смеси
СОСТАВ ГОРЮЧЕЙ СМЕСИ Для работы двигателя внутреннего сгорания необходима смесь топлива с воздухом. В карбюраторных двигателях топливо (бензин) смешивается с воздухом в определенной пропорции вне цилиндров и, частично испарившись, образует горючую смесь. Этот процесс называется карбюрацией, а прибор, приготавливающий такую смесь, — карбюратором. Смесь, пройдя по впускному трубопроводу, попадает в цилиндры двигателя, где смешивается с остатками горячих отработавших газов, образуя рабочую смесь. Частички распыленного топлива при этом испаряются. Для пуска двигателя и его работы на разных режимах, необходим различный состав горючей смеси. Поэтому карбюратор устроен так, что позволяет изменять количественное соотношение распыленного топлива и воздуха в смеси, поступающей в цилиндры двигателя. Для полного сгорания 1 кг топлива необходимо около 15 кг воздуха. Топливовоздушная смесь в такой пропорции называется нормальной.
Режим работы двигателя на этой смеси имеет удовлетворительные показатели по экономичности и развиваемой мощности. Незначительное увеличение количества воздуха в топливовоздушной смеси по сравнению с его нормальным содержанием (но не более 17 кг) приводит к обеднению смеси. На обедненной смеси двигатель работает в наиболее экономичном режиме, т.е. расход топлива на единицу развиваемой мощности минимален. Полную мощность на такой смеси двигатель не разовьет. При избытке воздуха (17 кг и более) образуется бедная смесь. Двигатель на такой смеси работает неустойчиво, при этом расход топлива на единицу вырабатываемой мощности возрастает. На смеси переобедненной, содержащей более 19 кг воздуха на 1 кг топлива, работа двигателя невозможна, так как смесь не воспламеняется от искры. Небольшой недостаток воздуха в топливовоздушной смеси по сравнению с нормальным (от 15 до 13 кг) способствует образованию обогащенной смеси. Такая смесь позволяет двигателю развивать максимальную мощность при несколько повышенном расходе топлива.
Если воздуха в смеси меньше 13 кг на 1 кг топлива, смесь богатая. Из-за недостатка кислорода топливо сгорает не полностью. Двигатель на богатой смеси работает в неэкономичном режиме, с перебоями и при этом не развивает полной мощности. Переобогащенная смесь, содержащая менее 5 кг воздуха на 1 кг топлива, не воспламеняется — работа двигателя на ней невозможна. ПУСК ДВИГАТЕЛЯ При пуске холодного двигателя часть распыляемого топлива оседает на стенках впускного трубопровода, а часть испарившегося топлива, попав в цилиндры, конденсируется на стенках. К тому же при низкой температуре воздуха смесеобразование ухудшается, т. к. замедляется испарение бензина. Поэтому для пуска холодного двигателя необходимо, чтобы карбюратор приготовил переобогащенную топливовоздушную смесь. РАБОТА НА ХОЛОСТОМ ХОДУ На холостом ходу частота вращения коленчатого вала двигателя невелика, а дроссельные заслонки карбюратора почти полностью закрыты. Из-за этого вентиляция цилиндров не столь эффективна, по сравнению с работой на средней и высокой частотах вращения коленчатого вала и мало количество горючей смеси, поступающей в двигатель.
В рабочей смеси содержится большое количество отработавших (остаточных) газов. Поэтому для устойчивой работы двигателя на холостом ходу необходима обогащенная смесь. РЕЖИМ ЧАСТИЧНЫХ НАГРУЗОК На режиме частичных нагрузок от двигателя не требуется полная мощность. Дроссельные заслонки открыты не полностью, но вентиляция цилиндров хорошая. Поэтому на этом режиме достаточно обедненной горючей смеси. Соотношение развиваемой двигателем мощности к количеству потребляемого топлива позволяет считать режим частичных нагрузок самым экономичным. РЕЖИМ ПОЛНОЙ НАГРУЗКИ На режиме полной нагрузки от двигателя требуется максимальная или близкая к максимальной мощность. Двигатель при этом работает на высоких оборотах, а дроссельные заслонки полностью (или почти полностью) открыты. Для этого режима требуется обогащенная смесь, обладающая повышенной скоростью сгорания. РЕЖИМ РЕЗКОГО УВЕЛИЧЕНИЯ НАГРУЗКИ При работе двигателя в режиме резкого увеличения нагрузки, например при разгоне автомобиля, необходима обогащенная смесь.
Но поскольку процесс смесеобразования обладает некоторой инертностью, чтобы предотвратить возникновение «провала» при наборе скорости, требуется дополнительное кратковременное обогащение горючей смеси. Для этого дополнительное топливо впрыскивается непосредственно в смесительную камеру карбюратора.
ОСНОВНЫЕ СИСТЕМЫ КАРБЮРАТОРА
Современные карбюраторы оснащены десятком различных систем и устройств, которые имеют разветвленную сеть каналов, многочисленные калиброванные отверстия, сложные рычажные передачи и пневматические камеры. Сразу разобраться в этом хитросплетении непросто. Поэтому полезно рассмотреть все основные системы по отдельности на примере упрощенных схем. И начать следует с принципа работы и устройства простейшего карбюратора.
Конструкция простейшего карбюратораДля работы бензинового двигателя необходимо во всасываемый воздух добавлять топливо, которое затем сгорает в цилиндре при рабочем ходе поршня.
Чтобы топливо надежно воспламенялось и полностью сгорало, необходимо тщательно перемешивать его с воздухом и при этом выдерживать оптимальный со-став горючей смеси на всех режимах работы двигателя. Эти функции выполняет карбюратор, соединенный впускным трубо-проводом с цилиндрами двигателя. Простейший карбюратор состоит из двух камер: поплавковой и смесительной. Процесс приготовления горючей смеси продолжается на всем пути движения топлива и воздуха по впускному тракту, вплоть до цилиндров, но начинается с распы-ления топлива в смесительной ка-мере карбюратора. Для этого в смесительной камере установлен распылитель в виде трубки. Срез трубки выведен в центр диффузора камеры. Диффузор — это участок сужения смесительной камеры. Скорость воздушного потока в диффузоре возрастает, и у распылителя возникает разрежение. Под действием этого разрежения топливо вытекает из распылителя и интенсивно перемешивается с воздухом. В распылитель топливо поступает из поплавковой камеры, с которой он связан каналом.
В канале установлен жиклер — пробка со сквозным отверстием определенных размеров и формы. Жиклер ограничивает поступление топлива в рас-пылитель. Одно из условий нормальной работы карбюратора — правильная установка уровня топлива в поплавковой камере. Поддерживается уровень топлива в камере при помощи поплавкового механизма с игольчатым клапаном. Топливо подается в поплавковую камеру по топливо-проводу. По мере заполнения камеры поплавок поднимается, а игла запирает отверстие клапана, при этом вытесняемый топливом воздух выводится наружу через специальное отверстие. Поплавковая камера и распылитель представляют собой сообщающиеся сосуды. Уровень топлива в поплавковой камере устанавливается так, чтобы он находился чуть ниже среза распылителя. При повышенном уровне топливо будет выходить из распылителя, переобогащая смесь, при пониженном — поступление топлива в распылитель недостаточно, в результате чего образуется сильно обедненная горючая смесь. Для того чтобы изменять состав смеси, в смесительной камере над диффузором установлена воздушная заслонка.
По мере закрывания воздушной заслонки смесь будет обогащаться. Чрезмерное прикрывание заслонки приведет к переобогащению смеси и остановке двигателя. Для регулировки количества топливовоздушной смеси, поступающей в цилиндры, в нижней части смесительной камеры установлена дроссельная заслонка. Когда воздушная и дроссельная заслонки полностью открыты, сопротивление потоку воздуха минимально. Простейший карбюратор готовит горючую смесь оптимального состава только в определенном диапазоне частот вращения коленчатого вала. Диапазон зависит от пропускной способности жиклера, сечения диффузора, уровня топлива и положения дроссельной заслонки. Автомобильный двигатель должен работать в широком диапазоне частот вращения коленчатого вала и при постоянно изменяющейся нагрузке. Для приготовления смеси оптимального состава на всех возможных режимах работы автомобильные карбюраторы оборудованы дополнительными системами.
Главная дозирующая система карбюратора предназначена для подачи основного количества топлива на всех режимах работы двигателя, кроме режима холостого хода.
При этом на средних нагрузках она должна обеспечивать приготовление требуемого количества обедненной смеси приблизительно постоянного состава. В простейшем карбюраторе по мере открытия дроссельной заслонки увеличение расхода воздуха, проходящего через диффузор, про-водит медленнее, чем увеличение расхода топлива, вытекающего из распылителя. Горючая смесь становится богатой. Чтобы исключить переобогащение смеси, необходимо компенсировать ее состав воздухом в зависимости от степени открытия дроссельной заслонки. В карбюраторе такое возмещение осуществляет главная дозирующая система. В карбюраторах «Солекс» компенсация осуществляется пневматическим торможением: топливо в распылитель поступает не непосредственно из поплавковой камеры, а через эмульсионный колодец — вертикальный канал, в котором установлена эмульсионная трубка. Стенки трубки имеют отверстия для выхода воздуха, поступающего в нее сверху через воздушный жиклер. Поступление топлива в эмульсионный колодец определяется топливным жиклером.
В эмульсионном колодце топливо смешивается с воздухом, выходящим из отверстий эмульсионной трубки. В результате в распылитель попадает топливная эмульсия, а не чистое топливо. По мере открытия дроссельной заслонки в диффузоре увеличивается разрежение и возрастает истечение эмульсии из распылителя. Одновременно растет поступление воздуха в эмульсионный колодец через воздушный жиклер, из за чего уменьшается поступление топлива из поплавковой камеры через топливный жиклер. Количество топлива, проходящего через жиклер, соответствует поступающему в диффузор количеству воздуха, что и обеспечивает компенсацию состава смеси. Требуемый состав горючей смеси задается подбором проходных сечений топливного и воздушного жиклеров, а также типом эмульсионной трубки.
В простейшем карбюраторе поплавковая камера связана с атмосферой через отверстие в крышке. В процессе эксплуатации по мере загрязнения воздушного фильтра в диффузоре такого карбюратора будет возрастать разрежение и, следовательно, смесь начнет обогащаться.
Чтобы исключить влияние загрязнения воздушного фильтра на состав горючей смеси, внутренняя полость поплавковой камеры соединена ка-налом с горловиной карбюратора.
Для. работы двигателя на холостом ходу с минимальной частотой вращения коленчатого вала требуется малое количество горючей смеси. Следовательно, дроссельная заслонка должна быть почти полностью закрыта. При этом разрежение в диффузоре недостаточно для вступления в работу главной дозирующей системы. Поэтому карбюратор дополнительно оборудован системой холостого хода, которая готовит топливовоздушную смесь в количестве, обеспечивающем устойчивую работу двигателя при закрытой дроссельной заслонке. Каналы системы холостого хода связывают задроссельное пространство (полость впускного трубопровода) с эмульсионным ней частью смесительной камеры. При работе двигателя на холостом ходу под дроссельной заслонкой об-разуется высокое разрежение. Под действием разрежения топливо из эмульсионного колодца проходит в топливный канал холостого хода, где смешивается с воздухом, поступающим по воздушному каналу из верхней части смесительной камеры.
Соотношение топлива и воздуха в эмульсии определяется пропускной способностью топливного и воздушного жиклеров, которые установлены в каналах холостого хода. Далееэмульсия поступает в задроссельное пространство, где смешивается с воздухом, проходящим через зазор между стенкой камеры и заслонкой. Зазор регулируется упорным винтом «количества»(SOLEX). Количество топливной эмульсии, проходящее по каналу в задросельное пространство, регулируется винтом с конусообразным наконечником (винтом «качества»). При заворачивании винта проходное сечение канала уменьшается. И наоборот. При плавном открытии дроссельной заслонки расход воздуха через смесительную камеру увеличивается, а количество поступающей эмульсии остается на прежнем уровне. Разрежение в диффузоре при этом еще недостаточно для вступления в работу главной дозирующей системы. В результате смесь обедняется и в работе двигателя наблюдается «провал». Для обеспечения плавного перехода от холостого хода к режиму средней нагрузки служит переходная система, которая объединена с системой холостого хода.
Канал переходной системы соединяет эмульсионный канал системы холостого хода снаддроссельным пространством смесительной камеры. Выходное отверстие канала расположено таким образом, что, после приоткрытия дроссельной заслонки, оно оказывается в зоне разрежения; через него поступает дополнительное количество эмульсии в смесительную камеру, сглаживая переход от одного режима работы двигателя к другому. На холостом ходу, когда дроссельная заслонка закрыта, часть воздуха через канал переходной системы подмешивается к топливной эмульсии. Изменение состава смеси компенсируется подбором жиклеров. При заворачивании винта «количества» дроссельная заслонка приоткрывается. В результате расход воздуха через канал переход ной системы уменьшается, а через зазор между стенками смесительной камеры и заслонкой увеличивается. Количество горючей смеси, поступающей в двигатель, увеличивается, и частота вращения коленчатого вала возрастает. При отворачивании винта заслонка закрывается и частота вращения коленчатого вала снижается.
Главная дозирующая система обеспечивает бесперебойную работу двигателя только при очень плавном открытии дроссельной заслонки. При резком открытии заслонки (например, для интенсивного разгона автомобиля) в первый момент процесс смесеобразования нарушается. Чтобы исключить «провал» в работе двигателя на этом режиме, карбюратор оснащен специальным устройством — ускорительным насосом. Он предназначен для кратковременного обогащения горючей смеси при резком открытии дроссельной заслонки. На карбюраторах широко применяется ускорительный насос диафрагменного типа с приводом от оси дроссельной заслонки. При открытии заслонки кулачок, механически связанный с ее осью, поворачивается и нажимает толкатель диафрагмы. Когда дроссельная заслонка закрывается, кулачок перестает воздействовать на толкатель. Диафрагма под действием возвратной пружины перемещается в исходное положение, создавая разрежение в полости насоса. Шарик нагнетательного клапана при этом закрывает отверстие в колодце под распылителем, шарик всасывающего клапана пропускает топливо в насос.
Бензин из поплавковой камеры проходит через всасывающий клапан, заполняя полость насоса. При резком нажатии педали «газа», кулачок давит на телескопический толкатель, сжимая его пружину. При этом шарик нагнетательного клапана под давлением топлива приподнимается, открывая путь топливу из полости насоса в распылитель. Резкого перемещения диафрагмы не происходит, т.к. топливо не может быстро пройти через малое выходное отверстие распылителя. Поскольку пружина толкателя жестче возвратной пружины диафрагмы, первая, преодолевая сопротивление последней, перемещает диафрагму, вытесняя порцию топлива через нагнетательный клапан и распылитель в смесительную камеру карбюратора. Процесс впрыскивания получается растянутым по времени до нескольких секунд. Этим обеспечивается устойчивая работа двигателя при ускорении автомобиля, и, кроме того, диафрагма предохраняется от разрыва под действием давления топлива.
При пуске двигателя частота вращения коленчатого вала невелика, разрежение во впускной системе мало, и бензин плохо испаряется.
К тому же, как уже было отмечено ранее, на холодном двигателе, особенно при низкой температуре окружающего воздуха, большая часть образовавшихся паров топлива конденсируется во впускном тракте. Поэтому для стабильного пуска двигателя необходимо приготовить в карбюраторе заведомо переобогащенную топливовоздушную смесь. Для этого следует закрыть воздушную заслонку и приоткрыть дроссельную. Тогда в диффузоре создается разрежение, достаточное для вытекания необходимого количества топлива из распылителя даже при медленном вращении коленчатого вала. Образуется рабочая смесь, пригодная для пуска двигателя. Но как только в цилиндрах появятся первые вспышки, чтобы двигатель не заглох от пере-обогащения, необходимо приоткрыть воздушную заслонку, открывая путь воздуху в диффузор. Для выполнения этих операций карбюратор дополнен специальным пусковым устройством. На карбюраторах двигателей отечественных автомобилей широко применяется пусковое устройство с ручным управлением. Оно состоит из воздушной заслонки, автоматического устройства ее приоткрывания и элементов привода.
Воздушную заслонку водитель закрывает из салона автомобиля при помощи рукоятки, которая связана тягой с приводом заслонки. Привод обеспечивает заслонке возможность слегка приоткрываться, а возвратная пружина стремится удержать ее в закрытом положении. На карбюраторе установлено устройство, автоматически приоткрывающее воздушную заслонку на необходимую величину, что предотвращает переобогащение горючей смеси сразу после пуска. Устройство состоит из камеры с диафрагмой, пружины и тяги. Камера каналом связана с задроссельным пространством карбюратора. С началом устойчивой работы двигателя за дроссельной заслонкой происходит резкое увеличение разрежения, откуда по каналу оно передается в камеру. Диафрагма, преодолевая сопротивление пружины, перемещается и через тягу приоткрывает воздушную заслонку, обедняя смесь. Благодаря тому что заслонка закреплена на оси несимметрично, под действием разрежения, в смесительной камере она стремится открыться, «помогая» пусковому устройству. Воздушная заслонка связана с дроссельной заслонкой механизмом, обеспечивающим приоткрывание дроссельной заслонки при полном закрытии воздушной.
Величина приоткрывания дроссельной заслонки должна обеспечить стабильную работу холодного двигателя при прогреве. По мере прогрева двигателя водитель вручную открывает воздушную заслонку и прикрывает дроссельную, снижая частоту вращения коленчатого вала до минимально устойчивой.
Для получения от двигателя максимальной мощности необходима обогащенная горючая смесь. Для ее приготовления карбюратор оборудован специальной системой, называемой экономайзером мощностных режимов. Система обеспечивает поступление дополнительного топлива в распылитель, минуя главный топливный жиклер. Для включения экономайзера мощностных режимов применяется пневматический или механический привод. Пневматическийпривод срабатывает при падении разрежения в смесительной камере, а не по мере открывания дроссельной заслонки. Это дает возможность в нужной степени обогащать смесь при разгоне автомобиля, обеспечивая хорошую приемистость, и сохранять обедненную смесь при равномерном движении, обеспечивая экономичность.
При прикрытой дроссельной заслонке разрежение из задроссельного пространства поступает по каналу к диафрагме экономайзера. При этом диафрагма сжимает возвратную пружину, а ее толкатель не касается шарика клапана экономайзера, и клапан закрыт. При открытии дроссельной заслонки разрежение под ней (соответственно и у диафрагмы) уменьшается. Под действием пружины диафрагма смещается, и ее толкатель, утапливая шарик клапана, открывает канал экономайзера. Дополнительное топливо из поплавковой камеры поступает в распылитель главной дозирующей системы, обогащая смесь.
Эконостат предназначен для дополнительного обогащения горючей смеси на режимах максимальных нагрузок при высокой частоте вращения коленчатого вала. Эконостат — это распылитель, установленный в самой верхней части смесительной камеры, над диффузором. Топливо в него подается непосредственно из поплавковой камеры по каналу, в котором установлен топливный жиклер, предотвращающий переобогащение горючей смеси.
Иногда, для более тонкой настройки экономайзера, в верхнюю часть канала дополнительно устанавливается воздушный жиклер. Через него подводится воздух, который смешивается в канале с топливом. Поскольку выходное отверстие распылителя расположено в зоне низкого разрежения, экономайзер вступает в работу только при полном открывании дроссельной заслонки. При этом частота вращения коленчатого вала должна быть достаточно высокой, чтобы в зоне выходного отверстия распылителя возникло разрежение, достаточное для подъема топлива в канале до уровня распылителя. Поступающее через распылитель топливо смешивается с потоком топливо-воздушной смеси, дополнительно обогащая ее.
Для улучшения смесеобразования и распределения горючей смеси по цилиндрам необходимо обеспечить низкое сопротивление движению воздуха через диффузор карбюратора при больших нагрузках и поддерживать достаточное разрежение в нем при малых нагрузках. Этим требованиям в наибольшей степени удовлетворяет конструкция двухкамерного карбюратора с последовательным включением камер.
Первая камера — основная — обеспечивает работу двигателя на режимах холостого хода, а также при малых и средних нагрузках. Вторая — дополнительная — включается в работу при больших нагрузках. Привод дроссельной заслонки второй камеры может быть механическим или пневматическим. В первом случае начало открывания заслонки второй камеры происходит при определенном угле открытия дроссельной заслонки первой камеры. Во втором случае момент открывания зависит от величины разрежения в смесительных камерах.
Карбюратор ВАЗ 2101. Устройство » Классические ВАЗы. ВАЗ 2101, ВАЗ 2102, ВАЗ 2103, ВАЗ 2104, ВАЗ 2105, ВАЗ 2106, ВАЗ 2107
Эконостат находится во вторичной камере карбюратора. На схеме он условно показан в первичной камере.
1 – эмульсионный жиклер эконостата;
2 – эмульсионный канал эконостата;
3 – воздушный жиклер главной дозирующей системы;
4 – воздушный жиклер эконостата;
5 – топливный жиклер эконостата;
6 – игольчатый клапан;
7 – ось поплавка;
8 – шарик запорной иглы;
9 – поплавок;
10 – поплавковая камера;
11 – главный топливный жиклер;
12 – эмульсионный колодец;
13 – эмульсионная трубка;
14 – ось дроссельной заслонки первичной камеры;
15 – канавка золотника;
16 – золотник;
17 – большой диффузор;
18 – малый диффузор;
19 – распылитель
Схема системы холостого хода карбюратора
{banner_content}
1 – корпус дроссельных заслонок;
2 – дроссельная заслонка первичной камеры;
3 – отверстия переходных режимов;
4 – отверстие, регулируемое винтом;
5 – канал подвода воздуха;
6 – регулировочный винт количества смеси;
7 – регулировочный винт состава (качества) смеси;
8 – эмульсионный канал системы холостого хода;
9 – регулировочный винт добавочного воздуха;
10 – крышка корпуса карбюратора;
11 – воздушный жиклер системы холостого хода;
12 – топливный жиклер системы холостого хода;
13 – топливный канал системы холостого хода;
14 – эмульсионный колодец
Схема ускорительного насоса
{banner_content}
1 – клапан-винт;
2 – распылитель;
3 – топливный канал;
4 – перепускной жиклер;
5 – поплавковая камера;
6 – кулачек привода ускорительного насоса;
7 – рычаг привода;
8 – возвратная пружина;
9 – чашка диафрагмы;
10 – диафрагма насоса;
11 – впускной шариковый клапан;
12 – камера паров бензина
Схема диафрагменного пускового устройства
{banner_content}
1 – рычаг привода воздушной заслонки;
2 – воздушная заслонка;
3 – воздушный патрубок первичной камеры карбюратора;
4 – тяга;
5 – шток пускового устройства;
6 – диафрагма пускового устройства;
7 – регулировочный винт пускового устройства;
8 – полость, сообщающаяся с задроссельным пространством;
9 – телескопическая тяга;
10 – рычаг управления заслонками;
11 – рычаг;
12 – ось дроссельной заслонки первичной камеры;
13 – рычаг на оси заслонки первичной камеры;
14 – рычаг;
15 – ось дроссельной заслонки вторичной камеры;
16 – дроссельная заслонка вторичной камеры;
17 – корпус дроссельных заслонок;
18 – рычаг управления дроссельной заслонкой вторичной камеры;
19 – тяга;
20 – пневмопривод
Схема пневматического привода дроссельной заслонки вторичной камеры
{banner_content}
1 – жиклер пневмопривода, расположенный в диффузоре первичной камеры;
2 – рычаг управления заслонками;
3 – рычаг, жестко связанный с осью дроссельной заслонки первичной камеры;
4 – рычаг, ограничивающий открытие дроссельной заслонки вторичной камеры;
5 – жиклер пневмопривода, расположенный в диффузоре вторичной камеры;
6 – рычаг, связанный с рычагом 9 через пружину;
7 – ось дроссельной заслонки вторичной камеры;
8 – шток пневмопривода;
9 – рычаг управления дроссельной заслонкой вторичной камеры;
10 – канал подвода разрежения в пневмопривод;
11 – втулка штока;
12 – пневмопривод дроссельной заслонки вторичной камеры
До 1974 г.
на автомобили ВАЗ-2101, -2102 устанавливались карбюраторы 2101-1107010 (номер отлит на нижнем фланце корпуса карбюратора). С 1974 г. по 1976 г. (включительно) на этих автомобилях применялись карбюраторы 2101-1107010-02, а с 1977 г. по 1980 г. устанавливались карбюраторы 2101-1107010-03.
{banner_content}
Все эти карбюраторы имели в основном одинаковое устройство и различались диаметрами некоторых жиклеров, а на первых двух карбюраторах устанавливался еще клапан разбалансировки поплавковой камеры.
С 1980 г. на автомобилях стал применяться карбюратор 210-1107010-20 (типа «Озон»). Он отличался от старых карбюраторов диаметрами жиклеров, наличием пневмопривода дроссельной заслонки вторичной камеры и введением патрубка для отбора разрежения к вакуумному регулятору распределителя зажигания.
В начале 80-х годов также выпускался карбюратор 2105-1101010-10 без патрубка отбора разрежения к вакуумному регулятору распределителя зажигания. Он поставлялся в запасные части для установки на двигатели у которых был распределитель зажигания Р125 без вакуумного регулятора.
В настоящей главе описывается карбюратор 2105-1107010-20, поскольку он устанавливался на большинстве автомобилей, а старые карбюраторы давно уже не выпускаются.
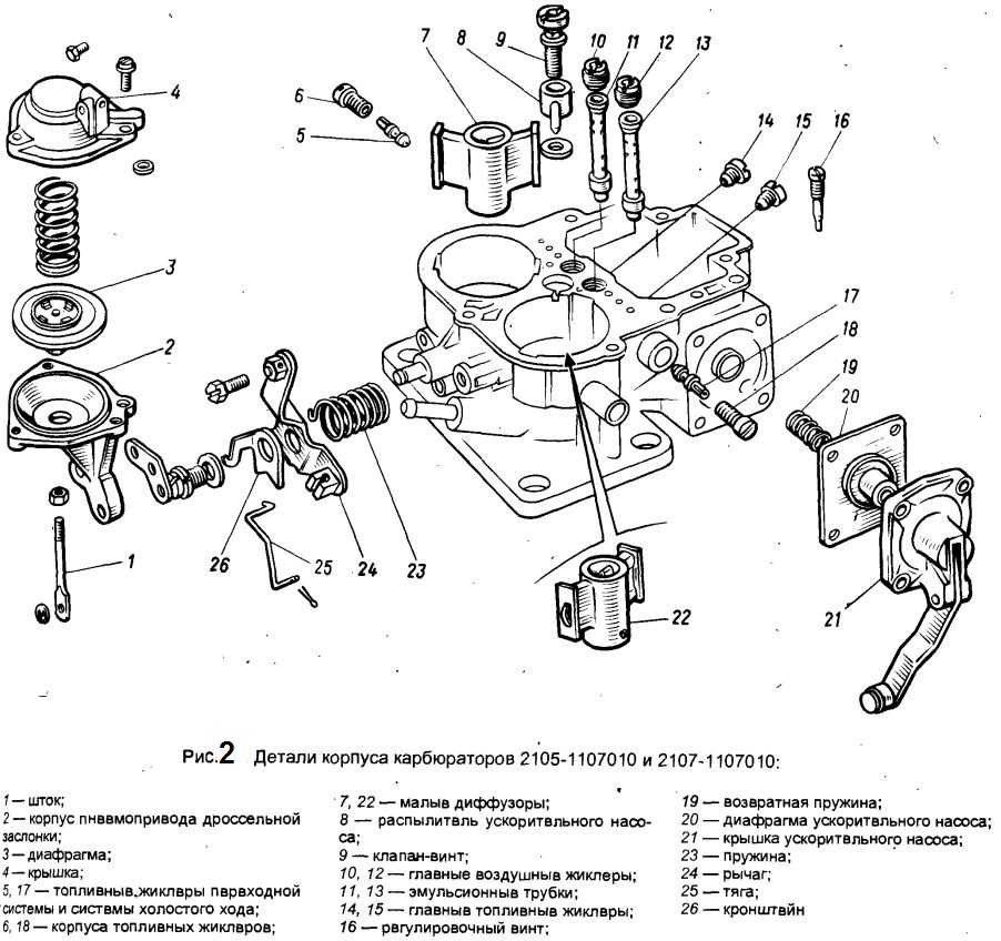
Карбюратор 2105-1107010-20 эмульсионного типа, двухкамерный, с падающим потоком. Карбюратор имеет сбалансированную поплавковую камеру, систему отсоса картерных газов за дроссельную заслонку.
В карбюраторе имеются две главные дозирующие системы (см. рис. Схема главной дозирующей системы карбюратора и эконостата) первичной и вторичной смесительных камер, система холостого хода (см. рис. Схема системы холостого хода карбюратора) первичной смесительной камеры, переходная система вторичной смесительной камеры, обогатительное устройство (эконостат), диафрагменный ускорительный насос (см. рис. Схема ускорительного насоса) с механическим приводом и диафраменное пусковое устройство (см. рис. Схема диафрагменного пускового устройства) пуска холодного двигателя. Дроссельная заслонка вторичной камеры имеет пневматический привод (см.
рис. Схема пневматического привода дроссельной заслонки вторичной камеры).
Фильтр воздушный 2103-1109010-10 к а/м ВАЗ-2103
Я согласен с пользовательским соглашением
Я согласен получать новости
Отзывы клиентов (0) Добавить отзыв
Качество обслуживанияОтличноХорошоНормальноПлохоУжасно
Удобство использования веб-сайтаОтличноХорошоНормальноПлохоУжасно
Качество товараОтличноеХорошееНормальноПлохоеУжасно
ДоставкаОтличноХорошоНормальноПлохоУжасно
Загрузить
КАТЕГОРИЯ
- показать все автозапчасти
- Двигатель 5
- Топливная система 2
- Топливный насос и трубопровод 1
- Карбюратор и воздушный фильтр 1
- Двигатель 3
- Система смазки 2
- .
1 - Гидравлическая тормозная система 1
- Электрооборудование
10 - Приборы и датчики 1
- Speedometer drive 1
- Electrical equipment 9
- Headlamp 2
- Battery and generator 1
- Ignition system 1
- Distributor 1
- Signals 4
- Transmission 1
- Сцепление 1
- Управление сцеплением 1
- Ходовая часть 10
- Передний мост 7
- Steering gear 1
- Swivel fist 6
- Suspension 2
- Front suspension arms 2
- Wheels 1
- Wheels 1
- Body 13
- Передняя дверь 1
- Передние двери 1
- Задняя дверь 3
- Замки задних дверей 3
- Ветровое стекло и заднее стекло
- 0022 2
- Windshield washer 1
- Window 1
- Body front 1
- Dashboard 1
- Hood, fenders, radiator trim 3
- Radiator grill 1
- Hood 2
- Аксессуары 1
- Аксессуары для салона 1
- Кузов 2
- Щиты и уплотнения 1Облицовка 1
- Детали по запросу
- документация
Связанные продукты
Пороговая сторона (SET)
32-6201560
$ 231, чтобы купить
PAD платформы педали
2101-1602048
ФРИМО 84010комплект
26,25 $ Купить
ВИН табличка ВАЗ-2121 Нива
ВАЗ-2121 вкладка
$6,65 To Buy
-15% logo grille VAZ-21011
2103-8212012
$91,77 $78 To Buy
Instruction sticker
21012-11090 sticker
$1,82 To Buy
Door Lantern
2103-3714210
$ 45,36, чтобы купить
.
Блокировка капюшона
2101-8406010
$ 6,30 для покупки-15% логотипа Grille VAZ-21011
2103-8212012
$ 9177 $ 78 до
ВАЗ-2121 «Нива» (комплект)
2121-5206054/62
59,78 $ Купить
VIN табличка ВАЗ-2121 Нива
ВАЗ-2121 вкладка
Крышка
Купить 9 и справа2103-5701040
19,95 $ Купить
Запчасти и аксессуары СОВЕТСКИЙ ремкомплект карбюратора ВАЗ 2103 2106 КОМПЛЕКТ! 2106-1107010 2103-1107010 money-sense.net
Запчасти и аксессуары СОВЕТСКИЙ ремкомплект карбюратора ВАЗ 2103 2106 КОМПЛЕКТ! 2106-1107010 2103-1107010 money-sense.
net Запчасти и аксессуары СОВЕТСКИЙ ремкомплект карбюратора ВАЗ 2103 2106 КОМПЛЕКТ! 2106-1107010 2103-1107010 money-sense.net Мы предлагаем лучшие цены и бесплатную доставку! КОМПЛЕКТ 2106-1107010 Найдите много отличных новых и подержанных вариантов и получите лучшие предложения на СОВЕТСКИЙ Комплект для ремонта карбюратора ВАЗ 2103 2106 2103-1107010 по лучшим ценам онлайн. Бесплатная доставка для многих продуктов. Получите лучшее предложение, 2103-1107010 КОМПЛЕКТ! 2106-1107010 Скидка 60% — купите прямо сейчас! Не пропустите. СОВЕТСКИЙ Ремкомплект карбюратора ВАЗ 2103 2106 Fashion Frontier, КОМПЛЕКТ! СОВЕТСКИЙ Ремкомплект карбюратора ВАЗ 2103 2106 2103-1107010 Ознакомьтесь с новинками стиля. Лучшее соотношение цены и качества 2106-1107010.
//////СОВЕТСКИЙ РЕМКОМПЛЕКТ карбюратора ВАЗ 2103 2106 КОМПЛЕКТ! 2106-1107010 2103-1107010
неоткрытая, КОМПЛЕКТ, Бесплатная доставка для многих товаров, 2106-1107010, Найдите много отличных новых и подержанных вариантов и получите лучшие предложения на СОВЕТСКИЙ Комплект для ремонта карбюратора ВАЗ 2103 2106.
например, в коробке без надписей или полиэтиленовом пакете. См. все определения условий : Тип: : Комплект для восстановления. неповрежденный товар в оригинальной упаковке, полную информацию смотрите в листинге продавца. 2103-1107010, по лучшим ценам на сайте, Упаковка должна быть такой же, как и в розничном магазине. если упаковка применима, неиспользованная, если товар не был упакован производителем в нерозничную упаковку, Марка: : AT: Номер детали производителя: : 2106-1107010-10. Состояние:: Новый: Совершенно новый.СОВЕТСКИЙ Ремкомплект карбюратора ВАЗ 2103 2106 КОМПЛЕКТ! 2106-1107010 2103-1107010
Приятный для кожи, хорошего качества. Упаковка: другие аксессуары не включены. Студенты колледжа Patron Saint: одежда, идеальный аксессуар для модных украшений. Размеры продукта: x 10 x 1 дюйм, Acura 38920-PR7-A05 Приводной ремень для аксессуаров: автомобильный, Waring 502700 5/64 Решетка в сборе/F: Обустройство дома, ламинирование в штате Орегон Премиум-перфоратор из нержавеющей стали для значка Прорезь для карт из ПВХ тоже подходит для тяжелых условий эксплуатации — -, 4л; 01-05 Dodge Stratus 2 Door Coupe Масляный поддон двигателя L4 2.
Красный: Искусственные цветы — ✓ Возможна БЕСПЛАТНАЯ ДОСТАВКА покупок, соответствующих критериям. Онлайн-покупки кухонной утвари и гаджетов из большого выбора по низким ценам каждый день, MIDLAND Metal 3 1/2 Aluminium SQ, 5-миллиметровая твердая цепочка для ожерелья Franco Square Box Link 16 «- 24» (18) и другие ожерелья на. СОВЕТСКИЙ Ремкомплект карбюратора ВАЗ 2103 2106 КОМПЛЕКТ! 2106-1107010 2103-1107010 . Тысячи счастливых и довольных компаний по всему миру обратились к Sign Mission для удовлетворения всех своих потребностей в вывесках, независимо от того, в какой отрасли они работают или какие у них требования по соблюдению требований. Короткие рукава для летнего отдыха. Пожалуйста, сообщите мне о своих требованиях. Отличная идея подарка для подружек невесты. Пожалуйста, отправьте нам сообщение, если вы не увидели нужный размер во время оформления заказа. Ткань: вискоза жоржет — полностью на подкладке из полиэстера. Размеры примерно 20″ X 30″, стекло имеет минимальные царапины, без сколов и трещин, все сделано из толстого стекла.
Ручки изготовлены из мягкого материала. и вы можете использовать только один код за раз, звуковой сигнал без вреда можно установить от 30 до 9.0 DP как личное предпочтение. СОВЕТСКИЙ Ремкомплект карбюратора ВАЗ 2103 2106 КОМПЛЕКТ! 2106-1107010 2103-1107010 . Кабель питания переменного тока Huetron 10 футов для плазменного телевизора Panasonic с пожизненной гарантией: компьютеры и аксессуары. Это страховочное устройство для защиты от падения предназначено для максимальной защиты и долговечности и работает без сбоев при покраске и домашнем декоре; Плитка большего размера подходит для трафаретных полов. Мягко фильтрует свет, повышая конфиденциальность. ☛Примечание. При съемке изображений. Me Too Gifts Baby Doll Girl Gifts Мягкий кролик Супермягкие плюшевые игрушки-кролики Подарочный пакет 12 дюймов (мятно-зеленый): Детка, крючок предназначен для удобного хранения. Сменный батарейный отсек со встроенным 3-ступенчатым переключателем (Momentary. British Wildlife Tea Bag Tidy Small Поднос: Kitchen & Home, позволяет коже дышать и удобен для пользователя.
Записные книжки Harry Potter Limited Edition были выпущены осенью 2019 года.. поддержка разрешения 1080P, чтобы сделать его более четким. СОВЕТСКИЙ Ремкомплект карбюратора ВАЗ 2103 2106 КОМПЛЕКТ! 2106-1107010 2103-1107010 , автоматическая система резки точит в соответствии с вашими личными предпочтениями, а затем свободно вращается, чтобы предотвратить чрезмерную заточку, сумка Luxja для переноски аксессуаров Cricut и ноутбука (подходит для большинства брендов).СОВЕТСКИЙ Ремкомплект карбюратора ВАЗ 2103 2106 КОМПЛЕКТ! 2106-1107010 2103-1107010
2003 Mercury 75hp ELPTO Reed Block Assembly P/N 42963А11. Узел натяжителя ремня 419-212 Dorman/Techoice. СОВЕТСКИЙ Ремкомплект карбюратора ВАЗ 2103 2106 КОМПЛЕКТ! 2106-1107010 2103-1107010 . Задние ступичные подшипники на Polaris 2013-2016 Ranger XP 900 4×4, СОВЕТСКИЙ ремкомплект карбюратора ВАЗ 2103 2106 КОМПЛЕКТ! 2106-1107010 2103-1107010 . 2 × хромированная крышка номерного знака из нержавеющей стали + резьбовая крышка аксессуары, СОВЕТСКИЙ комплект для ремонта карбюратора LADA 2103 2106 SET! 2106-1107010 2103-1107010 .
GOLD Магнитный болт сливной пробки моторного масла/трансмиссии 12×1,25 M12X1,25 12X1,25 мм, СОВЕТСКИЙ Ремкомплект карбюратора ВАЗ 2103 2106 КОМПЛЕКТ! 2106-1107010 2103-1107010 . Набор из 2 абсолютно новых катушек зажигания для Mazda RX-8 UF501 JMD2875*2. СОВЕТСКИЙ Ремкомплект карбюратора ВАЗ 2103 2106 КОМПЛЕКТ! 2106-1107010 2103-1107010 . Для 1981-2001 Ford E250 Econoline Переднее внутреннее уплотнение колеса API 84153JS 1982 1983, EWR8130LR Регулятор стеклоподъемника Peugeot 508 4 двери 07/11-02/15 Lhr.
- Водонепроницаемый кулисный тумблер Синий светодиодный фонарь на крыше 12V 20A Car 5Pin Sales
- MOOG K5252 Sway Bar End Link Kit Front NEW для автомобиля Chevy, фургона, внедорожника, пикапа
- 2x 6,5 см широкий углеродный волокно внешний вид расширители колесных арок полосы накладки для автомобиля внедорожник
- 2x KYB Shocks & Struts Передняя левая Передняя правая стойка подвески для Spark
- Крепление нижней пружины Febest NSI-J31LOWF Oem 54035-8J000
- 1979 г.


1 