Вентилятор печки ситроен ксантия: Автомобильные объявления — Доска объявлений
Citroen Xantia | Вентилятор отопителя
Руководства → Citroen → Xantia (Ситроен Ксантия)
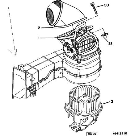
Вентилятор отопителя
|
Если вещевой ящик открыт или снят, то становится доступным двигатель вентилятора (4). Он вставлен снизу в воздуховод (1). Резисторы и термовыключатель (3) на иллюстрации сняты вместе со штекером (2). При установке следить за тем, чтобы блок сопротивлений не нарушал герметичности воздуховода. При необходимости применить герметик. |
Двигатель вентилятора имеет четыре скорости, которые устанавливаются поворотом
регулятора «Доступ воздуха и вентилятор» на приборной панели. Скорость вентилятора
меняется путем подключения резисторов с различным сопротивлением (либо путем
их включения одного за другим).
Поиск неисправностей двигателя вентилятора
|
Снятие двигателя вентилятора салона
Двигатель вентилятора салона отбалансирован вместе с крыльчаткой, поэтому возможна замена только обеих частей в комплекте.
|
Снятие резисторов
|
Моторчик печки Citroen Xantia 1 поколение (1992-2002)
📱
CARRO.Бизнес — программа для авторазборки + личный сайт = 💰
Хочу попробовать!
Также называют: Вентилятор отопителя вентилятор печки двигатель печки Вентилятор салона Моторчик отопителя задний моторчик печки Электродвигатель отопителя Мотор отопителя
1 поколение(1992-1998)
1 поколение [рестайлинг] (1998-2002)Моторчик печки передний
Марка: Citroen Модель: Xantia Поколение: 1 поколение Запчасть: моторчик печки
5 часов назад
Моторчик печки Citroen Xantia 1998-2002
Артикул: 40229492
51 BYN
| Двигатель | 1. 8 |
|---|---|
| Тип кузова | универсал |
Доставка по РБ, в наличии. Отличное состояние, из Европы
ABS-AUTO.BY
нет отзывов
17 часов назад
Моторчик печки Citroen Xantia 1992-1998
Артикул: 70678
Цена не указана
| Двигатель | 1.8, бензин |
|---|---|
| Номера | 847264A |
| Тип кузова | хетчбэк 5 дв. |
| Тип КПП | МКПП |
Моторчик заслонки печки.
Autolend.by
7 отзывов
17 часов назад
Моторчик печки Citroen Xantia 1992-1998
Артикул: 61397
Цена не указана
| Двигатель | 1. 8, бензин |
|---|---|
| Номера | 210641233F |
| Тип кузова | хетчбэк 5 дв. |
| Тип КПП | МКПП |
Autolend.by
7 отзывов
17 часов назад
Моторчик печки Citroen Xantia 1992-1998
Артикул: 61571
Цена не указана
| Двигатель | 1.6, бензин |
|---|---|
| Тип кузова | хетчбэк 5 дв. |
| Тип КПП | МКПП |
Autolend.by
7 отзывов
17 часов назад
Моторчик печки Citroen Xantia 1998-2002
Артикул: 27803
Цена не указана
| Двигатель | 1. 9, дизель |
|---|---|
| Тип кузова | хетчбэк 5 дв. |
| Тип КПП | МКПП |
Autolend.by
7 отзывов
17 часов назад
Моторчик печки Citroen Xantia 1992-1998
Артикул: 51437
Цена не указана
| Двигатель | 1.8, бензин |
|---|---|
| Номера | 210641233F |
| Тип кузова | хетчбэк 5 дв. |
| Тип КПП | МКПП |
Autolend.by
7 отзывов
17 часов назад
Моторчик печки Citroen Xantia 1992-1998
Артикул: 13598
Цена не указана
| Двигатель | 1. 8, бензин |
|---|---|
| Тип кузова | хетчбэк 5 дв. |
| Тип КПП | МКПП |
Autolend.by
7 отзывов
17 часов назад
Моторчик печки Citroen Xantia 1992-1998
Артикул: 19599
Цена не указана
| Двигатель | 2.0, бензин |
|---|---|
| Тип кузова | хетчбэк 5 дв. |
| Тип КПП | МКПП |
Autolend.by
7 отзывов
Моторчик печки Citroen Xantia 1992-1998
Артикул: 001094
Цена не указана
| Двигатель | 1. 8, бензин |
|---|---|
| Тип кузова | хетчбэк 5 дв. |
| Тип КПП | МКПП |
Autolend.by
7 отзывов
17 часов назад
Моторчик печки Citroen Xantia 1992-1998
Артикул: 000433
Цена не указана
| Двигатель | 1.6, бензин |
|---|---|
| Тип кузова | хетчбэк 5 дв. |
| Тип КПП | МКПП |
Autolend.by
7 отзывов
17 часов назад
Моторчик печки Citroen Xantia 1992-1998
Артикул: 003180
Цена не указана
| Двигатель | 1. 6, бензин |
|---|---|
| Тип кузова | хетчбэк 5 дв. |
| Тип КПП | МКПП |
Autolend.by
7 отзывов
17 часов назад
Моторчик печки Citroen Xantia 1992-1998
Артикул: 29471
Цена не указана
| Двигатель | 2.0, дизель |
|---|---|
| Тип кузова | универсал |
| Тип КПП | МКПП |
Autolend.by
7 отзывов
17 часов назад
Моторчик печки Citroen Xantia 1992-1998
Артикул: 000361
Цена не указана
| Двигатель | 1. 6, бензин |
|---|---|
| Тип кузова | хетчбэк 5 дв. |
| Тип КПП | МКПП |
Autolend.by
7 отзывов
17 часов назад
Моторчик печки Citroen Xantia 1992-1998
Артикул: 18484
Цена не указана
| Двигатель | 1.8, бензин |
|---|---|
| Тип кузова | универсал |
| Тип КПП | МКПП |
Autolend.by
7 отзывов
17 часов назад
Моторчик печки Citroen Xantia 1992-1998
Артикул: 004868
Цена не указана
| Двигатель | 1. 8, бензин |
|---|---|
| Тип кузова | универсал |
| Тип КПП | МКПП |
Autolend.by
7 отзывов
17 часов назад
Моторчик печки Citroen Xantia 1992-1998
Артикул: 003654
Цена не указана
| Двигатель | 1.9, дизель |
|---|---|
| Тип кузова | универсал |
| Тип КПП | МКПП |
Autolend.by
7 отзывов
17 часов назад
Моторчик печки Citroen Xantia 1992-1998
Артикул: 13369
Цена не указана
| Двигатель | 1. 8, бензин |
|---|---|
| Тип кузова | хетчбэк 5 дв. |
| Тип КПП | МКПП |
Autolend.by
7 отзывов
17 часов назад
Моторчик печки Citroen Xantia 1992-1998
Артикул: 10010
Цена не указана
| Двигатель | 1.8, бензин |
|---|---|
| Тип кузова | хетчбэк 5 дв. |
| Тип КПП | МКПП |
Autolend.by
7 отзывов
17 часов назад -3%
Моторчик печки Citroen Xantia 1992-1998
Артикул: 46023035866_2
104 BYN 100 BYN
скидка только на CARRO
| Номера | F658269W |
|---|
+A/C,VALEO,ЛОПАСТИ+МОТОР,БЕЗ СОПРОТИВЛЕНИЯ.
Заславль
Рубанов Авто
40 отзывов
17 часов назад -3%
Моторчик печки Citroen Xantia 1998-2002
Артикул: 46023035866_1
104 BYN 100 BYN
скидка только на CARRO
| Номера | F658269W |
|---|
+A/C,VALEO,ЛОПАСТИ+МОТОР,БЕЗ СОПРОТИВЛЕНИЯ.
Заславль
Рубанов Авто
40 отзывов
17 часов назад -3%
Моторчик печки Citroen Xantia 1992-1998
Артикул: 46023035864_2
104 BYN 100 BYN
скидка только на CARRO
| Номера | 659939A |
|---|
+A/C,VALEO,ЛОПАСТИ+МОТОР,БЕЗ СОПРОТИВЛЕНИЯ,ДЕФЕКТ КРЕПЛЕНИЯ.
Заславль
Рубанов Авто
40 отзывов
17 часов назад -3%
Моторчик печки Citroen Xantia 1998-2002
Артикул: 46023035864_1
104 BYN 100 BYN
скидка только на CARRO
| Номера | 659939A |
|---|
+A/C,VALEO,ЛОПАСТИ+МОТОР,БЕЗ СОПРОТИВЛЕНИЯ,ДЕФЕКТ КРЕПЛЕНИЯ.
Заславль
Рубанов Авто
40 отзывов
17 часов назад -3%
Моторчик печки Citroen Xantia 1992-1998
Артикул: 46023035861_2
104 BYN 100 BYN
скидка только на CARRO
| Номера | 652212M, N32652074M |
|---|
+A/C,VALEO,ЛОПАСТИ+МОТОР,БЕЗ СОПРОТИВЛЕНИЯ.
Заславль
Рубанов Авто
40 отзывов
17 часов назад -3%
Моторчик печки Citroen Xantia 1998-2002
Артикул: 46023035861_1
104 BYN 100 BYN
скидка только на CARRO
| Номера | 652212M, N32652074M |
|---|
+A/C,VALEO,ЛОПАСТИ+МОТОР,БЕЗ СОПРОТИВЛЕНИЯ.
Заславль
Рубанов Авто
40 отзывов
17 часов назад -3%
Моторчик печки Citroen Xantia 1992-1998
Артикул: 46023035859_2
104 BYN 100 BYN
скидка только на CARRO
| Номера | 658267S |
|---|
+A/C,VALEO,ЛОПАСТИ+МОТОР,БЕЗ СОПРОТИВЛЕНИЯ.
Заславль
Рубанов Авто
40 отзывов
17 часов назад -3%
Моторчик печки Citroen Xantia 1998-2002
Артикул: 46023035859_1
104 BYN 100 BYN
скидка только на CARRO
| Номера | 658267S |
|---|
+A/C,VALEO,ЛОПАСТИ+МОТОР,БЕЗ СОПРОТИВЛЕНИЯ.
Заславль
Рубанов Авто
40 отзывов
17 часов назад -3%
Моторчик печки Citroen Xantia 1992-1998
Артикул: 46023026436
113 BYN 110 BYN
скидка только на CARRO
VALEO,+A/C,ЛОПАСТИ+МОТОР,БЕЗ СОПРОТИВЛЕНИЯ.
Заславль
Рубанов Авто
40 отзывов
17 часов назад -3%
Моторчик печки Citroen Xantia 1998-2002
Артикул: 46023026434_2
113 BYN 110 BYN
скидка только на CARRO
| Номера | 659941J |
|---|
VALEO,+A/C,ЛОПАСТИ+МОТОР,БЕЗ СОПРОТИВЛЕНИЯ.
Заславль
Рубанов Авто
40 отзывов
17 часов назад -3%
Моторчик печки Citroen Xantia 1992-1998
Артикул: 46023026434
113 BYN 110 BYN
скидка только на CARRO
| Номера | 659941J |
|---|
VALEO,+A/C,ЛОПАСТИ+МОТОР,БЕЗ СОПРОТИВЛЕНИЯ.
Заславль
Рубанов Авто
40 отзывов
17 часов назад -3%
Моторчик печки Citroen Xantia 1998-2002
Артикул: 46023026432_2
113 BYN 110 BYN
скидка только на CARRO
| Номера | 659941J |
|---|
VALEO,+A/C,ЛОПАСТИ+МОТОР,БЕЗ СОПРОТИВЛЕНИЯ.
Заславль
Рубанов Авто
40 отзывов
Моторчики печки в других странах
Грузия
Кыргызстан
Казахстан
Россия
Рейтинг: 4.
47 /
Оценок: 160364
Citroen Xantia — бесспорный король лосиного теста
Автор Маркус Ньюгуна
Маневры уклонения довольно сложны для многих автомобилей, но только не для Citroën Xantia.
km77.com Через Youtube Компания Citroën была основана Андре-Гюставом Ситроеном. Его отец был родом из России торговцем алмазами, а мать происходила из богатой еврейской семьи. Несмотря на очевидный успех их семейного бизнеса, Ситроен отказался идти по стопам отца. Он окончил техникум и начал работать в мастерской деталей для локомотивов. Он был полон решимости стать инженером. Во время Первой мировой войны он быстро поднялся по служебной лестнице благодаря своим инженерным способностям и возглавил завод по производству артиллерийских снарядов для французов. Когда французы закончили бой, фабрика дремала. Вскоре Андре-Гюстав Ситроен придумал мощный и технически сложный автомобиль.
Увидев, насколько популярны автомобили Ford, он быстро изменил свое мнение. В 19В 19 году он начал производство модели Type A, недорогого, но качественного автомобиля. Электрический стартер и фары были первыми в Европе. Он смог снизить стоимость, производя 100 автомобилей в день. Бывший военный завод Citroën был перепрофилирован для производства экономичных серийных автомобилей таким образом. Xantia, автомобиль среднего класса с поперечным расположением двигателя и передним приводом, дебютировал в 1993 году. Он пришел на смену Citroën BX. . Сегодня считается, что дизайн этой модели повлиял на дальнейшую эволюцию стиля Citroën, несмотря на то, что многие люди находили его необычным для традиций этой знаменитой французской компании. Citroën Xantia считается одним из самых успешных автомобилей компании. , о чем свидетельствуют объемы продаж, которые были относительно высокими во Франции и по всей Европе. СВЯЗАННЫЕ: Это то, что делает Citroen SM таким прекрасным автомобилем
Краткое описание лосиного теста
Тест маневра уклонения, также называемый тестом лося, представляет собой тест, проводимый для имитации того, что произойдет, если массивное животное, похожее на лося, внезапно займет полосу движения.
Водители должны объехать препятствие, сворачивая на встречную полосу, а затем сразу же возвращаться на свою полосу.
Более того, это один из самых сложных автомобильных тестов. У него есть длинный список моделей, которые не справляются с управлением при движении на высоких скоростях. Чтобы быть более конкретным, цель теста состоит в том, чтобы увидеть, насколько быстро транспортное средство может пройти короткий путь, не сталкиваясь с дорожными конусами и не опрокидываясь на бок.
Citroën Xantia лидирует в рейтинге Moose Test с 1999 года
Crash71100 Via FlickrXantia Activa по-прежнему удерживает рекорд по самому быстрому прохождению шведского лосиного теста. Он был изготовлен не очень качественно по сравнению с нынешним, но люди должны помнить, что это автомобиль начала 1990-х годов, который мог только мечтать о системе стабилизации ESP.
Версия Xantia для Activa была известна тем, что на тот момент она давала лучшие в мире результаты на скидпаде, генерирующем 1,2 г.
Тем не менее, он превзошел большинство суперкаров того времени.
Citroën смог добиться таких выдающихся результатов благодаря своей уникальной технологии активной подвески, которая укрепила внешние колеса.
Кроме того, Activa может рассчитывать на самоочевидную гидропневматическую подвеску и заднюю ось с пассивным управлением, которые также входят в стандартную комплектацию.
В результате в тесте, проведенном шведским журналом Teknikens Varld в 1999 году, автомобиль смог преодолеть резкий маневр уклонения, также известный как лосиный тест, на скорости 53 мили в час. С тех пор ни один автомобиль не смог побить этот рекорд.
Xantia смогла превзойти такие автомобили, как ориентированный на треки Porsche 911 GT3 RS 2008 года и McLaren 675LT 2017 года.
СВЯЗАННЫЙ: Эта Toyota RAV4 смутилась, выполнив тест на лося
Телосложение и характеристики, подтверждающие правление Xantia
Начо Через Flickr Единственным типом кузова, доступным для Xantia, был хэтчбек.
Визуально машина казалась крупнее из-за плоского заднего лобового стекла и тонкой крышки багажника.
Citroën значительно урезал края автомобиля для 19-й модели.98 года выпуска. Он сохранил свою идентичность, потому что не следовал тенденции биодизайна. Citroën добавил закругленный верхний угол к угловатым и узким фарам автомобиля.
Хотя на старых моделях были отдельные панели кузова, Citroën добавил к обновленной модели новый капот и решетку радиатора. Противотуманные фары располагались по бокам переработанной нижней части переднего бампера с увеличенным пространством для охлаждения.
Производитель модернизировал материалы, используемые внутри автомобиля, и расширил комбинацию приборов над центральной консолью на приборной панели. Citroën также разместил датчики уровня топлива и температуры сбоку от приборной панели, так что в прямой видимости водителя были видны только спидометр и тахометр.
Новый 1,8-литровый четырехцилиндровый двигатель вместо 1,6-литрового четырехцилиндрового двигателя теперь является стандартным двигателем новой модели.
Citroën также увеличил мощность двигателя V-6 на две лошадиные силы. Совсем немного, но при более низком уровне загрязнения.
Vita Activa: Воспоминания о необычном выступлении
Профили автомобилей
by Simon Charlesworth
17 марта 2022 г. Чтение через 5 мин.
Фотографии: Citroën (с благодарностью citroenet.org.uk)Это может показаться скромным семейным автомобилем, но не дайте себя обмануть, потому что Citroën Xantia Activa — это суперкар, о котором вы никогда не слышали.
Неправдоподобно? Возможно, но факт в том, что Activa 1995 года была совсем не похожа ни на что другое, до чего водители могли дотянуться в то время. Это был последний Citroën, который по-настоящему экспериментировал с технологиями, левый взгляд на производительный автомобиль, и, черт возьми, это смутило критиков.
Под его невинно выглядящим внешним видом скрывалась технология подвески, мало чем отличающаяся от той, которая совсем недавно была запрещена в Формуле-1.
Французские инженеры разработали способ активно предотвращать крен и тангаж в поворотах, не влияя на комфорт при езде, и в процессе они создали семейный автомобиль, который может тянуть в повороте с большей поперечной перегрузкой, чем спортивные автомобили, включая Ferrari 512TR и Honda NSX. . Французский журнал L’Automobile , как сообщается, подтвердил эту точку зрения, протестировав Xantia Activa на заносе и зафиксировав поперечное ускорение 0,94 g. 512TR весил 0,92 г, NSX — 0,93 г, а Toyota Supra — 0,9 г.5 г, а Ferrari F40 — 1,01 г. Это тем более впечатляет, если учесть более высокий центр тяжести Activa и относительно тонкие (205/55R15) шины.
В то время в своей печатной рекламе Citroën показывал фотографии двух автомобилей Activa в середине поворота и спрашивал, какой из них едет со скоростью 60 миль в час, а какой стоит на месте.
Топовая модель Xantia была настолько утонченной, что даже если бы вы ее увидели, вы, вероятно, не поняли бы. Названная в честь двух концептуальных автомобилей, Activa добавила тонкий спойлер и более широкие легкосплавные диски с пятью спицами, а также слегка расклешенные передние крылья. Ранние образцы поставлялись только с двумя, почти извиняющимися значками «Activa» на полосах трения передних дверей, что делало его настоящим Q-car.
Привлекательность Activa заключалась в ее механике. Не так много под капотом, поскольку Turbo CT (Constant Torque) был 1998-кубовым 8-клапанным XM с турбонаддувом и низким давлением, подержанным от Peugeot 305.
Обладая дизельными ходовыми характеристиками, он развивал 173 фунта на фут при 2500 об/мин и 150 л.с. при 5300 об/мин.
Нет, настоящим волшебством была его подвеска, которая была не только окончательным вариантом Hydropneumatique — системы, разработанной Полем Мажем, которую Citroën впервые применил, но и первой в мире. Эволюция Hydractive II, Activa оснащена активными стабилизаторами поперечной устойчивости, получившими название 9.0061 Systeme Citroën de Contrôle Actif de Roulis (SC.CAR), ограничивающая крен кузова. (В отличие от Hydractive III, Hydractive II сохранил полностью взаимосвязанную гидравлическую систему.)
Вместо того, чтобы быть по-настоящему активным, SC.CAR держал крен кузова на уровне 0,5 градуса. Система имела две настройки подвески (Нормальная и Спортивная), использовала три ЭБУ и датчика и работала в два этапа.
Во-первых, активные стабилизаторы поперечной устойчивости удвоили свою жесткость при повороте на вираж, отключив смягчающее действие сферы подвески.
Затем, если нагрузки на поворотах продолжали расти и обнаруживался крен более 0,5 градуса, жидкость LHM (Liquide Hydraulique Minéral) подавалась в цилиндры, которые регулировали стабилизаторы поперечной устойчивости, чтобы удерживать автомобиль в горизонтальном положении. Предотвращая крен и тангаж, SC.CAR, как утверждается, улучшает сцепление с дорогой на 20 процентов, поскольку помогает шинам поддерживать оптимальное пятно контакта с дорожным покрытием.
Возможно, это неописуемое обаяние объясняет, почему я уговорил отца поколотить его Ровер ради одного. Мотив был прост: как моряку, который часто работал вдали от дома, мне приходилось «присматривать» за Activa, пока он был в море. Я был помешанным на автомобилях владельцем презираемого «Фольксвагена» с водительскими правами, которые все еще были в подгузниках, и был готов придумать любой предлог, чтобы одолжить красный дротик Данте, лишь бы не терпеть «Стоджеваген».
При вождении с жизнерадостностью свежего лица была турбо-задержка, но как только вы оказывались в зоне крутящего момента, Activa была чертовски быстрой.
По общему признанию, я был слишком неопытен, чтобы тщательно его оценить, но это не имело значения, потому что на дорогах А и Б это было откровением. Благодаря его проходимости по пересеченной местности и полулегкому управлению поездки отправлялись с небрежным пожиманием плечами. В самом деле, если бы продавец типа Гарета Чизмана был достаточно глуп, чтобы обогнать Activa, то его растерянные глаза ярко горели бы в зеркале заднего вида, как бы воя:0061 Как!?! Как это румяное французское такси делает это…?»
Однако у Activa были свои пределы. И в моем случае я споткнулся о них во время «поездки на автомобильное шоу», которое на самом деле было трек-днем на гоночной трассе Castle Combe в Уилтшире.
Я знал трассу и знал машину. Чего я не знал, так это того, что самоуверенность может быть очень опасной вещью.
Пролетая через Карьер и пролетая по Фарм-Стрит, задолго до того, как были установлены шиканы, Старый Паддок-Бенд был тем местом, где Activa потеряла интерес. Сиропное рулевое управление казалось, будто колеса отвалились. Затем это шасси PSA сделало то, что шасси PSA любило делать, и последующая 80-мильная гонка привела к вращению à grande Vitesse. Мне казалось, что Ситроен меня бросил. Пока мы мчались боком к гребню травы, я ждал, когда мир перевернется вверх дном. Но каким-то чудом мы остановились. Папина машина осталась цела.
Однако большим недостатком владения Activa было то, что даже тогда мало кто знал, как за ней ухаживать, а достать запасные части было смехотворно сложно. Когда Activa исполнилось всего пять лет, понадобился отремонтированный генератор, потому что дилер не мог найти новый. В милях от дома катастрофическая утечка LHM вывела из строя тормоза, рулевое управление и сцепление, окрасив дорогу в зеленый цвет, мое лицо покраснело, а лоб вспотел.
Даже когда сферы и трубопроводы были заменены, езда казалась хрящевой. Затем замигала лампочка «Стоп», что означало, что подвеска, на которую был установлен рекорд Citroën из 10 сфер, требовала внимания. Оригинальные шины Michelin стали неуловимыми, поэтому были установлены другие ботинки, но их плохое сцепление с дорогой испортило вечеринку Activa.
Слишком быстро его ужасная остаточная стоимость — для бескорыстных покупателей это был просто еще один старый Citroën — гарантировала, что он стоил столько же, сколько Orangina .
Activa после эволюции V6 с левым рулем и сомнительного фейслифтинга в 1998 году прекратила производство 20 лет назад. Хотя Citroën не заменил его, Activa оставила наследие как первый в мире серийный автомобиль с активной подвеской, предотвращающей перекатывание — идея, которая с тех пор использовалась многочисленными роскошными седанами и спортивными «тягачами Chelsea». Тем не менее, Hydropneumatique была отправлена на пенсию Citroën пять лет назад.

Тем самым можно полностью откинуть ящик.

8
8, бензин
9, дизель
8, бензин
8, бензин
6, бензин
6, бензин
8, бензин
8, бензин