Передний мост уаз 469 устройство схема: Передний мост УАЗ 469: устройство, ремонт и фото
Передний мост УАЗ 469: устройство, ремонт и фото
Устройство переднего моста УАЗ 469 отличается от заднего аналога некоторыми конструкционными особенностями. Кроме мостовой балки и дифференциала, узел включает в себя карданные шарниры равных скоростей по углам и редуктор. Кожух полуоси соединяется с шаровой опорой при помощи фланца. Корпус шарнира фиксируется посредством пары шкворней. К остову на болтах крепится крышка редуктора с цапфой и тормозным щитом.
Описание
Чтобы уменьшить степень износа деталей узла, рекомендуется при перемещении по твердой поверхности отключать передний мост УАЗ 469, устройство которого рассмотрим далее. Также следует деактивировать ступицы на фронтальных колесах. Для этого нужно снять колпачки и вывинтить болты из валового гнезда. В итоге муфта устанавливается в позицию, соответствующую кольцевой канавке и торцу муфты. После установки этого элемента в необходимое положение приступают к закручиванию защитного колпака.
Активация фронтального колеса производится посредством надежной фиксации болтов.
Схема конструкции моста ориентирована на синхронное включение и выключение привода обоих колес.
Устройство переднего моста УАЗ 469
Картер, основная передача и дифференциал соответствуют элементам заднего аналога. В модификации 469Б предусмотрено маслоотражательное кольцо и правая резьба с клеймом «П». К кожуху полуоси крепится шаровая опора. Она фиксируется при помощи пяти болтов. В нее запрессованы втулки и шкворни. Кроме того, на опоре имеется крышка картера редуктора колес и корпус поворотного кулака. К запирающему элементу крепится при помощи шести болтов цапфа и тормозной щит.
Шкворневой придаток поворотного кулачка монтируется с натягом, величина которого регулируется от 0,02 до 0,10 мм. Во избежание проворачивания этого элемента в конструкции предусмотрены стопорные штифты. Регулировка положения производится посредством прокладок, устанавливаемых в верхней части, между рычагом кулака. Кроме того, откорректировать положение можно при помощи установки прокладок в боковой и нижней части детали.
Особенности
Устройство переднего моста УАЗ 469, фото которого представлено выше, предполагает наличие сальника, отвечающего за удержание смазки в корпусе и предохранение поворотного кулачка от загрязнения. Элемент состоит из внутренней обоймы, уплотнительного резинового кольца, перегородки, войлочной прокладки и наружного блока. Крепится сальник на остове поворотного кулака при помощи болтов.
Предохранение от перетекания смазочной смеси из картера основной передачи в поворотный кулачок обеспечивает внутренний самоподжимной сальник из резины в металлической обойме. Смазывание верхних шкворневых элементов и шаровой опоры производится через специальные пресс-масленки. Нижние элементы смазываются веществом, поступающим из опоры самотеком.
Шарнир
Устройство переднего моста УАЗ 469 включает в себя шарнирную систему стабилизации угловой скорости. Ее конструкция гарантирует стабильность показателя угловых скоростей ведущего и сопровождающего вала.
При этом дистанция и отклонение между ними не играют роли. Сам шарнир состоит из пары вилок, в криволинейных гнездах которых размещены четыре шарика. В центральных отсеках этих деталей имеется пятый установочный шарик, служащий для центрирования вилок.
Продольное перемещение шарнира предотвращается шариковым подшипником и страховочной шайбой. Ведущая внутренняя вилка взаимодействует с полуосью шестерни дифференциала. На краю внешней ведомой вилки смонтирована основная шестерня колесного редуктора и подшипник роликового типа со стопорной гайкой. Внутреннее зацепление элемента происходит путем болтового соединения. Ведомая часть агрегирует с валом на роликовом подшипнике и бронзовой втулкой, имеющейся в середине цапфы. На конце вала предусмотрено приспособление для деактивации передних колес машины. Оно состоит из подвижной муфты, пружины, шариков и болтов. Наружными выступами деталь соединяется с внутренними шлицами фланца, зафиксированного при помощи болтов на ступице.
Устройство редуктора
Передний мост УАЗ 469 устройство редуктора имеет практически идентичное колесному редуктору заднего моста.
Среди отличий этих элементов является способ установки и крепления ведущей шестеренки, а также конструкция шарикового подшипника, помещенного в специальное стаканное гнездо. Ведущая зубчатая шестерня смонтирована на шлицах ведомой шарнирной вилки. Она зафиксирована с подшипниками посредством специальной гайки, раскернивающейся в паз вала после затяжки.
Опорная шайба находится между роликовым подшипником и шестерней. Эти детали не являются взаимозаменяемыми с аналогами задних редукторов. Техническое обслуживание для обоих узлов одинаково.
Устройство переднего моста УАЗ 469: схема подключения
Сборка и подключение рассматриваемой детали осуществляется в следующем порядке:
- Втулка вставляется в цапфу кулака методом прессовки. Она должна стать на одном уровне с торцом посадочного гнезда. Затем втулка поворачивается и регулируется специальной брошью до требуемого диаметра.
- Ограничение перемещения шарнира идентичных угловых продольных скоростей обеспечивается шайбами, установленными в цапфе и шаровой опоре.
Их расположение должно быть направлено смазочными канавками в сторону шарнира. Фиксирующая шайба крепится способом кернения в нескольких местах на точках, равномерно распределенных по окружности. - Замена втулок шкворней подразумевает их прессование и завинчивание до диаметра 25 мм, с возможностью прохода через каждую втулку.
- При установке шарнира в опору заливается смазка.
- Устройство переднего моста на УАЗ 469 предполагает корректировку необходимых осевых натяжений при помощи регулирующих вставок, от которых зависит расположение втулок и самой шаровой опоры. Как минимум используется пять прокладок. Суммарные показатели толщины вверху и снизу не должны иметь разницу более 0,1 мм.
- Перед сбором сальника войлочное кольцо пропитывают теплым моторным маслом.
После сборки переднего моста он проверяется на стенде в статическом состоянии и под нагрузкой. Такая позиция создается путем синхронного торможения полуосей. Если узел собран правильно, не будет наблюдаться повышенная шумность узла, протечка масла в сальниках и манжетах, а также местах соединения.
Техническое обслуживание
Устройство переднего моста УАЗ 469, схема которого приведена выше, предусматривает в период эксплуатации проведение ряда профилактических и регулировочных операций. Среди них:
- Периодическая подтяжка резьбовых соединений.
- Проверка шкворней на наличие зазоров.
- Корректирование подшипников.
- Починка мест сцепления шестерен.
- Проверка схождения.
- Регулярная смазка трущихся деталей согласно таблице предписаний по применению смазочных средств.
Зрительная проверка устройства переднего моста УАЗ 469 предусматривает осмотр поворотных кулаков на предмет целостности и пригодности регулирующих винтов, ограничительных поворотных упоров, а также надежность стопора данных элементов.
Схема конструкции рассматриваемого узла рассчитана на максимальный угол поворота обоих колес в соответствующих позициях порядка 27 градусов. Увеличение данного показателя свидетельствует о деформации шарнирных поворотных кулачков, а это существенно усложняет ремонт.
Регулировка
Устройство переднего моста УАЗ 469, фото которого приведено выше, в заводских условиях предполагает регулировку шкворня поворота с предварительным натяжением. В этом случае, в верхней и нижней части узла устанавливается одинаковое количество корректирующих прокладок.
Устройство шкворня переднего моста УАЗ 469 отличается тем, что особое внимание необходимо уделять режиму затяжки этих элементов. Фиксация ослабевает в результате постепенного изнашивания трущихся частей. Между шкворневыми торцами и опорными кольцами появляются зазоры по осям.
Ремонт
Передний мост военного УАЗ 469, устройство которого рассмотрено выше, иногда может потребовать ремонта. Для починки потребуется снять деталь и разобрать ее. Этот процесс выполняется следующим образом:
- Ставятся колодки по задние колеса авто.
- Откручиваются гайки и прочие системы крепления блока.
- Тяга отцепляется от сошки, после чего удаляется гайки на амортизаторах и шаровом пальце.

- Демонтируется крепление передних рессор с накладками.
- Фронтальная часть автомобиля поднимается за раму, после чего узел демонтируется.
Передний мост УАЗ 469, устройство с описанием которого приведено выше, требует профессионального обслуживания. Но при наличии соответствующих навыков произвести манипуляции с этим блоком можно и своими силами.
Автомобиль УАЗ-469 — характеристики, устройство, ремонт
Автомобиль УАЗ-469 — характеристики, устройство, ремонтК сожалению, запрашиваемая вами страница не найдена. Почему?
Вероятные варианты:
Cсылка, по которой вы пришли — невернаНеверно указан путь или название страницы в адресной строке
Страница была удалена или переименована, но ещё существует в индексе поисковиков (закладках браузера)
- Техническая характеристика УАЗ-469, УАЗ-469Б Характерситики двигателя (41416, 414) УАЗ-469, УАЗ-469Б
- Органы управления УАЗ-469
- Подготовка к работе УАЗ-469
Подвеска двигателя УАЗ-469- Кривошипно-шатунный механизм двигателя УАЗ-469
- Газораспределительный механизм двигателя УАЗ-469
- Система смазки УАЗ-469
- Система вентиляции картера двигателя УАЗ-469
- Система питания двигателя УАЗ-469 Карбюратор К-129В
- Система выпуска газов двигателя УАЗ-469
- Система охлаждения двигателя УАЗ-469
- Предпусковой подогреватель двигателя УАЗ-469
- Неисправности двигателя УАЗ-469
- Сцепление УАЗ-469 Привод управления сцеплением УАЗ-469
- Коробка передач УАЗ-469 Неисправности коробки передач, механизма переключения УАЗ-469
- Раздаточная коробка УАЗ-469 Возможные неисправности раздаточной коробки УАЗ-469
- Карданная передача УАЗ-469 Неисправности карданного вала УАЗ-469
- Передний ведущий мост УАЗ-469 Техническое обслуживание переднего моста УАЗ-469
- Рама УАЗ-469
- Подвеска УАЗ-469 Амортизатор УАЗ-469
- Рулевое управление УАЗ-469
- Тормоза УАЗ-469 Техническое обслуживание тормозов УАЗ-469
- Электрика УАЗ-469
- Генератор УАЗ-469
- Регулятор напряжения РР132
- Аккумуляторная батарея УАЗ-469
- Система зажигания УАЗ-469 Возможные неисправности приборов системы зажигания УАЗ-469
- Стартер УАЗ-469
- Система освещения, световой и звуковой сигнализации УАЗ-469 Звуковой сигнал УАЗ-469
- Контрольно-измерительные приборы УАЗ-469
- Инструменты и принадлежности УАЗ-469
- Кузов УАЗ-469 Тент УАЗ-469
- Маркировка УАЗ-469
- Техническое обслуживание УАЗ-469
Первое техническое обслуживание (ТО-1) УАЗ-469
Смазка автомобиля УАЗ-469 - Смазочные материалы УАЗ-469 и УАЗ-469Б
Двигатель УАЗ-469, УАЗ-469Б
Трансмиссия УАЗ-469, УАЗ-469Б
Ходовая часть, подвеска, системы управления УАЗ-469, УАЗ-469Б
Электрооборудование УАЗ-469, УАЗ-469Б
Кузов УАЗ-469, УАЗ-469Б
Регулировочные данные УАЗ-469, УАЗ-469Б
Заправочная вместимость УАЗ-469, УАЗ-469Б
Техническое обслуживание системы питания двигателя УАЗ-469
Возможные неисправности сцепления УАЗ-469
Задний мост УАЗ-469
Задний мост УАЗ-469Б
Возможные неисправности заднего моста УАЗ-469Б
Колеса и шины УАЗ-469
Возможные неисправности колес, шин и ступиц УАЗ-469
Возможные неисправности рабочих тормозов УАЗ-469
Стояночный тормоз УАЗ-469
Вентиляция кузова УАЗ-469
Установка санитарных носилок в кузове УАЗ-469
Задний мост автомобилей УАЗ
Главная передача состоит из пары конических шестерен со спиральным зубом.
Рис. 1. Задний мост: 1 — крышка картера заднего моста; 2 — полуось; 3 — сапун; 4 — кожух полуоси; 5 — подшипник дифференциала; 6 — регулировочные прокладки подшипников дифференциала; 7—коробка дифференциала; 8 — роликовый подшипник ведущей шестерни; 9— ведомая шестерня; 10 — регулировочное кольцо положения ведущей шестерни; 11 — крышка подшипника; 12 — маслоотгонное кольцо; 13 — фланец вала ведущей шестерни; 14 — гаЛка затяжки вала ведущей шестерни; 15 — сальник; 16 — прокладка; 17 — двухрядный роликовый конический подшипник; 18 — распорное кольцо; 19 — регулировочные прокладки подшипников вала ведущей шестерни; 20 — ведущая шестерня; 21 — опорная шайба сателлита; 22 — сателлит; 23 — картер заднего моста; 24 — опорная шайба полуосевой шестерни; 25 — ось сателлитов; 26— шпилька; 27 — прокладка картера; 28 — шестерня
Ось ведущей шестерни смещена вправо от продольной оси автомобиля на 75 мм.
Ведущая шестерня установлена на двух опорах: двухрядном радиально-упорном роликовом подшипнике и роликовом радиальном подшипнике 8 неразборной конструкции.
Этот подшипник напрессован на задний конец вала ведущей шестерни.
Дифференциал конический с четырьмя сателлитами, имеет разъемную коробку, состоящую из двух половин, соединенных шпильками и гайками. Дифференциал установлен на двух конических роликовых подшипниках, расположенных в картере и крышке заднего моста.
Ведомая шестерня прикреплена к фланцу коробки дифференциала десятью болтами. Сателлиты установлены на двух осях, взаимное расположение которых фиксируется пазами, имеющимися в середине осей.
Сателлиты и полуосевые шестерни снабжены сменными опорными шайбами.
Полуось имеет фланец, который устанавливают на шесть шпилек ступицы колеса и закрепляют гайками.
Шлицевой конец полуоси входит в полуосевую шестерню.
Для обеспечения надежной смазки переднего подшипника ведущей шестерни в картере заднего моста в литье имеются каналы, по которым подается смазка разбрызгиванием, при вращении ведомой шестерни. Направление отверстий для стока в крышке и картере обеспечивает поддержание постоянного уровня смазки.
Задний подшипник ведущей шестерни, подшипники дифференциала и торцы полуосевых шестерен и сателлитов смазываются при вращении дифференциала в масляной ванне разбрызгиванием.
В целях повышения надежности и долговечности передних и задних мостов с марта 1967 г. на них устанавливают картер с маслоподводящим каналом А, в который поступает масло от ведущей шестерни главной передачи. Из канала масло стекает на подшипник дифференциала и обеспечивает хорошую его смазку. Взаимозаменяемость узлов и деталей сохранена.
Для устранения повышенного давления, которое возникает внутри картера при нагреве его во время работы, на кожухе картера установлен сапун.
Техническое обслуживание
При первом техническом обслуживании (ТО-1) необходимо осмотреть картер заднего моста. При обнаружении на нем следов смазки проверить уровень масла и устранить неисправность.
Через ТО-1 проверить:
— крепление фланцев полуосей;
— уровень масла в картере и долить его при надобности до нижней кромки наливного отверстия.
При втором техническом обслуживании (ТО-2) необходимо:
проверить осмотром герметичность и состояние картера; заменить масло в картере. Если масло сильно загрязнено, то перед заливкой свежего масла картер следует промыть керосином. Для промывания нужно залить 1 —1,5 л керосина в картер, поднять домкратом задний мост так, чтобы шины не касались земли, пустить двигатель и дать ему проработать 2—3 мин, после чего керосин слить и залить свежее масло. Если после длительной эксплуатации в масле появились металлические частицы, то мост следует вскрыть, осмотреть и заменить, в случае необходимости, изношенные детали.
При заправке моста маслом не следует проворачивать шестерни, так как масло налипнет на них и попадет в картер в большем количестве, чем это требуется;
— подтягивать гайки крепления фланца на ведущей шестерне моста;
— проверять и устранять регулировкой люфт в двойном коническом подшипнике ведущей шестерни. Порядок регулировки указан в конце раздела;
— очищать от грязи и продувать сапун;
— проверять крепление картера по разъему и крепление крышки подшипника ведущей шестерни.
Снятие и разборка заднего моста
Для ремонта задний мост снимают с автомобиля и разбирают. Разобранные детали моют и осматривают.
Необходимо проверить состояние (износ) подшипников, сальников, зубьев шестерен, шлицевых соединений и других деталей.
Дефектные или изношенные детали и сальники заменяют новыми.
Ведущую и ведомую шестерни главной передачи при разборке заднего моста не обезличивают. В случае необходимости шестерни заменяют комплектно, так как на заводе их попарно подбирают по контакту, боковому зазору и шуму и клеймят одинаковым номером.
Для снятия заднего моста нужно отъединить гибкий шланг от тройника трубопровода гидравлического тормоза, установленного на поперечине рамы над задним мостом, стойки амортизаторов, карданный вал, рессоры и откатить задний мост.
Чтобы разобрать задний мост, предварительно снимают с него колеса, тормозные барабаны и полуоси. Для снятия полуоси нужно отвернуть гайки шпилек крепления фланца полуоси, завернуть два болта, установленные на фланце, и вынуть полуось.
Выпрямив отогнутые края стопорной шайбы, отвернуть гайки крепления подшипников ступицы колеса, снять ступицы, щиты задних тормозов и трубопровод.
Разбирать задний мост следует в порядке, указанном ниже.
Отвернуть восемь болтов (из них шесть со специальной головкой) крепления крышки к картеру заднего моста, снять крышку, прокладку и осторожно вынуть дифференциал.
Снять фланец с ведущей шестерни заднего моста.
Снять крышку подшипника ведущей шестерни заднего моста, регулировочные кольца, прокладку, маслоотражательное кольцо, внутреннее кольцо подшипника и распорное кольцо.
Выпрессовать, пользуясь съемником, ведущую шестерню вместе с подшипником из картера заднего моста и снять наружное кольцо подшипника.
Выпрессовать при помощи приспособления внутреннее кольцо подшипника ведущей шестерни.
Последовательность разборки дифференциа-л а. Выпрессовать, пользуясь съемником, внутреннее кольцо подшипников дифференциала.
Снять ведомую шестерню заднего моста.
Отогнув усики стопорных шайб, отвернуть гайки и разъединить половинки коробки сателлитов.
Вынуть опорные шайбы, сателлиты, полуосевые шестерни и оси.
Дифференциал нужно собирать в последовательности, обратной разборке.
Перед сборкой проверяют толщину опорных шайб и заменяют их новыми, если толщина шайбы шестерни полуоси меньше 1,2 мм, а шайбы сателлита меньше 0,4 мм.
При установке опорных шайб в дифференциал зазор между шайбой и шестерней полуоси должен быть в пределах 0,05—0,45 мм (проверять щупом).
борка заднего моста
Задний мост собирают в последовательности, обратной разборке, учитывая следующее.
Двухрядный конический подшипник ведущей шестерни и конические подшипники дифференциала собирают с предварительным натягом, т. е. с предварительной осевой нагрузкой, которая устраняет люфт в подшипниках и уменьшает вредное влияние ударных нагрузок. Порядок регулировки указан в конце этого раздела.
После напрессовки заднего подшипника на конец вала ведущей шестерни торец его кернят.
При сборке моста сначала устанавливают ведущую шестерню с подшипниками в сборе, а затем дифференциал с ведомой шестерней.
При сборке заднего моста подшипники и шестерни главной передачи необходимо отрегулировать в нижеуказанной последовательности:
— отрегулировать предварительный натяг двойного конического подшипника вала ведущей шестерни и конических подшипников дифференциала;
— отрегулировать боковой зазор и правильный контакт в зацеплении шестерен главной передачи.
Выполнение операций по регулировке указано в разделе «Регулировка заднего моста».
Рабочую поверхность резиновых сальников перед постановкой на место смазать тонким слоем смазки 1-13 (жировой).
Гнезда деталей, в которые запрессовывают сальники с металлическим корпусом, для обеспечения высокой герметичности рекомендуется смазывать тонким слоем краски или пасты, непосредственно перед запрессовкой сальников.
Для запрессовки сальников в гнездо следует пользоваться оправкой, наружный диаметр которой немного меньше наружного диаметра сальника.
Наружные кольца подшипников дифференциала запрессовывают в гнезда картера и крышки картера до упора, а внутренние кольца подшипников — до упора в торцы шейки коробки дифференциала.
При установке новых шестерен главной пары регулируют боковой зазор и контакт в зацеплении.
Маслоотгонное кольцо сальника ведущей шестерни заднего моста, устанавливаемое между фланцем и внутренним кольцом подшипника, имеет на торце канавки с левым направлением витка и не маркировано. Необходимо иметь в виду, что маслоотгон-ное кольцо, устанавливаемое в переднем мосту, имеет канавки с правым направлением витка и маркировку «П». Маслоотгонные кольца нельзя менять местами, иначе может появиться течь масла из сальника.
При установке крышки подшипника ведущей шестерни (деталь 20-2402051-Г) на картер моста нужно совместить отверстия для смазки в прокладке и крышке с отверстием в картере.
Необходимо гайку крепления фланца на ведущей шестерне завернуть до отказа. Для совмещения прорези на гайке с отверстием под шплинт отвертывание гайки не допускается.
Перед сборкой проверить и в случае необходимости заменить сальник ведущей шестерни и прокладку картера моста.
Под крышку ведущей шестерни устанавливают картонные прокладки толщиной 0,3 и 0,5 мм. Толщину их подбирают после регулировки зацепления главной передачи и замера зазора между торцом горловины картера и крышкой. Толщина прокладок должна быть на 0,2—0,4 мм больше размера зазора.
Задний мост после сборки проверяют на стенде под нагрузкой и без нее. Правильно собранный задний мост должен удовлетворять следующим требованиям.
Во время проверки не должны наблюдаться повышенные шумы и нагрев.
Не должно происходить течи масла через сальник крышки и болтовые соединения.
Регулировка заднего моста
Подшипники заднего моста, боковой зазор и контакт в зацеплении шестерен главной передачи регулируют на заводе и во время эксплуатации длительное время они остаются неизменными. Поэтому их регулируют только при замене деталей или при большом износе подшипников заднего моста (при появлении заметной осевой игры ведущей или ведомой шестерни).
В заднем мосту регулируют:
— предварительный натяг двойного конического подшипника ведущей шестерни;
— предварительный натяг конических подшипников дифференциала;
— боковой зазор и контакт в зацеплении шестерен главной передачи (только при установке новых шестерен).
Регулировка предварительного натяга Двойного конического подшипника вала ведущей шестерни. Во время подтягивания гайки крепления фланца на валу ведущей шестерни заднего моста при ТО-2 выявляют наличие осевого зазора в подшипниках ведущей шестерни.
Зазор проверяют при помощи приспособления с индикатором. Если при продольном перемещении вала ведущей шестерни из одного крайнего положения в другое осевой зазор в подшипниках будет более 0,05 мм, необходимо подтянуть подшипники.
При отсутствии индикаторного приспособления проверяют наличие зазора, перемещая вал ведущей шестерни за фланец рукой.
Подшипники подтягивают за счет изменения общей толщины регулировочных прокладок между внутренним кольцом подшипника и распорным кольцом.
Толщина регулировочных прокладок равна 0,1; 0,15 и 0,25 мм. При достаточном опыте подшипники вала ведущей шестерни можно подтянуть без разборки заднего моста.
Рис. 2. Проверка осевого зазора в подшипниках вала ведущей шестерни главной передачи
Рис. 3. Проверка затяжки подшипников вала ведущей шестерни
Для этого нужно:
— отвернуть гайку и снять фланец с вала ведущей шестерни;
— отвернуть болты крепления и снять крышку подшипника вместе с сальником, маслоотгонное кольцо, внутреннее кольцо подшипника, распорное кольцо;
— вынуть регулировочную прокладку;
— установить все остальные снятые детали на место и затянуть гайку фланца. При затягивании гайки нужно проворачивать ведущую шестерню за фланец, чтобы ролики заняли правильное положение в кольцах подшипника. Проверить качество регулировки.
Если зазор не устранен, регулировку повторить.
При правильном подборе толщины прокладок осевое перемещение у вала ведущей шестерни должно отсутствовать, а сама шестерня должна вращаться от руки без большого усилия.
При недостаточном опыте отрегулировать осевой зазор можно следующим образом.
Отъединив от моста одну из рессор, амортизатор и трубопровод гидротормозов, отвернуть болты крепления крышки к картеру моста, раздвинуть крышку и картер так, чтобы вывести из зацепления ведущую и ведомую шестерни.
Отвернуть гайку и снять фланец. Отвернуть болты и снять крышку вместе с сальником, маслоотгонное кольцо, внутреннее кольцо подшипника и распорное кольцо.
Вынуть регулировочную прокладку.
Установить на место распорное кольцо, внутреннее кольцо подшипника, маслоотгонное кольцо, фланец и затянуть гайку фланца. При затягивании шестерню проворачивать за фланец.
Проверить пружинным динамометром величину предварительного натяга подшипника при снятых крышке и сальнике.
При правильной регулировке динамометр должен показывать усилие 1,5—3,0 кГ при установке крючка динамометра в отверстие фланца (на плече 40 мм).
Если показания динамометра не соответствуют указанному, повторить регулировку, изменяя толщину снятых прокладок.
По окончании регулировки установить крышку на место. При этом необходимо совместить отверстия для смазки в картере, прокладке и крышке.
Затянуть до отказа гайку на шлицевом конце ведущей шестерни. Для совмещения прорези на гайке с отверстием под шплинт нельзя отвертывать гайку назад, а следует ее только дотягивать. При недостаточном затягивании гайки возможны проворачивание на валу ведущей шестерни внутренних колец двухрядного роликового подшипника, износ прокладок и появление опасного осевого люфта вала ведущей шестерни.
После регулировки проверяют нагрев подшипника во время эксплуатации. Нагрев горловины картера до температуры 80 °С и выше указывает на то, что подшипник перетянут и необходимо увеличить толщину прокладок. Небольшой нагрев не опасен.
Регулировка предварительного натяга конических подшипников дифференциала. Этот натяг регулируют подбором количества и толщины регулировочных прокладок, установленных между торцами внутренних колец подшипников и опорных шеек коробки дифференциала.
Регулировочные прокладки имеют толщину 0,1; 0,15; 0,25 и 0,5 мм. При регулировке необходимо добиться, чтобы не было боковой качки и осевой игры ведомой шестерни; при этом шестерня должна вращаться в подшипниках с небольшим усилием. Осевую игру ведомой шестерни проверяют через отверстие для маслоналивной пробки. Под оба торца дифференциала должно быть установлено примерно равное количество прокладок.
В случае сильной затяжки подшипников нужно снять регулировочную прокладку из-под торца дифференциала со стороны, обратной ведомой шестерне.
Регулировка бокового зазора и правильного контакта в зацеплении шестерен главной передачи. Указанную регулировку выполняют только при установке новых шестерен главной передачи.
Нужно обратить внимание на тщательное выполнение данной регулировки, так как неправильно отрегулированные шестерни будут работать с повышенным шумом и быстро изнашиваться.
Перед регулировкой бокового зазора и правильного контакта в зацеплении шестерен необходимо отрегулировать предварительный натяг в подшипниках вала ведущей шестерни и дифференциала, как было указано выше.
После регулировки предварительного наряга регулируют боковой зазор в зацеплении шестерен главной передачи собранного моста. Этот зазор должен быть в пределах 0,2—0,6 мм при замере на фланце ведущей шестерни на радиусе 40 мм (контролировать в четырех положениях ведущей шестерни через каждый оборот).
Положение ведущей шестерни регулируют подбором толщины регулировочного кольца, устанавливаемого между буртиком горловины картера и наружным кольцом двухрядного конического подшипника. Толщина регулировочного кольца 1,48; 1,53; 1,58; 1,63; 1,68; 1,73 мм.
Положение ведомой шестерни изменяют перестановкой регулировочных прокладок с одной стороны коробки дифференциала на другую. Переставляя прокладки, добиваются указанной выше величины бокового зазора. Нельзя уменьшать или увеличивать количество прокладок, так как это нарушит предварительный натяг в подшипниках дифференциала.
Для замера действительной величины бокового зазора в зубьях шестерен главной передачи рекомендуется застопорить ведомую шестерню (чтобы устранить влияние зазоров в дифференциале и в шлицах полуосей).
После регулировки бокового зазора проверить правильность зацепления по пятну контакта на зубьях. Для этого зубья ведомой шестерни покрывают тонким слоем краски и ведущую шестерню провертывают в обе стороны.
Величина бокового зазора шестерен при этих изменениях не должна выходить за пределы 0,2—0,6 мм при замере на хвостовике ведущей шестерни на радиусе 40 мм.
Передний мост уаз патриот устройство ремонт
Главная / Внедорожники
Назад
Опубликовано: 23.10.2018
Время на чтение: 8 мин
0
21108
Оцените статью
Автомобили повышенной проходимости УАЗ Патриот хорошо известны отечественному потребителю. Производитель еще с завода оснащает их сразу парой ведущих мостов: задним и передним. Основным отличием между ними является то, что конструкция переднего — управляемая, и его можно включить в случае возникновения необходимости. Несмотря на то, что передний мост УАЗ Патриот разрабатывался еще в 90-х годах, он активно применяется и по сей день благодаря своим техническим характеристикам.
- Основные достоинства конструкции
- Описание составляющих и конструкционная схема
- Основные типы неисправностей и их причины
- Ремонт ключевых видов поломок переднего моста УАЗ
- Контроль и плановое обслуживание
Мосты УАЗ Патриот устройство, передний мост UAZ Patriot
Мосты УАЗ Патриот их устройство и обслуживание довольно интересная тема в среде УАЗоводов. Особенно многих волнует передний мост UAZ Patriot, ведь конструктивно передний мост сложнее в ремонте и устройстве. Сегодня расскажем о мостах современного Патриота подробнее.
Сначала немного истории ведущих мостов УАЗ и устройстве этих элементов трансмиссии. Изначально мосты внедорожников УАЗ были “военные” и “колхозные”, они прилично отличались своим устройством между собой. В среде любителей внедорожников ценятся именно “военные” типы мостов. Но на нынешний УАЗ Патриот ставят совершенно иные мосты, которые имеют ряд особенностей, хотя некоторые детали взаимозаменяемы со старыми мостами.
Современные мосты Патриота типа “Спайсер” сейчас идут с увеличенной до 1600 мм колеёй. Ведь старые мосты имели всего 1445 мм и не подходили для довольно широкого Патриота. Так же в конструкции изменили картер главной передачи, который закрыт съемной стальной крышкой, а для доступа к главной передаче и дифференциалу теперь не надо снимать и разбирать мост, можно просто снять крышку.
Устройство переднего и заднего моста “Спайсер” схожи, а об особенностях мы поговорим чуть ниже. Итак, картер моста состоит из неразъёмного литого картера главной передачи, запрессованных в него кожухов (чулков) полуосей и штампованной крышки. Отсутствие разъёма в поперечной плоскости моста придаёт конструкции высокую жёсткость (неразрезной тип моста). Размещение главной передачи и дифференциала в едином картере обеспечивает долговечность и высокую точность зацепления зубьев главной пары.
Мосты УАЗ Патриот, УАЗ ПРОФИ с новыми поворотными кулаками.
Для УАЗ ПРОФИ были разработаны новые передние мосты с поворотными кулаками выполненными не в виде шара, а в виде вилки.
Причем передний мост существует в двух выриантах: для 4х4 и для 4х2:
Передний мост УАЗ ПРОФИ в исполнении 4х2:
Передний мост УАЗ ПРОФИ в исполнении 4х4:
Устройство, особенности конструкции и обслуживания.
На автомобили УАЗ Патриот и УАЗ Хантер, а также все модели на их базе, устанавливаются передние и задние одноступенчатые ведущие мосты типа Спайсер с неразъемным картером, названные так по фамилии американского инженера Кларенса Спайсера, автора более чем тридцати патентов и владельца компании Spicer Manufacturing Company, сейчас — Dana Corporation.
Передний и задний мост типа Спайсер начали устанавливать на автомобиля Уаз-3160 и Уаз-3162 Симбир, взамен мостов старой конструкции, а с них они уже по наследству перешли на УАЗ Патриот, УАЗ Пикап, УАЗ Карго и УАЗ Хантер.
Передний и задний мост типа Спайсер на УАЗ Патриот, устройство.
Передний мост комбинированный, одновременно выполняет функции ведущего и управляемого, представляет собой жесткую пустотелую балку, внутри которой размещены главная гипоидная передача и дифференциал.
От главной передачи крутящий момент передается на передние ступицы через полуоси.
Полуось представляет собой единую деталь с шарнирами равных угловых скоростей (ШРУС) типа Рцеппа-Бирфильд, названным так по имени его изобретателя Альфреда Рцеппа и американской фирмы Бирфильд производившей его по патенту. Он компактнее шарнира Бендикс-Вейс на мостах Тимкен, может работать при больших углах и передавать больший крутящий момент.
Передний мост УАЗ Патриот
В настоящее время такими шарнирами комплектуется и передние мосты старой конструкции типа Тимкен до сих пор устанавливаемые на автомобили УАЗ легкового и грузопассажирского модельного ряда. По этой причине они обзавелись названием — гибридные мосты.
Задний мост представляет собой жесткую пустотелую балку, на концах которой на подшипниках установлены ступицы ведущих колес, а внутри размещены главная гипоидная передача и дифференциал. От главной передачи крутящий момент передается через полуоси на ступицу.
Передний и задний мост имеют аналогичные по конструкции главные передачи и дифференциалы.
Задний мост УАЗ Патриот
Особенности конструкции переднего и заднего моста типа Спайсер.
Мосты типа Спайсер во многом унифицированы с одноступенчатыми мостами старой конструкции типа Тимкен, у них одинаковые подшипники дифференциала, полуоси заднего моста и практически все детали ступичных узлов.
Толщина подложки ведомой шестерни в новых мостах была увеличена на 8 миллиметров, это снизило шумность и повысило надежность главной передачи. Новый дифференциал может быть использован на старых одноступенчатых мостах с разъемным картером при условии установки на шипе чашки кольца-компенсатора.
Выпускаемые в настоящее время передние и задние мосты типа Спайсер имеют передаточное число главной передачи 4.111 или 4.625. Первые устанавливаются в основном на автомобили УАЗ с бензиновыми двигателями, а вторые – на автомобили с дизельными двигателями, и все автомобили начиная с 2015 модельного года.
На автомобили УАЗ Хантер и все модели на его базе устанавливаются так называемые узкие мосты с колеей 1445 мм, каталожный номер переднего моста 31605-2300011 — передаточное число главной передачи 4.111, или 31608-2300011 с передаточным числом 4.625. Каталожный номер заднего моста 31605-2400010-30 — передаточное число 4.111 или 31514-2400010-10 — с 4.625.
Конструктивные особенности, устройство
Авто на подъемнике
Больших отличий в устройстве ведущих мостов нет. Передний мост УАЗ Патриот имеет одноступенчатую конструкцию.
Это выражается в передаче крутящего момента через главную передачу и дифференциал.
В передней пустотелой балке размещаются две полуоси, которые воспринимают вращение от ведомой шестерни главной передачи и передают его к ступице. Полуоси передают вращение через ШРУСы.
Задействовать колеса при использовании переднего моста можно, включив специальные муфты, называемые еще хабами.
Как включить и отключить передний мост на УАЗ Патриот
Включение переднего моста на автомобиле УАЗ Патриот осуществляется раздаточной коробкой.
Производитель устанавливал на модель два вида раздаточных коробок. Более старые версии оснащены РК с механическим управлением.
Включение переднего моста на раздаточной коробке с механическим управлением осуществляется рычагом, установленным в салоне автомобиля между водительским и пассажирским сиденьем. Рычаг механически передвигает штоки раздаточной коробки.
Более новые версии автомобиля оснащены раздаточной коробкой с электронным управлением.
Блок управления раздаточной коробкой осуществляет включение электромоторов. Электрические двигатели передвигают штоки в необходимое положение.
Чтобы включить передний мост на УАЗ Патриот необходимо:
- выключить муфту сцепления. Для этого выжать педаль сцепления, установленную в салоне;
- После выключения муфты сцепления установить рычаг или регулятор в необходимое положение;
- После отпускания педали сцепления передний мост автомобиля будет включён. Отключать привод оси следует в обратной последовательности.

ВНИМАНИЕ: Производитель не рекомендуют включать передний мост для длительных поездок по покрытию хорошего качества. Нарушение этого правила может привести к некорректной работе узла.
Особенности конструкции
Передний мост УАЗ 3160 Патриот представляет собой устройство, с помощью которого осуществляется передача крутящего момента от раздатки через главную передачу и дифференциал к колесам.
Он имеет вид пустотелой балки, в которой размещены две полуоси. Полуось является промежуточным звеном, выполняющим функцию приема вращающего момента от ведомой шестерни и передача его на ступицу. Пустотелая балка имеет название картер. Передача вращающего момента осуществляется за счет таких элементов, как ШРУСы. О них можно узнать подробнее из материала на данном портале.
Как уже упоминалось выше, передний мост включается в работу только при возникновении необходимости. Чтобы привести его в действие, необходимо включить ступичные муфты, располагающиеся на осях передних колес.
Эти муфты еще называют хабами, а установка их осуществляется самостоятельно после приобретения нового автомобиля. Ниже представлена схема переднего моста внедорожника УАЗ 3160, на которой изображены основные конструктивные элементы: шестерни, дифференциал и т.п.
Как видно, устройство переднего моста довольно сложное, поэтому очень важно уделять внимание своевременному его ремонту. Собственно уделим внимание этому вопросу и рассмотрим, как осуществляется ремонт агрегата от УАЗ 3160 своими руками и в какой последовательности он проводится.
Основные типы неисправностей и их причины
Посмотрим на возможные неисправности, подстерегающие водителя при эксплуатации УАЗ Патриот, связанные с конструкцией моста. Как правило, связаны они с чрезмерным износом либо эксплуатацией в тяжелых условиях, либо естественным старением металлических составляющих и могут выражаться в следующих признаках:
- Увеличение уровня шума в работе моста, что может быть вызвано сработкой подшипников дифференциала, их некорректной регулировкой либо недостаточным уровнем смазки в поддоне картера.

- Возникновение стуков в момент трогания машины с места — чаще всего обусловлено износом оси сателлитов.
- В работе переднего моста Патриота могут увеличиваться шумы в процессе разгона и/или торможения. Связано это, как правило, с нарушенным зазором шестеренок главной передачи или плохим зацеплением. Другой причиной явления могут быть увеличенные зазоры самих подшипников.
- Снижение (потеря) уровня масла губительна по ряду причин. Во-первых, сальник моста сразу теряет в своей упругости. Во-вторых, хуже держится крышка моста, а также изнашиваются сальники внутренних шарниров.
- Если в процессе прохождения поворотов наблюдается шум, то, скорее всего, речь идет об износе ШРУСов.
Также будет интересно почитать: Комбат Т-98: российский бронированный внедорожник (фото и видео)
Особенности конструкции
Картер моста состоит из неразъёмного литого картера главной передачи, запрессованных в него кожухов (чулков) полуосей и штампованной крышки картера.
Отсутствие разъёма в поперечной плоскости моста придаёт конструкции высокую жёсткость, ненагруженность соединения крышки и картера уменьшает вероятность течи по стыку, а размещение главной передачи и дифференциала в едином картере обеспечивает высокую точность зацепления и более благоприятные условия для работы подшипников.
Благодаря всем эти особенностям конструкции реальный ресурс мостов значительно возрос. Кроме того, теперь для доступа к главной паре и дифференциалу не надо его снимать и «половинить» – достаточно просто снять крышку.
Для уменьшения коробления ведомой шестерни при её термообработке и, как следствие, снижения шумности, повышения надёжности и долговечности главной передачи была увеличена на 8 мм толщина «подложки» ведомой шестерни.Однако, эта мера привела к изменению левой чашки дифференциала. Но, новый дифференциал можно будет использовать на прежних одноступенчатых мостах с разъёмным картером при условии установки на шипе чашки кольца-компенсатора.
Ремонт ключевых видов поломок переднего моста УАЗ
Многие виды ремонта переднего моста Патриота можно произвести самостоятельно в гаражных условиях. В этом поможет следующая несложная инструкция, которая касается наиболее частых видов ремонтных работ. Рассмотрим регулирование зазора подшипников, которая должна выполняться грамотно, чтобы этот узел смог функционировать продолжительное время. Сначала подберем диаметр и толщину кольца, которые должны точно соответствовать подшипнику ведущего вала от главной передачи.
Во время вращения вала замеряется момент, величина которого не должна превышать 1-2 Нм. Таким же примерно способом подбирают регулировочное кольцо для ведомой шестерни. При установке дифференциалов зазоры должны быть выставлены при помощи регулировочных гаек — это наглядно демонстрирует схема ремонта переднего моста внедорожника. После проведения вышеуказанных манипуляций останется проверить отсутствие люфтов и проконтролировать участки контакта зубьев шестерен.
Другим распространенным случаем является замена сальника ведущей шестерни на главной передаче. Сначала с машины снимается фланец откручиванием крепежных болтов, после чего освобождается доступ к самому сальнику. Поврежденный элемент извлекается из гнезда и заменяется новым при помощи его запрессовывания на прежнее место.
Сложнее демонтировать главную передачу — для этого необходимо сначала вывесить переднюю часть транспортного средства. Открытием сливной горловины, удаляем весь объем смазки из системы. Сначала извлекаются левая и правая полуоси, а дальше — наконечник рулевой тяги. После отсоединения карданной передачи последовательно снимается и крышка главной. Попутно с ведущей шестерней снимаются со своих мест и крышки подшипников дифференциала. Далее производится демонтаж ведущей шестерни с валом и подшипниками.
Видео-совет по ремонту узла переднего моста УАЗ Патриот:
Главная пара моста УАЗ 469, 452 Буханка 37/8 зубьев (4,625) на мост Тимкен, Гибрид, (Нижний Новгород)
Описание запчасти
Артикул: 3741-2402020 Г
Каталожный номер ГП — 3741-2402020
Каталожный номер ведущей шестерни — 3741-2402017
Каталожный номер ведомой шестерни — 3741-2402060
Назначение:
Главная пара, она же главная передача, служит для изменения характеристик трансмиссии автомобиля.
- Снижения оборотов передаваемых с двигателя на колёса и увеличения крутящего момента.
- Снижения нагрузки на двигатель и КПП.
Каждый двигатель имеет определенные обороты, при которых он вырабатывает максимальную мощность и крутящий момент. Установив колеса большего диаметра по отношению к штатным, осуществив при этом предварительно лифт кузова или смещение моста, вы автоматически приведете к работе трансмиссии при высоких нагрузках, расходу топлива и к снижению динамики автомобиля. Особенно заметной нехватка тяги станет на бездорожье, когда потребуется прилично добавить газу при заезде на горку или при пересечении брода.
Чем выше передаточное число, тем меньше угловая скорость (что означает более низкое значение частоты вращения) передается на ведущий вал, но это происходит с пропорционально более высоким крутящим моментом. При низких скоростях желательно высокое передаточное число, чтобы колеса не вращались слишком быстро (не пробуксовывали), а также получали достаточный крутящий момент для движения автомобиля.
Характеристики товара:
Материал: Сталь марки Ст20ХГНМ ГОСТ4543-71
Квалитет точности: 5DIN
Метод производства: горячая объемная штамповка; механическая и термическая обработка шестерен.
Передаточное число: 4,625
Поставляется на конвеер ПАО «УАЗ»
Передаточное число: 4,625
Применяемость:
Главная пара 37/8 зубьев (4,625) устанавливается на автомобили УАЗ 452, 469 с мостами «Тимкен» и «Гибрид».
Установка:
Установка главной пары производится, как на передний, так и на задний мост, главное сохранить одинаковое передаточное число на обоих мостах.
Внимание! «Передаточное число» определяется соотношением количества зубьев на ведущей и ведомой шестернях. Два внешне абсолютно одинаковых редуктора, одной марки и модели автомобиля могут различаться по передаточному числу и быть невзаимозаменяемыми. Для получения передаточного числа редуктора вашего автомобиля нужно количество оборотов карданого вала (большее число) поделить на количество оборотов сделанных колесом (меньшее число).
Пример: 37/8 = 4,625. Полученное число 4,625 и есть передаточное число вашего редуктора.
Продажа осуществляется со склада в Ульяновске. Доставка товара «Главная пара моста УАЗ 469, 452 Буханка 37/8 зубьев (4,625) на мост Тимкен, Гибрид, (Нижний Новгород)» осуществляется в Москву, Самару, Санкт-Петербург, Нижний Новгород, Екатеринбург, Саратов, Краснодар, Казань, Пермь, Оренбург, Пензу и любые другие города и регионы России.
Для постоянных клиентов и оптовых покупателей сотрудничество с нами выгодно, благодаря существующей системе скидок, программу которой, вы можете узнать у наших менеджеров.
Фотография карточки товара носит информационный характер. Возможно некоторое отличие комплектности и внешнего вида оригинального товара от представленного на фото изображения. За подробной информацией по характеристикам товара обратитесь к менеджеру 8 800 200 08 73 (магазин Autogur73) звонок по России бесплатный.
Внимание! Компания УАЗ не является производителем этого товара. Этот товарный знак используется исключительно в информационных целях, чтобы показать покупателю для каких конкретно автомобилей данный товар подходит.
Устройство переднего моста УАЗ 469 с описанием. Схема, фото
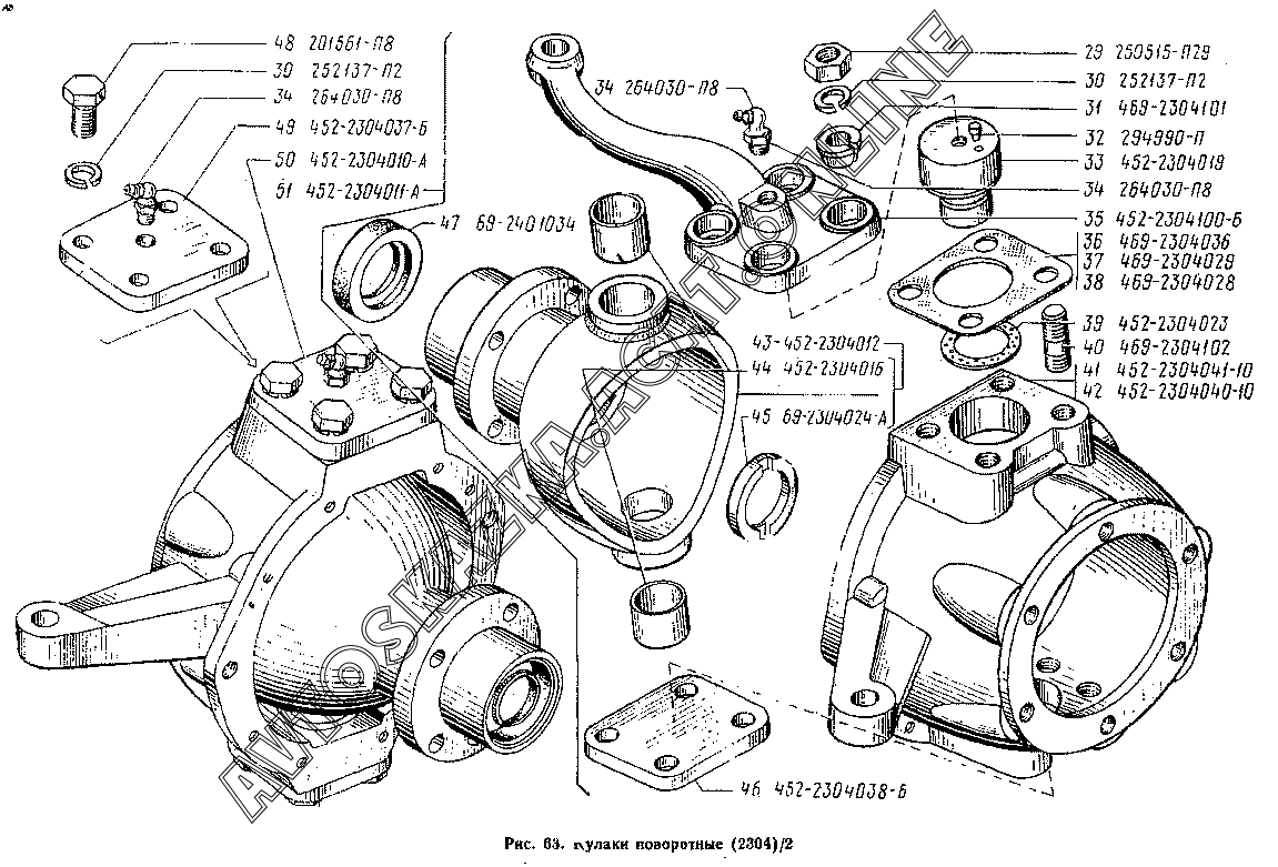
Устройство переднего моста УАЗ 469 отличается от заднего аналога некоторыми конструктивными особенностями. Помимо балки моста и дифференциала, в агрегат входят карданы равных скоростей по углам и коробка передач. Кожух оси соединен с шарикоподшипником с помощью фланца. Корпус петли фиксируется парой шкворней. К каркасу на болтах крепится крышка редуктора со штифтом и тормозной щит.
Описание
Для снижения степени износа деталей узла рекомендуется при движении по твердой поверхности отключать передний мост УАЗ 469, устройство которого мы рассмотрим позже. Ступицы на передних колесах также должны быть отключены. Для этого снимаем колпачки и откручиваем болты от гнезда вала.
В результате муфта устанавливается в положение, соответствующее кольцевой канавке и торцу муфты. После установки этого элемента в необходимое положение начинают закручивать защитный колпачок.
Активация переднего колеса производится надежной фиксацией болтами. Расчетная схема моста ориентирована на синхронное включение и выключение привода обоих колес.
Устройство переднего моста УАЗ 469
Картер, главная передача и дифференциал соответствуют элементам заднего аналога. В модификации 469В предусмотрены маслосъемное кольцо и правая резьба с отметкой «Р». К крышке полуоси прикреплен шариковый подшипник. Крепится пятью болтами.В него запрессовываются втулки и цапфы. Кроме того, на опоре имеется крышка картера шестерни и корпус поворотного кулака. Крепится к стопорному элементу с помощью шести осевых болтов и тормозного щита.
Поворотный штифт поворотного кулачка установлен с натягом, значение которого регулируется от 0,02 до 0,10 мм. Чтобы этот элемент не проворачивался, в конструкции предусмотрены стопорные штифты.
Регулировка положения производится с помощью прокладок, установленных в верхней части между кулаком.Кроме того, можно исправить положение, установив прокладки сбоку и снизу детали.
Характеристики
Устройство переднего моста УАЗ 469, фото которого представлено выше, предполагает наличие сальника, отвечающего за удерживание смазки в корпусе и защиту поворотного кулачка от загрязнений. Элемент состоит из внутренней клетки, резинового уплотнительного кольца, перегородки, войлочной прокладки и наружного блока. Сальник крепится на каркас кулака болтами.
Защита от перелива смазочной смеси из картера главной передачи на поворотный кулачок обеспечивается внутренним самозажимным резиновым сальником в металлической обойме. Смазка верхних шарнирных элементов и шарикоподшипников осуществляется через специальные пресс-масленки. Нижние элементы смазываются веществом, поступающим из опоры под действием силы тяжести.
Петля
Устройство переднего моста УАЗ 469 включает в себя навесную систему стабилизации угловой скорости.
Его конструкция гарантирует стабильность показателя угловой скорости ведущего и сопровождающего валов. В этом случае расстояние и отклонение между ними роли не играют. Сам шарнир состоит из пары вилок, в изогнутые гнезда которых помещены четыре шарика. В центральных отсеках этих деталей находится пятый монтажный шар, который служит для центрирования вилок.
Продольное перемещение петли предотвращается шарикоподшипником и предохранительной шайбой. Передняя внутренняя вилка взаимодействует с полуось дифференциала.На краю внешней ведомой вилки монтируется главная шестерня колесной коробки передач и роликовый подшипник с контргайкой. Внутреннее зацепление элемента происходит болтовым соединением. Ведомая часть агрегатируется с валом на роликоподшипнике и бронзовой втулкой, расположенной в середине пальца. На конце вала предусмотрено устройство для отключения передних колес станка. Он состоит из подвижной муфты, пружины, шариков и болтов. Наружные выступы детали соединены с внутренними шлицами фланца, закрепленными болтами на ступице.
Редуктор
Передний мост Редуктор УАЗ 469 имеет практически идентичную колесную шестерню заднего моста. Среди отличий этих элементов — способ установки и крепления ведущей шестерни, а также конструкция шарикового подшипника, помещенного в специальный стеклянный патрубок. Приводная шестерня установлена в пазах ведомой шарнирно-сочлененной вилки. Он крепится к подшипникам с помощью специальной гайки, которая после затяжки разворачивается в паз вала.
Опорная шайба расположена между роликоподшипником и шестерней.Эти детали не взаимозаменяемы с аналогами задних редукторов. Обслуживание одинаково для обоих узлов.
Устройство переднего моста УАЗ 469: схема подключения
Сборка и подключение рассматриваемой детали осуществляется в следующем порядке:
- Втулка вставляется в палец кулака нажатием. Он должен быть на одном уровне с концом посадочного гнезда. Затем рукав поворачивается и специальной брошью подгоняется под нужный диаметр.

- Перемещение шарнира с одинаковыми угловыми продольными скоростями ограничено шайбами, установленными в цапфе и шаровом шарнире. Их расположение должно быть направлено канавками для смазки в сторону петли. Стопорная шайба крепится путем перфорации в нескольких местах в точках, равномерно распределенных по окружности.
- Замена поворотных втулок означает их прессование и завинчивание до диаметра 25 мм с возможностью прохода через каждую втулку.
- При установке петли в опору подливается смазка.
- Расположение переднего моста на УАЗ 469 предполагает регулировку необходимого осевого натяжения с помощью регулировочных вкладышей, от которых зависит расположение втулок и самого шарикового подшипника. Используется не менее пяти прокладок. Показатели общей толщины вверху и внизу не должны иметь разницы более 0,1 мм.
- Войлочное кольцо перед набивкой пропитывают теплым моторным маслом.
После сборки переднего моста его проверяют на стенде в статическом состоянии и под нагрузкой.
Это положение создается синхронным торможением полуосей. При правильной сборке сборки не будет повышенного шума сборки, течи масла в сальниках и манжетах, а также в стыках.
Техническое обслуживание
Устройство переднего моста УАЗ 469, схема которого приведена выше, предусматривает проведение ряда профилактических и регулировочных операций в период эксплуатации. Среди них:
- Периодическая затяжка резьбовых соединений.
- Проверка шарниров на зазоры.
- Коррекция подшипников.
- Фиксация мест крепления зубчатой муфты.
- Проверка сходимости.
- Регулярная смазка трущихся деталей согласно таблице предписаний смазочных материалов.
Визуальный осмотр устройства переднего моста УАЗ 469 предполагает осмотр поворотных кулаков на целостность и пригодность регулировочных винтов, ограничителей поворота, а также надежности стопора этих элементов.
Расчетная схема рассматриваемого узла рассчитана на максимальный угол поворота обоих колес в соответствующих положениях около 27 градусов.
Увеличение этого показателя свидетельствует о деформации шарнирно-поворотных кулачков, а это существенно усложняет ремонт.
Регулировка
Устройство переднего моста УАЗ 469, фото которого приведено выше, в заводских условиях предполагает регулировку шкворня с предварительным натяжением.В этом случае в верхней и нижней частях узла устанавливается одинаковое количество корректирующих прокладок.
Устройство шкворня передней оси УАЗ 469 отличается тем, что особое внимание необходимо уделить режиму затяжки этих элементов. Фиксация ослабевает в результате постепенного износа трущихся деталей. Между концами шкворня и опорными кольцами появляются осевые зазоры.
Ремонт
Передний мост военного УАЗ 469, устройство которого рассмотрено выше, иногда может требовать ремонта.Чтобы исправить это, вам нужно будет снять деталь и разобрать ее. Этот процесс выполняется следующим образом:
- Накладки устанавливаются на задние колеса автомобиля.

- Отвинтить гайки и другие системы крепления блоков.
- Шток отделяется от сошки, после чего снимаются гайки на амортизаторах и шаровая цапфа.
- Демонтировано крепление передних рессор с колодками.
- Передняя часть автомобиля поднимается за рамой, после чего сборка демонтируется.
Передний мост УАЗ 469, устройство которого приведено выше, требует профессионального обслуживания. Но если у вас есть соответствующие навыки, вы можете манипулировать этим блоком самостоятельно.
Устройство переднего моста УАЗ 469 с описанием. Схема, фото
Устройство переднего моста УАЗ 469 отличается от заднего аналога некоторыми конструктивными особенностями. Помимо балки моста и дифференциала, в агрегат входят карданы равных скоростей по углам и редуктор.Корпус моста соединен с шарикоподшипником с помощью фланца. Корпус петли фиксируется парой шарнирных шпилек. К каркасу на болтах крепится крышка редуктора с цапфой и тормозным щитком.
Описание
Для уменьшения износа деталей узла рекомендуется отключать переднюю ось УАЗ 469 при движении по твердой поверхности, устройство которой будет рассмотрено ниже. Также необходимо отключить ступицы на передних колесах. Для этого снимаем колпачки и откручиваем болты из паза.В результате муфта устанавливается в положение, соответствующее кольцевой канавке и торцу муфты. После установки этого элемента в необходимое положение приступайте к затяжке защитного колпачка.
Переднее колесо активируется надежно закрепленными болтами. Схема конструкции моста ориентирована на синхронное включение и выключение привода обоих колес.
Устройство переднего моста УАЗ 469
Картер, главная передача и дифференциал соответствуют элементам заднего аналога.В модификации 469В предусмотрены маслоотражающее кольцо и правая резьба с отметкой «П». К корпусу вала прикреплен шариковый подшипник. Он фиксируется пятью болтами. Он запрессован во втулки и цапфы. Кроме того, на опоре имеется крышка картера зубчатого редуктора колес и корпус поворотного кулака.
К запорному элементу крепится при помощи шести болтов шкворня и тормозного щита.
Шкворневой отросток поворотного кулачка установлен с натягом, величина которого регулируется от 0.02 до 0,10 мм. Чтобы этот элемент не проворачивался, в конструкции предусмотрены стопорные штифты. Регулировка положения производится с помощью прокладок, установленных в верхней части между кулачковым рычагом. Кроме того, положение можно регулировать, установив прокладки сбоку и снизу детали.
Характеристики
Устройство переднего моста УАЗ 469, фото которого представлено выше, предполагает наличие сальника, отвечающего за удержание смазки в корпусе и предотвращение загрязнения поворотного кулачка.Элемент состоит из внутреннего кожуха, уплотнительного резинового кольца, перегородки, войлочной прокладки и наружного блока. Сальник крепится к раме поворотного кулака болтами.
Защита от перелива смазочной смеси Картер главной передачи в поворотном кулачке обеспечивает внутренний самофиксирующийся сальник из резины в металлическом обойме.
Смазка верхних шарнирных элементов и шаровой опоры производится через специальные смазочные ниппели. Нижние элементы смазываются веществом, поступающим из опоры под действием силы тяжести.
Петля
Устройство переднего моста УАЗ 469 включает в себя навесную систему стабилизации угловой скорости. Его конструкция гарантирует стабильность угловой скорости ведущего и сопровождающего валов. В этом случае расстояние и отклонение между ними роли не играют. Сам шарнир состоит из пары вилок, в изогнутых гнездах которых размещены четыре шарика. В центральных отсеках этих деталей находится пятый монтажный шар, служащий для центровки заглушек.
Продольное перемещение петли предотвращается шарикоподшипником и предохранительной шайбой. Ведущая внутренняя вилка входит в зацепление с валом дифференциала. На краю вилки с внешним приводом установлена главная шестерня колесной передачи и роликовый подшипник с контргайкой. Внутреннее зацепление элемента происходит болтовым соединением.
Ведомая часть агрегатируется с валом на роликоподшипнике и бронзовой втулкой, расположенной в середине цапфы. На конце вала предусмотрено устройство для отключения передних колес машины.Он состоит из подвижной муфты, пружины, шариков и болтов. За пределами выступов деталь соединяется с внутренними шлицами фланца, закрепленными с помощью болтов на ступице.
Конструкция редуктора
Редуктор переднего моста УАЗ 469 практически идентичен колесной передаче заднего моста. Среди отличий этих элементов — способ крепления и крепления ведущей шестерни, а также конструкция шарикового подшипника, помещенного в специальное стеклянное гнездо. Ведущее колесо установлено в пазах ведомой шарнирно-сочлененной вилки.Он фиксируется на подшипниках с помощью специальной гайки, которая после затяжки загибается в паз вала.
Шайба расположена между роликоподшипником и шестерней. Эти детали не взаимозаменяемы с аналогами задних передач. Обслуживание обоих узлов одинаковое.
Устройство переднего моста УАЗ 469: схема подключения
Сборка и подключение рассматриваемой детали осуществляется в следующем порядке:
- Втулка вводится в шейку кулака нажатием.
Он должен быть на одном уровне с концом посадочного гнезда. Затем втулка вращается и регулируется специальной брошкой до необходимого диаметра. - Ограничение движения шарнира с одинаковыми угловыми продольными скоростями обеспечивается шайбами, установленными в цапфе и шаровом шарнире. Их расположение следует направлять смазочными канавками в сторону петли. Фиксирующая шайба закрепляется методом отверждения в нескольких местах в точках, равномерно распределенных по окружности.
- Замена втулок поворотных шкворней подразумевает их запрессовку и завинчивание до диаметра 25 мм, с возможностью прохода через каждую втулку.
- При установке петли в опору заливается смазка.
- Устройство переднего моста на УАЗ 469 предполагает регулировку необходимого осевого натяжения с помощью регулировочных вкладышей, определяющих расположение втулок и самого шарового шарнира. Используется не менее пяти прокладок. Общая толщина сверху и снизу не должна отличаться более чем на 0.
1 мм. - Перед сборкой сальника войлочное кольцо пропитывают теплым моторным маслом.
После сборки передний мост проверяется на устойчивость в статическом состоянии и под нагрузкой. Это положение создается синхронным торможением осей. При правильной сборке узла не будет повышенного шума сборки, протечек масла в сальниках и манжетах, а также в местах соединения.
Техническое обслуживание
Устройство переднего моста УАЗ 469, схема которого приведена выше, обеспечивает в период эксплуатации ряд профилактических и регулирующих операций.Среди них:
- Периодическая затяжка резьбовых соединений.
- Проверка шарниров на предмет зазоров.
- Корректировка подшипников.
- Ремонт зубчатой муфты положений.
- Проверка сходимости.
- Регулярная смазка трущихся деталей согласно таблице правил использования смазочных материалов.
Визуальный осмотр устройства переднего моста УАЗ 469 обеспечивает проверку поворотных кулаков на целостность и пригодность регулировочных винтов, ограничителей поворота и надежности стопора этих элементов.
Конструкция рассматриваемого узла рассчитана на максимальный угол поворота обоих колес в соответствующих положениях около 27 градусов. Увеличение этого показателя говорит о деформации кулачков поворотных, а это существенно затрудняет ремонт.
Регулировка
Устройство переднего моста УАЗ 469, фото которого приведено выше, в заводских условиях предполагает регулировку шкворня с предварительным натяжением. В этом случае вверху и внизу узла устанавливается одинаковое количество регулировочных прокладок.
Устройство шкворня переднего моста УАЗ 469 отличается тем, что особое внимание необходимо уделить режиму затяжки этих элементов. Фиксация ослабляется в результате постепенного износа трущихся деталей. Между концами шкворня и опорными кольцами по осям имеются зазоры.
Ремонт
Передний мост военного УАЗ 469, устройство которого рассмотрено выше, иногда может требовать ремонта. Для ремонта необходимо будет снять деталь и разобрать ее. Этот процесс выполняется следующим образом:
- Наденьте колодки на задние колеса автомобиля.

- Откручиваем гайки и другие системы крепления агрегата.
- Ослабляется тяга сошки, после чего снимаются гайки на амортизаторах и шаровая цапфа.
- Снято крепление передних рессор с накладками.
- Передняя часть автомобиля поднимается за рамой, после чего производится демонтаж сборки.
Передний мост УАЗ 469, устройство, описание которого приведено выше, требует профессионального обслуживания. Но если у вас есть соответствующие навыки, вы можете манипулировать этим блоком самостоятельно.
Кинематическая схема коробки передач автомобиля уаз 469. Мосты на уаз. Отличия военных мостов от гражданских
39 ..ЗАДНИЙ МОСТ АВТОМОБИЛЯ УАЗ-469
Задний мост автомобиля УАЗ-469
Кожух заднего моста (рис. 65) разделен в вертикальной плоскости, состоит из двух частей: картера 51 и крышки 1, соединенных между собой болтами.
Рис. 65. Задний мост УАЗ-469:
1 — крышка картера главной передачи; 2 — подшипник дифференциала; 3 — регулировочная прокладка; 4 — уплотнительная прокладка; 5 и 7 — подшипники ведущей шестерни; 6 — установочное кольцо; 8 — сальник; 9 — фланец; 10 — гайка; 11 — грязеотражатель; 12 — кольцо перегонки масла; 13 — прокладки регулировочные; 14 — распорная втулка; 15 — кольцо регулировочное; 16 — ведущая шестерня главной передачи; 17 — спутник; 18 — полуось правая; 19 — картер колесного редуктора; 20 и 29 — масляный дефлектор; 21 — полуосевой подшипник; 22 — стопорное кольцо; 23 — уплотнительная прокладка картера коробки передач; 24 — крышка корпуса колесного редуктора; 25 — подшипник; 26 — стопорное кольцо; 27 — тормозной щит; 28 — тормозной барабан; 30 — колесная шпилька; 31 — штифт; 32 — ступичный подшипник; 33 — прокладка; 34 — шайба стопорная; 35 — фланец ведущий; 36 — гайки ступичных подшипников; 37 — шайба стопорная; 38 рукав; 39 — ведомый вал колесного редуктора; 40 — стопорные кольца; 41 — прокладки; 42 — сальник; 43 — подшипник ведомого вала; 44 — ведомая шестерня колесного редуктора заднего моста УАЗ-469; 45 — гайка специальная; 46 и 50 — заглушки сливных отверстий; 47 — ведущая шестерня колесного редуктора; 48 — правый ящик сателлитов; 49 — регулировочные шайбы; 51 — картер главной передачи; 52 — шайба полуоси; 53 — полуосная передача; 54 — ось сателлитов; 55 — ведомая шестерня главной передачи; 56 — левый ящик сателлитов; 57 — левая полуось.
Главная шестерня состоит из одной пары конических шестерен со спиральным зубом: ведущей и ведомой. Передаточное число главной передачи — 2,77. Ведущая шестерня 16 установлена на двух конических роликоподшипниках 5 и 7. Между внутренними кольцами подшипников расположена распорная втулка 14, регулировочное кольцо 6 и прокладки 13. Регулировочное кольцо 15 установлено между внутренним кольцом подшипника. подшипник 5 и торец ведущей шестерни 16. Фланец 9 соединен с ведущей шестерней с помощью шлицев. Затяжка подшипников ведущей шестерни осуществляется гайкой 10, которая затем фиксируется.Для предотвращения * смазки и протечки картера устанавливается сальник 8.
Ведомая шестерня 55 установлена на сателлитной коробке 56 и прикручена к ее фланцу.
Конический дифференциал с четырьмя сателлитами имеет разъемную коробку, состоящую из двух половин, соединенных болтами. Дифференциал установлен на двух конических роликоподшипниках 2. Между шестернями полуосей 49 и торцами сателлитной коробки установлены шайбы 52.
Прокладки 3 расположены между торцами сателлитной коробки и внутренними кольцами подшипника.
Предохранительный клапан расположен на левом кожухе полуоси, который соединяет внутреннюю полость моста с атмосферой.
Колесные редукторы предназначены для увеличения дорожного просвета, что увеличивает проходимость автомобиля.
Колесный редуктор состоит из одной пары внутренних прямозубых шестерен с передаточным числом 1,94.
Корпус коробки передач разъемный в вертикальной плоскости, состоит из двух частей: картера 19 и крышки 24, соединенных между собой болтами.
Ведущая шестерня 47 установлена на шлицевом конце полуоси 18 между шариковым (внутренним) подшипником 21 и роликовым (внешним) подшипником 25. Внутреннее кольцо этого подшипника заблокировано кольцом 26, а подшипник Наружное кольцо установлено в съемном корпусе, который крепится к опоре картера колесной шестерни двумя болтами.
Шариковый подшипник 21 заблокирован в картере кольцом 22.
Масляный дефлектор 20 расположен между подшипником и картером.
Ведомая шестерня 44 колесного редуктора центрируется на буртике вала 39 и привинчена к его фланцу.
Ведомый вал 39 опирается на втулку 38 и роликовый подшипник 43, который заблокирован гайкой 45.
В отличие от редуктора левого колеса, вал 39 ведомой шестерни и гайка 45 правого редуктора имеют левую направляющую. ручная нить. На гайке 45 левая резьба нанесена кольцевой канавкой, а на валу 39 — глухим сверлением диаметром 3 мм на торце шлицевого конца.
Техническое обслуживание заднего моста автомобиля УАЗ-469 заключается в поддержании необходимого уровня масла в картерах и своевременной его замене, проверке уплотнений, своевременном обнаружении и устранении осевого люфта в шестернях главного привода, периодически чистить предохранительный клапан и подтягивать все крепления.
Фланец 35 (рис. 65) снимается теми же болтами, с которыми он катится.
Заливайте только рекомендованное масло в корпуса главной передачи и колесных редукторов и меняйте его в строгом соответствии с таблицей смазки.
Убедитесь, что уровень масла в картерах находится на нижних краях заливных отверстий.
Слейте масло через сливные отверстия, расположенные в нижней части картера, при этом откручивая пробки заливного отверстия.
Осевой люфт ведущей шестерни главной передачи не допускается, так как при его наличии происходит быстрый износ зубьев шестерни и возможное заклинивание оси.
Если он появляется, отрегулируйте подшипники, как описано ниже. Проверьте осевой люфт, покачивая ведущую шестерню за крепежный фланец карданного вала.
Осевой люфт ведомой шестерни главной передачи также не допускается. Проверить это через маслозаливное отверстие. Чтобы исключить возникший при работе осевой люфт ведомой шестерни главного привода, добавьте пакет прокладок необходимой, но всегда одинаковой толщины на левой и правой сторонах сателлитной коробки, при этом следя за тем, чтобы ведомая шестерня вращается без особых усилий.Если с левой и правой стороны сателлитных редукторов добавить проставки разной толщины, зацепление ходовых механизмов будет нарушено, что приведет к быстрой поломке их зубьев.
После пробега 50 000 км при очередном ТО затянуть болты ведомой шестерни 44 колесного редуктора и ведомой шестерни 55 главной передачи моментом 6,5 … 8 кгс * м, а также затянуть болты съемного корпуса подшипника 25 с моментом 6,5… 8,0 кгс м.
Чтобы снять вал с ведомой шестерни колесного редуктора в сборе, сначала снимите цапфу 31 и отверните специальную гайку 45.
Регулируйте зазоры в зацеплении шестерен и в подшипниках заднего моста только при замене шестерен или подшипников или при появлении осевого люфта ведущей или ведомой шестерен главного привода. Заменять шестерни главной передачи только в комплекте.
Отрегулируйте подшипники ведущей шестерни главного привода, выбрав регулировочное кольцо 6 и прокладку 13 и затянув гайку 10.
Регулируйте подшипники только кольцом 6, выбирая необходимую толщину. Если это не удалось, то установите одну-две проставки 13 и снова, подобрав кольцо необходимой толщины, отрегулируйте подшипники. Подшипники должны быть предварительно нагружены, чтобы ведущая шестерня не перемещалась в осевом направлении и ведущая шестерня вращалась вручную без особых усилий.
Величину предварительного натяга подшипников можно проверить с помощью динамометра. В этом случае снимите сальник ведущей шестерни, чтобы трение сальника не влияло на показания динамометра.При правильной регулировке в момент проворачивания шестерни через отверстие во фланце динамометр должен показывать силу 1 … 2 кгс для изношенных подшипников и 2,5 … 3,5 кгс для новых подшипников. Затянуть гайку 10 фланцев ведущей шестерни динамометрическим ключом моментом 17 … 21 кгс * м. Вы не можете даже слегка открутить гайку, чтобы добиться совмещения отверстия шплинта с прорезью гайки. Если гайка недостаточно затянута, внутренние кольца подшипника могут проворачиваться и, как следствие, износ регулировочного кольца, прокладки и втулки, а также появление осевого люфта.При наличии большого осевого люфта ведущая шестерня передней оси под действием осевой силы может упираться в коробку дифференциала и приводить к заклиниванию передней оси.
Если осевой люфт ведущей шестерни превышает
0,05 мм, затяните гайку 10.
Если это не устраняет осевой люфт, уменьшите общую толщину пакета, состоящего из проставок и регулировочного кольца.
Отрегулируйте подшипники шестерни главного привода при замене шестерен главного привода и заднего конического подшипника 5.В этом случае картер моста необходимо отсоединить.
Положение ведущей шестерни во время сборки на заводе регулируется путем выбора кольца 15 желаемой толщины в зависимости от размеров картера и высоты установки заднего подшипника 5.
При установке новой ведущей шестерни с новый или старый, но подходящий подшипник (задний), измерьте монтажную высоту подшипника. Если фактическая высота подшипника на некоторую величину меньше 32,95 мм, увеличьте толщину регулировочного кольца 15 на ту же величину.Затем проверьте и отрегулируйте предварительный натяг подшипника ведущей шестерни, как описано выше. При измерении монтажной высоты установите подшипник, как показано на рис. 66,
Приложите к наружному кольцу осевое усилие 20 .
.. 25 кгс и покатайте подшипник, чтобы ролики заняли правильное положение.
Если вам необходимо заменить только задний подшипник 5 (рис. 65) ведущей шестерни, то измерьте монтажную высоту нового и старого подшипника указанным способом. Если измеренная высота нового подшипника больше или меньше на некоторую величину, то, чтобы не нарушать положение ведущей шестерни, новое регулировочное кольцо 15 должно быть тоньше в первом случае или толще во втором случае на такое же количество.
Замена переднего (малого) конического подшипника 7 не влияет на положение ведущей шестерни, а требует только проверки и регулировки предварительного натяга подшипника.
Отрегулируйте подшипники дифференциала, выбрав толщину набора регулировочных шайб 3, установленных между концами внутренних колец обоих подшипников 2 и сателлитной коробки.
При замене главных шестерен и подшипников дифференциала производите регулировку в следующей последовательности:
1. Надавите внутренние кольца подшипников дифференциала на шейки дифференциала в сборе так, чтобы был зазор 3.
.. 3,5 мм между концами планетарной коробки передач и концами внутренних колец подшипников.
2. Снимите полуоси и установите дифференциал в сборе в картер, наденьте прокладку и крышку картера и, проверяя крышку по кожуху, вкатайте подшипники так, чтобы ролики находились в правильном положении (Рис. 67 ). Затем при помощи крепежа равномерно и окончательно соедините крышку с картером.
3. Снова отверните фиксаторы, осторожно снимите крышку, снимите дифференциал с картера моста и измерьте зазоры A (рис.68) и А (между концами планетарной коробки передач и концами внутренних колец подшипников с помощью щупа).
4. Выберите пакет регулировочных шайб толщиной, равной сумме зазоров A + Ab. Чтобы обеспечить предварительную нагрузку в подшипниках, добавьте в этот пакет регулировочную шайбу толщиной 0,1 мм.
Общая толщина пакета прокладок должна составлять A + Ai + 0,1 мм.
5. Снимите внутренние кольца подшипника дифференциала. Разделите подобранную упаковку прокладок пополам; установите прокладки на шейку планетарной коробки передач и надавите на внутренние кольца подшипников до упора.
После этого отрегулируйте боковой зазор и положение шестерен главной передачи.
При замене только подшипников дифференциала измерьте и сравните высоту нового и старого подшипникового узла. Если новый подшипник на некоторую величину выше или ниже старого, то в первом случае уменьшите толщину имеющегося пакета прокладок и увеличьте во втором случае на такую же величину.
Регулируйте боковой зазор и положение шестерен главного привода только при замене старых шестерен на новые в следующей последовательности: сначала отрегулируйте подшипники ведущей шестерни, положение ведущей шестерни и подшипников дифференциала (как указано выше ), затем приступите к регулировке бокового зазора и расположения пятна контакта на зубьях шестерни главной передачи.Отрегулируйте боковой зазор в зацеплении шестерен, переставив регулировочные шайбы 3 (рис. 65) с одной стороны коробки дифференциала на другую.
Если снять прокладки со стороны ведомой шестерни, то зазор в зацеплении увеличивается, а при добавлении зазор уменьшается.
Необходимо только переставить прокладки, не изменяя их общую толщину, чтобы не нарушить герметичность подшипников дифференциала.
Боковой зазор должен быть в пределах 0.2 … 0,45 мм. Измерьте фланец шестерни на радиусе 40 мм (проверяйте четыре положения шестерни каждый оборот).
После регулировки люфта проверьте зацепление зубьев шестерен главной передачи по пятну контакта. Для этого закрасьте зубья ведомой шестерни краской. Следует учитывать, что очень жидкая краска растекается и окрашивает поверхность зубов, слишком густая — она не выдавливается из промежутков между зубами. Затем, используя полуоси, замедлите ведомую шестерню и вращайте ведущую шестерню в обоих направлениях, пока не будет указано пятно контакта.
На рис. 69 показаны типичные пятна контакта на зубьях ведомой шестерни главной передачи при движении вперед и назад.
На рис. 1 показан правильный контакт в зацеплении шестерни при испытании под небольшой нагрузкой.
В случае контакта в верхней части зуба (изображение 2) переместите ведущую шестерню на ведомую.
Передний ведущий мост с одноступенчатой главной передачей устанавливался на грузовые автомобили УАЗ-469Б и автомобили вагонной компоновки семейства УАЗ-452, а передний ведущий мост с колесными редукторами — на УАЗ-469.
Передний ведущий мост Семейство УАЗ-469, УАЗ-469Б и УАЗ-452, устройство.
Картер, главная передача и дифференциал переднего моста не отличаются от соответствующих узлов и агрегатов моста. За исключением стопорного кольца ведущей шестерни с правой резьбой и штампа P — только для одноступенчатых осей. Все операции по разборке, сборке, обслуживанию, настройке и устранению неисправностей такие же, как и для.
Ось ведущий передний с колесными редукторами автомобиля УАЗ-469.
Передний ведущий мост УАЗ-469Б и автомобили вагонной компоновки семейства УАЗ-452.
Устройство поворотного кулака переднего ведущего моста УАЗ.
Поворотные кулаки передних мостов автомобилей УАЗ-469 и автомобилей УАЗ-469Б и, соответственно, УАЗ-452 различались по конструкции и конструкции.
Штифты поворотных кулаков устанавливаются с предварительным натягом 0,02-0,10 мм. От проворачивания в картере поворотного кулака пальцы фиксируются шкворнями. Предварительный натяг регулируется с помощью проставок, установленных вверху — между рычагом поворотного кулака (справа) или колодкой (слева) и корпусом поворотного кулака, внизу — между накладками и корпусом поворотного кулака.
Для удержания смазки в корпусе поворотного кулака и защиты его от загрязнений на шарикоподшипник устанавливается сальник, состоящий из внутренней обоймы, резинового кольца с пружиной, перегородки, войлочного уплотнительного кольца и внешняя клетка. Сальник прикручен к корпусу поворотного кулака.
Чтобы масло не вытекло из картера главной передачи на поворотный кулак, внутри шарового шарнира в металлической обойме находится самозатягивающийся резиновый сальник. Пресс-масленки установлены на рычаге поворотного кулака (справа) и на верхней шарнирной подушке (слева) для смазки верхних пальцев и добавления смазки к шаровому шарниру.
Нижние шарниры смазываются консистентной смазкой, поступающей из шарового шарнира под действием силы тяжести.
Шарнир постоянной угловой скорости установлен внутри поворотного кулака. Конструкция шарнира обеспечивает постоянство угловых скоростей ведущего и ведомого валов независимо от угла между ними. Петля состоит из двух вилок с четырьмя шариками в криволинейных пазах. Пятый шар расположен в центральных гнездах вилок, который является фиксирующим шаром и служит для центрирования вил.
Шарнир ограничен от продольного перемещения упорной шайбой и шарикоподшипником. Вилка шарнира внутреннего привода имеет шлицевое соединение с шестерней дифференциала. А на конце внешней ведомой вилки на шлицах, только для поворотного кулака коробки передач автомобиля УАЗ-469, находится ведущая шестерня колесного редуктора и роликовый подшипник, которые фиксируются гайкой.
Ведомая шестерня шестеренчатого редуктора с внутренним зацеплением привинчена к валу, вращающемуся в роликоподшипнике, установленном в крышке корпуса колесного редуктора, и бронзовой втулке, установленной внутри цапфы.
Муфты для отключения колес переднего ведущего моста УАЗ, ступицы.
На конце вала имеется устройство для разъединения передних колес автомобиля, которое состоит из подвижной муфты, установленной на шлицах вала, и болта с пружиной и шариком. Наружные шлицы подвижной муфты соединены с внутренними шлицами ведущего фланца, прикрученными к ступице колеса.
Для уменьшения износа деталей переднего моста и экономии топлива при эксплуатации УАЗа по дорогам с твердым покрытием рекомендуется отключать ступицы передних колес при отключении переднего ведущего моста.Для этого снимите защитный колпачок и, открутив болт из отверстия вала, установите муфту в положение, при котором канавка сигнального кольца на ее поверхности находится в одной плоскости с концом фланца. Установив муфту в нужное положение, навинтите защитный колпачок.
Колесо включается путем затягивания болта и его надежной затяжки. Операции включения и выключения сцепления выполняются одновременно на обоих колесах переднего моста.
Включение переднего моста при снятых колесах запрещено.
Колесный редуктор переднего моста УАЗ-469.
Устройство колесного редуктора передней оси автомобиля УАЗ-469 практически аналогично устройству колесного редуктора моста. Он отличается от него установкой и креплением ведущей шестерни и конструкцией шарикового подшипника, который установлен в специальном стакане. Ведущая шестерня устанавливается на эвольвентные шлицы вилки ведомого шарнира и фиксируется вместе с подшипниками специальной гайкой, которая после затяжки просверливается в паз вала.
Между шестерней и роликоподшипником установлена опорная шайба. Ведущая шестерня и шарикоподшипник передних редукторов не взаимозаменяемы с подшипниками задних редукторов. В остальном передние редукторы устроены так же, как и задние, и требуют такого же обслуживания.
Устройство переднего моста УАЗ 469 отличается от заднего аналога некоторыми конструктивными особенностями. Помимо балки моста и дифференциала, агрегат включает равные скорости на углах и коробку передач.
Корпус полуоси соединен с шаровым шарниром посредством фланца. Корпус петли фиксируется парой шпилек. К раме прикручивается крышка КПП с цапфой и тормозным щитком.
Описание
Для снижения степени износа узлов агрегата рекомендуется отключать передний мост УАЗ 469 при движении по твердому покрытию, устройство которого будет рассмотрено ниже. Также следует отключить ступицы на передних колесах. Для этого снимаем колпачки и откручиваем болты от гнезда вала.В результате муфта устанавливается в положение, соответствующее кольцевой канавке и торцу муфты. После установки этого элемента в необходимое положение начинают затягивать защитный колпачок.
Переднее колесо активируется надежной фиксацией болтов. Конструктивная схема моста ориентирована на синхронное включение и выключение привода обоих колес.
Устройство переднего моста УАЗ 469
Картер, главная передача и дифференциал аналогичны задним аналогам.В модификации 469Б предусмотрено маслоотражательное кольцо и правая резьба с маркой «П».
К кожуху полуоси прикреплен шаровой шарнир. Крепится пятью болтами. В него запрессовываются втулки и цапфы. Кроме того, на опоре имеется крышка корпуса колесного редуктора и корпус поворотного кулака. Цапфа и тормозной щит крепятся к запорному элементу шестью болтами.
Шарнирное соединение поворотного кулачка установлено с натягом, величина которого регулируется от 0.02 до 0,10 мм. Чтобы этот элемент не проворачивался, в конструкции предусмотрены стопорные штифты. Регулировка положения производится с помощью регулировочных шайб, установленных вверху между поворотным кулаком. Кроме того, положение можно откорректировать, установив шайбы сбоку и снизу детали.
Особенности
Устройство переднего моста УАЗ 469, фото которого представлено выше, предполагает наличие сальника, отвечающего за удержание смазки в корпусе и защиту поворотного кулачка от загрязнение.Элемент состоит из внутренней клетки, перегородки, войлочной прокладки и наружного блока. Сальник крепится к раме болтами.
Защита от перелива смазочной смеси из картера главной передачи на поворотный кулачок обеспечивается внутренним самозатягивающимся резиновым сальником в металлической обойме. Верхние поворотные элементы и шаровой шарнир смазываются через специальные пресс-масленки. Нижние элементы смазываются веществом, поступающим из опоры под действием силы тяжести.
Петля
Устройство переднего моста УАЗ 469 включает в себя навесную систему стабилизации угловой скорости.Его конструкция гарантирует стабильность угловой скорости ведущего и ведомого валов. В этом случае расстояние и отклонение между ними роли не играют. Сам шарнир состоит из пары вилок, в изогнутых гнездах которых размещены четыре шарика. В центральных отсеках этих частей находится пятый фиксирующий шар, который служит для центрирования вил.
Продольное перемещение шарнира предотвращается шарикоподшипником и предохранительной шайбой. Внутренняя вилка привода взаимодействует с осью ведущей шестерни дифференциала.
На краю внешней ведомой вилки установлена главная шестерня колесного редуктора и роликовый подшипник с контргайкой. Внутреннее зацепление элемента происходит посредством болтового соединения. Ведомая часть агрегатируется с валом роликоподшипника и бронзовой втулкой посередине шейки. На конце вала имеется устройство отключения передних колес станка. Он состоит из подвижной втулки, пружины, шариков и болтов. Деталь внешними выступами соединяется с внутренними шлицами фланца, который фиксируется болтами на ступице.
Устройство коробки передач
469, редуктор практически идентичен колесной передаче заднего моста. Среди отличий этих элементов — способ установки и крепления ведущей шестерни, а также конструкция шарикового подшипника, помещенного в специальный стеклянный патрубок. Ведущий установлен на шлицах ведомой шарнирно-сочлененной вилки. Он фиксируется подшипниками с помощью специальной гайки, которая после затяжки входит в паз вала.
Опорная шайба расположена между роликоподшипником и шестерней.
Эти детали не взаимозаменяемы с деталями задних редукторов. Обслуживание одинаково для обоих узлов.
Устройство переднего моста УАЗ 469: схема подключения
Сборка и подключение рассматриваемой детали осуществляется в следующем порядке:
- Втулка вставляется в шарнир поворотного кулака нажатием. Он должен быть заподлицо с концом сиденья. Затем рукав переворачивают и специальной брошью подгоняют под нужный диаметр.
- Ограничение перемещения шарнира с одинаковыми угловыми продольными скоростями обеспечивается шайбами, установленными в цапфе и шаровом шарнире.Их расположение должно быть направлено смазочными канавками в сторону петли. Фиксирующая шайба фиксируется пробивкой в нескольких местах в точках, равномерно распределенных по окружности.
- Замена шарнирных втулок заключается в запрессовке и завинчивании их до диаметра 25 мм с возможностью прохода через каждую втулку.
- При установке петли в опору заливается смазка.
- Устройство переднего моста на УАЗ 469 предполагает регулировку необходимых осевых напряжений с помощью регулирующих вкладышей, от которых зависит расположение втулок и самого шарового шарнира.
Используется не менее пяти прокладок. Показатели общей толщины вверху и внизу не должны иметь разницы более 0,1 мм. - Перед снятием сальника войлочное кольцо пропитывают теплым моторным маслом.
После сборки переднего моста его испытывают на стенде в статическом состоянии и под нагрузкой. Это положение создается синхронным торможением полуосей. При правильной сборке агрегата не будет повышенного шума агрегата, протечек масла в сальники и манжеты, а также стыки.
Техническое обслуживание
Устройство переднего моста УАЗ 469, схема которого приведена выше, предусматривает выполнение ряда профилактических и регулировочных операций в процессе эксплуатации. Среди них:
- Периодическая затяжка резьбовых соединений.
- Проверка шарниров на люфты.
- Корректировка подшипников.
- Ремонт точек зацепления шестерен.
- Проверка сходимости.
- Регулярная смазка трущихся деталей согласно таблице технических характеристик смазочных материалов.

Визуальный контроль устройства переднего моста УАЗ 469 предусматривает проверку поворотных кулаков на целостность и пригодность регулировочных винтов, ограничителей поворота, а также надежность стопора этих элементов.
Конструктивная схема рассматриваемого агрегата рассчитана на максимальный угол поворота обоих колес в соответствующих положениях порядка 27 градусов. Увеличение этого показателя свидетельствует о деформации шарнирно-поворотных кулачков, а это существенно усложняет ремонт.
Регулировка
Устройство переднего моста УАЗ 469, фото которого приведено выше, в заводских условиях предполагает регулировку шкворня с предварительным натяжением. В этом случае вверху и внизу сборки устанавливается одинаковое количество регулировочных шайб.
Устройство оси передней оси УАЗ 469 отличается тем, что особое внимание необходимо уделить режиму затяжки этих элементов. Фиксация ослабевает в результате постепенного износа трущихся деталей.
Между концами шкворня и опорными кольцами появляются зазоры по осям.
Ремонт
Передняя 469, конструкция которой рассмотрена выше, иногда может требовать ремонта. Для ремонта потребуется снять деталь и разобрать ее. Этот процесс осуществляется следующим образом:
- Накладки надеваются на задние колеса автомобиля.
- Гайки и другие системы крепления блоков откручены.
- Шток отцепляется от сошки, после чего снимаются гайки на амортизаторах и шаровая цапфа.
- Демонтировано крепление передних рессор с накладками.
- Передняя часть автомобиля поднимается за раму, после чего производится демонтаж сборки.
Передний мост УАЗ 469, устройство, описанное выше, требует профессионального обслуживания. Но если у вас есть соответствующие навыки, вы можете манипулировать этим блоком самостоятельно.
Carter Задний мост УАЗ-469 (рис. 65) разрезанный в вертикальной плоскости, состоит из двух частей: корпуса 51 и крышки 1, скрепленных между собой болтами.
Главная шестерня состоит из одной пары конических шестерен со спиральным зубом: ведущей и ведомой. Передаточное число главной передачи — 2,77. Ведущая шестерня 16 установлена на двух конических роликоподшипниках 5 и 7. Между внутренними кольцами подшипников расположена распорная втулка 14, регулировочное кольцо 6 и прокладки 13. Регулировочное кольцо 15 установлено между внутренним кольцом подшипника. подшипник 5 и торец ведущей шестерни 16. Фланец 9 соединен с ведущей шестерней с помощью шлицев. Затяжка подшипников ведущей шестерни осуществляется гайкой 10, которая затем фиксируется.Для предотвращения подтекания смазки и картера установлен сальник 5.
Ведомая шестерня 55 установлена на сателлитной коробке 56 и привинчена к ее фланцу.
Конический дифференциал с четырьмя сателлитами имеет разъемную коробку, состоящую из двух половин, соединенных болтами. Дифференциал заднего моста УАЗ-469 установлен на двух конических роликоподшипниках 2. Между шестернями полуосей 49 и торцами сателлитной коробки установлены шайбы 52.
Прокладки 3 расположены между торцами сателлитной коробки моста УАЗ-469 и внутренними кольцами подшипников.
Предохранительный клапан расположен на левом кожухе полуоси, который соединяет внутреннюю полость моста с атмосферой.
Колесные редукторы предназначены для увеличения дорожного просвета, что увеличивает проходимость автомобиля.
Рис. 65. Задний мост УАЗ-469:
1 — крышка картера главной передачи; 2 — подшипник дифференциала; 3 — регулировочная прокладка; 4 — уплотнительная прокладка; 5 и 7 — подшипники ведущей шестерни; 6 — установочное кольцо; 8 — сальник; 9 — фланец; 10 — гайка; 11 — грязеотражатель; 12 — кольцо перегонки масла; 13 — прокладки регулировочные; 14 — распорная втулка; 15 — кольцо регулировочное; 16 — ведущая шестерня главной передачи; 17 — спутник; 18 — полуось правая; 19 — картер колесного редуктора; 20 и 29 — масляный дефлектор; 21 — полуосевой подшипник; 22 — стопорное кольцо; 23 — уплотнительная прокладка картера коробки передач; 24 — крышка корпуса колесного редуктора; 25 — подшипник; 26 — стопорное кольцо; 27 — тормозной щит; 28 — тормозной барабан; 30 — колесная шпилька; 31 — штифт; 32 — ступичный подшипник; 33 — прокладка; 34 — шайба стопорная; 35 — фланец ведущий; 36 — гайки ступичных подшипников; 37 — шайба стопорная; 38 рукав; 39 — ведомый вал колесного редуктора; 40 — стопорные кольца; 41 — прокладки; 42 — сальник; 43 — подшипник ведомого вала; 44 — ведомая шестерня колесного редуктора заднего моста УАЗ-469; 45 — гайка специальная; 46 и 50 — заглушки сливных отверстий; 47 — ведущая шестерня колесного редуктора; 48 — правый ящик сателлитов; 49 — регулировочные шайбы; 51 — картер главной передачи; 52 — шайба полуоси; 53 — полуосная передача; 54 — ось сателлитов; 55 — ведомая шестерня главной передачи; 56 — левый ящик сателлитов; 57 — левая полуось.
Колесный редуктор состоит из одной пары прямозубых шестерен с внутренним передаточным числом 1,94.
Картер коробки передач разрезан в вертикальной плоскости моста УАЗ-469, состоит из двух частей: картера 19 и крышки 24, соединенных между собой болтами.
Ведущая шестерня 47 установлена на шлицевом конце полуоси 18 между шариковым (внутренним) подшипником 21 и роликовым (внешним) подшипником 25. Внутреннее кольцо этого подшипника блокируется кольцом 26, а внешнее кольцо. Кольцо установлено в съемном корпусе, который крепится к опоре картера колесной шестерни двумя болтами.
Шарикоподшипник 21 заблокирован в картере кольцом 22. Масляный дефлектор 20 расположен между подшипником и картером.
Ведомая шестерня 44 колеса редуктора заднего моста УАЗ-469 центрируется на буртике вала 39 и прикручивается к его фланцу.
Ведомый вал 39 поддерживается втулкой 35 и роликовым подшипником 43, который заблокирован гайкой 45.
В отличие от редуктора левого колеса, вал 39 ведомой шестерни и гайка 45 правого редуктора имеют левую нить.
На гайке 45 левая резьба нанесена кольцевой канавкой, а на валу 39 — глухим сверлением диаметром 3 мм на торце шлицевого конца.
Ключевые слова: задний мост УАЗ 469, мост УАЗ 469.
Многие интернет-пользователи в Яндексе или Гугле вводят подобный запрос — «ремонт переднего моста УАЗ 469». Значит, им интересно, как отремонтировать переднюю или заднюю ось на УАЗе самостоятельно. Конечно, порядок разборки и ремонта моста описан в специальных книгах по ремонту и эксплуатации, которые сейчас не проблема достать.Однако разобрать своими руками, что передняя и задняя ось до последнего винта — это, мягко говоря, непростая задача. Может оказаться, что вам просто нужно заменить какую-то небольшую деталь, для доступа к которой не нужно все разбирать.
Передний мост УАЗ 469
Вот лишь некоторые из возможных вариантов поломок моста на УАЗ 469 (Хантер, Патриот, «буханка»):
- Дифференциал изношен, коробка передач погнута
- Критический износ главной передачи в коробке передач
- Износ поворотного кулака (шаровой опоры, цапфы) на переднем мосту
- Появление больших зазоров в шарнирных соединениях
- Износ подшипников, в результате которого требуется их регулировка / замена
- Распыляемые предметы, требующие смазки
Может быть сложно понять, что случилось с вашим автомобилем из вышеперечисленного, однако часто вы даже можете локализовать проблему на слух.
Если из передней или задней оси слышен повышенный шум или гул (даже на нейтральной передаче), скорее всего, коробка передач изношена (требуется ремонт) или подшипники требуют смазки. Если ваша машина «зевает» из стороны в сторону и рулевое управление в порядке — проблема может заключаться в цапфе, ШРУСе или в неправильной установке штифтов, фиксирующих шаровую опору, в результате чего появляется люфт и колесо начинает «гулять».
Из чего состоит ШРУС
Очень частая неисправность — вылет шариков подшипника, которые находятся в ШРУСе.Вылетают они как раз из-за неправильной регулировки шкворней, в результате чего геометрический центр ШРУСа и цапфы не совпадают. В результате полуось «ходит» по сиденью и постепенно ломается. Сам ШРУС тоже поврежден. А при повороте сбоку от колеса слышен хруст и при этом колесо может заклинивать. Некоторые мастера в процессе ремонта просто выбрасывают все шарики, кроме центрирующего (дополнив его сваркой) — чтобы избавиться от проблемы их постоянного вылета.
Поворотный кулак переднего моста УАЗ 469, в сборе
Но спасает это ненадолго, бывают даже случаи, когда приваренный шар отламывается во время езды, там настолько высокие нагрузки. Гораздо эффективнее произвести регулировку штифтов. Необходимо добиться такого состояния, при котором линия, проходящая через шарниры и центр полуоси, будет пересекаться в одной точке. И именно в этой точке должен располагаться центр ШРУСа. Смещение полуоси влево-вправо, как показано на рисунке, недопустимо, она должна быть жестко закреплена, для этого в конструкции предусмотрены упорные кольца и втулки.
Седло втулки
Внимание! Чтобы половинки ШРУСа соединились плотно, необходимо в шаровую опору поставить бронзовую втулку. Если таковой нет в магазине, можно поставить, например, втулку шатуна трактора Т-40. Обрежьте его с одной стороны и немного удалите лишний металл, пока он не войдет в отверстие (в суставе). Затем необходимо подогнать втулку под диаметр полуоси с помощью 32-битной развертки.
Если этого не сделать, шарики в ШРУСе все равно вылетят.
Снятие шкворня
Теперь рассмотрим процесс снятия шкворня на УАЗ 469. Для этой процедуры можно использовать специальный съемник, однако его вполне можно сделать своими руками. Все, что вам понадобится, это пластина с отверстием для болта, шайба и 2 гайки. Пластина будет опираться на другие болты по периметру, а центральный болт просто вытянет шкворень из сиденья.
Процесс запрессовки шкворня
Регулировка
Перед тем, как приступить к регулировке, подготовьте все необходимое: втулки в цапфе (при наличии развертки на цапфе), втулки упорные 4 штуки, а также сальники.Главное условие регулировки — чтобы две половинки ШРУСа не болтались, как при движении прямо, так и при повороте! Порядок действий следующий:
В процессе сборки после ремонта необходимо смазать все болты нигролом, чтобы в следующий раз все можно было легко открутить. Все сопрягаемые поверхности (место соединения цапфы и корпуса поворотного кулака) необходимо очистить от грязи.
ШРУС смазывать консистентной смазкой не рекомендуется, так как она густая.При нагревании под действием центробежной силы вся смазка рассыпается по стенкам шарового шарнира, но необходимо, чтобы шарики ШРУСа были обильно смазаны. Для этого рекомендуется развести солидол вдвое с помощью нигрола.
После окончательной сборки и ремонта необходимо провести еще одну важную регулировку. Это регулировочный болт. Это болт, ограничивающий максимальный угол поворота колеса. Важно не переборщить, не затягивать болт до упора — иначе колесо заклинит.Затяните почти до конца, а затем попробуйте повернуть колесо (точнее вал, на котором оно будет стоять). Нужно откручивать болт обратно до тех пор, пока колесо не перестанет заклинивать. При этом угол поворота не должен быть ниже заводского. Что ж, теперь вы сами можете отремонтировать передний мост на УАЗ 469!
П.С. : сзади — ломать особо нечего, так как нет поворотных частей (кулак, ШРУС). Просто периодическое обслуживание, смазка деталей — и так будет долго.
Максимум, что может сломаться, — это коробка передач. В целом УАЗ, а конкретно УАЗ 469, выпускались с так называемыми «военными» мостами, которые отличались большей надежностью и маневренностью. Поэтому многие владельцы тюнингованных автомобилей УАЗ ставят их себе.
Электрооборудование, ремонт, обслуживание автомобилей УАЗ. Электрооборудование автомобилей УАЗ Принципиальная схема УАЗ 469
01.10.2021 Сложно представить, как устроена машина без электрозаполнения; по этой причине электросхема УАЗ 31519 занимает почетное место в описании автомобиля.Являясь неотъемлемой частью современного автомобиля, это соединение узлов и функциональных элементов постоянно развивается и совершенствуется. Без грамотно составленного чертежа невозможно разобраться в километрах проводников и понять связь с остальным оборудованием. Внесение изменений в конструкцию, подключение дополнительного потребителя, исправление поврежденных элементов обязательно заставит обратиться к электросхеме УАЗ 31519.
Для удобства чтения схема выполнена в цвете.
общая информация
Автомобиль с полным приводом УАЗ 31519 выпускался на Ульяновском заводе в период с 97 по 2013 год. Основная цель проектирования агрегата — замена устаревшего УАЗ 31514 на модель большей мощности. На базе автомобиля созданы модификации, отличающиеся друг от друга уровнем отделки салона и силовыми установками. В связи с использованием пользователей с разными характеристиками и параметрами, схема электрооборудования УАЗ 31519 также содержит индивидуальные особенности.
Подключение пользователей автомата УАЗ 315195 и др. Осуществляется по принципу однопроводности, когда плюсовой вывод оборудования включен в одну цепь. Отрицательные выводы прикреплены к раме машины, которая играет роль второго проводника. Напряжение в сети автомобиля составляет 12В, защиту оборудования взял на себя блок предохранительных элементов.
Связь между потребителями энергии осуществляется с помощью составного ключа возбудителя, в котором конструктивно предусмотрена контактная часть и противоугонное оборудование.
Электросхема УАЗ 31519 предусматривает питание потребителей от источника тока до момента пуска силовой установки. После запуска двигателя питание подается от генератора, который вырабатывает переменный ток и пропускает энергию через выпрямительный блок. Кроме того, продукт заряжает аккумулятор, чтобы поддерживать его работоспособность. Вы также можете прочитать о.
Схема подключения УАЗ 31519:
Связь оборудования и цепей
При рассмотрении электрической схемы автомобиля важную роль играют используемое оборудование и силовая установка.Так, если на автомобиль УАЗ 31519 установлен карбюратор, то на чертеже не будет электрических обозначений, характерных для инжектора и наоборот.
Двигатель ЗМЗ-409:
Показатели эффективности оборудования:
| Разъяснение: | УАЗ модификаций: | |||
| 31519 | 315192 | 315194 | 315196 (5) | |
| Двигатель: | ||||
| Модель двигателя | УМП-4218 | ЗМЗ-4104 | УМП-4213 | ЗМЗ-409 (04) |
Часы, (шт. ) | 4 | |||
| Цилиндры, шт. | 4 | |||
| Жильё | Вертикально, подряд | |||
| Образование смеси | карбюратор | впрыск | ||
| Порядок работы | 1-2-4-3 | 1-3-4-2 | ||
| Сечение камеры, (мм) | 100 | 95,5 | ||
| Ход буйка, (мм) | 92 | 94 | ||
| Объем, (л) | 2,89 | 2 693 | ||
| Компрессия | 7,0 | 6,8 | 8,2 | 9,0 (9,1) |
| Момент, (Нм) | 189 | 186 | 210 | 217 |
| Мощность, (л.с.) | 84 | 85 | 104 | 128 |
| Топливо (бензин) | A-76 | АИ-80 | АИ-92 | |
| Электрооборудование: | ||||
| Электропроводка | Один проводник, минус — каркас станка | |||
| Напряжение сети, В | 12 | |||
| Генератор | 161. 3771 | 665.3701 | Bosch или Spark | |
| Аккумулятор | 6СТ-60 | 6СТ-66 | ||
| Свечи | A14BP; NR15YC. | A14DVR; LR17YC. | ||
| Стартер | 4216.3708; 62,3708 | Bosch, Spark | ||
| Зажигание | Противоугонная, блокирующая повторное включение стартера. | |||
| Стеклоочиститель (передний) | Электрика, три режима, две щетки. | |||
| Стеклоочиститель (задний) | Электрик, одна щетка. | |||
| Дождеватель | Электрика, перед и зад. | |||
Автоматические выключатели
В целях сохранения целостности и работоспособности цепей в схеме УАЗ 31519 предусмотрено применение разъединителей. Изделие выполнено по технологии соединения двух металлов, оно размещено под панелью приборов.
Три основных защитных элемента номиналом 10А установлены в специальном отсеке PR103, расположенном между двигателем и пассажирским салоном.
Назначение разъединителей:
- Предохранитель 1: защищает устройства управления;
- Предохранитель 2: защищает указатели поворота;
- Предохранитель 3: защищает сигнализацию и звуковой сигнал.
Разъединитель №1 находится с правой стороны машины. Питание вентилятора печки защищено разъединителем на 6А. Изделие монтируется возле выключателя печки. Автомобили УАЗ: 315192, 315194 и др. Иногда содержат дополнительные разъединители, так как комплект меняется.
Контроль цепи
Контроль цепей УАЗ-315194 и других машин без отключения напряжения осуществляется вольтметром или амперметром. Первый подключается параллельно, соединяясь с тестируемым сегментом или устройством. Диапазон измерения «0-25» В. Во время манипуляций отрицательный провод прикрепляется к раме автомобиля, положительный провод прикрепляется к пользователю или поставщику.
Спад эффективного электрического поля свидетельствует о неисправности цепной системы (короткое замыкание, рывок, окисление и т. Д.).). Управление осуществляется лампочкой, мощность изделия не превышает трех, четырех Вт; напряжение двенадцать В.
Поверка амперметром проводится с максимальным пределом стабильного тока не менее 10А. Включение устройства соответствует контролируемому объекту. Положительный контакт относится к источнику, отрицательный — к потребителю. Если значение тока ниже требуемого уровня, говорят о неисправности электрической цепи, выше — о коротком замыкании потребителя.
Электрические схемы
Контрольно-измерительные приборы и устройства сигнализации
Генератор
Лампы, фары, фонари
Подключение дополнительных потребителей
Другие вопросы по электрооборудованию
Лебедки электрические — см.
Раздел «Оборудование»
При переделке блока предохранителей нужно учитывать, что предохранитель должен быть самой тонкой частью всей цепи.ЛЮБОЕ место позади него должно быть толще, выдерживать ток БОЛЬШЕ, чем заданное значение (перегрев или сбивание из-за тепла), кратковременно выдерживать (не разрушая во время срабатывания) ток ЭМ муфты (однако для машин это несущественно, он никогда не применяется там с автоматом только для высоковольтных систем) и, наконец, в случае короткого замыкания в самой дальней точке цепи, иметь сопротивление, достаточно маленькое, чтобы ток в цепи ПРЕВЫШАЛ заданное значение предохранитель (для патомптп — ток тепловой уставки).
Это требования ПУЭ, но ясно, что точно так же по тем же причинам относится и к низковольтным цепям, к автомобилю.
Соответственно на одну большую кнопку повесить все сразу нельзя, хоть и будет на 100А. Провода сгорят, и кнопка не выйдет из зацепления. повесьте их на отдельные щитки.
Плавкий, термический, что угодно — хотя бы для некоторых.
Потому что их уставка больше 20-30А, этого просто не может быть, столько (долговечных) проводов в жгуте не выдерживают см. Выбор сечения автомобильного провода Если потребителей больше, разделите их на разные ограждения , такие же фары — одна на охранника, печка на свою и т. д.
Поставил два стандартных блока — 6 предохранителей, более чем достаточно. Один агрегат запитан только при включенном зажигании, другие — постоянно. Достоинства стандартного агрегата: можно использовать как проволочные, так и стандартные плавкие вставки Волгова (Жигулей) (достаточно выпрямить). Довольно надежные крепления вставки предохранителя и самого предохранителя, стоимость вставок копейки, не говоря уже о проводе (аргумент против очень современных блоков и предохранителей к ним). В общем, дело вкуса. Мне нравится, когда все оборудование в машине однотипное.
По моему опыту получается так:
если оставить старый блок, не внося изменений в штатную разводку, и нужен новый (второй) для дополнительных потребителей, установленных вами, то лучше использовать Волгову блок, положил где-нибудь в салоне.
Хорош простотой замены предохранителей, легкостью подбора их мощности (не только 10А, как родной провод, но еще и 12А и 14А и даже 20А) и т. Д.
Также у штатного есть такой баг что если вы слишком сильно вдавите предохранитель.Его можно замкнуть накоротко на корпус «за блоком».
К тому же волговские предохранители не болтаются в розетках, контакт надежнее и провод не кончается
Есть экстремистский вариант — повесить сборку обычных автоматов на 220В. Работает и очень эффективно, и реверсивно (отруби — включил бьюлы), но великовато было. Вот так и сделали какие-то маньяки, прикрутили прямо на торпеду.
Поставил себе волговскую линейку. Но их все равно маловато, поставлю вторую.Сделано это так: большая светящаяся пластина, на ней линия предохранителей, на ней все реле (фары, бибикалка) и прерыватели (поворотники, дворники). Общую шину подводить не очень удобно, но у меня получилось так: от каждого предохранителя уходит по 2 контакта, соседние согнул и хорошо их припаял, но не думаю, что это надежно, в дальнейшем буду паять толстый медный стержень.
В надежности сомнений пока не возникало — контакт предохранителей плоский и широкий, зажимается очень хорошо.Есть идея сделать индикацию перегоревших предохранителей, чтобы сразу посмотреть, все ли в порядке, так как у каждого остается по два контакта — на каждый повесить светодиод, но есть сомнения, нужно ли. Да я весь этот блок затащил в салон. [Бегемот 4×4]
УАЗ Патриот (УАЗ-3163)
Электрические векторные диаграммы 316X: (схемы прислал Гудков Виктор)
Электрические схемы для автомобилей ,,, (ошибка — три диода в генераторе, те, что на общем (на массу?), Должны быть перевернуты -) ( Внимание! — размер очень большой, около 1.7 МБ каждая схема , прислал Максим Смирнов):
Электросхемы автомобилей (размер 415К), (453К), прислал [Сергей А.С.])
Схема системы управления двигателем (242К) ЮМЗ-4213, ЮМЗ-420, ЗМЗ-409, прислал [Сергей А.С.])
УАЗ-3151 (31512, 31514, 31519)
УАЗ-3159 (Барс)
Лампы, используемые на автомобилях УАЗ| Лампы | Тип лампы | Мощность, Вт |
|---|---|---|
| Фара: дальний и ближний свет | A12-45×40 | 45×40 |
| Фонари поворота (3962 * / 3151 *) | A12-50×40 / A12-45×40 | 50×40 / 45×40 |
| Фары передние | ||
| — габаритный огонь | A12-5 | 5 |
| — указатели поворота | A12-21-3 | 25 |
| Задние фонари | ||
| — габаритный огонь | A12-5 | 5 |
| — указатели поворота | A12-21-3 | 25 |
| — тормозной сигнал | A12-21-3 | 25 |
| Повторители указателей поворота (на всех автомобилях, кроме 3303 *) | A12-5 | 5 |
| Фонарь заднего хода | A12-21-3 | 25 |
| Фонарь освещения номерного знака | A12-5 | 5 |
| Фонарь световой специальный знак (3962 *) | A12-21-3 | 25 |
| Фонарь подсветки под капотом (315 *) | A12-21-3 | 25 |
| Освещение кабины | A12-1 | 2,1 |
| Переносная лампа | A12-21-3 | 25 |
| Освещение приборов Управление дальним светом фар Управление аварийным давлением масла Управление аварийным перегревом охлаждающей жидкости Управление указателем поворота Индикатор сигнала торможения Выключатель стояночного тормоза | A12-1 | 2,1 |
| Управление аварийной сигнализацией | А12-1. 1 (A12-0.2?) | 1,1 (0,8?) |
Кстати, надеюсь лампы не Тайвань или Эмираты? А потом купил как-то (молодой, зеленый) такой — красивый, 100/90, супер-пупер, а потом измерил ток тестером и оказалось 55/60, да и светят криво. А вот немецкие (Нарва, Филипс) вещи — и светят круто, и качество отличное — лампу меняешь, а фары регулировать не надо — все остается точно на своих местах.[Начальник]
Как знаток этого дела могу с уверенностью сказать, что на лампочках экономить не стоит.
Все автомобильные галогенные лампы делятся на три основные категории:
1-я (дешевые) — это лампочки из г% # а, т.е. обычная стеклянная колба, некачественная металлическая спираль, плохая пайка.
2-й (дорогой) — это качественные лампы, т.е. колба из кварцевого стекла, качественная без примесей металлическая спираль, аккуратная штамповка и пайка цоколя.
3-й (подделки) — это лампочки из материалов первой категории, но аккуратно, и продаются по ценам чуть ниже второй.
Подавляющее большинство автомобильных фар рассчитаны на лампы мощностью 55 или 60/55 Вт. Использование какой-либо другой более высокой мощности нецелесообразно, так как прирост нагрева такой лампы намного превышает прибавку освещенности , которая кстати очень небольшая. В современных лампах используются другие методы увеличения светового потока.
У меня в обеих машинах только последние, PHILIPS VISION PLUS + 50%. В «Ниве» лампочки пережили бесчисленное количество ванн (естественно, при включении) и четыре-пять комплектов фар, точно не помню, сколько.В УАЗе уже переживают второй комплект фар. И кое-где лампочки работают и пока не гаснут.
Да, хочу добавить, такие лампочки всегда лучше покупать комплектом! И, к сожалению, на них тоже есть подделки … 🙁
Насколько мне известно, «родной» PHILIPS VISION PLUS ни разу не выпускался в прозрачной пластиковой таре! Только в картонных коробках (набор по 2 штуки) или в картон в блистере (шт.).
Константин Мартьянов март 2004 г.
(http: // www.auto.ru/wwwboards/uaz/0686/212047.shtml) Как улучшить штатное освещение без использования дополнительных фар
Оптика галогенная может поставляться. (Для автомобилей, у которых его нет — (U) ABC) Для галогенных фар оптика должна быть с индексом h5. Если h3, то рефлектор со временем сгорит. Установил себе оптику х5, лампы 90/130 и через реле включил питание на лампочки. Ножной переключатель не потянет, он быстро сгорит, и будут потери на всевозможных соединениях.А потом протащил толстым проводом блок питания к реле (две катушки висят на передней стенке возле левой фары), от реле к блоку питания лампы (ближайший к одному реле, самый дальний от другого) и использовал старые стандартные родные провода в качестве командных проводов для реле. Свет красивый, далеко светит, лишь изредка плавится пластиковый корпус контактов, ведущих к лампе. Ну раз в полгода, не чаще.
После нескольких экспериментов пришел к выводу, что увеличивать мощность ламп — не вариант.Увеличивает нагрев и нагрузку на генератор
Сейчас у меня фары с оптикой h5 и лампами 100/90, но после установки дополнительных фар с оптикой от ВОВ (хелла) понял, что отечественные фары не очень хорошие.
Я поставил две фары ближнего света от BMW 5 серии в кузов E12 (модель 70-х годов) — результат превзошел все ожидания: ближний свет с лампами мощностью 55 Вт в несколько раз лучше стандартных 90 Вт п / с.
При таком же энергопотреблении фары Hell дают в 2 раза больше света, чем наши.
Также, на мой взгляд, могут подойти фары от автомобилей Volkswagen семейства Golf или Transporter.
Кроме того, импортные фары имеют плоское стекло, что упрощает задачу их снятия и установки за кангарином.
Приехал покупать лампочки — выбирал не самые дорогие и не самые дешевые. Заплатил, беру, открываю и смотрю — одна откровенно кривая, другая не кривая, но в ней тоже что-то не так. Я что-то замечаю глазами, но не могу этого объяснить.Прошу продавца найти прямую. Делать нечего, продавец тоже сытый и добрый … В результате прямых лампочек по цене до 30 руб (недорогой магазин) не находим вообще. Впрочем, по цене «до 50» тоже не находим. То спираль изогнута, то еще что-то. Что ж, то, что на лампочке написано «сделано в Германии» — это вообще ничего не значит.
Посмотрел, посмотрел всю эту кучу, и меня соблазнили нормальные немецкие лампы за 85р. за штуку — берешь в руки и видишь, что это товар, даже если он не германский (ну что написано, что «сделано в германии» — все равно никто не может гарантировать).
Вечером поехал устанавливать. Установил, вошел в кромешную тьму и тут понял, почему раньше приходилось регулировать / не регулировать фары — они еще слепили встречные. ВАЖНО, КАК ЛАМПОЧКА ДАЕТ ЛУЧ. Даже без регулировок, сразу после замены лампочек было видно, что след на земле стал значительно «ближе» к машине, даже по бордюрам и униформе. За 5 минут все подогнал по книжке, объехал местность, потом еще чуть опустил пучок до уровня, когда начинается светлая кайма «где земля выползает» из-под капота.
Да, ставил обычные лампочки 60/55 — и они проживут дольше и греться как более мощные …
Уже второй год у меня видения Филлипс синие, очень доволен … Вроде бы что они меньше ослепляют встречных людей (по наблюдениям знакомых), излучают своего рода сине-белый свет, сильно отличающийся от стандартного в лучшую сторону .
..
Что касается выносливости, лучшее, что я обнаружил из галогенов, — это Тунгсрам 90/100 (венгерский, кажется), достаточно дешевый.Они со мной с 1999 года. С ними у меня есть стаж вождения около 2 недель (в том числе в Ростовской области под дождем и ночью около 8 часов) с разбитой камнем оптикой. Лампочка еще живая, только грязь протереть тряпкой :-))) Лучше под х5 поставить специальную оптику (подойдет Жигулевская), без всяких там переходников. Еще я поставил туда лампочки подсветки для габаритов: с одной стороны это эффективно :-))) с другой — при езде в небольшой дождь и туман (когда фары особо не нужны) оптика греет вверх, предотвращая оседание конденсата внутри себя.
Не увлекайтесь лампами мощностью более 55/60 Вт. По следующим причинам:
- Использование ламп большей мощности запрещено в Европе на дорогах общего пользования и серьезные компании такие лампы не производят. . Соответственно, ни о каком качестве (освещении в первую очередь) говорить не приходится.

- 90% — что мощность такой лампы (90 \ 100 и более ватт) фактически не соответствует заявленной.
- Из-за невысокого качества исполнения такие лампы освещают все — летающие вертолеты, звезды, слепых встречных водителей, только не дорогу.Хотя может сложиться впечатление, что фары светят ярче.
- Кроме того, видимость объектов для человеческого глаза в желтом спектре выше, чем в синем, потому что он (желтый) ближе к естественному солнечному свету. Это к вопросу о «крашеном» ксеноне
Диаметр и фара сиденья унифицированы:
Жигули (2101), Москвич М408, ИЖ512, Нива, УАЗ, ГАЗ 24-2410, ЗАЗ968, грузовики ГАЗ, ЗИЛ, Камаз, Автобусы ПАЗ, ЛиАЗ, ЛАЗ, Кавз.
Нужно только помнить, что есть оптика, предназначенная для галогенных ламп, а не рассчитанная. Также в некоторых фарах есть отверстия для ламп подсветки.
и Выключатель указателя уровня бензина
У меня под сиденьем стоит выключатель датчика уровня топлива (поставил, чтобы не тянуть провода под панель приборов) Маршрутный компьютер на УАЗ
Для карбюраторных моделей придется устанавливать Датчик расхода топлива и датчик скорости (как правило, это счетчик импульсов, который ставится в обрыв вала спидометра)
Датчик расхода топлива
Маршрутный компьютер
Тахометр (из шестерки) выглядит идеально рядом (справа) от спидометра.
Подключение стандартное — на корпусе тачка все написано. По одному — на катушку (либо низковольтный конец). Один — + 12В. Один массовый. Один из них — освещение таха. Для прикола можно подключить стояночный стоп-сигнал. Лампы неисправности генератора останутся, но их нельзя подключить без реле. И лампа открытой (закрытой) воздушной заслонки карбюратора. Последние три ко мне не подключены, пока не хочу возиться. Отверстие просверлили сверлом 2,5 мм по кругу меньше диаметра круга тахометра на 3 мм, затем обработали круглым напильником.Отверстия нужно сначала прикрутить. Не давите сверлом слишком сильно! В противном случае панель будет наматываться на последние дырочки.
Хотел сделать ставку от «Газели», так как у шестиступенчатой всего 1/3 шкалы — обороты не те. И вы можете положить его на левую часть панели вместо пластин переключения передач. Причем стрелка четче цифровой и менее инерционная. [Майкл и Пунто]
Установил тахометр 35.3813 (от Газели) (безрамочный).Снял корпус от старого спидометра, нарезал шкалу тахометра на диаметр шкалы спидометра (при этом цифры немного обрезаны, но показания читаемы).
Важно сохранить прозрачное световодное кольцо (от спидометра) для подсветки шкалы; без него масштаб не виден ночью. Место установки можно увидеть на фото. Схема подключения.
Только что купил тахометр от приборки 3110, он такой красивый со стрелками и цифрами с подсветкой.Когда я попробовал простое подключение, ничего не вышло. Изучив факсы и доки, все встало на свои места. Подключается он так: за тахометром 3 контакта, и к ним идут 3 провода: красный (подключаем к «+» выключателя зажигания, я подключал к «+» переключателя), синий (он на массу), так и желтый (он должен быть через резистор 62 кОм мощностью не менее 1 Вт подключен к контакту «короткое замыкание» переключателя или к катушке зажигания к контакту, который подключен к выключатель).Все работает. Да, индекс устройства 449.3813. [Бегемот 4х4]
Digital Multitronics, например, самый простой вариант (всего 3 провода): Питание от ключа (пульта) и провод на дополнительное сопротивление (см. Раздел «Волга» в инструкции)
Сгорел пару раз (либо от нестабильного питания, либо от такой конструкции) — меняли по гарантии.
Затем электрики сделали в нем предохранитель (на пипетке) и намотали катушку (?) — дополнительное сопротивление. Пока работает …
Очень полезная штука — теперь ГЛАВНОЕ УСТРОЙСТВО.[Beard W]
Установка заняла 15 минут. Ничего сверлить не нужно. Застегивается на липучку. Место установки необходимо тщательно выбирать. Если хорошо обезжирить, то оторвать никак нельзя. Наклеивал же на 8-ке неудобно. Потом при отрыве сломал корпус устройства. Липучка — это сила! [Faun]
Фотография цифрового тахометра, установленного на крышке рулевого колеса. [Главный]
Измеряет частоту вращения двигателя (двухдиапазонный: при переходе выше 1500 показания становятся грубыми, чтобы цифры не мерцали), температуру воздуха в салоне (или у забора, если датчик установлен. выброшен на улицу), показывает время, температуру можно запомнить и записать в память, т.е.е. запоминает максимальную и минимальную температуру за сутки и устанавливает время (зимой будет удобно смотреть, что случилось с УАЗом ночью).
Яркость регулируется в трех положениях, поэтому ночью она не раздражает.
Электронные тахометры периодически «умирают».
Возможно, это из-за высоковольтных проводов (точнее с распределенным сопротивлением этих): мой электронный тахометр хотел работать только с «родными» проводами , которые изначально стояли на моем длинном Козле.
Прочие комплекты проводов на УАЗ, в том числе
1) силиконовый,
2) дуб черный с толстой медной жилкой
3) красный, почти аналог «родного», но более жесткий, с тонкой медной жилкой
вызывал периодические глюки в показаниях, что в итоге закончилось зависанием прибора.
В принципе ничего хорошего:
часы / будильник неудобны, скорость показывает корректно только при температуре не ниже +5 С, потом начинает глючить, цифры прыгают … в общем лучше от 2106
Это имеет смысл только в том случае, если вам нужно знать установленный импульс.Очень тормозит, а на 2000 реально может быть от 0 до 3500. Нужен переключатель .
.. Экономометр для УАЗ
Вещь нужная и полезная, но это не прибор, а индикатор, то есть он точно показывает разрежение во впускном коллекторе. По нажатию на педаль не всегда можно определить, что происходит, а при движении с экономометром по трассе в зеленой зоне даже неплохо контролировать количество разлетающегося бензина. Гарантированно, что запчасти для грузовиков на МКАД продаются в Южном Порту даже в желтом магазине.Маршрутный компьютер стоит на порядок дороже, и его еще нужно смонтировать. Он мне очень хорошо помог … и это не прибор экономит бензин, а вы сами думаете, а индикатор показывает только с погрешностью в 20-30 процентов, а этого вполне достаточно. (с УАЗ-Хантер на обычный УАЗ)
Электронный спидометр AR 20.3802 (двухстрочный дисплей:
верхняя строка — общий пробег (6 цифр, незначащие нули выделены), нижняя строка — сбрасываемый счетчик суточного пробега) , AP 68.Датчик скорости 3843 (шестиимпульсный, непроходной, резьба М22, Козьмодемьяновский разъем).
Производство RAR (Рига).
При установке возникла только одна сложность — полное отсутствие информации как о спидометре, так и об электросхеме Хантера. Поиски результатов не дали. Родную жгут с разъемами найти тоже не удалось. Пришлось использовать метод научного тыка. С датчиком все понятно: красный — питание (+12 В) (после зажигания), синий — сигнал, черный — масса.(Разъем просто оборвался). Для спидометра разъем имеет вид (нумерация контактов условная):
Установлено назначение выводов:
1. Земля.
2. Электропитание (+12 В). (После выключателя зажигания). (При подаче напряжения включается цифровой ЖК-дисплей. Когда напряжение снимается, показания пройденного расстояния сохраняются).
3. Сигнал с датчика. (К синему проводу датчика).
4. Ночное освещение (для осветительных приборов).
5. Выходное напряжение 12 В для питания датчика скорости.
6. Индикатор дальнего света (горит символ в центре шкалы).
7. Ничего не происходит. (Наверное, не участвует).
Из-за отсутствия ответного разъема подключил одиночными проводами с припаянными ушками («мамками») от аудиоаппаратуры. Все работает. Не шумит. Стрелка не прыгает. Погрешность минимальная. А ночью — вообще красиво.
октябрь 2005 г.
Почему не горит красный индикатор уровня топлива и как это исправить
На УАЗ-козлах на датчиках уровня топлива в баках нет «лишнего» контакта с лампочкой.
Исправить эту ситуацию поможет установка нестандартного датчика уровня топлива. Например, от ГАЗ-53 он по размерам такой же. Вставил в левый бак, укоротил поплавок на УАЗовский, сделав петлю. Ко второму выводу подключил контрольную лампу резерва, а саму лампу поставил на приборную панель в указатель уровня топлива (новый образец). Когда заканчивается бензин, я узнаю об этом сразу и не догадываюсь, как раньше. Как не допустить подергивания указателя уровня топлива при малейшей неровности дороги?
Параллельно с индикатором счетчика разрезаем емкость около 500.0 микрофарад на 16в — дергаться не будет.
(+ По датчику бензобака, на всякий случай).
А может проблема в плохом контакте ползунка потенциометра, который находится в баке? Установка сигнализации на УАЗ
Мне посоветовал продавец Аллигатор. Ну и купил с установкой. На сервисе установщики хмурились, но как только деньги были заплачены, они их доставили. Долго возились с проводкой к задней двери — УАЗ был голый, а провод протянут внизу, в раме.А потом оказалось, что УАЗ тяжеловат для такой сигнализации. То есть, если увеличить чувствительность, то любое прикосновение к автомобилю возле датчика вызовет срабатывание сирены. А сзади запаску можно свободно снимать, и датчик этого не ощущает. Так и случилось однажды …
Сигналку надо ставить либо своими руками, либо тянуть! Ставил на тягу — так мастера проклинали все на свете! Металл толстый, подходы неудобные и все такое.По их словам, получается, что при установке (правильной и хорошей, как для себя) на УАЗ можно поставить 3-4 Жигуля! Отсюда и мораль — просто так с улицы — хорошо не поставят!
P.
S. У меня Мангуст — доволен! Сам по себе не работает, но когда заднее колесо входит или взлетает, то кричит.
УАЗ-469 комплектовался генератором Г250-Э1 и регулятором напряжения ПП350 (201.3702). Теперь можно установить:
Генераторы G250-E1 и G250-P2 отличаются друг от друга размерами приводных шкивов, кроме того, генератор G250-P2 имеет не одну, а две клеммы «Ш».
Отличительной особенностью регулятора PP132-A (2702.3702) является наличие трехпозиционного переключателя, с помощью которого можно изменять диапазон регулируемого напряжения:
Да встает без проблем, только ПП новый нужен, т.к. стандартный рассчитан на ток 3 А, а нужен на 5 А. Так что покупайте Волговский ПП. Кстати, подключается по-разному — «+» от КЗ идет на одну щетку и на клемму без букв на ПП, а клемма «Ш» ПП подключается ко второй щетке.Сам ПП крепится к земле.
Стоит поменять генератор — он не только дает больше тока, но и выдает его на более низкой частоте вращения ВЧ.
[Начальник] Реле-регулятор Волговский
Волговский РР, в отличие от УАЗика, также позволит поставить генератор на 65 и 90 А.
Если у вас сейчас нет удаленного РР — если я не ошибаюсь , к нему идут два провода — один «+» от зажигания, второй провод к щетке генератора. Надеваешь ПП на корпус, провод к щетке подцепляешь к клемме «Ш», а плюсовой провод к клемме без обозначения.Лучше купить колодку для выводов — мама 2.
Далее проверяем щетку в сборе. Если подходят два провода — («+» от зажигания и второй от ПП) — то оставьте так. Возможно один подойдет — от ПП, тогда придется покупать щетку волговскую в сборе на два провода (там две папы торчат). К одному цепляете провод от ПП, на другой «+» от замка зажигания. Лучше тоже надеть туфлю. [Главный] Генератор на 90 Ампер на УАЗ
При замене генератора на более мощный желательно проложить провод от генератора к АКБ напрямую и использовать провод большего сечения.
Ставил от шишига, название не помню. Пришлось заново сверлить уху на блоке цилиндров, в целом они могут раздвигаться (ослабить гайки и сдвинуться) но движется только задняя часть, пришлось немного сдвинуть переднюю, но теперь они универсальные.
И поменять болт на более длинный. Поставил регулятор в салон, Волговский п / кондуктор.
Генератор запломбирован:
Обмотка статора была тщательно залита эпоксидной смолой за несколько проходов. Подкова тоже тонкий слой, температурный режим сильно не уйдет, она достаточно теплопроводна.Винтики в герметике красные. Он обязательно должен быть очищен. Таким образом, невозможно заделать обмотку возбуждения, т.е. при погружении в воду она наверняка ничего не будет генерировать, но вылетать не должна, хотя я еще не пробовал.
Наелся от Газ 66. Похоже на небольшую, но атомную электростанцию. Сначала я подумал, что он туда не поместится. Но ниша — это штатное крепление, снизу регулируется по ширине. нужно было немного подпилить. А еще пол шкива пришлось отрезать 🙂 там две ручейки, а то на мясорубку цепляется.Уже больше месяца катаюсь, покатушки всякие, тверские, лебедки люстры, все … работает без проблем.
Проблемы 90-амперного генератора — диоды Разобрав глючный генератор на 90, обнаружил, что из 6 диодов сгорело 3.
Поставленный новый генератор (тоже на 90 А) тоже вызывает сомнения — такое впечатление, что сначала он лучше «питался» (то есть видимо сгорел один диод).
Брал себе одну, на 90А, было написано, что на ГАЗ-53 и УАЗ.Перед тем как поставить, вскрыл, посмотрел. Внутри — все ОК (обмотки, щетки, подшипники). Вытянутые диоды, проверены на ток — 2 сгорели
От ГАЗ-53 полностью аналогичен УАЗовскому. Но есть и их 2 типа: стандартные (65А) и 90А. Генератор ГАЗ-53 не имеет планшета. Те. выкидываете щетки с выводом «Ш» и кладете таблетку.
Кстати: генераторы от УАЗа, Бычки, 53-й лужайки все как братья, и по размеру, и по качеству
Генератор 90А от Ауди 100.
Переделки: Просверлено ушко под болт УАЗ + немного переделано штатное крепление с добавлением втулки под болт. Суть переделки крепления и изготовления втулки (возможны несколько толстых шайб) в том, что шкив генератора расположен со шкивом помпы в одной плоскости.
Кстати, генераторы на 90 ампер от Ауди 100 бывают 2-х типов.
Вам понадобится один с одним большим ушком для болта (другой тип — с двумя маленькими ушками). Но все же рекомендую отправиться на поиски генератора со своим УАЗиком в руках.И шкивы разные, но там практически такие же, как у УАЗа — берите. В нашей стране (Минск) такой генератор стоит 25-30 долларов. Зачем вынимать диодный мост в салон?
В сложных условиях температура под капотом будет 80-100 градусов. А полупроводники сохраняют свои характеристики максимум до 70 градусов. Те. диодный мост, ПП, если они под капотом просто перестанут работать.
Есть еще одна причина: насколько мне известно, диоды стеклянные, и при нагреве до рабочей температуры держат при работающем генераторе, я вам (ну или мне, или еще кому: о)) попадая в воду, они при погружении в нее лопаются из-за разницы температур и на выходе из брода вы получаете дохлый генератор.Собственно по этим причинам беру их в салон.
Автобусный генератор от ЛИАЗа типа КАТЭК Г-286 А, 14 В 80А. Его «плюс» — выдает ток уже от 500 об / мин, но вот его габариты, вес и посадка .
.. Для его установки пришлось с помощью болгарки и сварки сделать новый кронштейн из толстой железной полосы. Сейчас гора немного опустилась. Небольшой шкив позволяет кормить карлсонов на холостом ходу, не расходуя аккумулятор. Одного ремня в этой ситуации недостаточно.На картинке два ремня и шкив Газ 24-10 на коленчатом валу.
Увидел от ПАЗа стояла на 120А. Размер такой же. Вся переделка сводится к вырезанию болгаркой крепежа из уголка. Зачем нужен более мощный генератор для зарядки мощного аккумулятора?
В автомобиле используется цепь зарядки аккумулятора постоянного напряжения.
Если поставить более емкую батарею, то при зарядке она будет брать у вас больше тока. Следовательно, запас тока генератора должен быть больше.Поэтому рекомендуется установка с аккумулятором увеличенного размера — генератор более мощный.
В бортовой сети установлен релейный регулятор, задача которого — поддерживать напряжение в определенных пределах. С увеличением нагрузки реле-регулятор увеличивает длительность управляющих токов в обмотке возбуждения генератора и тем самым заставляет генератор выдавать больший ток при постоянном напряжении.
Это может продолжаться до тех пор, пока нагрузка не превысит максимум генератора (в первом случае это 90А).При превышении максимума реле-регулятор больше не может поддерживать напряжение, потому что увеличивать ток некуда. Соответственно и напряжение спадет (упадет). И, конечно, падение напряжения на генераторе на 100А произойдет позже — т.е. он выдержит нагрузку на 10А больше. Это все. А если нагрузка меньше 100А, то она будет вести себя точно так же, как 90А. [Профессор] Разве не опасно устанавливать генератор большей мощности, чем батарея?
Когда заводлю УАЗ утром, все 85 Ампер (от генератора) заряжают аккумулятор (правда, на короткое время).При этом в любой книжке по автоэлектрику написано, что НЕЛЬЗЯ зарядить аккумулятор током больше 1/10 его емкости, то есть в моем случае 6,5 А. А тут еще есть тринадцатикратное превышение?
Короче автом. генератор + (реле-регулятор) — источник напряжения — его задача — поддерживать более-менее стабильное напряжение в бортовой сети.
После запуска двигателя показываемый амперметром ток определяется «желанием» генератора обеспечить в сети 13-14 В, а аккумулятор сам решает, сколько ему нужно, и берет с пуза, испугавшись от разряд, который только что произошел с ним.Его технические характеристики заложены в дизайн и все предусмотрено — 10 часов заряда — 1/10 емкости, 20 часов и ускорение — 300% от первого (у импортных до 500).
«НЕ заряжайте аккумулятор током больше 1/10 его емкости» — согласен, но есть параметр в спецификации на аккумулятор «кратковременный» или «неразрушающий» зарядка Текущий. Таким образом, 1/10 — это постоянный заряд .
Есть устройства, которые «сглаживают» этот кратковременный заряд, они пытаются заменить источник напряжения на источник тока.
7А в начале работ обеспечит ок. 13Б, а после в соотв. зарядится (довольно быстро) и «откажется» принять столько, разлив начнет расти — до напряжения холостого хода генератора (примерно 18 В), чтобы заставить АСС.
«напиться». Сделал подобное устройство и попутно изучил вопрос.
Резюме: если в соотв. хороший — он прослужит 6 лет, а если плохой, то тепличные условия ему не помогут. Как проверить генератор?
Обмотку возбуждения можно проверить без разборки генератора — сопротивление между контактными кольцами должно быть 2.5 Ом.
Для проверки диодного моста генератор необходимо разобрать (хотя я считаю, что если генератор на 65 А, вероятность эмиссии диода мала). Тем не менее они проверяются следующим образом: берете лампочку с проводами, один провод подключаете к «+», другой — к контактному болту обмотки (отцепляете саму обмотку). провод «-» по очереди подключается к плюсовой и минусовой клеммам блока. В одном случае лампа должна гореть, в другом — нет. Если лампа на болте вообще не горит, диод перегорел.Если он горит в любом случае, диод закрыт. По очереди проверяете все три болта, потом меняете местами провода, идущие к + и — батареи, и снова проверяете все три болта. [Начальник] Мысли по улучшению блока питания
Я хочу создать схему с двумя генераторами, но так, чтобы их цепи не соприкасались, а один из генераторов вообще не работал в нормальном состоянии, а включался только на доп.
груз (люстра, лебедка и тд) ..
Я скопировал эту схему со старого немецкого (?) джипа.Там это сделано именно так: по 2 генератора по обе стороны от двигателя. Да и похоже на обычный …
У проблемы два аспекта — надежность и стоимость. Купите один мощный иностранный генератор, а свой поставьте на склад. Технические проблемы — решены, надежность — в таком случае ставим оставшийся запасной генератор, по деньгам, думаю, как минимум, сопоставимым затратам … [_ BYKA]
У меня в планах 2 блока предохранителей — 1-й (вытяжка) ) — световые реле (дальние и ближние), звуковые сигналы, карлосоны.К нему идет толстый провод с батареей, так как там есть значительный ток. Провода управления тонкие, из салона. Все катушки реле защищены общим предохранителем длиной 1 м. Контакты реле и потребители защищены собственными силами. Оказалось уже для этого ЦДХ довольно много реле и предохранителей. Я планировал сделать его герметичным и разместить на передней панели моторного отсека, так как там нет особо важной электроники, но это позволит закоротить все провода питания.
Хотя в салон можно сходить.
2-й ящик в салоне. В нем есть все остальное — электрика дворников и омывателей (зад и перед), системы зажигания, приборка, радиостанции, музыка, поворотники / аварийные огни, розетки, освещение салона, электрика генератора (выпрямитель, ПП) и т. Д.
Чтобы АКБ не разряжался до «нуля», советую немного переделать схему освещения, чтобы фары включались только при включенном зажигании. В этом случае у вас были бы габариты, которые могли бы не успеть полностью разрядить аккумулятор.А для кратковременного освещения места для пикника можно использовать прожектор. 11.2001 [Шеф] Как разобрать бендикс без повреждений?
Острой отверткой осторожно поддеть край наката и по кругу, по кругу! :-)) Когда раскатанный корпус начнет двигаться в сторону шестерни, то для придания правильной круглой формы ребристым (из-за изгиба отверткой) ребрам наденьте одну сторону на цилиндрическую часть корпуса муфты и надавите на них с помощью молоток. Можно по-другому (хотя это хлопотно :-)) — раскатанный край разрезать на сектора (3-5 мм) и загнуть.
Соберите в обратном порядке с помощью молотка — аккуратно загните края накатки, постукивая по ним по кругу. [Начальник] Регулировка бендикса
Ось стартера крутили? Она эксцентрична и регулирует «вылет» бендикса. Проверяется так — на снятом стартере подаешь плюс на клемму управления втягивающего реле (не зацеплять «+» за болт питания, а крепить корпус стартера к массе). В этом случае бендикс выскакивает, но якорь не крутится.Бендикс не должен доходить до стопорного кольца на 1-2 мм. Из практики — нормально захватываются даже полустертые зубья маховика.
Bendix «с низким доходом» довольно часто встречается в новичках. Другая противоположность — это «переход». При этом бендикс упирается в заводную головку, а силовые контакты стартера еще не замкнулись — и он не крутится. То есть при включении стартер издает «щелчок» и молчит. [Шеф] Почему стартер медленно вращался?
Если аккумулятор исправен, то одна из причин, пожалуй, плохой «вес» на двигателе.Даже если это не так, все равно не лишним будет проделать следующую операцию:
Купил медь 8мм в изоляции с медными ушками (80р).
Ползать по грязи под машину не хотелось, прикрутил в том месте, куда ходил — одним концом к крышке коромысел для крепления кронштейна какого-то шланга (шланг регулятора вакуума — (U) ) … Другой конец точно дошел до ближайшего болта на корпусе — им оказался верхний винт крепления катушки. Вот и прикрутил под катушку.
Эффект сразу заметил — перестал нагреваться провод от гена, стартер стал крутить в 2 раза быстрее. Старую косу вообще не трогала — пусть висит. Выбор сечения автомобильного провода
| Номинал. сечение, мм2 | Сила тока в одиночном проводе, А при продолжительной нагрузке и температуре окружающей среды, о С | |||
|---|---|---|---|---|
| 20 | 30 | 50 | 80 | |
| 0,5 | 17,5 | 16,5 | 14,0 | 9,5 |
| 0,75 | 22,5 | 21,5 | 17,5 | 12,5 |
| 1,0 | 26,5 | 25,0 | 21,5 | 15,0 |
| 1,5 | 33,5 | 32,0 | 27,0 | 19,0 |
| 2,5 | 45,5 | 43,5 | 37,5 | 26,0 |
| 4,0 | 61,5 | 58,5 | 50,0 | 35,5 |
| 6,0 | 80,5 | 77,0 | 66,0 | 47,0 |
| 16,0 | 149,5 | 142,5 | 122,0 | 88,5 |
Примечание: при прокладке проводов сечением 0.
5 — 4,0 мм2 в жгутах, сечение которых по трассе содержит от двух до семи проводов, допустимый ток в проводе составляет 0,55 тока в одиночном проводе по таблице, а при наличии 8- 19 проводов — 0,38 силы тока в одном проводе. [Lada FAQ site] Есть ли на УАЗ спидометр «дневного пробега»?
Бери с Волги — все один в один (скорость и дистанция). Сам пробовал. Передаточные числа у спидометра такие же, поэтому легко встает с 2410.От 3110 хуже — нужен датчик скорости на коробку. [Шеф] Улучшение подсветки спидометра
Меня очень беспокоило то, что в темноте не видно спидометр …
А в целом болеть не надо, а не приятно.
В разобранном виде. Конструктивная недоработка — лампа подсветки расположена внизу и закрывается механизмом спидометра. В итоге нормально подсвечивается только низ, который мало интересует и счетчик пробега.Вверху — контрольная лампа дальнего света. От него внутрь идет железная трубка, так что светится только отверстие на циферблате, а на трубке есть синий фильтр.
Подсветка имеет зеленый светофильтр в виде колпачка. Все это приковано.
Думал, что мне важнее подсветка верхней части спидометра — там шкала и выкинул лампу дальнего света, отломилась трубка. Поставил лампу подсветки вместо лампы дальнего света.
Теперь подсветка спидометра просто сказка! Даже не ожидал такого результата 🙂 Калибровка указателя температуры охлаждающей жидкости
На своем УАЗе я поставил параллельно датчику температуры переменное сопротивление, чтобы тарировать датчик температуры.Я сделал это, потому что устал от его ложных показаний. Номинальное сопротивление составляет примерно 1 кОм. Настроить можно так: взять датчик, погрузить в кружку с водой (не полностью), подключить провод от машины и массы, нагреть воду до кипения (100 градусов) бойлером, установить триммер резистор на 100 градусов — и можно гнать, контролируя реальную температуру … [Гоги] Схема электронной комбинации приборов AR 110.3801
Купил панель на 3162 от RAR.http://www.
shop.3160.ru/index.php?productID=3394
Отличная современная панель для серии 3160. Но схему искал очень долго, с завода RAR отослали. В Ульяновске я узнал, что она есть в книге по обслуживанию 3162, тираж книги всего 500 экз! Я нашел схему и хотел бы, чтобы она была доступна каждому. копия очень плохая:
Page 1, Page 2
Леписа Дмитрий (декабрь 2007)
Как снять оптические элементы (фары) при штатном бампере?
Ни в коем случае.Необходимо снять кенгурятник — работа занимает 15-20 минут, проблем быть не должно, всего 6 болтов.
Загнул верхний провод вниз. Но можно сломать …
Эти провода вообще не нужны, от них один геморрой — ни за ними не мыть, ни глаза вынимать. Я их срезал. Часто езжу по лесу, по грунтовым дорогам с гравием — с фарами заморочек не было. Так что, на мой взгляд, провода подпорки.
Кстати, для фар на кенгурине идеально подходит кронштейн для крепления выхлопной трубы глушителя от 2141.И жестко, и по размеру. [Тимоша] Какую «железку» ставят на фары военной техники
Это называется СМУ свето-маскировочное устройство поставляется только на боевую технику и надевается на нее во время боев, снижает заметность машины со стороны самолет, крайне необходимая вещь в повседневной жизни (а вдруг самолеты Аэрофлота вас увидят) находится только в воинских частях, приобретается у прапорщиков по установленному курсу в валюте (ликвид).
Помимо сужения светового потока, SMU имеет еще одну особенность: в него можно вставлять светофильтры (например, УФ-спектр), которые вместе с бинокулярным нашлемным прибором ночного видения (довольно древняя вещь, например, театральный бинокль, прикрепленный к танковому шлему), позволяет ездить с лошадью, правда, почти наощупь.В обычной жизни взрослому человеку не нужна сотня лет, фары светят намного лучше, чем вы можете видеть сквозь этот прибор. Где лучше взять «+» для подключения люстры, СВ-ишки и прочего доп. потребители?
Лучше запитать СВ от аккумулятора, люстра после замка зажигания. Все питается через обязательный доп. предохранители для защиты проводов. Лучше установить дополнительный блок предохранителей. Питать мощных потребителей желательно через реле, хотя ИМХО лучше поставить тумблеры мощные (~ 20А).Также положительно теряется биметалл, рассыпая потребителей на тот же дополнительный блок. Полезно ввести в торпеду амперметр, станет понятно, нужно менять генератор или нет.
Как лучше всего подключить доп. потребители энергии?
Обязательно через предохранители — аксиома
1. Очень желательно, чтобы минусы питания каждого сильноточного потребителя сходились «звездой» в одной точке, а лучше — на акке. В противном случае при плохой массе контактов и большом удалении точек его подключения от оригинала возможны звон (помехи) и помехи в радио и звукоусилительной аппаратуре.Железо автомобильного кузова совсем не такой хороший и надежный проводник … То же в принципе касается и плюсов питания, но вес важнее.
2. В министерствах есть готовые силовые провода-оплетки к акк, у которых на выводах акка имеются пластинчатые отводы («папы») для подключения дополнительных потребителей — они шире обычных, держат токи до 30 А. Такие провода вроде штатные есть на новой «Волге». [ATZ]
В продаже есть кабельный зажим (клеммник электрический) — он навешивается на толстый провод, подключается более тонкий, который на болтах идет к какой-то типовой клеммной колодке.
Все они продаются в магазинах промышленной электротехники. Отрицательный вывод обычно представляет собой прямой неизолированный ноль от электрической панели, прикрученный к утюгу, что-то вроде медной палки с отверстиями и болтами, иногда не менее 30 отверстий. Амперметр, своего типа, где лучше подключить
Чаще попадаются в продаже 30/30 (родные УАЗы, а там много где стоят), там 50/50, надыбал 100/100 от ПАЗ .
Подключаем: «-» прибора к «+» АКБ, толстым проводом от генератора квадратов 10 к «+» прибора, от него раздаем потребителям, включая замок зажигания, отрываем тонкий провод от стартера вообще.Толстый оставляем между батареей и стартером, мерять там нечего — ток большой, но непродолжительный, значит, стартер мимо прибора!
Для измерения тока заряда-разряда АКБ нужно сделать так: подключить провод от генератора к проводу потребителя (идет от клеммы + стартер, где еще подходит толстый провод с аккумулятором), и от это подключение перекинуть через амперметр провод к АКБ.
[Начальник] Напряжение в сети «плавает» при доп.потребители
Это связано с падением напряжения в цепи генератор-регулятор. Если измерить напряжение на аккумуляторе, оно будет колебаться в районе 14-16 В. Кардинальное решение — подключить вывод «+» генератора к выводу «+» регулятора через реле, замыкающееся при включении зажигания. . Это также поможет избежать «перезарядки» генератора из-за перенапряжения. Также проверьте все контакты — в том числе и «массы» … [Начальник]
Когда меня тошнит от большого падения напряжения в цепи питания обмотки возбуждения генератора (1.5-2 В!) И как следствие закипела аккум, я подал питание на реле-регулятор прямо от «+» генератора через реле, замыкающееся при включении зажигания. После этого напряжение на АКБ стало стабильным на уровне 13,9-14 вольт, но потребители стали получать его меньше (также видно как следствие тонкого провода генератора), имеющего 12-12,5 вольт. Затем я соединил «+» генератора и «+» аккумулятора проводом 10 мм2.
Результат отличный — напряжение стабильно на 13.5! В данном случае я немного схитрил, добившись того же эффекта, что и вы — не проложил генератор штатным проводом генератор-стартер, а проложил его к аккумулятору (перед стартером уже есть «жир-жир» «!) [Начальник]
Причины:
Первая: Натяжение ремня.
Второй: Частично перегорел диодный мост (подкова). Это замена
Третий: То, что было. Ублюдочно тонкая проводка от генератора должна проходить все 65а.зарядный ток, и моя была обуглена и наполовину сгорела возле насадки к генератору. Это была причина. Совершенно необходимо его поменять. [Тимоша] Как правильно подключить лебедку? Масса не выключается (проходит через лебедку)
В общем случае «минус» от АКБ тоже продублирован проводом к лебедке. Когда выключатель заземления выключен, земля все еще будет на кузове автомобиля (закрывается через лебедку). Было решено так: поскольку машина готовилась к трофею в категории ТР2, был установлен АВАРИЙНЫЙ выключатель фирмы «СПАРКО» с возможностью выключения двигателя при его выключении.
Имеет 2 перемычки силовых контакта (а не один, а корпус как на штатном). Один из них был подключен к минусовой батарее, к двум другим проводам питания: один минус лебедка, другой минус земля. Таким образом, при отключении земли цепь лебедки также обрывается. Машина полностью обесточена … В качестве альтернативы дорогому ($ 35) выключателю от «SPARCO» можно установить двухполюсный выключатель с мощным металлическим ключом, который продается в магазинах автозапчастей.Цена — 250 руб. В общем, по моему скромному изменению, этот прибор не лишний для боевого внедорожника .. Так как сильно снижает вероятность возгорания из-за короткого замыкания проводки … Как лучше провести провод на крышу
Провода идут от переключателя под панелью приборов под торпедой, затем по стойке, где есть небольшой треугольник, соединяющий крышу и рамку лобового стекла, через нее просверливается отверстие по стойке стойки (у меня люстра — неотъемлемая часть багажника) к фарам.Провода не перетираются дверью.
Сентябрь 2003 г.
Индикатор заряда аккумулятора
Есть такая штука, регулятор напряжения, он называется РН-4. Значит есть световой индикатор. Когда не хватает генератора на малых оборотах двигателя для питания потребителей, загорается лампочка. То же самое и при отсутствии зарядки. Вообще горит при употреблении почты. с аккумулятором. И гаснет при достаточной мощности от генератора. Очень удобно. У меня РН-4 5 лет и пробл.не было. Замена штатного звукового сигнала на Волговский У нас есть два провода, которые подходят, один из которых я так понимаю постоянно находится под напряжением, второй видимо управление, от кнопки на руле. На Волговском один терминал (правда, улитки две)
Все достаточно просто — нужно воткнуть 527 или универсальное реле. На 527 цепляете «+» за среднюю ногу, за крайний (который ближе) провод от сигнальной кнопки, а оставшийся цепляете за сигналы.На универсальный + накидываешь на 85 и 30, на 86 — кнопку, на 87 — сигналы.
Для хорошего звучания сигнал должен резонировать — прикладывать его не прямо к корпусу, а через стальную пластину 1,5-2 мм шириной около 30 мм.
[Главный] Регулировка спидометра
Внутри спидометра находится винтовая пружина с регулятором. С помощью этого регулятора увеличьте (если показания завышены) «натяжение» пружины. Для этого придется разобрать корпус. [Начальник] Упрощенный запуск двигателя
Надо под капот рядом с доп.на реле стартера поставил маленькую кнопку, замыкающую 2 вывода этого реле («+», и тот, на который идет провод от замка зажигания). Это позволит запускать двигатель при выключенном зажигании и генераторе. Несколько советов по ремонту электрооборудования
Я все делал по частям. Электрика вся самодельная. Для начала выкинул всю старую проводку (оставил только разъемы и тд) и начал делать свою из отдельных проводов. Я начал с такой схемы: http: // akolubaev.narod.ru/myfiles/uazka/2.jpg. Провода взял диаметром около 3мм (токи большие и зимой хорошо говорят). Потом скрепляю провод, делаю отметку на схеме и т. Д. При подключении всего по этой схеме не поленитесь, перебирайте глазами, на всякий случай.
Если ошибок не обнаружено, можно попробовать запустить. Если все ок, формируем проводку в жгут. То есть фиксируете изолентой в местах расхождения (отслоения) проводов. Далее все это хозяйство можно снять и хорошенько утеплить.Далее подготовил схемы подключения устройств и датчиков, то есть взял с сайта схему для 31512 и удалил лишние провода в Paint (утомительно, но надежно). Далее, как и раньше. И так далее. В итоге разводка оказалась не хуже штатной. Много времени ушло только на то, чтобы выковырять старые разъемы и крепления. Фары-искатель: что лучше — родной УАЗ или китайские поделки за 500-1000 уе?
«Родной» с доработками. Берешь свою фару, с гладким стеклом.Стекло зажимается лепестками на отражателе, вынимаете стекло. Вам это нужно. Далее в магазине купите фару дальнего света от 2106 (под тонкую галогенку). Стекло выбиваешь аккуратно, нужен рефлектор. Не царапай его. Сюда приклеиваем стекло поисковой фары, и вставляем в корпус. Все! У вас очень хороший галогенный прожектор.
[Alien, RoadHawk]
Можно сразу искать «родную» для галогеновой оптики — (U). Переделка крепления АКБ
После очередной эксцессы с вылетевшей с места АКБ (отрыв штатной корзины), чуть не закончившейся возгоранием в подкапотном пространстве, решил, что надо сделать более грамотную крепление аккумулятора.Поскольку машина идет на спорт, крепление аккумулятора — одно из основных требований безопасности. С этими мыслями я пришел к нам в гараж, где Шура «Чужой» работает над своим 469-м УАЗиком. Поскольку Шура полностью переделал облик своего УАЗика (брызговики, крылья), то с установкой аккумулятора ему уже приходилось сталкиваться. Решил эту проблему, сделав из стального уголка «корзину» для аккумулятора … Выглядит эта конструкция так:
Прикинув происходящее, Шура быстро сложил мне корзину с учетом ее установки на 31512… Он был закреплен на месте тремя болтами. После этого я отправился в ближайший магазин, где купил два ремня для крепления расширительного бачка от ВАЗ «классика» .
. Слегка колдуя с застежками, эти ремни установили на стенку моторного отсека над корзиной , вот так:
По моим прикидкам такая конструкция обеспечивает достаточно жесткое крепление аккумулятора, но при этом не затрудняет его замену …
Сергей Кирсанов
Освещение багажного отделения
Сделали ли подсветка багажника по этой схеме.Расположение наконечника и переключателя видно на фото 1, фонарей — на фото 2. Если тайка не стоит, то развязывающие диоды не нужны. Можно и без наконечника, тогда только вручную (сейчас есть три положения: выключено, включено вручную, включается автоматически при открытии багажника). [Анатолий Хохряков (HOHAN)]
УАЗ-452 за годы эксплуатации получил столько ласковых прозвищ: «Буханка» и «Дубинка» — за внешнее сходство с хлебным кирпичом, «Таблетка» — за надежную службу в медицинских организациях.
Примечательно, что его конструкция и отдельные системы — трансмиссия, кузов или электросхема УАЗ 452 оказались довольно выносливыми.
Пожалуй, это была единственная машина тех лет, способная добираться в самые труднодоступные места в гуманитарных целях.
Знаменитая Буханка стала многоцелевым автомобилем для дачи
Знакомьтесь, УАЗ 452
Автомобиль представлял собой грузопассажирскую версию внедорожника с колесной формулой 4х4. Ульяновский автомобильный завод освоил выпуск модели еще в 1965 году.
Вы можете оценить его возможности, посмотрев следующее видео:
УАЗ 452 способен перевозить грузы массой до 700 кг в кузове. Кроме того, он может буксировать прицеп массой 850 кг. Автомобиль стал очень популярным не только в условиях российского бездорожья, но и успешно использовался в крупных городах в различных объемах (на фото в статье).
В частности:
- Как машина ГАИ;
- Как пожарная машина;
- Автомобиль скорой помощи;
- Продуктовый магазин;
- Коммунальный транспорт и др.
Электронные компоненты
Электросхема современного цвета УАЗ 452 Электромонтаж УАЗ 452 выполнен по простой однопроводной схеме.
Конструктивно она имела следующие решения:
- Роль второй проволоки выполнял металлический корпус и прикрепленные к нему узлы и агрегаты;
- На корпусе всех электронных компонентов и исполнительных механизмов отображается знак «-». Цена такого решения оправдывала несовершенство схемы.
Для справки: В инструкции предусмотрена регулярная проверка контактов.При окислении их следует зачистить наждачной бумагой.
Силовой агрегат
Моторный отсек расположен непосредственно в салоне, что обусловлено его конструкцией.
Доступ к узлам и агрегатам осуществляется также из салона путем снятия крышки, которая:
- Обеспечивает защиту водителя и пассажиров от проникновения выхлопных газов;
- Защищено от пыли и грязи;
- Служит дополнительным нагревательным элементом (пассивный — от нагрева).
Б / у двигатель от «Победы» заменен на более современный двигатель от 21-й «Волги». Этому способствовал запуск производственной линии на Заволжском моторном заводе в 1964 году.
Примечание! Несмотря на некоторый скептицизм по поводу неудобств при обслуживании бескапотной машины своими руками, годы эксплуатации доказали, что трудностей нет.
Пассивная безопасность автомобиля
Бескапотная конструкция Baton сначала вызвала ряд проблем с безопасностью.Однако серия краш-тестов, проведенных еще в 1971 году на Дмитровском полигоне, доказала, что в большинстве аварийных ситуаций водитель и пассажиры УАЗ 452 имеют шанс избежать травм.
Яркий пример комплексного тестирования «Таблетки»
Особенности электрооборудования
Для конструкторов в те годы более сложным процессом был поиск качественных комплектующих для оснащения систем зажигания и освещения.
Это хорошо видно по начинке салона:
- система управления автомобилем;
- устройств управления.
Наружное освещение
Было использовано все, что можно было достать, и налажена бесперебойная подача на заводской конвейер.
В частности:
- у предшественника Буханки — ГАЗ-69 заводчане позаимствовали ножной выключатель света;
- От фар ГАЗ-24 и др.
Система зажигания
Так как на Дубинки и Буханки устанавливался двигатель Волговский, с него практически полностью скопировали проводку системы зажигания УАЗ 452.
Наконец-то
Многие из нас помнят легендарный автомобиль.
Поэтому его появление на выставке, посвященной Олимпийским играм, было воспринято как часть нашей славной истории развития отечественного автопрома.
Буханка удостоилась чести участвовать в Олимпиаде 2014 года
Электросхема УАЗ-469 объединяет все устройства и устройства, используемые в автомобиле. При сбоях в работе системы полноценная эксплуатация автомобиля может вызвать затруднения у автовладельца, поэтому все поломки необходимо своевременно устранять.Подробнее о неисправностях, а также о профилактике проводки вы сможете узнать из этого материала.
[Скрыть]
Что входит в электрическую схему?
Выше представлена электрическая схема.
Независимо от того, какой УАЗ вы используете — старый или новый — основными компонентами электрической сети являются:
- Приборная панель. На нем отображаются основные датчики и индикаторы, свидетельствующие о включении того или иного устройства. Приборная панель позволяет водителю знать, с какой скоростью он движется, сколько топлива осталось в баке, какова частота вращения коленчатого вала и какова температура двигателя.Кроме того, на приборке очень много лампочек, которые загораются синхронно с включением тех или иных устройств.
- Аккумуляторная батарея. Аккумулятор — неотъемлемая часть любого автомобиля, он позволяет запитать оборудование автомобиля при выключенном двигателе, а также помогает системе зажигания запустить силовой агрегат. Если аккумулятор разряжен, запустить двигатель традиционным способом не получится — нужно будет либо его подзарядить, либо попробовать запустить от толкателя.

- Генераторное устройство, выход из строя которого также приведет к невозможности запуска двигателя.Этот блок подает напряжение на все устройства и устройства, используемые в автомобиле во время вождения.
- Блок предохранителей. Это устройство содержит все предохранительные устройства, предназначенные для защиты электрических цепей и устройств от перенапряжения. Если в сети произойдет скачок напряжения, то основной удар примет на себя предохранитель (по каналу Ben & Ice Video Master).
Общие неисправности
Что касается поломок в работе электропроводки изделия Ульяновского автозавода, то они следующие:
- Разряд аккумулятора.Как мы уже сообщали, нормальная работа мотора без аккумулятора будет невозможна, то же касается и электрооборудования. Разряд аккумулятора может происходить по разным причинам. Из-за испарения электролита или его утечки в результате повреждения корпуса аккумулятора, повреждения пластин внутри конструкции или их короткого замыкания.
Обычно эти проблемы вызваны износом или неправильным использованием устройства. - Отказ предохранительного устройства. Его выгорание может произойти в результате износа или скачка напряжения.Перед установкой нового предохранителя прозвоните цепь, чтобы убедиться в отсутствии скачков напряжения. Если они все же возникают, то нужно определить причину и устранить ее, иначе проблема повторится.
- Обрыв провода. Эта проблема актуальна не только для УАЗ, но и для других автомобилей. Во избежание обрывов провода следует прокладывать вдали от движущихся частей тела.
- Нет контакта с устройством. Обычно это происходит в результате обрыва провода, но если он цел, то проблема кроется в контакте.Конец проводки мог просто оторваться или окислиться. Окисление — одна из основных проблем отечественных автомобилей.
- Отказ генератора. Сама конструкция энергоблока довольно сложная, поэтому проблем в ее эксплуатации может быть много. Если сам генератор работает, но не корректно, в первую очередь необходимо провести диагностику его ремня — он может быть перетянут или слишком ослаблен, в этом случае проблема будет решена его регулировкой.

Меры профилактики
Какие меры предосторожности убережут электросеть автомобиля от неисправностей:
- при выключенном двигателе ограничить использование электрооборудования, так как аккумулятор быстрее разряжается;
- время от времени проводить диагностику работоспособности аккумулятора и проверять его заряд;
- обеспечивают надежную изоляцию электропроводки;
- Никогда не используйте самодельные предохранители.
Для обеспечения работоспособности всех электрических устройств на любом автомобиле используется электрическая схема. В этой статье мы поговорим о легендарном автомобиле отечественного производства — УАЗ. Какая бывает электросхема автомобиля УАЗ Буханка, в чем его особенности — читайте ниже.
[Скрыть]
Что входит в электрическую схему?
Какие особенности есть у автоэлектрика на старых автомобилях Ульяновского автозавода?
Электронные компоненты
Схема подключения самого УАЗ 452 довольно простая — однопроводная.
По своей конструкции электрическая схема УАЗ3
- Кузов автомобиля использован как массовый.
- Любое электрооборудование старинной схемы на УАЗ 409 или другой модели, а также исполнительные механизмы оснащены отрицательной клеммой, которая подключается к кузову автомобиля. По мнению специалистов, в целом эта схема несовершенна.
Согласно инструкции по эксплуатации электрооборудования, водитель должен время от времени проводить диагностику состояния целостности контактов.Речь также идет об их окислении. Если водитель замечает наличие окисления на выводах, он должен обработать их мелкозернистой наждачной бумагой.
Моторный отсек
В этом случае моторный отсек располагается непосредственно в салоне автомобиля в соответствии с конструкцией машины.
Сам доступ к электрической схеме и другим механизмам и узлам осуществляется именно из салона, в результате демонтажа крышки, которая:
- Предназначена для защиты автомобилиста и пассажира от попадания выхлопных газов в салон.

- Позволяет защитить салон автомобиля от грязи и пыли.
- Выполняет функцию дополнительного нагревательного устройства, в частности, в пассивном режиме, в результате нагрева. №
Подкапотное пространство автомобиля АУЗ
Ранее на УАЗ 396255 и других моделях с карбюратором использовался двигатель от легендарной «Победы», который позже был заменен на более совершенный и современный агрегат. В частности, это относится к мотору от «Волги». Этому решению в свое время, еще в 1964 году, способствовал серийный запуск производственной линии на предприятии ЗМЗ.Несмотря на то, что многие отечественные автомобилисты утверждают, что схема инжектора УАЗ 3
Пассивная безопасность
Сама конструкция отечественной Буханки при отсутствии капота поначалу вызвала много вопросов с точки зрения безопасности водителя и пассажиров.
В результате нескольких десятков краш-тестов, которые проводились еще в начале 70-х годов прошлого века, было выявлено, что автомобиль не менее безопасен по сравнению с другими отечественными автомобилями. Как показали результаты, в случае аварии и водитель, и пассажиры автомобиля имеют хорошие шансы избежать травм в случае аварии.
Особенности электрооборудования
Итак, каковы особенности электросхемы УАЗ 452. На момент запуска производства для инженеров и конструкторов предприятия самым сложным моментом был поиск элементов и комплектующих самого высокого качества.
В частности, речь идет о деталях системы освещения автомобиля, а также зажигания, что особенно хорошо прослеживается по наполнению салона автомобиля:
- элементы управления различными транспортными системами;
- Устройства управления для контроля состояния узлов и механизмов.
Внешняя оптика
В то время дизайнерам приходилось прибегать к множеству внештатных решений, чтобы наладить серийное производство автомобилей.
Поэтому:
- В электросхеме УАЗа есть переключатель оптики, позаимствованный у ГАЗ 69.Кстати, последняя является предшественницей Буханки.
- К тому же от ГАЗ 64 позаимствована практически вся оптика — это фары и т. Д.
Система зажигания
устранение неисправностей
У любых отечественных автомобилей периодически возникают проблемы в работе электрооборудования. Если вы заметили, что проводка УАЗ работает некорректно, необходимо провести ее диагностику и проверить все элементы. При возникновении сбоев в работе электронных устройств в первую очередь необходимо проверить, не перегорели ли предохранители в монтажном блоке.Если с этими элементами все в порядке, а оборудование по-прежнему не работает, например, если говорить об оптике, то необходимо проверить, используются ли рабочие лампочки. Если сами лампы исправны, необходимо прозвонить электрическую часть с помощью тестера (автор видео о звонке — Рамиль Абдуллин).
Если Буханка вообще отказывается заводиться, нужно сделать следующее:
- В первую очередь проверить работоспособность АКБ.
- При заряженном аккумуляторе при помощи тестера прозвоните цепь от катушки до генераторного устройства, часто причина невозможности запуска мотора связана с обрывами проводки. Если есть обрывы, провода следует заменить. Если на контактах появилось окисление, их следует очистить.
- Завести силовой агрегат при отсутствии искры будет невозможно. Для диагностики наличия искры от свечи зажигания снимите высоковольтный кабель и поднесите к кузову.При попытке запустить двигатель между тросом и корпусом должна проскочить искра.
- Если искры нет, проблема может заключаться в наличии нагара и отложений на нем. Кстати, нагар часто является причиной нестабильной работы мотора и его тройного образования. Чтобы избавиться от такой неисправности, желательно очистить свечи; представлена пошаговая инструкция для этого процесса.
, принцип действия и отзывы Устройство батонного станка УАЗ
Практически все автолюбители знают, что в автомобиле есть система охлаждения двигателя.УАЗ Буханка или 452 комплектуется простой конструкцией силового агрегата, в связи с чем остальные системы имеют простые конструктивные особенности.
Назначение системы охлаждения
Система охлаждения двигателя УАЗ Буханка предназначена для охлаждения двигателя в процессе эксплуатации. Итак, охлаждающие элементы отводят выделяемое тепло от блока цилиндров и головки с помощью охлаждающей жидкости и охлаждают его в радиаторе.
В процессе эксплуатации силовой агрегат автомобиля нагревается до запредельных температур и при отсутствии охлаждения детали двигателя просто перегреются и деформируются.Хотя такие ситуации случаются и при наличии системы теплоносителя, в том случае, когда она не в рабочем состоянии или вышел из строя один из важных элементов.
Рабочая температура двигателя на УАЗ Буханка 80-100 градусов Цельсия. Именно в этом интервале термостат открывается на большой круг охлаждения.
Так как в данном автомобиле не электровентилятор, а система принудительного охлаждения, постоянно включено дополнительное охлаждение радиатора.
Блок питания может перегреться при выходе из строя одного из охлаждающих элементов.Сначала будет легкий этап, на котором просто закипит мотор. Но могут быть серьезные последствия, такие как прогиб и деформация головки блока цилиндров. На этом этапе ситуацию можно исправить обычной шлифовкой поверхности головки блока.
На средней стадии могут деформироваться элементы двигателя. Это включает в себя клапанный механизм. В дальнейшем головке блока потребуется капитальный ремонт, а это обойдется владельцу транспортного средства в немалую копейку.
Тяжелая стадия — это разрушение поршневой группы от сильного теплового воздействия. Но, и это не самое страшное, что может случиться, ведь если охлаждающая жидкость попадет в цилиндры автомобиля, то двигатель настигнет гидроудар, на котором капитальный ремонт не всегда спасает.
Схема системы охлаждения
Схема системы охлаждения двигателя УАЗ достаточно простая, она закрытого типа с принудительной циркуляцией охлаждающей жидкости. «Охлаждение» циркулирует по кругу от радиатора, передавая водяной насос и термостат в рубашку охлаждения, а затем возвращается.
Рассмотрим схему охлаждения силового агрегата на УАЗах, а в частности на двигателе с маркировкой 452:
Элемент системы охлаждения
Основные элементы системы охлаждения силового агрегата двигателя УАЗ Буханка 452 хорошо развиты. -известные детали: радиатор, вентилятор, водяной насос, термостат, патрубки, водяная рубашка и датчик температуры. Также в конструкцию входит утеплитель.
Итак, рассмотрим, что представляют собой основные элементы охлаждения двигателя, их устройство и принцип работы, а также ремонт и доработка.
Радиатор и вентилятор
Автомобили УАЗ могут комплектоваться 3-х рядными медными или алюминиевыми радиаторами, обеспечивающими максимальное охлаждение жидкости. Поскольку работа элементов довольно продолжительная, процесс охлаждения силового агрегата не всегда бывает таким, каким должен быть.
В данном случае это связано с засорением каналов внутри элемента. Часто не помогает даже обычная чистка, а при повышенном износе в трубках появляются трещины, которые активно спаивают хозяева, не желая покупать новые детали.Основное назначение радиатора — охлаждение жидкости, которая циркулирует от двигателя с помощью ветрового потока.
Вентилятор системы охлаждения на Буханке принудительный, закреплен на шкиве и постоянно работает при вращении коленчатого вала. Многие автомобилисты модернизируют эту систему и устанавливают электровентиляторы, которые часто включает сам водитель по показаниям температуры на приборной панели.
Водяной насос
Насос на УАЗ с механическим приводом.Основное назначение элемента — непрерывная циркуляция теплоносителя по системе. Итак, водяной насос обеспечивает подачу жидкости в радиатор для охлаждения и наоборот. Неисправность этого элемента может привести к потере «охлаждения» и перегреву двигателя.
Термостат
Основным конструктивным элементом является термостат. Он циркулирует жидкость и служит переключателем между малым и большим кругом в системе. Для прогрева автомобиля элемент держат закрытым.Когда он достигает 80 градусов по Цельсию, он начинает открываться, тем самым циркулируя жидкость через радиатор.
Основной неисправностью можно считать заклинивание элемента, что может привести к перегреву мотора, так как, как показывает практика, термостат заклинивает на малом круге, и соответственно не будет дополнительного охлаждения и протекания жидкости через радиатор.
Соединения и водяная рубашка
Форсунки — это средства транспортировки жидкости по системе от двигателя и его элементов к радиатору и наоборот.Выход из строя этих элементов приводит к потере «охлаждения», что, в свою очередь, снижает уровень теплоносителя в системе, а это прямой путь к перегреву.
Водяная рубашка — особенности конструкции головки и блока цилиндров. Именно через эти отверстия течет теплоноситель, отводящий тепло на охлаждение. При длительном сроке службы, особенно в воде, внутри стен может образоваться коррозия, что приведет к утечкам и потере жидкости.
датчик температуры
Датчик температуры на буханке не тот, который привык видеть большинство автомобилистов.Это элемент старого образца, который не включает в себя электровентилятор, поскольку здесь установлена принудительная система, а просто отображает показания температуры на приборной панели.
Выход
Как видите, схема системы охлаждения двигателя УАЗ Буханка (452) довольно проста. Его легко отремонтировать, а сломанные детали заменить без особого труда. Этот блок состоит из компонентов — радиатора, вентилятора, водяного насоса, термостата, патрубков, водяной рубашки и датчика температуры.
Датчик охлаждающей жидкости принципиально отличается от современных, так как он не включает вентилятор, а просто показывает температуру «охлаждения».
3,7 / 5 ( 4 голосов)
Впервые автомобиль серии УАЗ 452 был разработан конструкторами Ульяновского автомобильного завода в 1965 году как модификация УАЗ 451. Полноприводная версия оснащалась новым двигателем ГАЗ-21 и четырехцилиндровым двигателем. скоростной редуктор.
В новом модельном ряду с колесной формулой 4х4 используются буквенные индексы, определяющие назначение автомобиля:
| 452А «Таблетка» | Автомобиль скорой помощи. Вместимость — 4 носилки или 6 человек на боковых сиденьях. |
| 452AE | Модификация УАЗ-452А под установку спецтехники. |
| 452В «Буханка» | Микроавтобус для перевозки 10 человек. |
| 452Д «Головастик» | Грузовик-платформа. |
| 452G | Санитарный. Отличается от 452А большей емкостью. |
| 452К «Медея» | Реанимация. Выпускается в небольших количествах. Колесная формула 6х4. |
| 452P | Полуприцеп тракторный |
УАЗ (у) 452 в металлическом футляре прикреплен ярлык «буханка» из-за внешнего сходства с буханкой хлеба.Эта серия нашла удивительно широкое применение для перевозки грузов, людей и в качестве специальных транспортных средств.
Очередная модернизация, состоявшаяся в 1985 году, завершилась изменением индексации и концом истории 452-й серии.
Внешний вид
Конструкция кузова не блещет красотой дизайнерского решения, а подчинена принципу функциональности. Обтекаемость, основанная на скоростных показателях, высокий клиренс (0,3 м), что снижает вероятность повреждения нижних узлов и деталей при движении по неровностям и ямкам.
Ширина лобового стекла и боковых окон обеспечивает хороший панорамный обзор во время движения. С середины 70-х на двери стали устанавливать негабаритные зеркала и новую светотехнику.
Оранжевая секция выделена боковыми огнями. Задние фонари приобрели прямоугольную форму, что отражено в форме задних панелей кузова. Повторители поворотов появились за передними дверями по левому и правому борту.
Петли дверные имеют наружное исполнение и имеют масленки.На передней накладке имеется П-образный вырез, над которым расположена эмблема УАЗ в виде чайки. Под бампером установлен буксирный крюк. В боковой нише есть наливная горловина для заправки бензина в бак.
Кузовной тюнинг
Изменение внешнего вида автомобиля начинается с перекраски кузова. Перекраска обязательно предполагает учет исходного цвета. Покраска в камуфляжный цвет затруднений не вызовет.
Для этого потребуется малярный скотч и два аэрозольных баллона с краской указанного цвета. Для подготовки кузова к покраске необходимо :
- Демонтировать навесные элементы кузова и нанести антикоррозионную обработку;
- Накройте стекло фольгой или бумагой;
- Наклеить скотч по контурам будущей краски.
Сначала краска наносится на светлые пятна, потом на темные. Далее можно переходить к установке силового навесного оборудования: усиленных бамперов, дуги защитной трубы, которая приваривается к переднему бамперу или делается съемной, багажника и лебедки.Лебедку лучше установить так, чтобы тяговое усилие было не менее пяти тонн.
УАЗ Буханка тюнинг
Завершающий этап — установка доп светотехники. Например: на переднем бампере установлены галогенные противоударные фары, на багажник — люстры рабочего и дальнего света.
Любые изменения, не предусмотренные в конструкции, требуют согласования с ГИБДД, чтобы исключить возможные проблемы.
Интерьер
Наверное, не стоит искать свидетельства комфорта салона этой машины.В автосалоне преобладают металл и кожзаменитель. Внутри кабины выступающая часть двигателя уменьшает свободное пространство. На приборной панели записывается минимально необходимая текущая техническая информация.
Салон УАЗ-452
Имеет встроенную печку воздухозаборника. Под панелью установлена духовка для обогрева, а теплый воздух поступает в салон через открывающуюся дверь. Недостаточный обогрев в холодную погоду и отсутствие охлаждения салона в жаркое время года, плохая звукоизоляция — следствие дизайнерского аскетизма и стремления удешевить.
Салон тюнинг
Счастливый обладатель данной модели понимает, насколько «буханка» автосалона неудобна по сравнению с аналогичными зарубежными вариантами. Но если не забывать, что комфорт в производстве этой машины вторичен, то усилиями, средствами и творческим подходом создать уют в салоне вполне реально.
- Начать можно и нужно с замены обычных сидений на современные мягкие кресла;
- Следующим этапом тюнинга автосалона является изоляция внешнего шума, внутреннего отскока элементов салона и улучшение качества внутренней отделки;
- Полы, дверные проемы и заднюю стенку можно укладывать виброизоляцией, покрывать звукоизоляцией, а стыки заделывать герметиком;
- Затем сделайте внутреннюю обшивку.
Тюнингованный салон УАЗ-452
Сегодня популярна кожаная отделка салона. Часто в интерьер вводят дополнительные элементы в виде бардачков, современной подсветки, полочек и пепельниц. Руль лучше заменить на удобный и эргономичный от иномарки в мягком футляре, не забывая при этом о его надежном креплении.
Тюнинг салона УАЗ-452
Установка стеклоподъемников, аудиотехники и модернизация печного отопления вносят приятные нотки в тюнинг автомобиля.Так что удобство использования созданного хозяином «каравая», несомненно, добавит душевного комфорта.
Технические характеристики
Кратко комментируя табличную информацию, делаем вывод: «буханка» имеет два ведущих моста, КПП УАЗ «буханка» механического типа и вместе с трансмиссией представляет собой моноблок. Активация осуществляется с помощью демультипликатора.
Двигатель УАЗ-452
Двигатель представляет собой модернизированный двигатель ГАЗ-21, установленный внутри кабины.Это позволяет производить мелкий ремонт, не выходя из кабины. Хорошая грузоподъемность и проходимость сохраняют за автомобилем звания «внедорожник» и «вездеход».
| Модификация | Фургон стеклянный УАЗ | Автобус УАЗ |
| Корпус | ||
| Колесная формула | 4×4 | 4×4 |
| Количество мест | 2 или 5 | 9–10 |
| Длина, мм | 4390 | 4363 |
| Ширина, мм | 1940 | 1940 |
| Высота, мм | 2064 | 2064 |
| Колесная база, мм | 2300 | 2300 |
| Дорожный просвет, мм | 205 | 205 |
| Глубина преодолеваемого брода, мм | 500 | 500 |
| Снаряженная масса, кг | 1805 для фургона с закрытым кузовом 1920 для фургона со стеклопакетом | 2005 — для 9 местного автобуса 2015 — для 10 местного автобуса |
| Полная масса, кг | 2730 для фургона с закрытым кузовом 2845 для фургона со стеклопакетом | 2880 |
| Грузоподъемность, кг | 925 | 875 — для 9 местного автобуса 865 — для 10 местного автобуса |
| Двигатель | ||
| Двигатель | Бензин, ЗМЗ-40911.10 | |
| Топливо | Бензин с октановым числом не менее 92 | |
| Рабочий объем, л | 2 693 | |
| Максимальная мощность, л.с. (кВт) | 112,2 (82,5) при 4250 об / мин | |
| Максимальный крутящий момент, Нм | 198 при 2500 об / мин | |
| Максимальная скорость, км / ч | 127 | |
| Расход топлива при 60 км / ч, л / 100 км | 9,0 | |
| Расход топлива при 80 км / ч, л / 100 км | 11,2 | |
| Емкость топливного бака, л | 77 | |
| Шасси | ||
| Трансмиссия | 5-ступенчатая, механическая | |
| Раздаточная коробка | 2-ступенчатая с выключенным передним мостом | |
| Тормозная система | Двухконтурный, с вакуумным усилителем, передний диск, задний барабан) | |
| Шины | 225/75 R16 | |
Безопасность
При создании УАЗа концепция безопасности водителя считалась второстепенной.Основной задачей было выполнение поставленной цели. То есть отвечающие требованиям оборонной промышленности.
По мнению некоторых экспертов, у этой машины есть 30-процентный шанс выжить при лобовом столкновении.
УАЗ Буханка вид спереди
Впервые проведенные в 1971 году краш-тесты не подтвердили эту цифру. Ремни безопасности в конструкции не предусмотрены, но радует то, что «буханка» в линейке УАЗов имеет достойные прочностные характеристики.
Нельзя отрицать и тот факт, что безопасность движения во многом зависит от качеств и опыта самого водителя.
Опции и цены
Цена автомобилей этой серии зависит от ряда факторов. В них учитывается техническое состояние, срок службы, вложенные средства в модернизацию, настройку, капитальный ремонт с учетом того, как они ранее эксплуатировались. В зависимости от вышеизложенного, цены на рынке колеблются от 1000 до 12000 долларов.
Достоинства и недостатки
Преимущества автомобиля
- Универсальность;
- Проходимость;
- Вместимость;
- Ремонтопригодность;
- Конструкция проста и легко устраняет неисправности в полевых условиях.
Минусы автомобиля
- Уровень безопасности водителя и пассажиров не соответствует современным требованиям;
- Низкая комфортность;
- Повышенный расход топлива;
- Наружная обшивка кузова подвержена чрезмерной коррозии.
Подводя итоги
Этот автомобиль — хорошая рабочая лошадка для повседневных задач. При желании и финансовой доступности успешно модернизируется как технически, так и внешне. В этом случае «буханка» становится удовольствием для любителей охоты, рыбалки и путешествий, позволяя добраться до труднодоступных мест.
УАЗ-452 вид спереди
Отсутствие дефицитных запчастей, достаточно простой ремонт и обслуживание — залог поддержания машины в надежном состоянии.
УАЗ-452 фото
О книге : Инструкция. Издание 1976 года.
Формат книги : pdf файл в zip архиве
Страницы : 129
Язык : Русский
Размер : 6,5 мб.
Скачать : бесплатно, без ограничений и без паролей
Настоящее руководство по эксплуатации автомобилей УАЗ-452 предназначено для персонала, непосредственно связанного с эксплуатацией и хранением автомобилей УАЗ-452 и его модификаций.Автомобили семейства УАЗ-452 проходимости с передним и задним ведущими мостами предназначены для эксплуатации на дорогах всех классов. Ульяновский автомобильный завод выпускает автомобили следующих моделей:
Фургоны УАЗ-452 и УАЗ-452Е , предназначенные для перевозки промышленных и пищевых продуктов. Цельнометаллический закрытый кузов вагонного типа разделен перегородкой на кабину водителя и грузовой отсек. Погрузка и разгрузка могут производиться через боковые и задние двустворчатые двери.Автомобиль-фургон УАЗ-452Е отличается от автомобиля только экранированным электрооборудованием.
Санитарные автомобили УАЗ-452А и УАЗ-452АЕ предназначены для перевозки больных и обслуживания пунктов скорой помощи. У них такой же кузов, как у фургона, с санитарным отсеком, отделенным перегородкой. Санитарный отсек имеет боковые и задние двустворчатые двери. Носилки допускаются через черный ход. Автомобиль УАЗ-452АЭ имеет экранированное электрооборудование.
Автобус УАЗ-452В рассчитан на перевозку 10 пассажиров, не считая водителя.Посадка пассажиров осуществляется через боковую дверь салона кузова.
Грузовые автомобили УАЗ-452Д и УАЗ-452ДЭ предназначены для широкого использования при перевозках народнохозяйственных грузов. Кабина водителя — двухместная, цельнометаллическая, двухдверная, закрытого типа. Платформа деревянная, с тремя откидными бортами. Автомобиль имеет экранированное электрооборудование.
Для того, чтобы в полной мере использовать все качества автомобилей, необходимо соблюдать все требования, изложенные в данном Руководстве.Особенно важны заводские инструкции по обкатке, которые во многом определяют срок службы автомобиля.
1. Перед подготовкой автомобиля к эксплуатации водитель и механик должны полностью изучить данное руководство.
2. Если автомобиль находился на хранении, то необходимо выполнить работу, указанную в подразделе «Снятие автомобиля с хранения».
3. Для нормальной работы двигателя требуется бензин марки А-72 или А-76. При работе с этилированным бензином следует учитывать, что он сильно ядовит и вызывает отравление.Этилированный бензин окрашен в желто-оранжевый или сине-зеленый цвет, чтобы отличить его от обычного бензина.
4. Воду из системы охлаждения необходимо слить через два крана при снятой пробке радиатора и открытом кране отопителя.
5. После запуска холодного двигателя не сразу же запускайте высокие обороты. Не начинайте движение с холодным двигателем. Температура охлаждающей жидкости должна поддерживаться в пределах 80-90 градусов Цельсия.
6. При движении по сухой твердой дороге выключите передний ведущий мост, а при длительной езде по сухой твердой дороге рекомендуется выключить передние колеса.Когда передние колеса выключены, нельзя включать передний ведущий мост.
7. Для лучшей обкатки деталей двигателя и ходовой части в течение первой тысячи километров пробега (в период обкатки автомобиля) необходимо неукоснительно выполнять все указания подраздела «Обкатка на новом автомобиле» и , в частности, не превышайте скорости, указанные в этом подразделе.
8. Для удобства обслуживания двигателя боковины капота съемные.
9. Необходимо постоянно следить за уровнем воды в радиаторе.Следует помнить, что при включении ТЭН уровень воды в радиаторе понижается. Поэтому после заливки радиатора отопителя необходимо долить воду в систему охлаждения. Нельзя допускать отсутствия воды в верхнем бачке радиатора, так как это приведет к выходу из строя размещенного здесь датчика температуры воды.
10. Завод обращает внимание потребителей на необходимость периодической проверки внешних болтовых креплений и их затяжки как в период обкатки, так и при дальнейшей эксплуатации автомобиля.
Завод постоянно совершенствует конструкцию своих вагонов, в связи с чем вносятся последние конструктивные изменения, не влияющие на правила эксплуатации; не могут быть отражены в данной редакции Инструкций.
Задние мосты такой же конструкции устанавливались на грузовые автомобили вагонной компоновки семейства УАЗ-452 и их модификации. Устройство заднего моста условно можно разделить на картерную, главную передачу, дифференциал и полуоси.
Основные характеристики заднего моста УАЗ-452.
Число зубьев шестерен главного привода:
ведущих — 8
ведомых — 41
— Размеры роликовых подшипников, мм:
передних двухконических, ведущей шестерни — 80х35х57
конических, дифференциала — 90х50х25
задних роликовых подшипников цилиндрических ролики, хвостовик ведущей шестерни — 52x20x15
— Размер сальника ведущей шестерни главной передачи, мм: 68x42X15
— Толщина входящих в комплект прокладок, установленных между торцом картера и крышкой двойника конический подшипник, мм: 0.3, 0,5
— Толщина регулировочных шайб в пакете, устанавливаемом между внутренними кольцами двойного конического подшипника, мм: 0,1, 0,15, 0,25
— Толщина прокладки, установленной в разъеме картера с крышкой, мм: 0,12
— объем заливаемого масла в картер до уровня нижней кромки маслозаливного отверстия, л: 0,75
— Масса заднего моста без колес, кг: 98
Картер и кожухи полуосей заднего моста УАЗ -452.
Картер заднего моста — вертикально разъемный.Он состоит из двух частей, соединенных болтами и гайками со стопорными шайбами. В разъем обеих частей установлена прокладка. В каждую половину картера запрессован кожух полуоси и дополнительно закреплен электрическими заклепками.
К корпусам приварены фланцы встык, на полированные шейки которых запрессованы сальники и установлены подшипники ступиц колес. Подшипники фиксируются гайками и контргайками. На резьбовых концах фланцев имеются пазы прямоугольной формы для стопорной шайбы и стопорной шайбы гаек ступичного подшипника.
На обоих фланцах есть шесть резьбовых отверстий для болтов крепления тормозного щита. Для предотвращения повышения давления заднего моста при его нагреве во время работы на левом кожухе полуоси установлен сапун, соединяющий внутреннюю полость картера с атмосферой.
Главная передача заднего моста УАЗ-452.
Главная передача заднего моста состоит из одной пары косозубых конических шестерен. Зубчатый венец ведущей шестерни выполнен за одно целое с валом, который расположен между передним двойным коническим подшипником и задним цилиндрическим роликоподшипником.Задний подшипник прижимается к концу шестерни, конец которой пронумерован в четырех местах.
В связи с этим при разборке заднего моста необходимо предварительно отсоединить половинки картера и снять дифференциал с ведомой шестерней в сборе. Затем снимите узел ведущей шестерни с подшипниками. При сборке мостовидных протезов все операции нужно производить в обратной последовательности. Несоблюдение этой процедуры неизбежно приведет к поломке заднего цилиндрического роликового подшипника.
Наружное кольцо заднего роликового подшипника устанавливается в отверстие гнезда подшипника картера моста.Передний двойной конический подшипник установлен на переднем конце ведущей шестерни. Внутреннее кольцо подшипника, расположенное у коронной шестерни, прижимается к гладкой шейке шестерни. Внутреннее кольцо другого подшипника устанавливается на шестерню с гарантированно малым зазором, что позволяет легко снимать подшипник при регулировке, а также позволяет обеспечить надежную затяжку внутренних колец.
Наружное кольцо двойного конического подшипника с двумя дорожками качения вдавливается в переднюю часть картера до упора.Между концом наружного кольца двойного конического подшипника и картером установлено кольцо, регулирующее правильное положение ведущей шестерни. Толщина регулировочного кольца может составлять 1,28; 1,33; 1,38; 1,43; 1,48; 1,53 мм.
Снаружи это кольцо фиксируется крышкой, которая крепится к картеру шестью болтами с пружинными шайбами. В этой крышке установлено масляное уплотнение ведущей шестерни, предотвращающее вытекание трансмиссионного масла из картера моста.
Между торцами картера и крышкой подшипника находится пакет картонных прокладок, толщина которых выбрана 1.В 3 раза больше реального расстояния между этими концами. Между внутренним кольцом двойного конического подшипника и крепежным фланцем карданного вала на ведущей шестерне установлено маслосъемное кольцо, имеющее косозубую канавку с левой резьбой.
Детали, закрепленные на шестерне, затягиваются гайкой. Затянутая до отказа гайка фиксируется шплинтом. Фланец соединяет ведущую шестерню с задним концом заднего карданного вала. К этому фланцу приварен штампованный отражатель для защиты сальника от грязи и повреждений.Дистанционное кольцо и регулировочные шайбы расположены между внутренним кольцом двойного конического подшипника для регулировки герметичности подшипника.
Шестерня главной передачи крепится к планетарной коробке передач десятью болтами с помощью фланца с центрирующим отверстием, что обеспечивает ее надежную и правильную посадку на планетарной коробке передач. Фланец ведомой шестерни имеет десять равномерно расположенных отверстий для болтов.
В каждом отверстии предусмотрена эксцентрично расположенная цилиндрическая выемка для помещения в нее головки болта и предотвращения ее вращения при затяжке гайки.Болт ведомой шестерни изготовлен из хромистой стали и подвергнут термообработке. На резьбовую часть болта навинчивается гайка с прорезями и фиксируется шплинтом.
Верхнее отверстие для подачи масла и нижнее отверстие для слива масла просверливаются в горловине картера для смазки двойного конического подшипника. Впускное отверстие для масла находится напротив ведомой шестерни.
При вращении шестерни масло, уносимое ею, закачивается в отверстие для подачи масла, через которое оно подается в канавку на наружном кольце подшипника, а затем через отверстия, расположенные между дорожками качения этого кольца, он входит в полость между внутренними кольцами подшипника и заполняет ее, тем самым обеспечивая его нормальную работу.Масло поступает в картер через канавки в пакете с прокладками и в крышке подшипника, а затем через маслосливное отверстие.
Дифференциал заднего моста УАЗ-452.
Дифференциал состоит из четырех сателлитов, двух боковых шестерен, коробки передач, двух упорных шайб боковых шестерен и двух сателлитов планетарного ряда. На осях сателлитов в их средней части выполнены пазы, которыми оси входят друг в друга, образуя разрезную крестовину. Концы осей жестко закреплены в отверстиях сателлитной коробки.
Зубья сателлитов находятся в постоянном зацеплении с обеими полуосевыми шестернями, которые свободно установлены в отверстиях сателлитной коробки. Шестерни полуосей соединены с полуосями посредством шлицевых соединений. Для лучшей приработки оси шестерен и сателлиты фосфатированы. С этой же целью опорные шайбы боковых шестерен покрывают тонким слоем меди.
Сателлитная коробка состоит из двух половин, отлитых из высокопрочного чугуна и соединенных штифтами и гайками.От поворота гаек они блокируются попарно стопорными шайбами, усики которых загнуты на грани гаек. На обеих половинах коробки передач выполнены канавки для поступления масла во внутреннюю полость для смазки всех трущихся поверхностей деталей дифференциала. Сателлитная коробка вращается на двух конических роликоподшипниках, установленных в картере и крышке картера.
Отверстия для валов шестерни в обеих половинах коробки шестерни обрабатываются вместе. Поэтому на обеих половинах стоит серийный номер.При сборке дифференциала серийные номера обеих половинок должны быть одинаковыми.
Предварительный натяг роликовых подшипников дифференциала регулируется прокладками, расположенными между торцами планетарной коробки передач и внутренними кольцами подшипников дифференциала. Эти же прокладки регулируют положение ведомой шестерни главного привода, то есть величину бокового зазора, а также размер и расположение пятна контакта.
Полуоси заднего моста УАЗ-452.
Полуоси заднего моста полностью ненагруженные, передают только крутящий момент.Один шлицевой конец полуоси соединен с полуосной шестерней, на другом конце — фланец, жестко соединенный со ступицей заднего колеса шестью пальцами и гайками с пружинными шайбами. Фланец оси центрируется на ступице с буртиком.
Техническое обслуживание заднего моста УАЗ-452.
Техническое обслуживание заднего моста УАЗ-452 в процессе эксплуатации заключается в поддержании необходимого уровня и своевременной замене трансмиссионного масла, проверке сальников, своевременном обнаружении осевых зазоров в шестернях главного привода, периодической очистке сапуна и затяжке. все застежки.
Уровень масла в картере моста не должен быть ниже нижнего края маслозаливного отверстия. При замене масло сливается через маслосливное отверстие, расположенное в нижней части картера. Если масло сильно загрязнено или содержит металлические частицы, картер следует промыть керосином перед заливкой свежего масла.
Для промывки заднего моста нужно залить в картер 1-1,5 л керосина, поднять колеса, запустить двигатель, включить передачу и дать двигателю поработать 2-3 минуты, затем сразу слить керосин. и добавьте свежее масло.При своевременном и правильном обслуживании увеличивается срок службы заднего моста.
Устройство и ремонт заднего моста УАЗ
- Устройство и ремонт заднего моста УАЗ
- Устройство заднего моста УАЗ
- Регулировка заднего моста
- Повышенный шум движения
- Капает масло
- Как снять задний мост УАЗ
Задний мост — это механизм станка, который соединяет колеса заднего моста и служит его опорой.Ось крепится к раме машины или к ее корпусу с помощью подвески.
Устройство заднего моста УАЗ
Устройство заднего моста УАЗ включает в себя множество элементов. Основные части конструкции: дифференциал, полуоси, коробка передач.
Дифференциал по устройству может быть с одинарной главной передачей и с дополнительным приводом на колеса. Регуляторы колес передают крутящий момент на ступицы, они расположены на концах вала. Колесные подшипники поддерживаются корпусом регулятора.
Коробки передач предназначены для обеспечения дорожного просвета, выглядят как зацепленные шестерни. Главная шестерня состоит из конического зуба, подшипникового узла, шестерни и привода с четырьмя сателлитами … Сателлиты обеспечивают плавное переключение передач.
Картер — емкость для смазки , имеет два отверстия. Смазка необходима для регулятора колеса. Задняя опора гидротрансформатора включает кожух, грязезащитный кожух, картеры моста. Ведомый задний редуктор расположен на валу.Редуктор закреплен в пазах вала, его концы снабжены муфтами.
Регулировка заднего моста
Детали заднего привода регулируются в случае поломки и замены. В этом случае особенно важен редуктор заднего моста , его проверка и регулировка.
При регулировке выполняются следующие действия: проверяется люфт дифференциала между коробкой передач и кольцами ( требуемый размер 3,5 — 4 мм ), после прикрытия дифференциала прокладкой, крышка бачка.Подшипники перекатываются в правильное положение.
Проверены подшипники шестерни задней шестерни: детали направляющей закреплены на ведомой шестерне, хвостовые части притерты, проверены узлы роликов и прокладки между кольцами. Проверяется крепление главной передачи.
При проверке и отладке зубчатого колеса продольный люфт не подходит. Для уменьшения натяжения между подшипниками можно добавить проставки. После настройки и установки все запчасти разбираются.Для регулировки люфта и расположения шестерни главного привода в теплообменнике на стыке с крышкой устанавливают конструкцию с отрегулированными подшипниками и прокладкой. Между зубьями шестерни устанавливается расстояние от 2 до 6 мм.
Между клапаном подшипникового узла, колесом и опорой следует поместить набор прокладок. Зазор (заданная толщина) не должен превышать 1,3. Подшипниковый узел с буртиком привинчен. В масляном поддоне устанавливается дифференциал, затем сальники.Осмотрите фланец кардана и выпускные отверстия для масла. Замените все изношенные детали на новые.
Возможные причины неисправностей и их устранение
Повышенный шум при движении
Причин слышимости шума при движении или повороте автомобиля может быть несколько. Внимательно осмотрите задний мост УАЗа, все детали устройства.
Изношены зубья шестерен главной передачи. В этом случае не рекомендуется регулировать положение деталей: шестерня может заклинивать.Неисправные детали подлежат замене. Проблема в подшипниках шестерни или шестерни дифференциала. В обоих случаях детали меняются.
Ослабленная опора ведущей шестерни с дифференциалом. Затяните крепежные болты.
Ослаблены подшипники ведущей шестерни … Затяните гайку до упора.
Плохое зацепление шестерен главной передачи … Если нет износа зубьев, отрегулируйте до метки контакта.
Отсутствие масла в картере. Пополните необходимую сумму.
Стук при нажатии на педаль газа
При появлении скрипов и шума при поворотах или пробуксовке осмотрите все детали дифференциала, замените неработающие на новые. Сильный стук при нажатии на педаль, регулирующая дроссельная заслонка, указывает на износ деталей главной передачи или дифференциала, их необходимо заменить.
Если шлицы полуосей непригодны — замените полуоси.
Подтекает масло
Есть несколько причин утечки масла.
Изношены детали карданного вала: сальник или фланец … Детали изменить.
Избыточное масло в картере. Проверить уровень смазки, слить излишки.
Если предохранительный клапан загрязнен — его необходимо очистить.
Деформированная прокладка и плохое крепление крышки картера … Прокладку необходимо заменить, крепление необходимо подтянуть.
Как снять задний мост УАЗ
Работы по снятию заднего моста УАЗ в ремонт проводить на подъемнике, желательно вместе. Последовательность действий следующая:
После осмотра и ремонта агрегат собран. Крепление лестницы затягивается после установки колес.
Сборка и разборка заднего моста на УАЗ
Для сборки заднего моста необходимо внимательно выполнить следующую последовательность действий:
- Установить набор регулировочных шайб между крышкой переднего подшипника главной передачи и картером двигателя.
- Установите крышку и кольцо в сборе и затяните болтами.
- Наденьте фланец и шайбу, затяните гайку до совпадения ее отверстий с пазами хвостовика шестерни, после чего необходимо зашплинтовать.
- Установить дифференциал всеми его деталями в картер моста, между картером и крышкой нужна прокладка. Крышка должна быть в таком положении, чтобы пружинные подушки находились в верхнем положении по отношению к оси.
- Затяните крепеж.
- Проверните ведущую шестерню, чтобы проверить, не застревает ли она в уже собранной оси.
Регулировки и проверки должны выполняться регулярно, не приводя к ремонту. Проверить сальники, уровень масла, чистоту клапана, все детали в исправном состоянии.
Своевременно устранять люфты шестерен. Хорошее состояние вашего автомобиля — ваша безопасность.
Подпишитесь на наши ленты в Facebook, ВКонтакте и Instagram: все самые интересные автомобильные события в одном месте.
Об УАЗ
Устройство этого узла
Советский внедорожник УАЗ 469, выпускаемый Ульяновским автомобильным заводом, по-своему уникален.Схема заднего моста машины представлена на рис. 1. В конструкцию входят следующие основные узлы и агрегаты:
- 1 — защитный кожух;
- 2 — подшипник качения дифференциала;
- 3, 8 — автокорректирующие прокладки;
- 4 — хвостовая часть опоры ведущей шестерни;
- 5 — корректирующее кольцо;
- 6 — держатель перегонки масла;
- 7 — гайка;
- 9 — передняя шестерня заднего моста;
- 10 — опора головки подшипника;
- 11 — шайба гидроопорная вала полуоси шестерни;
- 12 — зубчатый элемент.
Устройство и устранение поломок заднего моста
Задний мост — опора, внутри него главная передача полуоси, дифференциал. Может быть двух категорий: с одинарной главной передачей или с дополнительным приводом на колеса. Регуляторы колес, которые создают крутящий момент и передают его ступицам проводящих колес, расположены на концах балки.
Подшипники качения колес поддерживаются корпусами регуляторов. Колесные редукторы имеют большой дорожный просвет и представляют собой шестерни с внутренним зацеплением.Главная передача — коническая, со спиральным зубом, подшипниковый узел, имеющий главную шестерню и конический привод с 4-мя сателлитами. Сателлит представляет собой шестерню, которая компактна, проста, редко ломается, способствует быстрому и легкому переключению передач.
Картер имеет сливное и заливное отверстие и содержит определенное количество масла для смазки гидравлического регулятора колеса.
Задняя опора гидротрансформатора разъединенная и состоит из таких элементов, как крышка, защита от загрязнений, запрессованные кожухи полуоси.Его габариты уменьшены, передаточное число до 2,77.
Редуктор ведомого заднего моста установлен на валу. Он устанавливается в роликовый подшипник и втулку, затягивается гайкой и фиксируется в пазу вала. Концы валов коробки передач имеют подвижные муфты, которые помогают группироваться, при необходимости отделяя валы от ступиц колес.
При отключенных муфтах УАЗ 469 становится заднеприводным. Это полезно на хороших дорогах с твердым покрытием. При движении по бездорожью отключение нецелесообразно.Возможно отсоединение и повторное подсоединение ступиц с начала работы быстродействующей муфты или кулачка ступицы. В этом случае не требуется лазить под днищем автомобиля.
Особенности демонтажа узла
При снятии заднего моста необходимо открутить гайку хвостового устройства, выбросить шайбу, контрфланец, крышку узла передней роликовой шестерни, выпрессовать сборочную шестерню с подшипниками сзади маслоохладитель автомобиля.
Эта схема отлично подходит для разбора дифференциального устройства.Следующим шагом откручиваем шлицы, соединяющие ведомую шестерню со сателлитной коробкой, переставляем ее. Разделите обе части коробки, вытащите шестерни, штоки планетарных колес, опорные гайки. Оценивая разборку, обратите внимание на целостность зубьев шестерни. Если они повреждены, деталь необходимо заменить. Для снятия роликов, внешнего и внутреннего колец потребуются специальные инструменты. Внимательно изучите и поймите последовательность разборки, чтобы точно выполнять все действия в порядке, обратном сборке.
При осмотре маслосъемного кольца проверьте наличие неровностей поверхности. Если да, обработайте до толщины 5 мм. То же — с фланцем кардана. Высота шлифования до 53 мм. Промойте защитные поверхности. Продуть маслопроводы. Детали конструкции привода, полуоси заменить, если есть потертости, сильный износ.
Нюансы установки и регулировки
Сборка (схема) дифференциальной конструкции привода осуществляется следующим образом.
- Подключение обоих ящиков сателлитов в зависимости от серийного номера кузова.
- В левую сателлитную коробку вставляется крестовина.
- Поместите сборочную шестерню в левый ящик.
- Смажьте дифференциалы (ведущие шестерни, сателлиты, оси, упорные шайбы) трансмиссионным маслом.
- Зафиксируйте шейки зубчатых колец полуосей опорными шайбами.
- Сателлиты необходимо закрепить на оси отключаемой траверсы.
- Проделайте те же действия с правым ящиком.
- Затяните детали коробки, войдите в ведомое колесо базовой шестерни.
Мастер проходит через блок
Проверните шестерни полуосей навесного дифференциала шлицами с усилием не более 59 Н.
Регулировка элементов конструкции привода осуществляется при их замене .
- Закрепите внутренние кольца подшипниковых узлов дифференциала на шейках, осевой люфт между коробкой и кольцами должен приближаться к 3,5-4,0 мм.
- Установленный модульный дифференциал закрывается автопрокладкой, крышкой бачка.Закатайте подшипники, чтобы установить правильное положение. Закрепите крышку теплообменника.
Установка и регулировка шаровых опор заднего токопроводящего редуктора.
- Крепление направляющих элементов к главной передаче.
- Притирка хвостовой части с направляющим элементом.
- Расположение проставок и распорок роликового узла между внутренними кольцами.
- Главный крепеж регулировочного кольца главной передачи.
Все промежуточные действия, штамповка показаны схемой на рис.2. На данной схеме более подробно описаны все нюансы.
- При регулировке шестерни головного узла не должно быть продольного люфта, пружинный динамометр покажет силу. Показатели для новых деталей — 15-30 Н, для изношенных — 20-35 Н. Для уменьшения натяжения при установке подшипников могут быть добавлены проставки. Чтобы увеличить — уберите.
- Исправление подошло к концу, все детали фиксируем на местах, скрепляем качественными шплинтами.
Регулировка люфта и положения центральной шестерни трансмиссии осуществляется следующим образом.
- Потенциал устанавливается в теплообменнике с хорошо отрегулированными подшипниками качения в сборе, прокладкой их отделения от крышки, укрепленной болтом.
- Расстояние между обоими зубьями установлено: 0,2-0,6 мм. Люфт регулируется с учетом количества сальников ведомой шестерни: при уменьшении их количества необходимо увеличение зазора, и наоборот. При перестановке прокладок натяжение потенциальных элементов не нарушается только тогда, когда количество прокладок не меняется.
- Схема зацепления шестерен по пятну контакта представлена на рис. 3.
Практически все внедорожники ульяновского производства оснащены раздаточной коробкой. УАЗ («буханка») не исключение. Несмотря на некрасивый внешний вид, эта машина способна на многое. Это любимая машина охотников, рыбаков и любителей туризма. Распределительная коробка на УАЗ («буханка»), устройство которой мы рассмотрим в этой статье, необходима для распределения крутящего момента на все мосты и механизмы привода.Об этом и поговорим в сегодняшней статье.
Распределительное устройство УАЗ-452
Автомобили УАЗ-452 состоят из приводных валов ведущих мостов, промежуточных осей и пяти передач. Все эти агрегаты размещены в чугунном картере. Его разъем перпендикулярен осям валов. Большая часть деталей соединена с крышкой картера. При сборке / разборке коробки они хорошо видны. Их удобно снимать или устанавливать.
Этот агрегат такой, что передачи включаются в работу только при подключении переднего ведущего моста.Если задействована только ось, весь крутящий момент, снимаемый с ведущего вала трансмиссии, будет передаваться на задний ведущий вал. Конец вторичной шестерни коробки передач используется как ведущий вал.
Карданный вал заднего моста
Из чего состоит распределительная коробка на УАЗ, какие особенности? Этот вал поддерживается двумя шарикоподшипниками. Для защиты элемента от осевого перемещения он опирается на задний подшипник с упорной шайбой и крышкой. К передней части вала прикреплена шестерня.Его внутренняя корона имеет прорези. Эта шестерня предназначена для привода переднего ведущего моста. Внутренние шлицы необходимы для включения прямого привода в раздаточной коробке.
Винтовая передача также установлена на шлицах между подшипниками. Он служит приводом для спидометра. Задняя часть вала соединена с карданом через фланец с гайкой с коническим выступом. Если затянуть эту гайку, ее конический выступ войдет в одну из канавок с резьбой и застрянет.
Промежуточный вал
Этот элемент также удерживается в коробке двумя подшипниками. Валик используется как передний. Радиального типа. Держатель, в котором находятся ролики, вдавливается в корпус. Он скрыт заглушкой. Внутреннее кольцо установлено непосредственно на валу. Второй подшипник (задний) удерживается на промежуточном валу гайкой. Элемент снабжен упорным кольцом, которое служит для его фиксации, а также для фиксации вала в корпусе. Наружная часть подшипника снабжена крышкой.Промежуточный вал представляет собой единое целое с редуктором. Также на нем есть шлицы для установки шестерни. Он позволяет задействовать задний ведущий мост.
Распределитель УАЗ («буханка») — устройство приводного вала переднего моста
Данная коробка передач также оснащена этим валом. Устанавливается в механизм на двух опорах. Последние представляют собой шариковые подшипники. Для фиксации вала в осевом направлении на нем устанавливается задний подшипник. Устанавливается так же, как на промежуточном валу.
Передняя опора не фиксируется в кузове фургона. Элемент крепится к валу с помощью фланца карданного вала. Элемент привода переднего моста представляет собой неразъемную деталь вместе с шестерней. Лицевая часть имеет прорези. Они используются для соединения вала с фланцем карданного вала.
Gears
Из каких еще элементов состоит раздаточный материал? УАЗ («буханка»), раздаточное устройство которого описано в статье, оснащен шестернями с прямым зубом.Лидер имеет возможность перемещаться по шлицам вторичного вала коробки передач. У этой шестерни два обода. Один из них — шлицы эвольвентного типа. Они используются для подключения прямого привода через внутренний обод ведущего вала заднего ведущего моста. Когда водитель входит в зацепление, эта шестерня входит в зацепление с шестерней на промежуточном валу.
Что еще особенного в этом раздаточном материале? УАЗ, раздаточное устройство которого мы сейчас рассматриваем, оснащен редуктором для поворота на переднюю ось автомобиля.Он установлен таким образом, что может перемещаться по шлицам, расположенным на промежуточном валу. При выключенном переднем мосте шестерня с валом выключена. Одновременно он входит в зацепление с приводным валом задней оси. Эта функция значительно упрощает переключение передач и способствует лучшей смазке. Когда промежуточный вал вращается, шестерня орошает маслом все детали.
Картер раздаточной коробки УАЗ
Картер и его крышка соединяются с коробкой шпильками и гайками.Отверстия для подключения расположены по всему периметру. Их точность и совместимость обеспечивается двумя трубчатыми штифтами. Обработайте картер и его крышку вместе. Эти детали нельзя заменить на другие от других картеров. Передняя часть имеет точно обработанную поверхность и фланец для крепления раздаточной коробки к коробке передач.
Картер имеет верхнее отверстие. В него путем нажатия устанавливается упорное стекло. Последний упирается во внешнюю часть двухрядного радиально-упорного подшипника, который установлен на приводном валу.В верхней части картера есть люк. Закрывается крышкой.
Люк предназначен для крепления коробки отбора мощности. На наклонной поверхности картера сверху имеется отверстие для установки рычагов управления, а также штоков системы управления раздаточной коробкой. Люк для заливки и слива жира закрывается коническими резьбовыми пробками.
Устройство коммутационного механизма
Итак, мы разобрали, как устроена раздатка УАЗ. Устройство дозатора практически не отличается от ящиков на других автомобилях.Теперь посмотрим, что такое механизм переключения.
Таким образом, система коммутации состоит из нескольких основных узлов. Это штоки вилки переключения передач, которые фиксируются в крышке картера стопорной пластиной. Также в устройстве есть вилки для включения переднего ведущего моста и те шестерни, которые могут перемещаться по тягам. В корпусах вилок есть специальные розетки. Здесь устанавливаются пружины и стопорные шарики.
В процессе движения по штоку каждая из вилок фиксируется на нем специальным фиксатором.На нижних частях есть специальные выступы, которые входят в пазы шестерен. Верхние части имеют прямоугольные выемки. С их помощью вилка соединяется с рычагами переключения передач. Что еще особенного в раздаточном материале? УАЗ («буханка»), коробка передач которого мы рассматриваем, сделан таким образом, что рычаги переключения передач расположены в отдельных крышках. Детали расположены на наклонном люке картера и крепятся к штоку при помощи пальцев.
Передние концы штока снабжены штифтами, с помощью которых они соединяются со штангами.Отверстия под шток уплотнены в передней части крышки. Сзади они закрываются сферическими заглушками. Между стержнями есть небольшой шарик. Он служит замком. Механизм предотвращает включение водителя до тех пор, пока не будет подключен передний ведущий мост. Таким образом, был сделан раздаточный УАЗ («буханка»). Устройство его не сложное. Механизм достаточно надежный и ремонтопригодный, по отзывам автовладельцев.
Управление распределителем
Управлять работой можно с помощью рычагов.Эти рычаги расположены справа от водителя в кабине. Их двое. Верхний используется для включения и отключения переднего ведущего моста. Этот рычаг работает только в двух положениях. Верхний включает мост, а нижний — выключает.
Нижний нужен для переключения передач. Его можно установить в трех положениях — водитель выбирает прямое, нейтральное (среднее положение) и низкое. Вот как включается раздатка. УАЗ («буханка»), устройство коробки которого мы рассматривали, имеет еще одну особенность.Следует отметить, что передний мост предназначен только для использования транспортного средства в сложных условиях. Это может быть грязь, песок, снег или любая другая ситуация.
Эксплуатационные проблемы
У начинающих водителей могут возникнуть трудности с автомобилем УАЗ («буханка»). Проблемы при включении переднего моста связаны с тем, что многие просто не знают, как на самом деле работает этот механизм. На время преодоления сложных участков необходимо включать ступицы колес. После поворота их в положение полного привода передняя ось включается только после того, как колесо сделает 1.5 оборотов без пробуксовки.
Техническое обслуживание и ремонт
Вот что такое раздатка УАЗ. Устройство, его ремонт просты, а в обслуживании неприхотливы, о чем свидетельствуют отзывы владельцев. Рекомендуем регулярно проверять уровень масла и осматривать каждое крепление. Также необходимо смазать оси рычагов и отрегулировать передние тяги. В этом поле больше нет настроек.
Раздаточная коробка автомобиля УАЗ-452 пользуется большой популярностью среди любителей внедорожной техники.Отзывы о ней только положительные. Его очень легко ремонтировать и обслуживать, а запчасти можно купить уже сейчас.
Устройство и принцип управления распределительной коробкой Плюсы и минусы
Задние мосты такой же конструкции устанавливались на грузовые автомобили вагонной компоновки семейства УАЗ-452 и их модификации. Устройство заднего моста условно можно разделить на картерную, главную передачу, дифференциал и полуоси.
Основные характеристики заднего моста УАЗ-452.
Число зубьев шестерен главного привода:
ведущих — 8
ведомых — 41
— Размеры роликовых подшипников, мм:
передних двухконических, ведущей шестерни — 80х35х57
конических, дифференциала — 90х50х25
задних роликовых подшипников цилиндрических ролики, хвостовик ведущей шестерни — 52x20x15
— Размер сальника ведущей шестерни главной передачи, мм: 68x42X15
— Толщина входящих в комплект прокладок, установленных между торцом картера и крышкой двойного конический подшипник, мм: 0.3, 0,5
— Толщина регулировочных шайб в пакете, устанавливаемом между внутренними кольцами двойного конического подшипника, мм: 0,1, 0,15, 0,25
— Толщина прокладки, установленной в разъеме картера с крышкой, мм: 0,12
— объем заливаемого масла в картер до уровня нижней кромки маслозаливного отверстия, л: 0,75
— Масса заднего моста без колес, кг: 98
Картер и кожухи полуосей заднего моста УАЗ -452.
Картер заднего моста — вертикально разъемный.Он состоит из двух частей, соединенных болтами и гайками со стопорными шайбами. В разъем обеих частей установлена прокладка. В каждую половину картера запрессован кожух полуоси и дополнительно закреплен электрическими заклепками.
К корпусам приварены фланцы встык, на полированные шейки которых запрессованы сальники и установлены подшипники ступиц колес. Подшипники фиксируются гайками и контргайками. На резьбовых концах фланцев имеются пазы прямоугольной формы для стопорной шайбы и стопорной шайбы гаек ступичного подшипника.
На обоих фланцах есть шесть резьбовых отверстий для болтов крепления тормозного щита. Для предотвращения повышения давления заднего моста при его нагреве во время работы на левом кожухе полуоси установлен сапун, соединяющий внутреннюю полость картера с атмосферой.
Главная передача заднего моста УАЗ-452.
Главная передача заднего моста состоит из одной пары косозубых конических шестерен. Зубчатый венец ведущей шестерни выполнен за одно целое с валом, который расположен между передним двойным коническим подшипником и задним цилиндрическим роликоподшипником.Задний подшипник прижимается к концу шестерни, конец которой пронумерован в четырех местах.
В связи с этим при разборке заднего моста необходимо предварительно отсоединить половинки картера и снять дифференциал с ведомой шестерней в сборе. Затем снимите шестерню и подшипник в сборе. При сборке мостовидных протезов все операции нужно производить в обратной последовательности. Несоблюдение этой процедуры неизбежно приведет к поломке заднего цилиндрического роликового подшипника.
Наружное кольцо заднего роликового подшипника устанавливается в отверстие гнезда подшипника картера моста.Передний двойной конический подшипник установлен на переднем конце ведущей шестерни. Внутреннее кольцо подшипника, расположенное у коронной шестерни, прижимается к гладкой шейке шестерни. Внутреннее кольцо другого подшипника устанавливается на шестерню с гарантированно малым зазором, что позволяет легко снимать подшипник при регулировке, а также позволяет обеспечить надежную затяжку внутренних колец.
Наружное кольцо двойного конического подшипника с двумя дорожками качения вдавливается в переднюю часть картера до упора.Между концом наружного кольца двойного конического подшипника и картером установлено кольцо, регулирующее правильное положение ведущей шестерни. Толщина регулировочного кольца может составлять 1,28; 1,33; 1,38; 1,43; 1,48; 1,53 мм.
С внешней стороны это кольцо фиксируется крышкой, которая шестью болтами со стопорными шайбами крепится к картеру. В этой крышке установлено масляное уплотнение ведущей шестерни для предотвращения утечки трансмиссионного масла из корпуса моста.
Между торцами картера и крышкой подшипника находится пакет картонных прокладок, толщина которых выбрана 1.В 3 раза больше реального расстояния между этими концами. Между внутренним кольцом двойного конического подшипника и крепежным фланцем карданного вала на ведущей шестерне установлено маслосъемное кольцо, имеющее косозубую канавку с левой резьбой.
Детали, установленные на ведущей шестерне, стянуты гайкой. Затянутая до отказа гайка фиксируется шплинтом. Фланец соединяет ведущую шестерню с задним концом заднего карданного вала. К этому фланцу приварен штампованный отражатель для защиты сальника от грязи и повреждений.Дистанционное кольцо и регулировочные шайбы расположены между внутренним кольцом двойного конического подшипника и регулируют герметичность этого подшипника.
Шестерня главной передачи крепится к планетарной коробке передач десятью болтами с помощью фланца с центрирующим отверстием, что обеспечивает ее надежную и правильную посадку на планетарной коробке передач. Фланец ведомой шестерни имеет десять равномерно расположенных отверстий для болтов.
В каждом отверстии имеется эксцентрично расположенная цилиндрическая выемка для размещения головки болта и предотвращения ее поворота при затягивании гайки.Болт ведомой шестерни изготовлен из хромистой стали и подвергнут термообработке. На резьбовую часть болта навинчивается гайка с прорезями и фиксируется шплинтом.
Верхнее отверстие для подачи масла и нижнее отверстие для слива масла просверливаются в горловине картера для смазки двойного конического подшипника. Впускное отверстие для масла находится напротив ведомой шестерни.
При вращении шестерни увлеченное ею масло перекачивается в отверстие для подачи масла, через которое оно подается в канавку на наружном кольце подшипника, а затем через отверстия, расположенные между дорожками качения этого кольца, оно входит в полость между внутренними кольцами подшипника и заполняет ее, тем самым обеспечивая его нормальную работу.Масло поступает в картер через канавки в пакете прокладок и в крышке подшипника, а затем через маслосливное отверстие.
Дифференциал заднего моста УАЗ-452.
Дифференциал состоит из четырех сателлитов, двух боковых шестерен, коробки передач, двух упорных шайб боковых шестерен и двух сателлитов планетарного ряда. На осях сателлитов в их средней части выполнены пазы, которыми оси входят друг в друга, образуя разрезную крестовину. Концы осей жестко закреплены в отверстиях сателлитной коробки.
Зубья сателлитов находятся в постоянном зацеплении с обеими полуосевыми шестернями, которые свободно установлены в отверстиях сателлитной коробки. Шестерни полуосей соединены с полуосями посредством шлицевых соединений. Для лучшей приработки оси шестерен и сателлиты фосфатированы. С этой же целью опорные шайбы боковых шестерен покрывают тонким слоем меди.
Сателлитная коробка состоит из двух половин, отлитых из высокопрочного чугуна и соединенных штифтами и гайками.От поворота гаек они блокируются попарно стопорными шайбами, усики которых загнуты на грани гаек. На обеих половинах коробки передач выполнены канавки для поступления масла во внутреннюю полость для смазывания всех трущихся поверхностей деталей дифференциала. Сателлитная коробка вращается на двух конических роликоподшипниках, установленных в картере и крышке картера.
Отверстия для валов шестерни в обеих половинах коробки шестерни обрабатываются вместе. Поэтому на обеих половинах стоит серийный номер.При сборке дифференциала серийные номера обеих половинок должны быть одинаковыми.
Предварительный натяг роликовых подшипников дифференциала регулируется прокладками, расположенными между торцами планетарной коробки передач и внутренними кольцами подшипников дифференциала. Эти же прокладки регулируют положение ведомой шестерни главного привода, то есть величину бокового зазора, а также размер и расположение пятна контакта.
Полуоси заднего моста УАЗ-452.
Полуоси заднего моста полностью ненагруженные, передают только крутящий момент.Один шлицевой конец полуоси соединен с шестерней полуоси, на другом конце — фланец, жестко соединенный со ступицей заднего колеса шестью шпильками и гайками с пружинными шайбами. Фланец оси центрируется относительно ступицы с помощью заплечика.
Техническое обслуживание заднего моста УАЗ-452.
Техническое обслуживание заднего моста УАЗ-452 в процессе эксплуатации заключается в поддержании необходимого уровня и своевременной замене трансмиссионного масла, проверке сальников, своевременном обнаружении осевых зазоров в шестернях главного привода, периодической очистке сапуна и затяжке. все застежки.
Уровень масла в картере моста не должен быть ниже нижнего края маслозаливного отверстия. При замене масло сливается через маслосливное отверстие, расположенное в нижней части картера. Если масло сильно загрязнено или содержит металлические частицы, картер следует промыть керосином перед заливкой свежего масла.
Для промывки заднего моста нужно залить в картер 1-1,5 л керосина, поднять колеса, запустить двигатель, включить передачу и дать двигателю поработать 2-3 минуты, затем сразу слить керосин. и добавьте свежее масло.При своевременном и правильном обслуживании увеличивается срок службы заднего моста.
Устройство и ремонт заднего моста УАЗ
- Устройство и ремонт заднего моста УАЗ
- Устройство заднего моста УАЗ
- Регулировка заднего моста
- Повышенный шум при движении
- Капает масло
- Как снять задний мост УАЗ
Задний мост — это механизм станка, который соединяет колеса заднего моста и служит его опорой.Ось крепится к раме машины или к ее корпусу с помощью подвески.
Устройство заднего моста УАЗ
Устройство заднего моста УАЗ включает в себя множество элементов. Основные части конструкции: дифференциал, полуоси, коробка передач.
Дифференциал по устройству может быть с одинарной главной передачей и с дополнительным приводом на колеса. Регуляторы колес передают крутящий момент на ступицы, они расположены на концах вала. Колесные подшипники поддерживаются корпусом регулятора.
Редукторы предназначены для обеспечения дорожного просвета, выглядят как зацепленные шестерни. Главная шестерня состоит из конического зуба, подшипникового узла, шестерни и привода с четырьмя сателлитами … Сателлиты обеспечивают плавное переключение передач.
Картер — емкость для смазки , имеет два отверстия. Смазка необходима для регулятора колеса. Задняя опора гидротрансформатора включает кожух, грязезащитный кожух, картеры моста. Ведомый задний редуктор расположен на валу.Редуктор закреплен в пазах вала, его концы снабжены муфтами.
Регулировка заднего моста
Детали заднего привода регулируются при поломке и замене. В этом случае особенно важен редуктор заднего моста , его проверка и регулировка.
При регулировке выполняются следующие действия: проверяется люфт дифференциала между коробкой передач и кольцами ( требуемый размер 3,5 — 4 мм ), после прикрытия дифференциала прокладкой, крышка бачка.Подшипники перекатываются в правильное положение.
Проверены подшипники шестерни заднего редуктора: детали направляющей закреплены на ведомой шестерне, хвостовые части притерты, проверены роликовые агрегаты и прокладки между кольцами. Проверяется крепление главной передачи.
При проверке и отладке зубчатого колеса продольный люфт не подходит. Для уменьшения натяжения между подшипниками можно добавить проставки. Все запчасти после регулировки и установки подвергаются шплинту.Для регулировки люфта и расположения шестерни главной передачи в теплообменнике в месте стыка с крышкой устанавливают конструкцию с отрегулированными подшипниками и прокладкой. Между зубьями шестерни устанавливается расстояние от 2 до 6 мм.
Между клапаном подшипникового узла, колесом и опорой следует поместить набор прокладок. Зазор (заданная толщина) не должен превышать 1,3. Подшипниковый узел с буртиком привинчен. В масляном поддоне устанавливается дифференциал, затем сальники.Осмотрите фланец кардана и выпускные отверстия для масла. Замените все изношенные детали на новые.
Возможные причины неисправностей и их устранение
Повышенный шум при движении
Причин появления слышимого шума при движении или при повороте автомобиля может быть несколько. Внимательно осмотрите задний мост УАЗа, все детали устройства.
Изношены зубья шестерен главной передачи. В этом случае не рекомендуется регулировать положение деталей: шестерня может заклинивать.Неисправные детали подлежат замене. Проблема в подшипниках шестерни или шестерни дифференциала. В обоих случаях детали меняются.
Ослабленная опора ведущей шестерни с дифференциалом. Затяните крепежные болты.
Ослаблены подшипники ведущей шестерни … Затяните гайку до упора.
Плохое зацепление шестерен главной передачи … Если нет износа зубьев, отрегулируйте до метки контакта.
Отсутствие масла в картере. Пополните необходимую сумму.
Стук при нажатии на педаль газа
При появлении скрипов и шума при поворотах или пробуксовке осмотрите все детали дифференциала, замените неработающие на новые. Сильный стук при нажатии на педаль, регулирующая дроссельная заслонка, указывает на износ деталей главной передачи или дифференциала, их необходимо заменить.
Если шлицы полуосей непригодны — замените полуоси.
Подтекает масло
Есть несколько причин утечки масла.
Изношены детали карданного вала: сальник или фланец … Детали изменить.
Избыточное масло в картере. Проверить уровень смазки, слить излишки.
Если предохранительный клапан загрязнен — его необходимо очистить.
Деформированная прокладка и плохое крепление крышки картера … Прокладку необходимо заменить, крепление необходимо подтянуть.
Как снять задний мост УАЗ
Работы по снятию заднего моста УАЗ в ремонт проводить на подъемнике, желательно вместе. Последовательность действий следующая:
После осмотра и ремонта агрегат собран. Крепление лестницы затягивается после установки колес.
Сборка и разборка заднего моста на УАЗ
Для сборки заднего моста необходимо внимательно выполнить следующую последовательность действий:
- Установить набор регулировочных шайб между крышкой переднего подшипника главной передачи и картером двигателя.
- Установить крышку в сборе с хомутом и затянуть болтами.
- Наденьте фланец и шайбу, затяните гайку до совпадения ее отверстий с пазами хвостовика шестерни, после чего необходимо зашплинтовать.
- Установить дифференциал всеми его деталями в картер моста, между картером и крышкой нужна прокладка. Крышка должна быть в таком положении, чтобы пружинные подушки находились в верхнем положении по отношению к оси.
- Затяните крепеж.
- Проверните шестерню, чтобы увидеть, не застревает ли она в уже собранной оси.
Регулировки и проверки должны выполняться регулярно, не приводя к ремонту. Проверить сальники, уровень масла, чистоту клапана, все детали в исправном состоянии.
Своевременно устранять люфты шестерен. Хорошее состояние вашего автомобиля — ваша безопасность.
Подпишитесь на наши ленты в Facebook, ВКонтакте и Instagram: все самые интересные автомобильные события в одном месте.
Об УАЗ
Устройство этого узла
Советский внедорожник УАЗ 469, выпускаемый Ульяновским автомобильным заводом, по-своему уникален.Схема заднего моста машины представлена на рис. 1. В конструкцию входят следующие основные узлы и агрегаты:
- 1 — защитное перекрытие;
- 2 — подшипник качения дифференциала;
- 3, 8 — автокорректирующие прокладки;
- 4 — хвостовая часть опоры ведущей шестерни;
- 5 — корректирующее кольцо;
- 6 — держатель перегонки масла;
- 7 — гайка;
- 9 — передняя шестерня заднего моста;
- 10 — опора головки подшипника;
- 11 — шайба гидроопорная вала полуоси шестерни;
- 12 — зубчатый элемент.
Устройство и устранение поломок заднего моста
Задний мост — опора, внутри него главная передача полуоси, дифференциал. Может быть двух категорий: с одинарной главной передачей или с дополнительным приводом на колеса. Регуляторы колес, которые создают крутящий момент и передают его ступицам проводящих колес, расположены на концах балки.
Подшипники качения колес поддерживаются корпусами регуляторов. Колесные редукторы имеют огромный дорожный просвет и представляют собой шестерни с внутренним зацеплением.Главная передача — коническая, со спиральным зубом, подшипниковый узел, имеющий главную передачу, и конический привод с 4-мя сателлитами. Сателлит представляет собой шестерню, которая компактна, проста, редко ломается, способствует быстрому и легкому переключению передач.
Картер имеет сливное и заливное отверстие и содержит определенное количество масла для смазки гидравлического регулятора колеса.
Задняя опора гидротрансформатора разъединена и состоит из таких элементов, как крышка, защита от грязи, запрессованные кожухи полуоси.Его габариты уменьшены, передаточное число до 2,77.
Редуктор ведомого заднего моста установлен на валу. Он устанавливается в роликовый подшипник и втулку, затягивается гайкой и фиксируется в пазу вала. Концы валов коробки передач имеют подвижные муфты, которые помогают группироваться, при необходимости отделяя валы от ступиц колес.
При отключенных муфтах УАЗ 469 становится заднеприводным. Это полезно на хороших дорогах с твердым покрытием. При движении по бездорожью отключение нецелесообразно.Отсоединение и подключение ступиц возможно с начала работы быстродействующей муфты или кулачка ступицы. В этом случае не требуется лазить под днищем автомобиля.
Особенности демонтажа узла
При снятии заднего моста необходимо открутить гайку хвостового устройства, выбросить шайбу, контрфланец, крышку узла передней роликовой шестерни, выпрессовать сборочную шестерню с подшипниками из заднего маслоохладителя из машины.
Эта схема отлично подходит для разбора дифференциального устройства.Следующим шагом откручиваем шлицы, соединяющие ведомую шестерню со сателлитной коробкой, переставляем ее. Разделите обе части коробки, вытащите шестерни, штоки планетарных колес, опорные гайки. Оценивая разборку, обратите внимание на целостность зубьев шестерни. Если они повреждены, деталь необходимо заменить. Для снятия роликов, внешнего и внутреннего колец потребуются специальные инструменты. Внимательно изучите и поймите последовательность разборки, чтобы точно выполнять все действия в порядке, обратном сборке.
При осмотре маслосъемного кольца проверьте наличие неровностей поверхности. Если да, обработайте до толщины 5 мм. То же — с фланцем кардана. Высота шлифования до 53 мм. Промойте защитные поверхности. Продуть маслопроводы. Детали конструкции привода, полуоси заменить, если есть потертости, сильный износ.
Нюансы установки и регулировки
Сборка (схема) дифференциальной конструкции привода осуществляется следующим образом.
- Подключение обоих ящиков сателлитов в зависимости от серийного номера кузова.
- В левую сателлитную коробку вставляется крестовина.
- Поместите сборочную шестерню в левый ящик.
- Смажьте блоки дифференциала (ведущие шестерни, сателлиты, оси, упорные шайбы) трансмиссионным маслом.
- Зафиксируйте шейки зубчатых колец полуосей опорными шайбами.
- Сателлиты необходимо закрепить на оси отключаемой крестовины.
- Проделайте те же действия с правым ящиком.
- Затяните детали коробки, войдите в ведомое колесо базовой шестерни.
Мастер проходит через блок
Проверните шестерни полуосей навесного дифференциала шлицами с усилием не более 59 Н.
Регулировка элементов конструкции привода осуществляется при их замене .
- Закрепите внутренние кольца подшипниковых узлов дифференциала на шейках, осевой люфт между коробкой и кольцами должен приближаться к 3,5-4,0 мм.
- Установленный модульный дифференциал закрывается автопрокладкой, крышкой бачка.Закатайте подшипники, чтобы установить правильное положение. Закрепите крышку теплообменника.
Установка и регулировка шаровых опор заднего токопроводящего редуктора.
- Крепление направляющих элементов к главной передаче.
- Притирка хвостовой части с направляющим элементом.
- Расположение проставки и проставок роликового узла между внутренними кольцами.
- Главный крепеж регулировочного кольца главной передачи.
Все промежуточные действия, штамповка показаны схемой на рис.2. На данной схеме максимально подробно описаны все нюансы.
- При регулировке шестерни головного узла не должно быть продольного люфта, пружинный динамометр покажет силу. Показатели для новых деталей — 15-30 Н, для изношенных — 20-35 Н. Для уменьшения натяжения при установке подшипников могут быть добавлены проставки. Чтобы увеличить — уберите.
- Исправление подошло к концу, все детали фиксируем на местах, скрепляем качественными шплинтами.
Регулировка люфта и положения центральной шестерни трансмиссии осуществляется следующим образом.
- Потенциал устанавливается в теплообменнике с хорошо отрегулированными подшипниками качения в сборе, прокладкой их отделения от крышки, укрепленной болтом.
- Расстояние между обоими зубьями установлено: 0,2-0,6 мм. Люфт регулируется с учетом количества сальников ведомой шестерни: при уменьшении их количества необходимо увеличение зазора, и наоборот. При перестановке прокладок натяжение потенциальных элементов не будет нарушено только тогда, когда количество прокладок не изменится.
- Схема зацепления шестерен по пятну контакта представлена на рис. 3.
УАЗ-31512, УАЗ-3741, УАЗ-3303, УАЗ-2206, УАЗ-3909 общие сведения (УАЗ с 1985 г.)
Снятие коробки передач с автомобилей семейства УАЗ-3741
Снимайте в следующем порядке:
1. Слейте масло из коробки передач и раздаточной коробки.
2. Снимите вилку выключения сцепления.
3. Снимите крышку выжимного подшипника сцепления и отсоедините ее от шланга смазки подшипника.
4. Отсоедините тяги переключения от механизма переключения и раздаточной коробки.
5. Подпереть двигатель снизу домкратом или другим приспособлением.
6. Отвинтите и снимите задние подушки двигателя.
7. Отсоедините фланцы карданного вала.
8. Отсоедините трос стояночного тормоза.
9. Отсоедините гибкий вал спидометра.
10. Отверните четыре гайки, которыми трансмиссия крепится к картеру сцепления.
11. Потяните машину назад, пока не выйдет первичный вал и картер сцепления.
12. Опустите машину.
Установите агрегат на автомобиль в обратном порядке.
Отсоединение трансмиссии от раздаточной коробки
1. Установите машину вертикально на барабан стояночного тормоза.
2. Включите прямую передачу в пояснице передачи.
3. Снимите три гайки шпильки и два болта, которыми трансмиссия крепится к раздаточной коробке.
4. Подняв коробку передач вверх, отсоединить ее от раздаточной коробки.
5. После снятия трансмиссии на раздаточной коробке остаются прокладка, пластина подвески, вторая прокладка и упорное кольцо подшипника промежуточного вала трансмиссии.
УАЗ Буханка: технические характеристики и ТТХ различаются в зависимости от выбранной модификации (409, 452, 452 А, 452 Д). Автомобиль выпускается Ульяновским заводом с 1965 года.
Передний и задний мост
Задний мост УАЗ-452А включает в себя такие элементы как:
- предохранительный клапан;
- подшипник дифференциала; Шайбы
- ;
- кольцо регулировочное;
- задний подшипник ведущей шестерни;
- шайба упорная и ведущая шестерня;
- Кольцо перегонки масла.
Ведущая шестерня расположена на двух опорных рамах в виде радиально-упорного роликоподшипника. Ведомая шестерня крепится к фланцу коробки с помощью четырех сателлитов. Дифференциал расположен в картере и на крышке моста.
Для ТО необходимо залить 1-1,5 л масла в задний мост, поднять весь механизм домкратом и запустить силовой агрегат для подогрева маслянистой жидкости. Детали рекомендуется промыть керосином.
Передний мост УАЗ-452 бортовой включает в себя картер двигателя, который снабжен защитными кожухами и полуосевыми устройствами.На кожухах есть предохранительные клапаны, регулирующие уровень давления масла в системе. По краям кожуха размещены шарнирные узлы с шарикоподшипниками. Особенностью конструкции этой оси является соединение ступицы колесного механизма с полуось. Для этого здесь установлена муфта, обеспечивающая передачу крутящего момента от дифференциалов на колеса.
Также конструкция этой оси включает главную передачу и дифференциал, который состоит из ведущей шестерни и сателлитов.
При работе передний ведущий мост имеет нагрузку 675 кг, а задний — 400 кг.
Раздаточная коробка и коробка передач
Распределительное устройство УАЗ-452Д состоит из приводных валов ведущих мостов и промежуточных валов. В него также входят шестерни, расположенные в картере, корпус которого выполнен из чугуна. Все эти детали соединены с крышкой картера.
Раздатку надо использовать вот так:
- Подключаем передний ведущий мост. Это необходимо для включения шестерен.
- Пуск силового агрегата.
Весь механизм расположен на двух шарикоподшипниках, что предохраняет раздаточную коробку от произвольного движения. Масло следует заливать в распределитель в количестве не более 2 литров.
УАЗ-452 — трансмиссионное устройство включает в себя следующие механизмы:
- Коробка передач Пятиступенчатая УАЗ с шестернями привода промежуточного вала.
- Картер, контргайка, промежуточный вал.
- Защитная крышка и кожух.
- Муфта, используемая для отключения сцепного устройства.
- Роликовый подшипник ведомого вала.
- Муфта синхронизатора.
- Крепежные изделия.
- Рычаг управления, необходимый для переключения передач.
- Ось заднего хода.
- Осевой стопорный и регулировочный винт.
- Распорная втулка.
Практически все внедорожники ульяновского производства оснащены раздаточной коробкой. УАЗ («буханка») не исключение. Несмотря на некрасивый внешний вид, эта машина способна на многое.Это любимая машина охотников, рыбаков и любителей туризма. Распределительная коробка на УАЗ («буханка»), устройство которой мы рассмотрим в этой статье, необходима для распределения крутящего момента на все мосты и механизмы привода. Об этом и поговорим в сегодняшней статье.
Распределительное устройство УАЗ-452
Автомобили УАЗ-452 состоят из приводных валов ведущих мостов, промежуточных осей и пяти передач. Все эти агрегаты размещены в чугунном картере. Его разъем перпендикулярен осям валов.Большинство деталей связано с крышкой картера. При сборке / разборке коробки они хорошо видны. Их удобно снимать или устанавливать.
Этот агрегат такой, что передачи включаются в работу только при подключении переднего ведущего моста. Если задействована только ось, весь крутящий момент, снимаемый с ведущего вала трансмиссии, будет передаваться на задний ведущий вал. Конец вторичной шестерни коробки передач используется как ведущий вал.
Карданный вал заднего моста
Из чего состоит распределительная коробка на УАЗ, какие особенности? Этот вал поддерживается двумя шарикоподшипниками.Для защиты элемента от осевого перемещения он опирается на задний подшипник с упорной шайбой и крышкой. К передней части вала прикреплена шестерня. Его внутренняя корона имеет прорези. Эта шестерня предназначена для привода переднего ведущего моста. Внутренние шлицы необходимы для включения прямого привода в раздаточной коробке.
Винтовая передача также установлена на шлицах между подшипниками. Он служит приводом для спидометра. Задняя часть вала соединена с карданом через фланец с гайкой с коническим выступом.Если затянуть эту гайку, ее конический выступ войдет в одну из канавок с резьбой и застрянет.
Промежуточный вал
Этот элемент также удерживается в коробке двумя подшипниками. Валик используется как передний. Радиального типа. Зажим, в котором находятся ролики, вдавливается в корпус. Он скрыт заглушкой. Внутреннее кольцо установлено непосредственно на валу. Второй подшипник (задний) удерживается на промежуточном валу гайкой. Элемент снабжен упорным кольцом, которое служит для его фиксации, а также для фиксации вала в корпусе.Наружная часть подшипника снабжена крышкой. Промежуточный вал представляет собой единое целое с понижающей передачей. Также на нем есть шлицы для установки шестерни. Он позволяет задействовать задний ведущий мост.
Распределитель УАЗ («буханка») — устройство приводного вала переднего моста
Данная коробка передач также оснащена этим валом. Устанавливается в механизм на двух опорах. Последние представляют собой шариковые подшипники. Для фиксации вала в осевом направлении к нему крепится задний подшипник.Устанавливается так же, как на промежуточном валу.
Передняя опора не фиксируется в кузове фургона. Элемент закреплен на валу с помощью фланца карданного вала. Элемент привода переднего моста представляет собой неразъемную деталь вместе с шестерней. Лицевая часть имеет прорези. Они используются для соединения вала с фланцем карданного вала.
Gears
Из каких еще элементов состоит раздаточный материал? УАЗ («буханка»), раздаточное устройство которого описано в статье, оснащен шестернями с прямым зубом.Лидер имеет возможность перемещаться по шлицам вторичного вала коробки передач. У этой шестерни два обода. Один из них — шлицы эвольвентного типа. Они используются для подключения прямого привода через внутренний обод ведущего вала заднего ведущего моста. Когда водитель входит в зацепление, эта шестерня входит в зацепление с шестерней на промежуточном валу.
Что еще особенного в этом раздаточном материале? УАЗ, раздаточное устройство которого мы сейчас рассматриваем, оснащен редуктором для поворота на переднюю ось автомобиля.Он установлен таким образом, что может перемещаться по шлицам, расположенным на промежуточном валу. Когда передняя ось отключена, шестерня с валом расцеплена. Одновременно он входит в зацепление с приводным валом задней оси. Эта функция значительно упрощает переключение передач и способствует лучшей смазке. Когда промежуточный вал вращается, шестерня орошает маслом все детали.
Картер раздаточной коробки УАЗ
Картер и его крышка соединяются с коробкой шпильками и гайками.Отверстия для подключения расположены по всему периметру. Их точность и совместимость обеспечивается двумя трубчатыми штифтами. Обработайте картер и его крышку вместе. Эти детали нельзя заменить на другие от других картеров. Передняя часть имеет прецизионно обработанную поверхность и фланец для крепления раздаточной коробки к коробке передач.
Картер имеет верхнее отверстие. В него путем нажатия устанавливается упорное стекло. Последний упирается во внешнюю часть двухрядного радиально-упорного подшипника, прикрепленного к ведущему валу.В верхней части картера есть люк. Закрывается крышкой.
Люк предназначен для крепления коробки отбора мощности. На наклонной поверхности картера сверху выполнено отверстие для установки рычагов управления, а также штоков системы управления раздаточной коробкой. Люк для заливки и слива жира закрывается коническими резьбовыми пробками.
Устройство коммутационного механизма
Итак, мы разобрались, как устроена распределительная коробка УАЗ.Устройство дозатора практически не отличается от ящиков на других автомобилях. Теперь посмотрим, что такое механизм переключения.
Таким образом, система коммутации состоит из нескольких основных узлов. Это штоки вилки переключения передач, которые фиксируются в крышке картера стопорной пластиной. Также в устройстве есть вилки для включения переднего ведущего моста и те шестерни, которые могут перемещаться по тягам. В корпусах вилок есть специальные розетки. Здесь устанавливаются пружины и стопорные шарики.
В процессе движения по штоку каждая из вилок фиксируется на нем специальным фиксатором. На нижних частях есть специальные выступы, которые входят в пазы шестерен. Верхние части имеют прямоугольные выемки. С их помощью вилка соединяется с рычагами переключения передач. Что еще особенного в раздаточном материале? УАЗ («буханка»), коробка передач которого мы рассматриваем, сделан таким образом, что рычаги переключения передач расположены в отдельных крышках. Детали расположены на наклонном люке картера и крепятся к штоку при помощи пальцев.
Передние концы штока оснащены штифтами, с помощью которых они соединяются со штангами. Отверстия под шток уплотнены в передней части крышки. Сзади они закрываются сферическими заглушками. Между стержнями есть небольшой шарик. Он служит замком. Механизм предотвращает включение водителя до тех пор, пока не будет подключен передний ведущий мост. Таким образом, сделана раздаточная коробка для УАЗ («буханка»). Устройство его не сложное. Механизм достаточно надежный и ремонтопригодный, по отзывам автовладельцев.
Управление распределителем
Управлять работой можно с помощью рычагов. Эти рычаги в кабине расположены справа от водителя. Их двое. Верхний используется для включения и отключения переднего ведущего моста. Этот рычаг работает только в двух положениях. Верхний включает мост, а нижний — выключает.
Нижний нужен для переключения передач. Его можно установить в трех положениях — водитель выбирает прямое, нейтральное (среднее положение) и низкое.Вот как включается раздатка. УАЗ («буханка»), устройство коробки которого мы рассмотрели, имеет еще одну особенность. Следует отметить, что передний мост предназначен только для использования транспортного средства в сложных условиях. Это может быть грязь, песок, снег или любая другая ситуация.
Эксплуатационные проблемы
У начинающих водителей могут возникнуть трудности с автомобилем УАЗ («буханка»). Проблемы при включении переднего моста связаны с тем, что многие просто не знают, как на самом деле работает этот механизм.На время преодоления сложных участков необходимо включать ступицы колес. После их поворота в положение полного привода передняя ось включается только после того, как колесо совершит 1,5 оборота без пробуксовки.
Техническое обслуживание и ремонт
Вот что такое раздатка УАЗ. Устройство, ремонт его прост, а в обслуживании неприхотлив, о чем свидетельствуют отзывы владельцев. Рекомендуется регулярно проверять уровень масла и осматривать каждое крепление.Также необходимо смазать оси рычагов и отрегулировать передние тяги. В этом поле больше нет настроек.
Очень популярен у любителей бездорожья раздаточный автомобиль УАЗ-452. Отзывы о ней только положительные. Его очень легко ремонтировать и обслуживать, а запасные части можно купить уже сейчас.
УАЗ Буханка — автомобиль максимальной проходимости. Некоторые автомобилисты ласково называют транспорт «Таблеткой». Автомобиль также носит официальное название — УАЗ 452.Автомобиль имеет колесную формулу 4х4, две оси, полный привод, предназначен как для грузовых, так и для пассажирских поездов. Модель УАЗ впервые была произведена в Ульяновске на машиностроительном заводе в 1957 году. Автомобиль имеет два типа:
.- Кузов УАЗ. Его еще называют «универсал».
- УАЗ 452 бортовой. Его еще называют «головастиком».
Кузов автомобиля одностворчатый. Задняя дверь автомобиля УАЗ 452 состоит из двух створок. Естественно, расположение дверей может отличаться в зависимости от модели УАЗ (например, УАЗ 452а — горизонтальный вариант).
- Автомобиль универсальный. УАЗ Буханка
- обладает хорошей проходимостью.
- В автомобиле единовременно могут разместиться водитель, 10 пассажиров, тонна груза. Это говорит о чрезвычайно выигрышной вместительности салона автомобиля.
- Кабина водителя отделена от салона стеклом. Но не исключена и вагонная версия УАЗа, если транспортная модель будет более современной и новой.
- В салоне можно установить стол с ТЭНом.
- Салон трансформируется. Например, прорезать люк (пример — Буханка 3962).
- Идеальное транспортное средство для рыбалки, охоты, отдыха на природе.
История «Буханки»: описание важных этапов
В 1955 году на Ульяновском машиностроительном заводе началось только проектирование УАЗа. Был рассчитан на создание автомобиля грузоподъемностью 800 кг. В качестве шасси использовался ГАЗ-69. Проблемы возникли в дизайне.Шасси ГАЗА-69 оказалось коротким, разместить на нем почти тонну груза было просто нереально. Требовалась компоновка кузова автомобиля. Разработчики сконструировали два типа УАЗА:
.- грузовой автомобиль с деревянным кузовом;
- фургон полностью металлический.
На верхней части автомобиля УАЗ 452 Буханка выполнено несколько поперечных ребер жесткости. Автомобиль ассоциировался с буханкой хлеба. Автомобиль сразу же нашел себе простое название — «Буханка».В 1958 году машина была одобрена и началось серийное производство.
Первые машины этой комплектации имели другой номер — 450. Они были оснащены двигателем от ГАЗ-69, имели коробку передач, состоящую из трех ступеней. Также была раздаточная коробка. Он состоял из 2 этапов. Так был выпущен первый в Советском Союзе новый транспорт, в котором кабина водителя располагалась прямо над двигателем. Первая «Буханка» имела полный привод.
В 1961 году новую модель УАЗ начали совершенствовать.Появилась его следующая модификация — УАЗ-451. Автомобиль имел задний привод. Еще одним отличием было наличие боковой двери фургона. В 1965 году в конструкции этого автомобиля произошли серьезные изменения. Сначала поменяли двигатель УАЗ. На смену ему пришел ГАЗ-21. Коробка передач была улучшена и приобрела 4 передачи. Передняя часть машины также была обновлена. Автомобиль получил новое имя — УАЗ-452Д. Это считалось бортовым грузовиком.
Появился фургон скорой помощи. Его название звучало как УАЗ-452 А.Стоит отметить, что обычный фургон «Буханки» быстро получил номер УАЗ-452. К тому времени разработчики сконструировали новую машину. Сегодня информация официально подтверждена и указывает, что это был микроавтобус с индексом УАЗ-452В.
Доработана и заднеприводная версия УАЗа. Его индекс не претерпел изменений, только к нему добавлена буква «М». Разработчики увеличили грузоподъемность УАЗов до тонны (например, УАЗ 452в).1966 год ознаменовался присвоением автомобилю индекса УАЗ-452Д. «Буханка» была доставлена на выставку в Москву, где получила золотую медаль. В том же году Ульяновский машиностроительный завод награжден орденом Трудового Красного Знамени.
Завод очень активно развивался, и в 1974 году завод выпустил миллионный УАЗ. В 1976 году машиностроительный завод снова получил орден Красного Знамени (в частности, была отмечена модель УАЗ 452в).Нововведений в конструкции машины не было до 1985 года. Только после этого показатели машиностроительного завода начали меняться.
Характеристики УАЗ: технические характеристики, схема и параметры
Технические характеристики автомобиля УАЗ-452:
- Вес перевозимого груза 700 кг.
- Вес перевозимого груза в грузовом отсеке составляет от 400 кг до 1 тонны.
- В вагоне есть пассажирские сиденья.Их количество колеблется от 2 до 10.
- Вес прицепа может составлять 1500 кг (с тормозами) и 750 кг (без тормозов).
- Автомобиль развивает скорость до 130 км в час, что подтверждает тест-драйв УАЗа.
- Автомобиль может преодолевать брод глубиной 0,5 м.
- Двигатель — ЮМЗ-4213.
- Автомобиль может подниматься под углом до 30 °.
- Расход бензина 13-18 литров на 100 км.
- Машина имеет 4 цилиндра.
- Объем рабочего УАЗ 452 — 2.89 литров.
Модификации «Таблетки» и их отличительные особенности
Модификации автомобиля выделяются буквенными обозначениями. УАЗ-452 — основной тип автомобиля, закрепленный за фургоном. В то время она приобрела огромную популярность и востребованность у населения Российской Федерации.
УАЗ-452А — медицинский автомобиль. В народе это называется «Таблетка». Иначе машину называют «УАЗ-няня». В машине есть 4 носилки, на ней могут разместиться 6 раненых и один сопровождающий их медицинский работник.
УАЗ-452А не предусматривает комфортных условий. Но это единственная модель УАЗа, которая могла добраться до далеких деревень и оказать медицинскую помощь. УАЗ-452А имеет классический старый вариант подвески. В старину автомобиль такой модификации, как всеми любимый и почитаемый УАЗ-452А, довольно часто можно было встретить на советских дорогах. Это вариант, который можно купить по доступной цене.
УАЗ-452АС относится к машинам скорой помощи. Рассматриваемая модель автомобиля выполнена в сторону северного варианта.УАЗ-452АЕ — шасси. Он предназначен для установки различного типа оборудования. УАЗ-452В — маршрутка. Автобус рассчитан на 10 посадочных мест. Вагонная компоновка присутствует в УАЗ-452 В.
УАЗ-452Д — грузовой транспорт. В кабине УАЗ 2 места. Корпус сделан из дерева. УАЗ-452Г — автомобиль, предназначенный для санитарных целей. Имеет большую вместимость.
УАЗ-452К — автомобиль автобусного типа. Он состоял из трех осей 6х4. Следует подчеркнуть, что автомобиль УАЗ-452К рассчитан на 16 мест.Изготовлен по экспериментальным технологиям. Годом выпуска рассматриваемой модели УАЗ-452К является 1973 год. Но конструкция машины оказалась сложной, вырос расход бензина, увеличился вес автомобиля. УАЗ-452К в серийное производство не пошел. УАЗ-452П — седельный тягач.
% PDF-1.7 % 1 0 объект > >> / Lang (en-US) / Контуры 3 0 R / ViewerPreferences> / Метаданные 4 0 R >> эндобдж 5 0 объект > эндобдж 2 0 obj > эндобдж 3 0 obj > эндобдж 4 0 объект > ручей конечный поток эндобдж 6 0 объект > эндобдж 7 0 объект > эндобдж 8 0 объект 514 эндобдж 9 0 объект > / ExtGState> / Затенение> / XObject> / Шрифт> >> / Содержание 122 0 руб. / ArtBox [0 0 841.89 595,276] / BleedBox [0 0 841.89 595.276] / Вкладки / W / TrimBox [0 0 841.89 595.276] / Родитель 6 0 R >> эндобдж 10 0 объект > / ExtGState> / Шрифт> / XObject> >> / Содержание 130 0 руб. / ArtBox [0 0 1683.78 595.276] / BleedBox [0 0 1683.78 595.276] / Вкладки / W / TrimBox [0 0 1683.78 595.276] / Родитель 6 0 R >> эндобдж 11 0 объект > / ExtGState> / Шрифт> / XObject> >> / Содержание 137 0 руб. / ArtBox [0 0 1683.78 595.276] / BleedBox [0 0 1683.78 595.276] / Вкладки / W / TrimBox [0 0 1683,78 595.276] / Родитель 6 0 R >> эндобдж 12 0 объект > / ExtGState> / Шрифт> / XObject> >> / Содержание 140 0 руб. / ArtBox [0 0 1683.78 595.276] / BleedBox [0 0 1683.78 595.276] / Вкладки / W / TrimBox [0 0 1683.78 595.276] / Родитель 6 0 R >> эндобдж 13 0 объект > / XObject> / ColorSpace> / Шрифт> >> / Содержание 146 0 руб. / ArtBox [0 0 1683.78 595.276] / BleedBox [0 0 1683.78 595.276] / Вкладки / W / TrimBox [0 0 1683.78 595.276] / Родитель 6 0 R >> эндобдж 14 0 объект > / ExtGState> / Шрифт> / XObject> >> / Содержание 153 0 руб. / ArtBox [0 0 1683.78 595,276] / BleedBox [0 0 1683.78 595.276] / Вкладки / W / TrimBox [0 0 1683.78 595.276] / Родитель 6 0 R >> эндобдж 15 0 объект > / ExtGState> / Шрифт> / XObject> >> / Содержание 161 0 руб. / ArtBox [0 0 1683.78 595.276] / BleedBox [0 0 1683.78 595.276] / Группа 162 0 р / Вкладки / W / TrimBox [0 0 1683.78 595.276] / Родитель 6 0 R >> эндобдж 16 0 объект > / ExtGState> / Шрифт> / XObject> >> / Содержание 174 0 руб. / ArtBox [0 0 1683.78 595.276] / BleedBox [0 0 1683.78 595.276] / Вкладки / W / TrimBox [0 0 1683.78 595,276] / Родитель 6 0 R >> эндобдж 17 0 объект > / ExtGState> / Шрифт> / XObject> >> / Содержание 180 0 руб. / ArtBox [0 0 1683.78 595.276] / BleedBox [0 0 1683.78 595.276] / Вкладки / W / TrimBox [0 0 1683.78 595.276] / Родитель 6 0 R >> эндобдж 18 0 объект > / ExtGState> / Шрифт> / XObject> >> / Содержание 186 0 руб. / ArtBox [0 0 1683.78 595.276] / BleedBox [0 0 1683.78 595.276] / Вкладки / W / TrimBox [0 0 1683.78 595.276] / Родитель 6 0 R >> эндобдж 19 0 объект > / ExtGState> / Шрифт> / XObject> >> / Содержание 193 0 руб. / ArtBox [0 0 1683.78 595,276] / BleedBox [0 0 1683.78 595.276] / Вкладки / W / TrimBox [0 0 1683.78 595.276] / Родитель 6 0 R >> эндобдж 20 0 объект > / ExtGState> / Шрифт> / XObject> >> / Содержание 196 0 руб. / ArtBox [0 0 1683.78 595.276] / BleedBox [0 0 1683.78 595.276] / Вкладки / W / TrimBox [0 0 1683.78 595.276] / Родитель 6 0 R >> эндобдж 21 0 объект > / ExtGState> / Шрифт> / XObject> >> / Содержание 202 0 руб. / ArtBox [0 0 1683.78 595.276] / BleedBox [0 0 1683.78 595.276] / Группа 203 0 р / Вкладки / W / TrimBox [0 0 1683.78 595,276] / Родитель 6 0 R >> эндобдж 22 0 объект > / ExtGState> / Шрифт> / XObject> >> / Содержание 211 0 руб. / ArtBox [0 0 1683.78 595.276] / BleedBox [0 0 1683.78 595.276] / Группа 212 0 руб. / Вкладки / W / TrimBox [0 0 1683.78 595.276] / Родитель 6 0 R >> эндобдж 23 0 объект > / ExtGState> / Шрифт> / XObject> >> / Содержание 220 0 руб. / ArtBox [0 0 1683.78 595.276] / BleedBox [0 0 1683.78 595.276] / Группа 221 0 руб. / Вкладки / W / TrimBox [0 0 1683.78 595.276] / Родитель 6 0 R >> эндобдж 24 0 объект > / ExtGState> / Шрифт> / XObject> >> / Содержание 224 0 руб. / ArtBox [0 0 1683.78 595,276] / BleedBox [0 0 1683.78 595.276] / Группа 225 0 руб. / Вкладки / W / TrimBox [0 0 1683.78 595.276] / Родитель 6 0 R >> эндобдж 25 0 объект > / ExtGState> / Шрифт> / XObject> >> / Содержание 231 0 руб. / ArtBox [0 0 1683.78 595.276] / BleedBox [0 0 1683.78 595.276] / Вкладки / W / TrimBox [0 0 1683.78 595.276] / Родитель 6 0 R >> эндобдж 26 0 объект > / ExtGState> / Шрифт> / XObject> >> / Содержание 240 0 руб. / ArtBox [0 0 1683.78 595.276] / BleedBox [0 0 1683.78 595.276] / Вкладки / W / TrimBox [0 0 1683.78 595,276] / Родитель 6 0 R >> эндобдж 27 0 объект > / ExtGState> / Шрифт> / XObject> >> / Содержание 242 0 руб. / ArtBox [0 0 1683.78 595.276] / BleedBox [0 0 1683.78 595.276] / Вкладки / W / TrimBox [0 0 1683.78 595.276] / Родитель 6 0 R >> эндобдж 28 0 объект > / ExtGState> / Шрифт> / XObject> >> / Содержание 244 0 руб. / ArtBox [0 0 1683.

Их расположение должно быть направлено смазочными канавками в сторону шарнира. Фиксирующая шайба крепится способом кернения в нескольких местах на точках, равномерно распределенных по окружности.




Он должен быть на одном уровне с концом посадочного гнезда. Затем втулка вращается и регулируется специальной брошкой до необходимого диаметра.
1 мм.
Используется не менее пяти прокладок. Показатели общей толщины вверху и внизу не должны иметь разницы более 0,1 мм.
)
3771
1 (A12-0.2?)


Обычно эти проблемы вызваны износом или неправильным использованием устройства.
