Система зажигания газель 406 карбюратор: Катушка зажигания на двигатель Газель змз 406 по выгодной цене
Порядок работы цилиндров змз 406 инжектор
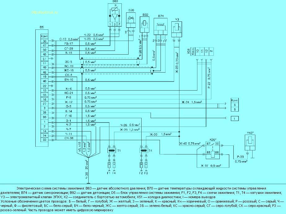
Подключение высоковольтных проводов ЗМЗ 405, ЗМЗ 406
Двигатели ЗМЗ карбюраторный и Евро-2 оснащены системой зажигания DIS (Double Ignition System).
В системе DIS используются катушки зажигания с двумя высоковольтными проводами. Каждая катушка работает с соответствующей парой цилиндров.
Первая катушка работает с 1 и 4 цилиндрами, вторая катушка работает с 2 и 3 цилиндрами.
Как подключить катушки зажигания?
Катушка зажигания 1 и 4 цилиндров расположена ближе к впускному коллектору, катушка 2 и 3 цилиндров ближе к выпускному коллектору.
Низковольтные провода катушек обязательно подключать к катушке парой. Пара проводов на катушку 1-4 немного короче пары проводов на катушку 2-3.
Внутри пары неважно, на какой контакт какой подключается провод – катушки неполярные. Так же внутри пары не важно, какой высоковольтный провод идет на какой цилиндр.
Рассмотрим на примере (смотрите фото)
Управление катушкой 1 (1 и 4 цилиндры) – зеленый и желтый провода.
Эта пара подключается строго к катушке 1 и 4 цилиндров!
Низковольтная цепь – полярность не важна – можно подключить:
Вариант 1: Верхний контакт катушки – желтый, нижний контакт – зеленый.
Вариант 2: Верхний контакт катушки – зеленый, нижний контакт – желтый.
Высоковольтные выходы – полярность не важна – можно подключить:
Вариант 1: Верхний вывод на 1 цилиндр, нижний выход на 4 цилиндр.
Вариант 2: Верхний вывод на 4 цилиндр, нижний выход на 1 цилиндр.
Управление катушкой 2 (2 и 3 цилиндры) – голубой и желтый провода. Эта пара подключается строго к катушке 2 и 3 цилиндров! Далее – аналогично паре 1-4 – полярность внутри пары не важна.
Определяющим фактором при подключении пар низковольтных и высоковольтных проводов к соответствующей катушке зажигания является правильность их трассировки. Провода не должны быть сильно натянуты, сильно перегибаться, не должны тереться о неподвижные части двигателя и другие провода.
Еще статья о высоковольтных проводах ЗМЗ 405, 406 — прочтите, чтобы не повторить эту ошибку.
Проверка свечей своими руками
В соответствии с электросхемой моторов 405, 406 и 409, свечи используются для передачи искры от распределительного устройства в цилиндры двигателя. Если работа СЗ нарушается, это может повлиять на качество работы мотора в целом.
Для проверки устройств вам потребуется помощник:
- От первой СЗ нужно отключить высоковольтный провод.
- С помощью ключа изделие выкручивается из посадочного места.

- Один конец устройства со стороны электрода следует поднести к двигателю или металлу на кузове авто, расстояние между электродом и массой должно составить около 1-2 мм.
- Затем помощник крутит стартер, пытаясь завести двигатель. Если в момент прокручивания между электродом и кузовом проскочила искра, это говорит о том, что изделие работоспособное. Таим же образом нужно проверить каждую СЗ. Учтите, что проблемы с подачей искры также могут быть обусловлены неправильной работой распределителя, а также повреждением высоковольтных проводов.
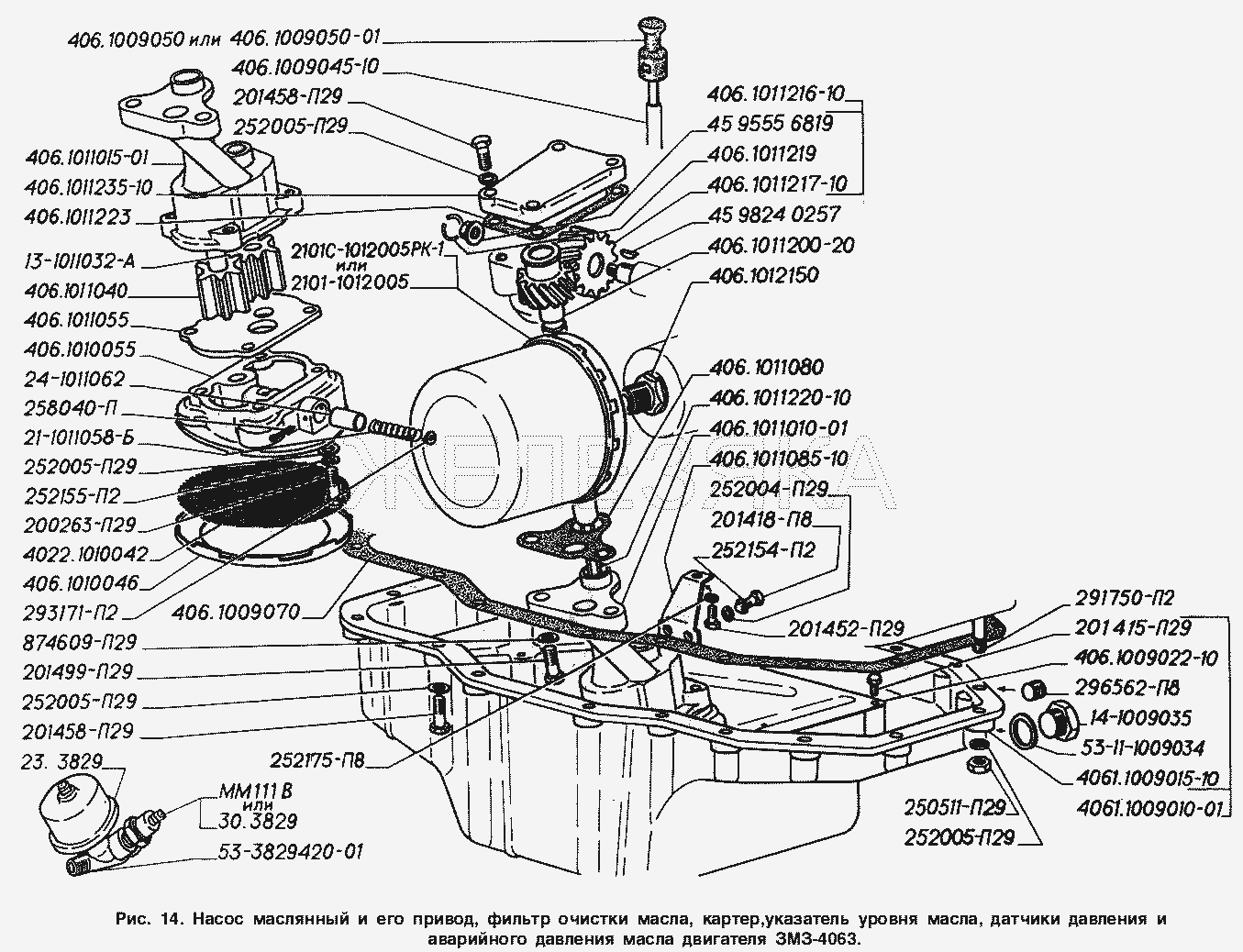
Параметры основных компонентов двигателя ЗМЗ-406
Двигатель бензиновый, четырехцилиндровый, рядный с комплексной микропроцессорной системой управления впрыском топлива и зажиганием.
Двигатель ЗМЗ-406 устанавливается на легковых автомобилях ГАЗ-3110 Волга, и грузовых машинах Газель ГАЗ-3302.
Основными конструктивными особенностями двигателя ЗМЗ-406 автомобилей ГАЗ-3110 Волга, Газель ГАЗ-3302 являются верхнее (в головке цилиндров) расположение двух распределительных валов с установкой по четыре клапана на цилиндр (двух впускных и двух выпускных).
Повышение степени сжатия до 9,3 (вместо 8,2 на двигателе модели 402) за счет камеры сгорания с центральным расположением свечи, применение системы распределенного (поочередно в соответствии с порядком работы цилиндров) впрыска топлива во впускную трубу электромагнитными форсунками (вместо карбюраторного питания).
Это позволило значительно повысить максимальную мощность (примерно в 1,5 раза) и максимальный крутящий момент, снизить расход топлива и уменьшить токсичность отработавших газов.
Для повышения надежности двигателя ЗМЗ-406 автомобилей ГАЗ-3110 Волга, ГАЗ-3302 Газель в условиях эксплуатации с использованием большей мощности и более высоких оборотов коленчатого вала на двигателе применен чугунный блок цилиндров без вставных гильз, имеющий высокую жесткость и более стабильные зазоры в парах трения, уменьшен ход поршня с 92 мм до 86 мм, снижена масса поршня и поршневого пальца, применены более качественные материалы для коленчатого вала, шатунов, болтов шатунов, поршневых пальцев и др.
Привод распределительных валов двигателя цепной двухступенчатый с автоматическими гидравлическими натяжителями цепей; в клапанном механизме применены гидротолкатели, избавляющие от необходимости регулировать зазоры.
Применение гидравлических устройств и высокая степень форсировки двигателя ЗМЗ-406 требуют более высокого качества очистки масла, поэтому в двигателе применен полнопоточный масляный фильтр с дополнительным фильтрующим элементом, исключающим попадание неочищенного масла в двигатель при пуске холодного двигателя и засорении основного фильтрующего элемента.
Привод вспомогательных агрегатов (водяного насоса и генератора) осуществляется более надежным плоским поликлиновым ремнем.
На двигателе ЗМЗ-406 устанавливается диафрагменное сцепление с так называемыми эллипснонавитыми накладками ведомого диска, имеющими высокую долговечность.
Комплексная система управления включает в себя также функции управления системой зажигания и позволяет более точно дозировать подачу топлива и корректировать угол опережения зажигания, в т.
ч. по параметру детонации, при изменяющихся режимах работы двигателя, что позволяет обеспечить необходимые мощностные, экономические и токсические показатели.
Что нужно для переделки
Если модернизировать – то по полной, включая и инжектор, а для этого следует присмотреться к газо-баллонному оборудованию Digitronic. Данное ГБО хвалят многие, и оно может быть установлено на Газель.
Об экономном расходе автомобиля с ГБО знают многие
Но есть один существенный нюанс — для оснащения машины Диджитроником нужен инжекторный двигатель, «заточенный» под нормы токсичности Евро-2.
Да и потом, переделки под инжектор на этом не закончатся, ведь понадобятся следующее узлы и детали:
- Инжекторная проводка на Газель — 406 двигатель ее не имеет, не говоря уже про блок управления;
- Система впуска, включая сам коллектор с рампой форсунок, датчик положения дроссельной заслонки, дроссельным патрубок, регулятор холостого хода и регулятор дополнительного воздуха, соединительные трубки и патрубки;
Описание двигателя
Предварительно мотор проектировался под новомодные системы питания и зажигания, которые управлялись микропроцессором.
Данный двигатель был впервые оснащен четырьмя клапанами на каждый цилиндр, с гидротолкателями и двумя распредвалами с двойным цепным приводом. Также были установлены электронная система подачи топлива и электронное зажигание.
Четыре цилиндра имеют рядное расположение, водяную рубашку охлаждения и управляемый впрыск топлива.
ЗМЗ-406 инжектор работает на бензине А-92. Ранее производилась карбюраторная версия двигателя 4061, которая работала на семьдесят шестом бензине. Она имела ограничения в плане выпуска.
Агрегат неприхотлив в обслуживании. Он имеет высокую степень надежности. Позже на его базе были разработаны установки ЗМЗ-405 и 409, а также дизельный вариант мотора с маркировкой ЗМЗ-514.
К недостаткам двигателя можно отнести громоздкость привода газораспределительного механизма, что объясняется его невысоким качеством исполнения и рядом технологических недоработок.
Какие требования предъявляют к свечным проводам?
Любой проводник имеет определенный срок службы.
Если кабели уложены в жгут, имеют наружную оплетку и закреплены стационарно (защита от вибрационных нагрузок), период эксплуатации равен продолжительности жизни автомобиля. Другое дело – высоковольтный провод катушки зажигания. Он находится в эпицентре неблагоприятных условий: вибрация, высокая температура (а также перепады в зимнее время), пары бензина, поэтому к качеству изоляции высоковольтных проводов и к сердечнику предъявляются высокие требования:
- Жилы бывают исключительно медными (как известно, этот материал обладает наименьшим сопротивлением), а вот защитный слой может быть силиконовый или резиновый. Остальные материалы изоляции хоть и обладают хорошей защитой, но недостаточно мягкие. Еще одно требование к высоковольтным проводам – эластичность. В противном случае, от постоянной вибрации поверхность просто растрескается;
- Толщина оболочки – это поиск компромисса. Если произойдет пробой высоковольтных проводов, искра будет образовываться между центральной жилой и корпусом мотора.
До свечи напряжение не дойдет, но и наличие искрящего проводника в подкапотном пространстве, мягко говоря, не полезно для авто. Обратная сторона медали – слишком толстый провод неудобен в монтаже, он неэластичный, что затрудняет укладку и обслуживание; - Длина высоковольтных проводов – еще одна головная боль производителя. Из закона Ома известно: чем короче проводник, тем меньше потерь для электрического тока. В автомобиле не так просто разместить все взаимодействующие узлы рядом друг с другом. Установка катушки зажигания над свечными колодцами – хорошо для электриков, но плохо для компоновщиков. К тому же, желательно, чтобы кабели были схожей длины, поэтому схема подключения высоковольтных проводов тщательно рассчитывается, и заменить кабели на универсальные означает нарушить режим работы всей системы зажигания на авто.
Карбюраторный мотор
ЗМЗ-406 карбюратор (402-й мотор) выпускался с 1996 года и успел зарекомендовать себя как простой и надежный агрегат. Данное устройство развивает мощность 110 лошадиных сил.
Расход топлива автомобиля на этом двигателе зачастую зависит от манеры вождения и условий эксплуатации. Система питания карбюраторного агрегата довольно надежна. При своевременном обслуживании и нормальной эксплуатации, с применением качественного смазывающего материала и бензина, он может пройти до 500 тысяч километров пробега без серьезных поломок. Конечно, за исключением расточки коленвала, которая необходима этому агрегату раз в 250 тысяч километров.
FakeHeader
Comments 15
прочитал, даже с первого раза))
А у меня движок на холостых болтается туда сюда. ПОМЕНЯЛСВЕЧИПРОВОДАКАТУШКИМЕТКИДАТЧИКИВСЕ
Регулировка зажигания змз 406 карбюратор. Ремонт и сервисное обслуживание автомобилей, двигателей и автоматических коробок передач
Двигатели ЗМЗ карбюраторный и Евро-2 оснащены системой зажигания DIS (Double Ignition System).
В системе DIS используются катушки зажигания с двумя высоковольтными проводами. Каждая катушка работает с соответствующей парой цилиндров.
Первая катушка работает с 1 и 4 цилиндрами, вторая катушка работает с 2 и 3 цилиндрами.
Как подключить катушки зажигания?
Катушка зажигания 1 и 4 цилиндров расположена ближе к впускному коллектору, катушка 2 и 3 цилиндров ближе к выпускному коллектору.
Низковольтные провода катушек обязательно подключать к катушке парой. Пара проводов на катушку 1-4 немного короче пары проводов на катушку 2-3.
Внутри пары неважно, на какой контакт какой подключается провод – катушки неполярные. Так же внутри пары не важно, какой высоковольтный провод идет на какой цилиндр.
Рассмотрим на примере (смотрите фото)
Управление катушкой 1 (1 и 4 цилиндры) – зеленый и желтый провода. Эта пара подключается строго к катушке 1 и 4 цилиндров!
Низковольтная цепь – полярность не важна – можно подключить:
Вариант 1: Верхний контакт катушки – желтый, нижний контакт – зеленый.
Вариант 2: Верхний контакт катушки – зеленый, нижний контакт – желтый.
Высоковольтные выходы – полярность не важна – можно подключить:
Вариант 1: Верхний вывод на 1 цилиндр, нижний выход на 4 цилиндр.
Вариант 2: Верхний вывод на 4 цилиндр, нижний выход на 1 цилиндр.
Управление катушкой 2 (2 и 3 цилиндры) – голубой и желтый провода. Эта пара подключается строго к катушке 2 и 3 цилиндров! Далее – аналогично паре 1-4 – полярность внутри пары не важна.
Определяющим фактором при подключении пар низковольтных и высоковольтных проводов к соответствующей катушке зажигания является правильность их трассировки. Провода не должны быть сильно натянуты, сильно перегибаться, не должны тереться о неподвижные части двигателя и другие провода.
Еще статья о высоковольтных проводах ЗМЗ 405, 406 — .
Что для иностранца смерть, то для Русского находка. В любом ремонте есть определенные стандарты которых многие придерживаются, но для тех кто многое делает своими руками эти стандарты не писаны. Все дело в дороговизне выполнения этих стандартов. Покажу как можно подогнать подушки распредвалов головки ЗМЗ 406 двигателя от другой головки. Хотя по правилам стандартов, нельзя ставить подушки распредвала с одной головки на другую, так как они будут либо зажимать распредвал либо в них будет болтаться распредвал.
Этот способ можно применять к любой головки блока где есть подушки распредвала, например в движках ВАЗ.
Вот и мне пришлось немного выпендриваться подгоняя подушки 406 головки под другую головку 406 двигателя. Пригнал хозяин Газель и попросил заменить головку блока, на другую, что он купил на разборке за копейки но без подушек распредвала. Но для нас это не проблема, все можно подогнать только надо знать как это сделать. В родной головке 406 двигателя была микротрещина из-за которой шли газы в систему охлаждения.
Подгоняем подушки под распредвал
Прежде всего перед установкой головки на двигатель, надо проверить как сидят распредвалы в головке. Распредвал может подушка зажать, а может быть прослаблена что приведет к болтанки распредвала и стуку.
Уложите распредвалы как показано на фото ниже в головку, для удобства вращения распредвала и проверки на зажатость или прослабленость удобно крутить за болты крепления звездочек. Только обязательно распредвалы ставятся без стаканчиков (компенсаторов) клапанов.
Наживите подушки распредвала, попробуйте прокрутить распредвал. Крутиться значит уже неплохо, затем поочередно закручивайте подушки, закрутили подушку, проверили на вращение.
Таким способом можно узнать какая подушка зажимает а какая нет, если подушка зажала распредвал, ослабьте ее проверьте остальные. После этой процедуры знаете какая подушка зажимает а какая нет. Остается зажимающею подушку распредвала преподнять, а прослабленную приспустить. Мне повезло, зажимала только одна подушка, самая первая и с одной стороны.
Фото. Укладываем распредвалы в головку
Для того чтобы отпустить зажатую подушку понадобиться обыкновенная бумага или токая жесть, с бумагой проблем меньше так как ее легко резать.
Фото. Прикрученные распредвалы к головке с вставленным ключом, для проверки на вращение.
Ослабляем зажимающею подушку подготавливаем подложку из бумаги, подкладываем под подушку. Затягиваем подушку и проверяем на зажатость, если распредвал стал вращаться значит все нормально, но если опять зажимает добавляйте еще один слой из бумаги.
Фото. Лист бумаги подготовленный для подкладывания под подушку.
После этой процедуры знаете что под эту подушку нужно три листа подложки из бумаги, их и подложите когда поставите головку на двигатель, лишнюю бумагу легко обрезать ножом.
Фото. Вставленный лист бумаги под подушку распредвала.
Так, хорошо с зажимающими подушками разобрались, теперь надо проверить на прослабленность. Здесь также поможет бумага но не толще листа тетради, вырежьте тонкую полоску как показано на фото ниже, ослабьте подушку подложите эту полоску, закрутите подушку. Если распредвал зажмет, отлично зазор что надо, если будет легко вращаться или бумага легко двигаться вперед назад, значит придется опускать подушку до нужного зазора.
Фото. Проверка на прослабленность распредвала при помощи полоски из бумаги.
Остается опустить подушку распредвла, это можно сделать при помощи точильного камня или расстеленной наждачной бумаги на ровной поверхности.
На фото ниже показано как опустить подушку ниже. Круговыми движениями в разные стороны можно стачивать подушку о камень или наждачную бумагу, тем самым опуская ее. Потерли подушку проверили, и так до нужного зазора.
Фото. Опускаем подушку на точильном камне.
После установки головки на двигатель, обязательно на всякий случай проверьте распедвалы на вращение как показано на фото ниже. Также эту процедуру по подгонки распредвалов можно делать не снимая головки с двигателя, эта необходимость бывает если есть большая выработка в подушках распредвалов, рапредвалы болтаются и стучат. Здесь придется сажать подушки.
Фото. Поставленная головка 406 двигателя с ключом для проверки вращения рапредвала, подложенной подкладкой из бумаги под подушку.
После проверки лишнюю бумагу обрежьте ножом.
Как видите даже из таких нестыковок можно сделать хорошую головку, что распредвалы будут работать как новые тихо и приятно.
Как выставить метки ГРМ 406 двигателя
Метки ГРМ на 406 двигателе можно выставлять двумя способами, первый по заводской инструкции но по ней сложней и можно легко ошибиться.
Так как метки на звездочках нужно расположить по внешнему радиусу звездочек.
Мой способ проще, показан на картинке ниже. Метки на звездочках расположите по внутреннему радиусу также противоположно друг другу. Когда метки находятся рядом четко видать точность их совпадения.
В этот момент по ходу вращения коленвала цепь должна быть натянута, проверить можно так, после установки цепи по меткам, проверните коленвал против часовой стрелки на десять градусов. Распредвалы также против часовой стрелки до натяжки цепи. Теперь верните коленвал на метку, проверти совпадение меток звездочек.
Картинка. Метки ГРМ 406 двигателя
Что делать сорвало резьбу под болтом подушки?
Что делать, можно плакать но слезами не исправишь, можно нарезать резьбу крупней, а можно углубить резьбу и нарезать резьбу глубже, мне этот вариант больше нравиться, но нужно и подобрать и длинней болт. Болт можно взять длинней и обрезать его до нужного размера.
Фото.
Углубляем отверстие под болт.
В 406 головке есть особенность, отверстие что ближе к центру можно сверлить насквозь, а по краям глубже на десять-одиннадцать миллиметров так как если сверлить глубже можно повредить канал давления масла. Либо в крайних отверстиях нарезать резьбу крупней. Родная резьба стандарт М8.
Фото. Метчик для нарезания резьбы в головке.
Сборка 406 ЗМЗ, ремонт головки. Видео.
Горобинский С.В.
Процедура подмены цепи ГРМ ЗМЗ-406 Волга ГАЗ-31105 (видео)
Мечта наших отцов и дедов Волга. Не так давно нас посетил мой старенькый друг на собственной любимице ГАЗ 31105. Показавшейся сторонний шум со стороны привода ГРМ, также увеличенный расход и нехорошая приемистость, приговаривает цепи газораспределительного механизма. Итак, ГАЗ 31105, двигатель 406 замена цепи ГРМ.
Оговоримся сразу, что нам понадобится: масло в двигатель с фильтром и прокладка поддона картера, лучше, что бы она была пробковая, герметик высокотемпературный, серый 999 фирмы ABRO, керосин и щетка по металлу, для промывке деталей.
Чистый двигатель я видел только у новой Волге. Не зря говорят: «Если у Волге не течет масло, значит его нет». Еще набор ключей и головок с усиленной на 36, шестигранник на 6, много ветоши, растворимый кофе и несколько бутербродов с колбасой. А так же терпение и огромное желание провести данную процедуру самостоятельно, поскольку очень велик соблазн поручить это кому ни будь другому. Прочитав статью до конца, вы поймете почему.
Самое главное, это комплект для ремонта привода газораспределения двигателей ЗМЗ-405,406,409 полный – это его официальное название. В него обязательно должны входить следующие ингредиенты:
- Два натяжителя цепи.
- Два гидронатяжителя цепи.
- Две цепи привода, малая и большая. Для ЗМЗ-406 70 и 90 звеньев, для ЗМЗ-405 72 и 92 звена.
- Три успокоителя цепи.
- Прокладки крышки цепи верхней и нижней, помпы и крышки гидронатяжителя, а так же две шумоизоляционных.
- Звездочки коленчатого и распределительного валов, промежуточного вала ведущая и ведомая с фиксирующей пластиной.

Выглядит он так.
А вот и сам пациент.
Под капотом действительно двигатель ЗМЗ-406.
Закончили осмотр, приступаем к силовым упражнениям
Для начала снимаем защиту двигателя и брызговик. Сливаем антифриз и масло из двигателя. Снимаем верхний патрубок радиатора.
Отсоединяем все мешающие патрубки.
Убираем в сторону жгут проводов. Запоминаем или зарисовываем расположение разъемов на катушках зажигания.
Головкой на 12 отворачиваем восемь болтов по кругу держащих клапанную крышку и снимаем последнею.
Пока натянут сервисный ремень, ослабляем три болта на 10 шкива помпы.
Ослабляем болт на 13, натяжного ролика и откручивая болт на 10 ослабляем натяжение ремня вспомогательных агрегатов.
Снимаем сервисный ремень, ролик и шкив насоса охлаждающей жидкости.
Отворачиваем четыре винта верхней крышки ГРМ и снимаем последнею.
Снимаем генератор вмести с треугольной пластиной.
Откручиваем болт на 10 датчика положения коленвала.
Читайте
Убираем датчик в сторону, что бы не мешал.
Головкой на 36 за болт шкива проворачиваем коленчатый вал по часовой стрелки до момента, когда метки на распределительных валах будут указывать на верхнею мертвую точку.
Метка на распредвале впускных клапанов должна оказаться на уровне верхней кромки головки блока цилиндров .
Аналогично для распредвала выпускных клапанов.
Установка зажигания 406 двигателя автомобиля
Старина прям мастер)))))))))))
ГАЗЕЛЬ — установка расспредвалов по меткам
Новый метод с доработкой Хочешь больше видео уроков?
Откручиваем болт шкива коленчатого вала, предварительно застопорив коленвал. Для этого, помощник в салоне включает пятую передачу и изо всех сил жмет на тормоз, а мы в это время легким движением руки с использованием метровой трубы и головки на 36 отворачиваем болт.
Снимаем шкив коленвала, придется помучится, поскольку сидит на валу он плотно.
Ослабляем хомуты патрубков помпы.
Шестигранником на 6 откручиваем четыре винта с передней стороны помпы и ключом на 12 один с задней стороны и снимаем насос охлаждающей жидкости.
Откручиваем два болта крышки верхнего гидронатяжителя. Поскольку натяжитель в разряженном состояние он будет давить на крышку, придерживаем ее что бы не выскочила.
Снимаем крышку и сам гидронатяжитель.
Аналогично и нижнем.
Откручиваем шесть болтов на 14 усилителя и снимаем его. Под ним спрятались гайки крепления масленого поддона.
Шестигранником откручиваем оставшиеся винты передней крышки ГРМ (5 штук), а так же все что держит масленый поддон (11 винтов и 4 гайки).
Поддон опускается вниз примерно на два сантиметра, дальше не дает балка. Но это хватает что бы вытащить старую прокладку и вспоминая добрыми словами инженеров из Горькова отчистить прилегающие поверхности перед установкой новой прокладки.
Вот такая страшная картина предстает перед нашим взором.
Теперь снимаем нижнею крышку ГРМ.
Шестигранником откручиваем винты верхнего успокоителя и снимаем его.
Аналогично со вторым. Снимется он вместе с цепью.
На распределительных валах есть специальный квадрат под ключ на 30, для того что бы можно было держать валы при откручивании болта звездочки. Ключом на 30 держим валы и на 17 откручиваем звездочки распредвалов.
Снимаем звездочки распределительных валов и цепь с успокоителем.
Читайте
Шестигранником отворачиваем крепление натяжителя цепи и снимаем его. Аналогично с нижнем.
Отгибаем края стопорной пластины и ключом на 12 отворачиваем болты крепления звездочки промежуточного вала . Снимаем ее вместе с цепью. После чего шестигранником откручиваем два болта нижнего успокоителя и снимаем его.
В двигателе змз 406 система зажигания лишена традиционного трамблера.
Его функцию выполняет КМСУД – комплексная микропроцессорная система управления двигателем.
В двигателе змз 406 система зажигания лишена традиционного трамблера. Его функцию выполняет КМСУД – комплексная микропроцессорная система управления двигателем. Эдакий мини-компьютер, в простонародье именуемый блоком управления.
Информацию блок считывает с различных датчиков. И главные сигналы идут с датчиков положения коленчатого и распределительного валов.
То есть, установка зажигания змз 406 карбюратор ограничивается выставлением фаз газораспределительного механизма (ГРМ)
Система газораспределения в ДВС – это работа впускных и выпускных клапанов относительно положения поршней в цилиндрах двигателя. Клапанами в змз 406 управляют два распредвала, а поршни жестко связаны с коленвалом. Чтобы не было сбоя в фазах ГРМ, коленвал и распредвалы нужно выставить «по меткам».
Для того, чтобы выставить валы по меткам, с двигателя нужно снять верхний гидронатяжитель цепи (в змз 406 их два – верхний и нижний) и переднюю крышку головки блока цилиндров.
У Газели на 406 двигателе метки зажигания выставляются в следующем порядке:
- Выставить метку на коленвале. Метка в виде риски нанесена на демпфере, закрепленном на шкиве вала. На блоке двигателя (точнее, это называется – нижняяя крышка ГРМ) тоже есть метка. Она находится выше и чуть левей от оси коленвала. Метки должны совпасть. Для этого на болт, которым крепится шкив к коленчатому валу, надевается торцовый ключ на 36 и вращается по часовой стрелке.
- Выставить метки на распредвалах. Риски или точки нанесены на шестерни механизма газораспределения, закрепленные на распределительных валах. Метки должны «смотреть» в разные стороны и находиться четко на уровне верхнего края головки блока цилиндров. Правая ветвь цепи должна быть натянута, а левая – свободная.
- Вставить на место гидронатяжитель, сверху – крышку и прижать ее двумя болтами. Левая ветвь цепи при этом должна натянуться. Потом поставить на место переднюю крышку головки (правильно – верхняя крышка ГРМ)
Бывает так, что коленвал выставлен по метке, а распредвалы никак не хотят становиться как надо.
На это может быть несколько причин:
- Распредвалы работают не на 1-й, а на 4-й цилиндр. Решается просто – нужно сделать полный оборот коленвала, на 360°. После этого можно выставлять метки на распредвалах
- Цепь ГРМ растянулась. Решается проблема заменой цепи и шестерен, потому что у них наверняка тоже есть выработка.
- Провернулся демпфер на валу. К сожалению, и такое бывает. В этом случае приходится действовать по старинке: выкручивать свечу с первого блока цилиндров и выставлять поршень в крайнее верхнее положение. Это и будет соответствовать совпадению меток на коленвале.
В целом, выставление зажигания на змз 406 – не такая уж заумная процедура. Если один раз сделать самостоятельно, то в последующем эта работа будет казаться не сложнее, чем поменять масло в двигателе.
Система ГРМ двигателя ЗМЗ-406
В процессе эксплуатации, а также из-за погрешности при изготовлении
деталей привода газораспределительного механизма ГРМ ЗМЗ-406
автомобилей ГАЗ-3110 Волга, Газель-3302 возможно значительное отклонение
фаз газораспределения от заданных значений.
В то же время известно, что правильность фаз газораспределения является одним из важнейших факторов, влияющих на мощность, крутящий момент и экономические показатели двигателя.
Поэтому при снижении тяговых свойств двигателя, повышении эксплуатационного расхода топлива и неустойчивой работе двигателя возникает необходимость проверить и, при необходимости, правильно установить фазы ГРМ.
Двигатель ЗМЗ-406 имеет два газопровода: впускной и выпускной.
Впускной газопровод состоит из впускной трубы и ресивера, отлитых из алюминиевого сплава и соединенных между собой через паронитовую прокладку пятью шпильками.
Впускная труба в сборе с ресивером через паронитовую прокладку пятью шпильками крепится к головке цилиндров справа.
Ресивер представляет собой емкость определенного объема, подобранную
таким образом, чтобы вместе с газовыми каналами впускной трубы,
имеющими одинаковую длину, форму и сечение для каждого цилиндра,
подобранными экспериментально, обеспечить настройку впускной системы, на
определенном скоростном режиме, на получение некоторого давления перед
впускными клапанами и тем самым иметь более высокое наполнение
цилиндров, а значит и более высокую мощность.
К фланцу ресивера через паронитовую прокладку четырьмя болтами крепится дроссельный патрубок (дроссель), в котором на горизонтальной оси установлена дроссельная заслонка, регулирующая подачу воздуха в цилиндры двигателя ЗМЗ-406.
Дроссельная заслонка управляется водителем от педали через рычаги и тросик, закрепленный на секторе рычага дроссельной заслонки.
На корпусе дроссельного патрубка установлен датчик положения дроссельной заслонки (ДПДЗ), подвижная часть которого соединена с осью дроссельной заслонки. ДПДЗ информирует электронную систему управления о величине открытия дроссельной заслонки.
На корпусе дроссельного патрубка установлены также четыре штуцера: два нижних и два верхних. К нижним штуцерам подсоединены шланги подвода и отвода охлаждающей жидкости для подогрева корпуса дроссели.
Два верхних штуцера служат: один для подсоединения трубки вентиляции
картера двигателя ЗМЗ-406 автомобилей ГАЗ-3110 Волга, Газель-3302,
другой для подсоединения трубки подачи воздуха к регулятору холостого
хода.
Кроме того, на ресивере закреплены: двумя болтами регулятор холостого хода и двумя болтами кронштейн наконечника трубки тросика управления дроссельной заслонкой.
Рис.4. Топливопровод двигателя ЗМЗ-406 автомобилей ГАЗ-3110 Волга, Газель-3302
1 — впускная труба; 2 — электромагнитная форсунка; 3 — штуцер; 4 — топливопровод; 5 — болт; 6 — регулятор давления топлива; I — от электробензонасоса; II — к ресиверу; III — к бензобаку
К впускной трубе двумя болтами М6 закреплен, отлитый из алюминия, топливопровод 4 (рис. 4) с установленными в нем четырьмя электромагнитными форсунками 2.
Другие концы электромагнитных форсунок двс ЗМЗ-406 автомобилей ГАЗ-3110 Волга, Газель-3302 входят в отверстия впускной трубы 1. Уплотнение форсунок в отверстиях топливопровода и впускной трубы осуществляется с помощью резиновых колец круглого сечения.
Выпускной газопровод (коллектор) отлит из чугуна, через
четыре стальных прокладки восемью шпильками крепится к головке
цилиндров
слева.
Для улучшения очистки цилиндров двигателя от отработавших газов и повышения мощностных показателей двигателя патрубки выпускного коллектора от первого и четвертого, а также от второго и третьего цилиндров попарно соединены между собой.
Распредвал двигателя ЗМЗ-406
Распредвалы ГРМ двигателя ЗМЗ-406 автомобилей ГАЗ-3110 Волга, Газель-3302 отлиты из чугуна. Двигатель имеет два распределительных вала: для впускных и выпускных клапанов.
Профили кулачков распределительных валов двс одинаковые. Для достижения высокой износостойкости рабочая поверхность кулачков отбелена до высокой твердости при отливке распределительного вала.
Каждый распредвал имеет пять опорных шеек. Первая шейка имеет диаметр 42 мм, остальные — 35 мм. Валы вращаются в опорах, образованных алюминиевой головкой и алюминиевыми крышками, расточенных в сборе.
Кулачки по ширине смещены на 1 мм относительно оси гидравлических
толкателей (гидрокомпенсаторов ЗМЗ-406), что при работе двигателя
придает
толкателю вращательное движение.
В результате этого уменьшается износ
торца толкателя и отверстия под гидрокомпенсатор ЗМЗ-406 и делает его
равномерным.
От осевых перемещений каждый распредвал удерживается упорным стальным термоупрочненным или пластмассовым фланцем, который входит в выточку крышки передней опоры и в проточку на передней опорной шейке распределительного вала.
Распредвалы ЗМЗ-406 автомобилей ГАЗ-3110 Волга, Газель-3302 обеспечивают следующие фазы газораспределения: впускные клапана открываются с опережением на 14° до прихода поршня в ВМТ, закрываются с запаздыванием на 46° после прихода поршня в НМТ, выпускные клапана открываются с опережением 46° до прихода поршня в НМТ и закрываются с запаздыванием на 14° после прихода поршня в ВМТ.
Указанные фазы газораспределения действительны при правильной установке привода распредвалов. Высота подъема клапанов 9 мм.
Привод распредвалов ЗМЗ-406
Привод распределительных валов двс ЗМЗ-406 автомобилей ГАЗ-3110 Волга,
Газель-3302 (рис.
5) — цепной, двухступенчатый. Первая ступень — от
коленчатого вала на промежуточный вал, вторая ступень — от
промежуточного вала на распределительные валы.
Приводная цепь ГРМ первой ступени (нижняя) имеет 70 звеньев, второй ступени (верхняя) — 90 звеньев. Цепь втулочная, двухрядная с шагом 9,525 мм.
На коленчатом валу находится звездочка 1 из высокопрочного чугуна с 23-я зубьями. На промежуточном валу находится ведомая звездочка 7 первой ступени также из высокопрочного чугуна с 38-ю зубьями и ведущая стальная звездочка 8 второй ступени с 19-ю зубьями.
На распредвалах установлены звездочки 14, 16 из высокопрочного чугуна с 23-я зубьями.
Звездочка на распределительном валу устанавливается на передний фланец и установочный штифт и крепится центральным болтом М12х1,25.
Рис.5. Привод распредвалов ЗМЗ-406 автомобилей ГАЗ-3110 Волга, Газель-3302
1 — звездочка коленчатого вала; 2 — гидронатяжитель нижней цепи; 3 — шумоизолирующая резиновая шайба; 4 — пробка; 5 — башмак гидронатяжителя нижней цепи; 6 — нижняя цепь; 7 — ведомая звездочка промежуточного вала; 8 — ведущая звездочка промежуточного вала; 9 — башмак гидронатяжителя верхней цепи; 10 — гидронатяжитель верхней цепи, 11 — верхняя цепь; 12 — установочная метка на звездочке; 13 — установочный штифт; 14 — звездочка распределительною вала впускных клапанов; 15 — верхний успокоитель цепи; 16 — звездочка распределительного вала выпускных клапанов; 17 — верхняя плоскость головки блока цилиндров; 18 — средний успокоитель цепи; 19 — нижний успокоитель цепи; 20 — крышка цепи; М1 и М2 — установочные метки на блоке цилиндров
Распредвалы ГРМ ЗМЗ-406 вращаются в два раза медленнее коленчатого.
На
торцах звездочки коленчатого вала, ведомой звездочке промежуточного
вала и звездочках распределительных валов имеются установочные метки,
служащие для правильной установки распределительных валов и
обеспечения заданных фаз газораспределения.
Гидронатяжитель ЗМЗ-406
Натяжение каждой цепи (нижней 6 и верхней 11) производится автоматически — гидронатяжителями 2 и 10.
Гидронатяжители установлены в расточенные отверстия: нижний — в крышке цепи 20, верхний — в головке цилиндров, и закрыты алюминиевыми крышками, закрепленными к крышке цепи и к головке цилиндров двумя болтами М 8 через паронитовые прокладки.
Корпус гидронатяжителя ГРМ ЗМЗ-406 автомобилей ГАЗ-3110 Волга, Газель-3302 через шумоизолирующую резиновую шайбу 3 упирается в крышку, а плунжер через башмак действует на нерабочую ветвь цепи.
Кроме того, в крышке имеется отверстие с конической резьбой К 1/8″ закрытое пробкой 4, через которое гидронатяжитель «разряжается».
Башмак изготовлен из пластмассы с криволинейной рабочей поверхностью и
со стальной опорной площадкой, на которую давит плунжер
гидронатяжителя.
Башмаки 5 и 9 установлены консольно на осях, ввернутых в передний торец блока цилиндров.
Рабочие ветви цепей проходят через успокоители 15, 18 и 19, изготовленные из пластмассы и закрепленные двумя болтами М 8 каждый: нижний -19 на переднем торце блока цилиндров, верхний 15 и средний 18 — на переднем торце головки цилиндров.
Гидронатяжитель ГРМ ЗМЗ-406 (рис. 6) стальной, выполнен в виде плунжерной пары, состоящей из корпуса 4 и плунжера 3.
Внутри плунжера установлена пружина 5, которая сжата корпусом клапана 1 с наружной резьбой, в котором расположен обратный шариковый клапан.
Корпус 4 и плунжер 3 связаны между собой через храповое устройство, состоящее из запорного кольца 2, кольцевых канавок в корпусе и канавки специального профиля на плунжере.
Гидротолкатель ЗМЗ-406 автомобилей ГАЗ-3110 Волга, Газель-3302 устанавливается на двигатель в «заряженном» состоянии, когда плунжер 3 удерживается в корпусе 4 с помощью стопорного кольца 6.
Рис.
6. Гидронатяжитель ЗМЗ-406 автомобилей ГАЗ-3110 Волга, Газель-3302 в
сборе
1 — корпус клапана в сборе; 2 — кольцо запорное; 3 — плунжер; 4 — корпус; 5 — пружина; 6 — кольцо стопорное
В рабочем состоянии гидронатяжитель «разряжен», когда стопорное кольцо 6 выведено из канавки в корпусе и не удерживает плунжер.
Гидронатяжитель работает следующим образом. Под действием пружины 5 и давления масла, поступающего из масляной магистрали, плунжер З нажимает на башмак цепи, а через него на цепь.
По мере вытяжки цепи и износа башмака плунжер выдвигается из корпуса 4, передвигая запорное кольцо 2 храпового устройства из одной канавки корпуса в другую.
При изменении скоростного режима работы двигателя и возникновении ударов со стороны цепи на башмак плунжер 3 движется назад, сжимая пружину 5, при этом шариковый клапан закрывается и происходит дополнительное демпфирование за счет перетекания масла через зазор между плунжером и корпусом.
Обратный ход плунжера ограничивается шириной канавки на плунжере.
Промежуточный вал ЗМЗ-406
Промежуточный вал двс ЗМЗ-406 автомобилей ГАЗ-3110 Волга, Газель-3302 (рис. 7) — стальной, двухопорный, установлен в приливах блока цилиндров, справа. Наружная поверхность вала углеродоазотирована на глубину 0,2-0,7 мм и термообработана.
Рис.7. Промвал двс ЗМЗ-406 автомобилей ГАЗ-3110 Волга, Газель-3302
1 — болт; 2 — стопорная пластина; 3 — ведущая звездочка; 4 — ведомая звездочка; 5 — передняя втулка вала; 6 — промежуточный вал; 7 — труба промежуточного вала; 8 — валик-шестерня; 9 — гайка; 10 — шестерня привода масляного насоса; 11 — задняя втулка вала; 12 — блок цилиндров; 13 — фланец промежуточного вала; 14 — штифт
Промежуточный вал вращается во втулках, запрессованных в отверстия в приливах блока цилиндров. Передняя 5 и задняя 11 втулки сталеалюминиевые.
От осевых перемещений промежуточный вал удерживается стальным
фланцем 13, который расположен между торцем передней шейки вала и
ступицей ведомой звездочки 4 с зазором 0,05-0,2 мм и закреплен двумя
болтами М8 к переднему торцу блока цилиндров.
Осевой зазор обеспечивается разницей размеров между длиной уступа на валу и толщиной фланца. Для повышения износостойкости фланец закален, а для улучшения приработки торцовые поверхности фланца шлифованы и фосфатированы.
На передний цилиндрический выступ вала установлена ведомая звездочка 4. Ведущая звездочка 3 цилиндрическим выступом устанавливается в отверстие ведомой звездочки 4, а ее угловое положение фиксируется штифтом 14, запрессованным в ступицу ведомой звездочки 4.
Обе звездочки «напроход» крепятся двумя болтами 1 (М8) к промежуточному валу. Болты контрятся отгибом на их грани углов стопорной пластины 2.
На хвостовике промвала ЗМЗ-406 с помощью шпонки и гайки 9 закреплена ведущая винтовая шестерня 10 привода масляного насоса.
Свободная поверхность промежуточного вала (между опорными шейками) герметично закрыта тонкостенной стальной трубой 7, запрессованной в приливы блока цилиндров.
Клапаны ЗМЗ-406
Клапаны двс ЗМЗ-406 автомобилей ГАЗ-3110 Волга, Газель-3302 приводятся
от распределительных валов непосредственно через гидравлические
толкатели 8 (рис.
8), для которых выпонены направляющие отверстия в
головке цилиндров.
Рис.8. Привод клапанов ЗМЗ-406 автомобилей ГАЗ-3110 Волга, Газель-3302
1 — впускной клапан; 2 — головка цилиндром; 3 — распределительный вал впускных клапанов; 4 — тарелка пружин клапана; 5 — маслоотражательный колпачок; 6 — наружная пружина клапана; 7 — распределительный вал выпускных клапанов; 8 — гидротолкатель; 9 — сухарь клапана; 10 — выпускной клапан; 11 — внутренняя пружина клапана; 12 — опорная шайба пружин клапана
Привод клапанов ЗМЗ-406 закрыт сверху крышкой, отлитой из алюминиевого сплава, с закрепленным с внутренней стороны лабиринтным масло отражателем с тремя маслоотводящими резиновыми трубками.
Крышку клапанов через резиновую прокладку и резиновые уплотнители свечных колодцев крепится к головке цилиндров восемью болтами М8.
Сверху на крышке клапанов устанавливается крышка маслозаливного отверстия и крепятся две катушки зажигания.
Клапана
изготовлены из жаропрочных сталей: впускной клапан — из хромокремнистой,
выпускной — хромоникельмарганцовистой и азотирован.
На рабочую фаску выпускного клапана дополнительно наплавлен жаростойкий хромоникелевый сплав.
Диаметр стержня клапанов ЗМЗ-406 — 8 мм. Тарелка впускного клапана имеет диаметр 37 мм, а выпускного — 31,5 мм. Угол рабочей фаски обоих клапанов 45°30.
На конце стержня клапана выполнены выточки для сухариков 9 (см. рис. 5) тарелки 4 пружин клапана. Тарелки пружин клапанов и сухарики изготовлены из малоуглеродистой стали и подвергнуты поверхностному нитроцементированию.
На каждый клапан устанавливается по две пружины: наружная 6 с правой навивкой и внутренняя 11 — с левой. Пружины изготовлены из термически обработанной высокопрочной проволоки и подвергнуты дробеструйной обработке.
Под пружины устанавливается опорная стальная шайба 12. Клапаны 1 и 10 работают в направляющих втулках, изготовленных из серого чугуна. Внутреннее отверстие втулок окончательно обрабатывается после их запрессовки в головку.
Втулки клапанов мотора ЗМЗ-406 снабжены стопорными кольцами,
препятствующими самопроизвольному перемещению втулок в головке.
Для уменьшения количества масла, просасываемого через зазоры между втулкой и стержнем клапана, на верхние концы всех втулок напрессованы маслоотражательные колпачки 5, изготовленные из маслостойкой резины.
Детали клапанного механизма: клапаны, пружины, тарелки, сухарики, опорные шайбы и маслоотражательные колпачки взаимозаменяемы с аналогичными деталями двигателя автомобиля ВАЗ-2108.
Гидротолкатель (гидрокомпенсатор) ЗМЗ-406
Гидротолкатель ЗМЗ-406 автомобилей ГАЗ-3110 Волга, Газель-3302 (рис. 9) стальной, его корпус 2 выполнен в виде цилиндрического стакана, внутри которого размещен компенсатор с обратным шариковым клапаном.
На наружной поверхности корпуса выполнена канавка и отверстие для подвода масла внутрь толкателя из магистрали в головке цилиндров. Для повышения износостойкости наружная поверхность и торец корпуса толкателя нитроцементированы.
Рис.9. Гидротолкатель (гидрокомпенсатор) ЗМЗ-406 автомобилей ГАЗ-3110 Волга, Газель-3302
1 — направляющая втулка компенсатора; 2 — корпус гидротолкателя; 3 — стопорное кольцо; 4 — корпус компенсатора; 5 — поршень компенсатора; 6 — обратный шариковый клапан; 7 — пружина
Гидрокомпенсаторы ГРМ ЗМЗ-406 устанавливаются в расточенные в головке
цилиндров отверстия диаметром 35 мм между торцами клапанов и
кулачками распределительных валов.
Гидротолкатель размещен в направляющей втулке 1, установленной и приваренной внутри корпуса гидротолкателя, и удерживается стопорным кольцом 3.
Гидрокомпенсатор состоит из поршня 5, опирающегося изнутри на донышко корпуса гидронатяжителя, и корпуса 4, который опирается на торец клапана.
Между поршнем и корпусом компенсатора установлена пружина 7, раздвигающая их и тем самым выбирающая возникающий зазор. Одновременно пружина 7 прижимает колпачок обратного шарикового клапана 6, размещенного в поршне.
Обратный шариковый клапан пропускает масло из полости корпуса гидротолкателя в полость компенсатора и запирает эту полость при нажатии кулачка распределительного вала на корпус гидротолкателя.
Работает гидротолкатель ЗМЗ-406 автомобилей ГАЗ-3110 Волга, Газель-3302
следующим образом: при нажатии кулачка распределительного вала на
торец корпуса гидротолкателя 2 (открытие клапана) шариковый клапан 6
закрывается, запирая находящееся внутри компенсатора масло, которое
становится рабочим телом, через которое передается усилие и движение от
кулачка к клапану.
При этом часть масла перетекает через зазор в плунжерной паре компенсатора в полость корпуса гидротолкателя, и поршень 5 несколько вдвигается в корпус компенсатора 4.
При закрытии клапана, когда снимается усилие с гидротолкателя, пружина 7 компенсатора прижимает поршень 5 и корпус гидротолкателя 2 к цилиндрической части кулачка, выбирая зазор, шариковый клапан 6 в компенсаторе открывается, впуская в полость компенсатора масло, после чего цикл повторяется.
Гидротолкатели (гидрокомпенсатор) автоматически обеспечивают беззазорный контакт кулачков
распределительных валов с клапанами, компенсируя износы сопрягаемых
деталей: кулачков, торцов корпуса гидротолкателя, корпуса компенсатора,
клапана, фасок седел и тарелок клапанов.
_____________________________________________________________________________
_____________________________________________________________________________
_____________________________________________________________________________
_____________________________________________________________________________
Общее устройство АКПП
- Обзор гидроаккумуляторов и преобразователей применяемых в АКПП
- Конструктивные особенности и параметры автоматических коробок передач
- Методы устранения неисправностей без демонтажа с двигателя
_____________________________________________________________________________
_____________________________________________________________________________
CVT вариатор Ауди
Коробка автомат Toyota
_____________________________________________________________________________
АКПП Mazda/Mitsubishi
Коробка автомат ZF
Порядок подключения в/в проводов ЗМЗ 405, 406, 409 — A116.
RU — КазаньПодключение высоковольтных проводов ЗМЗ 405, ЗМЗ 406
Двигатели ЗМЗ карбюраторный и Евро-2 оснащены системой зажигания DIS (Double Ignition System).
В системе DIS используются катушки зажигания с двумя высоковольтными проводами. Каждая катушка работает с соответствующей парой цилиндров.
Первая катушка работает с 1 и 4 цилиндрами, вторая катушка работает с 2 и 3 цилиндрами.
Как подключить катушки зажигания?
Катушка зажигания 1 и 4 цилиндров расположена ближе к впускному коллектору, катушка 2 и 3 цилиндров ближе к выпускному коллектору.
Низковольтные провода катушек обязательно подключать к катушке парой. Пара проводов на катушку 1-4 немного короче пары проводов на катушку 2-3.
Внутри пары неважно, на какой контакт какой подключается провод – катушки неполярные. Так же внутри пары не важно, какой высоковольтный провод идет на какой цилиндр.
Рассмотрим на примере (смотрите фото)
Управление катушкой 1 (1 и 4 цилиндры) – зеленый и желтый провода.
Эта пара подключается строго к катушке 1 и 4 цилиндров!
Далее:
Низковольтная цепь – полярность не важна – можно подключить:
Вариант 1: Верхний контакт катушки – желтый, нижний контакт – зеленый.
Вариант 2: Верхний контакт катушки – зеленый, нижний контакт – желтый.
Высоковольтные выходы – полярность не важна – можно подключить:
Вариант 1: Верхний вывод на 1 цилиндр, нижний выход на 4 цилиндр.
Вариант 2: Верхний вывод на 4 цилиндр, нижний выход на 1 цилиндр.
Управление катушкой 2 (2 и 3 цилиндры) – голубой и желтый провода. Эта пара подключается строго к катушке 2 и 3 цилиндров! Далее – аналогично паре 1-4 – полярность внутри пары не важна.
Определяющим фактором при подключении пар низковольтных и высоковольтных проводов к соответствующей катушке зажигания является правильность их трассировки. Провода не должны быть сильно натянуты, сильно перегибаться, не должны тереться о неподвижные части двигателя и другие провода.
Еще статья о высоковольтных проводах ЗМЗ 405, 406 — прочтите, чтобы не повторить эту ошибку.
Параметры значения 406 мотора делать девятки. Моторы с разными характерами
Модификации: ЗМЗ 4061.10 / 4062.10 / 4063.10 Бензиновый, 4-цилиндровый, рядный, инжекторный двигатель ЗМЗ-406 и его модификации, серийно выпускаются в промышленном производстве ОАО «ЗМЗ» с 1996 года. В том числе базовые детали к нему (блок цилиндров, головка блока цилиндров).
Это современный, скоростной двигатель, получивший широкое применение на отечественных автомобилях. Мощный, обеспечивает высокие разгонные и скоростные характеристики. Имеет чугунный блок цилиндров, 4-клапанную систему газораспределения на цилиндр, диафрагменное сцепление. Двигатель требует профессионального обслуживания в связи со сложной системой подачи топлива и электронной системой управления. Предназначен для установки на легковые автомобили среднего класса.
Характеристики двигателя ЗМЗ-406
| Производство | ЗМЗ |
| Марка двигателя | ЗМЗ-406 |
| Годы выпуска | 1997-2008 |
| Материал блока цилиндров | чугун |
| Система питания | инжектор/карбюратор |
| Тип | рядный |
| Количество цилиндров | 4 |
| Клапанов на цилиндр | 4 |
| Ход поршня, мм | 86 |
| Диаметр цилиндра, мм | 92 |
| Степень сжатия | 9. 38* |
| Объем двигателя, куб.см | 2286 |
| Мощность двигателя, л.с./об.мин | 100/4500* 110/4500** 145/5200 |
| Крутящий момент, Нм/об.мин | 177/3500* 186/3500** 201/4000 |
| Топливо | 92 76* |
| Экологические нормы | Евро 3 |
| Вес двигателя, кг | 185* 185** 187 |
| Расход топлива, л/100 км — город — трасса — смешан. | 13.5 — — |
| Расход масла, гр./1000 км | до 100 |
| Масло в двигатель | 5W-30 5W-40 10W-30 10W-40 15W-40 20W-40 |
| Сколько масла в двигателе | 6 |
| При замене лить, л | 5.4 |
| Замена масла проводится, км | 7000 |
| Рабочая температура двигателя, град. | ~90 |
| Ресурс двигателя, тыс. км — по данным завода — на практике | 150 200+ |
| Тюнинг — потенциал — без потери ресурса | 600+ до 200 |
| Двигатель устанавливался | ГАЗ 3102 ГАЗ 31029 ГАЗ 3110 ГАЗ 31105 ГАЗ Газель ГАЗ Соболь |
10
** — для двигателя ЗМЗ 4063.10Неисправности и ремонт
Двигатель ЗМЗ-406 преемник классического ЗМЗ-402, абсолютно новый мотор (пусть и сделан с оглядкой на Saab B-234), в новом чугунном блоке, с верхним расположением распредвалов, последних теперь два и, соответственно, мотор 16 клапанный. На 406-м появились гидрокомпенсаторы и возня с постоянной регулировкой клапанов вам не грозит. В приводе ГРМ используется цепь, которая требует замены раз в 100.000 км, на деле же, ходит более 200тыс., а иногда и до 100 не доезжает, поэтому раз в 50 тыс км нужно контролировать состояние цепи, успокоителей и гидронатяжителей, натяжители, обычно, очень низкого качества. Несмотря на то, что мотор простой, без изменяемых фаз газораспределения и прочих современных технологий, для ГАЗа, это большой прогресс, по отношению к 402-му движку. 1. Гидронатяжители цепи ГРМ. Он имеет свойство заклинивать, вследствии чего не обеспечивается отсутствие колебаний, возникает шум цепи, с последующим разрушением башмака, перескакиванием цепи, возможно даже ее разрушение.
В данном случае у ЗМЗ-406 есть преимущество, он не гнет клапана. 2. Перегрев ЗМЗ-406. Нередкая проблема, обычно виноват термостат и забитый радиатор, проверьте еще количество охлаждающей жидкости, если все в порядке, тогда ищите воздушные пробки в системе охлаждения. 3. Высокий расход масла. Обычно дело в маслосъемных кольцах и сальниках клапанов. Вторая причина это лабиринтный маслоотражатель с резиновыми трубками для маслоотвода, если между крышкой клапанов и пластиной лабиринта есть щель, то здесь и уходит масло. Крышка снимается, промазывается герметиком и проблем нет. 4. Провалы тяги, неравномерный ХХ, все это умирающие катушки зажигания. На ЗМЗ-406 это нередкость, меняйте и мотор полетит. 5. Стук в двигателе. Обычно в 406-ом стучат гидрокомпенсаторы и просятся на замену, ходят они, примерно, 50.000 км. Если же не они, тогда вариантов масса, от поршневых пальцев, до поршней, шатунных вкладышей и т.д., вскрытие покажет. 6. Двигатель троит. Смотрите свечи, катушки, меряйте компрессию.
7. ЗМЗ 406 глохнет. Дело, чаще всего, в ВВ проводах, датчике коленвала или РХХ, проверяйте.
Кроме того, постоянно глючат датчики, электроника низкого качества, случаются проблемы с бензонасосом, да и в общем, низкое качество сборки, характерное для российских моторов, не обошло и 406 двигатель. Несмотря на это, ЗМЗ 406 это гигантский шаг вперед, по сравнению с ЗМЗ-402 , конструкции середины 50-тых, мотор стал более современным, ресурс никуда не делся и по прежнему, при адекватном обслуживании, своевременном замене масла и спокойной манере вождения, может превысить 300 тыс.км.
В 2000 году, на базе ЗМЗ-406 был разработан двигатель ЗМЗ-405, а попозже появился 2.7 литровый ЗМЗ-409 , о нем отдельная статья.Модификации
1. ЗМЗ 4061.10 — карбюраторный двигатель, СЖ 8 под 76-й бензин. Используется на Газелях. 2. ЗМЗ 4062.10 — инжекторный двигатель. Основная модификация, используется на Волгах и Газелях. 3. ЗМЗ 4063.10 — карбюраторный двигатель, СЖ 9.3 под 92-й бензин.
Используется на Газелях.Тюнинг ЗМЗ-406
Первый вариант увеличения мощности двигателя, по традиции, атмосферный, а значит ставить будем валы. Начнем со впуска, ставим забор холодного воздуха, ресивер большего объема, распиливаем ГБЦ, дорабатываем камеры сгорания, увеличиваем диаметр каналов, шлифуем, ставим соответствующие, облегченные Т-образные, клапаны, пружины 21083 (для злых вариантов от BMW), валы (например ОКБ Двигатель 38/38). Крутить штатную, тракторную поршневую нет смысла, поэтому покупаем кованые поршни, легкие шатуны, облегченный коленвал, балансируем. Выхлоп на 63 мм трубе, прямоточный и все это настраиваем онлайн. Мощность на выходе ориентировочно до 200 л.с., а характер мотора получит ярко-выраженный спортивный оттенок.ЗМЗ-406 Турбо
Если же 200 л.с. для вас детские забавы и хочется реального огня, тогда наддув это ваш путь. Чтоб мотор нормально переносил высокое давление, мы поставим усиленную кованую поршневую группу под низкую СЖ ~8, в остальном конфигурация аналогична атмосферному варианту.
Турбина Garrett 28, коллектор под нее, пайпинги, интеркулер, форсунки 630сс, выхлоп 76мм, ДАД+ДТВ, настройка на Январе. На выходе имеем около 300-350 л.с.
Можно поменять форсунки на более производительные (от 800сс), ставить Garrett 35 и дуть пока мотор не развалится, таким образом можно выдуть 400 и более л.с.
Что касается компрессора, все аналогично турбированию, но вместо турбины, коллекторов, пайпов, интеркулера, мы ставим компрессор (например Eaton M90), настраиваемся и едем. Мощность компрессорных вариантов ниже, но мотор беспровальный и тянет с низов.На чтение 5 мин.
Двигатель змз 406 является четырёхцилиндровым, а также рядным с микропроцессорной системой зажигания. Змз 406 оснащённый карбюратором имеет мощность — 110 л. с., а с инжектором — 145 л. с. К тому же инжекторные модификации имеют, различаются экологическими нормами. Например, змз 4062.10 – 0-вой класс, а змз 40621.10 – класс Евро – 2. Лишней деталью в змз 406 считается масляный радиатор, потому как 6-той двигатель не греется.
В змз 405 масляный радиатор не выполняется своих функций, и двигатель перегревается в жару и естественно змз 406 карбюратор не заводиться.
Карбюратор ЗМЗ 406 начал выпускаться ещё с 1996-го года и с тех пор успел зарекомендовать себя хорошей надёжностью и простотой. Своей надёжностью он значительно превосходит устаревший движок змз 402 на газу, который после поломки заводится с трудом.
Двигатель змз 406 серии
Общие характеристики
Двигатель змз 406 является карбюраторным, четырёхцилиндровым, а также рядным с микропроцессорной системой зажигания. Змз 406 оснащённый карбюратором имеет мощность — 110 л. с., а с инжектором — 145 л. с. К тому же инжекторные модификации имеют, различаются экологическими нормами. Например, змз 4062.10 — 0-вой класс, а змз 40621.10 — класс Евро — 2. Лишней деталью в змз 406 считается масляный радиатор, потому как 6-той двигатель не греется. В змз 405 масляный радиатор не выполняется своих функций, и двигатель перегревается в жару и естественно не заводиться.
С карбюратором змз 406 не требует стольких затрат при оснащении газовым оборудованием. Причём это преимущество относится к пропану и метану, но с повышением класса экологических норм будет повышаться и стоимость газового оборудования.
Затраты бензина карбюраторного змз 406 напрямую зависит от условий и манеры езды, а также поры года. Система зажигания карбюраторного змз 406 считается достаточно надёжной. Двигатель сможет развивать скорость до 500-та тысяч километров при использовании качественного масла и бензина, а также аккуратным обращением с педалью.
Газель
Модель змз 40524.10 — это известный всем карбюратор газель. Марка автомобилей — “Газель” является одной из самых популярных и доступных в России грузовиков, которые изначально предназначались для перевоза не сильно больших грузов. Из-за огромного количества таких машин рассмотрим несколько нюансов разных систем газелей. Например, микропроцессорная система зажигания, которую устанавливают на 406 модель.
Если водитель утверждает, что его автомобиль издаёт некие хлопки, рывки и теряет свою мощность. В таком случае должна проверяться система питания, двигатель и система зажигания. Газовым анализатором не во время работы 1-ой и 2-ой камеры, отсечки, обогащении и за время холостого хода проверили карбюратор и не находим никаких нарушений. Дальше проверяют двигатель. При проверке компрессии никаких неполадок не было выявлено, но на следующий раз были обнаружены отклонения от нормы. Был сделан вывод, что не понравившиеся водителю рывки и хлопки были из-за прыжка зубьев верхней цепи.
Карбюратор змз 406 серии
Что делать при потере мощности газели?
С самого начала нужно выполнить проверить, как функционирует диагностическая цепь и бортовая система диагностики, потому как во время активирования режима изображения хода должен получаться код нарушения функционирования — 12. Для произведения считывания кода должен быть замкнут 10-ый и 12-ый контакты колодки диагностики.
При помощи тостера диагностики производятся замеры параметров датчиков двигателя и тогда они сравниваются с типичными значениями средних двигателей. Самой распространённой причиной уменьшения мощности автомобиля является загрязнение трубки, которая соединяет впускной коллектор и датчик давления.
Система зажигания газели
Микропроцессорная система зажигания воспламеняет рабочую жидкость в цилиндрах и устанавливает необходимый угол опережения зажигания автомобиля для всех режимов двигателя. Система зажигания выполняет функцию регуляции работы экономайзера принудительного хода вхолостую. Благодаря системе зажигания функционирование двигателя становится более экономичным, контролируется соблюдение всех норм токсичности выходящих газов, происходит исключение детонации и повышение мощности автомобиля. Если сравнивать классическую систему с этой, то эта система зажигания является намного надёжней и долговечней. Здесь могут износиться только свечи зажигания.
Как работает режим диагностики?
Во время включения системы зажигания, начинает светиться сигнализатор.
В тот самый момент начинает работать система диагностики. Если всё система исправна, то лампочка перестаёт светиться, а в обратном случае она продолжает гореть. То есть потухший сигнализатор говорит о том, что система зажигания абсолютно исправна.
Карбюратор змз 406 серии
Почему двигатель 406 иногда не заводится во время заморозка?
Самые распространённые причины, по которым не заводится двигатель 406:
- Некачественное масло;
- Недостаточно мощный аккумулятор, что не позволяет заводится двигателю;
- Неисправный стартер;
- Разрегулированная система зажигания;
- Некачественный бензин;
- Нарушение подачи бензина.
Как произвести регулировку карбюратора?
- Отсоедините шнур привода воздушной заслонки;
- Снимите воздушный фильтр и крышку карбюратора;
- Проверьте уровень поплавковой камеры, он должен быть ниже 3-х сантиметров от краёв;
- Снимите пробку с поплавочной тяги;
- Убедитесь в герметичности клапана уплотняющего кольца;
- Установите верхнюю часть карбюратора;
- Установите трос воздушной заслонки и воздушный фильтр;
- До самого конца вкрутите винтик по настройке хода вхолостую, выкрутив его на пять оборотов.
Такие же действия проведите с винтом качества, но уже выкручивайте его на три оборота; - Запустите силовой агрегат;
- Позвольте ему нагреться до 90⁰;
- Вращением винта эксплуатационного регулирования выберите частоту вращения коленчатого вала, около 700-от оборотов в минуту;
- Нажмите педальку акселератора и быстро отпустите. В случае заглушения мотора повысьте частоту;
- Заедьте в автосалон и отрегулируйте СО и СН мотора.
Можно с большой уверенностью сказать, что ЛЬВИНАЯ доля грузоперевозок сегодня приходится на автомобили Горьковского Автозавода. Двигатель 406 Газель имеет три модификации – две карбюраторные и одну инжекторную. Причем, инжекторный двигатель устанавливается как на микроавтобусы, так и на легковые автомобили.
К преимуществам 406 двигателя Газели можно отнести его экономичность, при высокой мощности. Что бы ни говорили, но надежность у двигателя высокая, только при правильном обслуживании и эксплуатации. Но есть и свои недостатки.
Двигатель очень привередлив к качеству моторного масла и к свечам зажигания. Плюс – система охлаждения двигателя несовершенна, возникает перегрев, так как нередко вентилятор на радиаторе отказывается работать.
Плюсы и минусы есть везде, но в целом, двигатель 406 – это надежный агрегат, который заслужил доверие многих автомобилистов. Ко всему прочему, в магазинах широкий выбор запчастей для этих двигателей. В случае поломки какого-то узла или капитального ремонта двигателя, вы потратите не очень много средств. Если сравнивать с обслуживанием двигателей зарубежного производства.
Характеристики двигателя.
Все три модификации (ЗМЗ-4061.10, ЗМЗ-4062.10 и ЗМЗ-4063.10) имеют рабочий объем 2,3 литра. Только первый двигатель карбюраторный, рассчитан под 76-й бензин, второй – инжекторный, под 92-й бензин, а третий – карбюраторный, также под 92-й. Диаметр цилиндра и ход поршня во всех трех модификациях одинаковый – 92 и 86 миллиметров, соответственно. Различная мощность у двигателей, в зависимости от модификации.
Например, двигатель Газель 4061.10 имеет мощность сто лошадиных сил, 4062.10 – 145 лошадиных сил, а 4063.10 – сто десять.
Применение инжекторной системы впрыска позволило поднять не только мощность, но и увеличить крутящий момент. Если на карбюраторном двигателе Газель, работающем на 76-м бензине, крутящий момент составляет 176 Нм, то на инжекторном варианте он уже равен 200 Нм. Соответственно, применение более мощного двигателя улучшает динамические характеристики автомобиля как с грузом, так и без. Это придает груженой Газели уверенность даже при прохождении подъемов.
Двигатель 406 – это, можно сказать, первый мотор, который работает под управлением электроники. Впервые в двигателе была применена электроника немецкой фирмы Bosch, причем, в большом количестве. Также, на Газелях внедрена двухконтурная система зажигания, с двумя катушками. Электронные блоки управления – отечественного производства (МИКАС, СОАТЭ).
Устройство двигателя ЗМЗ-406
1 – сливная пробка; 2 – масляный картер; 3 – выпускной коллектор; 4 – кронштейн опоры двигателя; 5 – кран слива охлаждающей жидости; 6 – водяной насос; 7 – датчик лампы перегрева охлаждающей жидкости; 8 – датчик указателя температуры охлаждающей жидкости; 9 – датчик темпера; 10 – термостат; 11 – датчик лампы аварийного давления масла; 12 – датчик указателя давления масла; 13 – шланг вентиляции картера; 14 – указатель (щуп) уровня масла; 15 – катушка зажигания; 16 – датчик фазы; 17 – теплоизоляционный экран.
Блок цилиндров отлит из серого чугуна. Между цилиндрами имеются каналы для охлаждающей жидкости. Цилиндры выполнены без вставных гильз. В нижней части блока находятся пять опор коренных подшипников коленчатого вала. Крышки коренных подшипников изготовлены из ковкого чугуна и крепятся к блоку двумя болтами. Крышки подшипников растачиваются совместно с блоком, поэтому их нельзя менять местами.
На всех крышках, кроме крышки третьего подшипника, выбиты их порядковые номера. Крышка третьего подшипника совместно с блоком обработана по торцам для установки полушайб упорного подшипника. К торцам блока болтами привернуты крышка цепи и сальникодержатель с манжетами коленвала. Снизу к блоку крепится масляный картер. Сверху на блоке установлена головка блока цилиндров, отлитая из алюминиевого сплава. В ней установлены впускные и выпускные клапаны. На каждый цилиндр установлены по четыре клапана, два впускных и два выпускных. Впускные клапаны расположены с правой стороны головки, а выпускные — с левой.
Привод клапанов осуществляется двумя распределительными валами через гидравлические толкатели. Применение гидротолкателей исключает необходимость регулировки зазоров в приводе клапанов, так как они автоматически компенсируют зазор между кулачками распределительных валов и стержнями клапанов. Снаружи на корпусе гидротолкателя имеется канавка и отверстие для подвода масла внутрь гидротолкателя из масляной магистрали.
Вид двигателя мод. 4062 с правой стороны.
1 – диск синхронизации; 2 – датчик частоты вращения и синхронизации; 3 – масляный фильтр; 4 – стартер; 5 – датчик детонации; 6 – трубка слива охлаждающей жидкости; 7 – датчик температуры воздуха; 8 – впускная труба; 9 – ресивер; 10 – катушка зажигания; 11 – регулятор холостого хода; 12 – дроссель; 13 – гидронатяжитель цепи; 14 – генератор.
Гидротолкатель имеет стальной корпус, внутри которого приварена направляющая втулка. Во втулке установлен компенсатор с поршнем. Компенсатор удерживается во втулке стопорным кольцом.
Между компенсатором и поршнем установлена разжимная пружина. Поршень упирается в донышко корпуса гидротолкателя. Одновременно пружина поджимает корпус обратного шарикового клапана.
Когда кулачок распределительного вала не нажимает на гидротолкатель, пружина прижимает через поршень корпус гидротолкателя к цилиндрической части кулачка распределительного вала, а компенсатор — к стержню клапана, выбирая при этом зазоры в приводе клапанов. Шариковый клапан в этом положении открыт, и масло поступает в гидротолкатель. Как только кулачок распределительного вала повернется и нажмет на корпус толкателя, корпус опустится вниз и шариковый клапан закроется.
Масло, находящееся между поршнем и компенсатором, начинает работать как твердое тело. Гидротолкатель под действием кулачка распредвала движется вниз и открывает клапан. Когда кулачок, поворачиваясь, перестает давить на корпус гидротолкателя, он под действием пружины перемещается вверх, открывая шариковый клапан, и весь цикл повторяется снова.
Поперечный разрез двигателя мод. 4062
1 – масляный картер; 2 – приемник масляного насоса; 3 – масляный насос; 4 – привод масляного насоса; 5 – шестерня промежуточного вала; 6 – блок цилиндров; 7 – впускная труба; 8 – ресивер; 9 – распределительный вал впускных клапанов; 10 – впускной клапан; 11 – крышка клапанов; 12 – распределительный вал выпускных клапанов; 13 – указатель уровня масла; 14 – гидравлический толкатель клапана; 15 – наружная пружина клапана; 16 – направляющая втулка клапана; 17 – выпускной клапан; 18 – головка блока цилиндров; 19 – выпускной коллектор; 20 – поршень; 21 – поршневой палец; 22 – шатун; 23 – коленчатый вал; 24 – крышка шатуна; 25 – крышка коренного подшипника; 26 – сливная пробка; 27 – корпус толкателя; 28 – направляющая втулка; 29 – корпус компенсатора; 30 – стопорное кольцо; 31 – поршень компенсатора; 32 – шариковый клапан; 33 – пружина шарикового клапана; 34 – корпус шарикового клапана; 35 – разжимная пружина.
В головке блока с большим натягом установлены седла и направляющие втулки клапанов.
В нижней части головки блока выполнены камеры сгорания, в верхней – расположены опоры распределительных валов. На опорах установлены алюминиевые крышки. Передняя крышка является общей для опор впускного и выпускного распределительных валов. В этой крышке установлены пластмассовые упорные фланцы, которые входят в проточки на шейках распределительных валов. Крышки растачиваются совместно с головкой блока, поэтому их нельзя менять местами. На всех крышках, кроме передней, выбиты порядковые номера.
Схема установки крышек распределительных валов.
Распределительные валы отлиты из чугуна. Профили кулачков впускного и выпускного валов одинаковые. Кулачки смещены на 1,0 мм относительно оси гидротолкателей, что при работе двигателя заставляет их вращаться. Это уменьшает износ поверхности гидротолкателя и делает его равномерным. Сверху головка блока закрыта крышкой, отлитой из алюминиевого сплава. Поршни также отлиты из алюминиевого сплава. На донышке поршня выполнены четыре углубления под клапаны, которые предотвращают удары поршня по клапанам при нарушении фаз газораспределения.
Для правильной установки поршня в цилиндр на боковой стенке у бобышки под поршневой палец отлита надпись: «Перед». Поршень устанавливают в цилиндр так, чтобы эта надпись была обращена к передней части двигателя. На каждом поршне установлены два компрессионных и одно маслосъемное кольца. Компрессионные кольца отлиты из чугуна. Бочкообразная рабочая поверхность верхнего кольца покрыта слоем пористого хрома, что улучшает приработку кольца.
Рабочая поверхность нижнего кольца покрыта слоем олова. На внутренней поверхности нижнего кольца имеется проточка. Кольцо должно устанавливаться на поршень этой проточкой вверх, к днищу поршня. Маслосъемное кольцо состоит из трех элементов: двух стальных дисков и расширителя. Поршень крепится к шатуну с помощью поршневого пальца «плавающего типа», т.е. палец не закреплен ни в поршне, ни в шатуне. От перемещения палец удерживается двумя пружинными стопорными кольцами, которые установлены в канавках бобышек поршней. Шатуны стальные кованые, со стержнем двутаврового сечения.
В верхнюю головку шатуна запрессована бронзовая втулка. Нижняя головка шатуна с крышкой, которая крепится двумя болтами. Гайки шатунных болтов имеют самостопорящуюся резьбу и поэтому дополнительно не стопорятся. Крышки шатунов обрабатываются совместно с шатуном, и поэтому их нельзя переставлять с одного шатуна на другой. На шатунах и крышках шатунов выбиты номера цилиндров. Для охлаждения днища поршня маслом в стержне шатуна и верхней головке выполнены отверстия. Масса поршней, собранных с шатунами, не должна отличаться более чем на 10 г для разных цилиндров.
В нижнюю головку шатуна устанавливают тонкостенные шатунные вкладыши. Коленчатый вал отлит из высокопрочного чугуна. Вал имеет восемь противовесов. От осевого перемещения его удерживают упорные полушайбы, установленные на средней шейке. К заднему концу коленчатого вала прикреплен маховик. В отверстие маховика вставлены распорная втулка и подшипник первичного вала коробки передач. На шатунах и крышках шатунов выбиты номера цилиндров.
Для охлаждения днища поршня маслом в стержне шатуна и верхней головке выполнены отверстия. Масса поршней, собранных с шатунами, не должна отличаться более чем на 10 г для разных цилиндров.
В нижнюю головку шатуна устанавливают тонкостенные шатунные вкладыши. Коленчатый вал отлит из высокопрочного чугуна. Вал имеет восемь противовесов. От осевого перемещения его удерживают упорные полушайбы, установленные на средней шейке. К заднему концу коленчатого вала прикреплен маховик. В отверстие маховика вставлены распорная втулка и подшипник первичного вала коробки передач.
Двигатель ЗМЗ-406 и его модификации, серийно выпускаются в промышленном производстве ОАО «ЗМЗ» с 1996 года, предназначен для установки на легковые автомобили марки ГАЗ, такие как , ГАЗ-31105, ГАЗ-3102 и « ». Двигатель требует профессионального обслуживания в связи со сложной системой подачи топлива и электронной системой управления.
Характеристики двигателя ЗМЗ-406 2.3 16V Волга, Газель, Соболь
| Параметр | Значение |
|---|---|
| Конфигурация | L |
| Число цилиндров | 4 |
| Объем, л | 2,280 |
| Диаметр цилиндра, мм | 92 |
| Ход поршня, мм | 86 |
| Степень сжатия | 9,3 |
| Число клапанов на цилиндр | 4 (2-впуск; 2-выпуск) |
| Газораспределительный механизм | DOHC |
| Порядок работы цилиндров | 1-3-4-2 |
| Номинальная мощность двигателя / при частоте вращения коленчатого вала | 106,6 кВт — (145 л. с.) / 5200 об/мин |
| Максимальный крутящий момент / при частоте вращения коленчатого вала | 200.9 Н м / 4500 об/мин |
| Система питания | распределенный впрыск с микропроцессорным управлением |
| Рекомендованное минимальное октановое число бензина | 92 |
| Экологические нормы | Евро 0 |
| Вес, кг | 192 |
Конструкция
Четырехтактный двигатель с электронной системой управления впрыском топлива и зажиганием, с рядным расположением цилиндров и поршнями, вращающими один общий коленчатый вал, с верхним расположением двух распределительных валов. Двигатель имеет жидкостную систему охлаждения закрытого типа с принудительной циркуляцией. Система смазки комбинированная: под давлением и разбрызгиванием.
Блок цилиндров
Блок цилиндров ЗМЗ-406 отливается из серого чугуна. На верхней плоскости блока цилиндров двигателя ЗМЗ-406 расположены десять резьбовых отверстий М14х1,5 для крепления головки цилиндров.
В нижней части блока ЗМЗ-406 расположены пять опор коренных подшипников коленчатого вала.
При ремонте цилиндров предусмотрены два ремонтных размера: 1-й и 2-й. С такими же ремонтными размерами выпускаются поршни и поршневые кольца.
Коленчатый вал
Коленчатый вал отлит из высокопрочного чугуна ВЧ60 (более прочен по отношению к ВЧ50), имеет полноопорную конструкцию и восемь противовесов (по два противовеса для каждого кривошипа для лучшей разгрузки от центробежных сил и изгибающих моментов).
Поршень
| Параметр | Значение |
|---|---|
| Диаметр, мм | 92,0 |
| Компрессионная высота, мм | 38,0 |
| Объем внутренней выемки, сс | 2,66 |
| Вес, г | 431 |
Поршни по наружному диаметру юбки и цилиндры по внутреннему диаметру сортируются на две размерные группы (1-ая и 2-ая). Поршневой палец плавающего типа, наружный диаметр пальца 22 мм, длина – 64мм.
Весь пальца составляет 121г.
Силовой агрегат семейства ЗМЗ-406 представляет собой бензиновый двигатель внутреннего сгорания, который выпускается ОАО «Заволжский Моторный Завод». Разработку начали в 1992 году, а в серийное производство мотор поступил в 1997-м. На нем впервые применили систему впрыска топлива.
Двигатель ЗМЗ-406 имел широкое применение и устанавливался на автомобилях Горьковского завода (ГАЗ-3102, 31029, 3110 и модельного ряда семейства «Газель»).
Флагманом семейства стал мотор ЗМЗ-4062.10 объемом 2,28 литра и мощностью 150 «лошадей».
Силовая установка ЗМЗ-4062.10 предназначена для комплектации легковых автомобилей и микроавтобусов. А моторы ЗМЗ-4061.10 и ЗМЗ-4063.10 — для комплектации грузовых автомобилей небольшой грузоподъемности.
Описание двигателя
Предварительно мотор проектировался под новомодные системы питания и зажигания, которые управлялись микропроцессором.
Данный двигатель был впервые оснащен четырьмя клапанами на каждый цилиндр, с гидротолкателями и двумя распредвалами с двойным цепным приводом.
Также были установлены электронная система подачи топлива и электронное зажигание.
Четыре цилиндра имеют рядное расположение, водяную рубашку охлаждения и управляемый впрыск топлива.
Порядок работы поршней: 1-3-4-2.
ЗМЗ-406 инжектор работает на бензине А-92. Ранее производилась карбюраторная версия двигателя 4061, которая работала на семьдесят шестом бензине. Она имела ограничения в плане выпуска.
Агрегат неприхотлив в обслуживании. Он имеет высокую степень надежности. Позже на его базе были разработаны установки ЗМЗ-405 и 409, а также дизельный вариант мотора с маркировкой ЗМЗ-514.
К недостаткам двигателя можно отнести громоздкость привода газораспределительного механизма, что объясняется его невысоким качеством исполнения и рядом технологических недоработок.
Технические характеристики ЗМЗ-406
Данный силовой агрегат производился с 1997 по 2008 г. Картер цилиндров изготовлен методом литья из чугуна, он имеет рядное положение цилиндров. Масса двигателя равна 187 килограммам.
Оснащается карбюраторной системой подачи топлива либо инжектором. Рабочий ход поршня составляет 86 миллиметров, а диаметр цилиндра — 92 миллиметра. При этом рабочий объем двигателя составляет 2286 сантиметров кубических и способен развивать мощность в 177 «лошадок» при 3500 оборотах в минуту.
Карбюраторный мотор
ЗМЗ-406 карбюратор (402-й мотор) выпускался с 1996 года и успел зарекомендовать себя как простой и надежный агрегат. Данное устройство развивает мощность 110 лошадиных сил. Расход топлива автомобиля на этом двигателе зачастую зависит от манеры вождения и условий эксплуатации. Система питания карбюраторного агрегата довольно надежна. При своевременном обслуживании и нормальной эксплуатации, с применением качественного смазывающего материала и бензина, он может пройти до 500 тысяч километров пробега без серьезных поломок. Конечно, за исключением расточки коленвала, которая необходима этому агрегату раз в 250 тысяч километров.
Система зажигания
На двигателях ЗМЗ-406 зажигание осуществляется путем воспламенения топливной смеси с помощью микропроцессорной системы.
Для всех рабочих режимов двигателя электроника устанавливает необходимый угол опережения воспламенения. Также она выполняет функцию регулировки рабочего процесса экономайзера принудительного холостого хода. За счет работы этой системы двигатель отличается своими высокими экономическими показателями, ведется контроль нормы токсичности отработанных газов, исключается момент детонации и повышается мощность силового узла. В среднем автомобиль «ГАЗель» расходует порядка 8-10 литров бензина на 100 километров пути при средних нагрузках. Однако если перевести его на пропан или метан, «аппетит» машины возрастает почти в два раза.
Режим диагностики зажигания
При включении зажигания автомобиля автоматически вступает в работу система диагностики мотора ЗМЗ-406 (карбюратор ЗМЗ-405 — не исключение). Факт исправной работы электроника сигнализирует световой датчик. Он должен потухнуть при запуске двигателя.
В том случае, если диод продолжает светиться, это указывает на неисправность элементов и деталей электронной системы зажигания.
В таком случае поломку следует немедленно устранить.
Инжекторный мотор
По техническим характеристикам и составным деталям двигатель с инжекторной системой питания не особо отличается от карбюраторного аналога 405-й модели.
При должной эксплуатации этот агрегат не менее надежен и практичен нежели с карбюратором, а вдобавок имеет и свои преимущества:
- Стабильные холостые обороты.
- Низкий уровень вредных выбросов в атмосферу.
- Коэфициент полезного действия ЗМЗ-406 инжектор имеет значительно выше, нежел аналог с карбюратором, так как топливная смесь подается своевременно и в нужном количестве. Соответсвенно, экономия топлива налицо.
- Повышение экономии топлива.
- Не нуждается в длительном прогреве двигателя в зимний период.
Единственным минусом инжекторного мотора является дороговизна в ремонте и обслуживании системы.
Провести диагностические и ремонтные работы не представляется возможным без специального оборудования и диагностических стендов.
Поэтому осуществить самостоятельный ремонт двигателя ЗМЗ-406 инжектор — достаточно хлопотное дело. Зачастую при возникновении поломок в системе впрыска автолюбителю приходится пользоваться услугами специализированных центров по обслуживанию топливной аппаратуры, что может стоить недешево и занять довольно длительное время. Для того чтобы как можно реже сталкиваться с данной проблемой, необходимо своевременно производить замену топливных фильтров и заправлять автомобиль качественным бензином.
Головка блока
Все модификации двигателей оснащались одной головкой, которая соответствовала требованиям «Евро 2». С введением дополнительных требований «Евро 3» она была доработана и усовершенствована. Она не взаимозаменяема с предыдущей моделью.
В новой головке отсутствуют проточки системы холостого хода, теперь их функции возложены на электронный управляемый дроссель. Передняя стенка детали оснащена отверстиями для крепления защитного кожуха цепи, а с левой стороны расположены отливы для монтажа кронштейнов ресивера системы впуска.
Деталь имеет запрессованные вставки из чугуна и направляющие втулки клапанов. Последние не нуждаются в периодической регулировке, так как их привод осуществляется с помощью цилиндрических толкателей с гидрокомпенсаторами. Модернизированная головка ЗМЗ-406 снизилась в весе на 1,3 килограмма. Устанавливая ее на двигатель, используют металлическую многослойную прокладку головки блока.
Блок цилиндров
Усовершенствуя двигатель ЗМЗ-406, инженеры смогли доработать картер и модернизировать процесс отливки. Так, удалось оснастить блок протоками в отливке между цилиндрами. Благодаря этому данный элемент стал жестким, а крепление головки осуществляется за счет более глубоких резьбовых отверстий и удлиненных болтов. В нижней части картера имеются отливы, образующие опоры коленвала вместе с крышками коренных подшипников. Крышки отлиты из чугуна и крепятся к блоку при помощи болтов.
Распределительный вал
Распредвал ЗМЗ-406 изготовлен путем отлива из чугуна с последующей обработкой и закалкой.
Валы приводятся в движение за счет цепной передачи. На двигателе установлены два вала, профили кулачков которых имеют одинаковый размер.
Осевое смещение кулачков составляет один миллиметр по отношению к гидротолкателям. Этот фактор способствует вращению элементов гидроприводов при работающем двигателе, что существенно влияет на износ рабочей поверхности толкателя и делает его равномерным.
Цепной привод валов имеет гидравлические натяжители, которые работают от давления масла в смазывающей системе. Детали действуют на цепи непосредственно через пластиковые башмаки, которые крепятся на осях. На двигателях ЗМЗ-406 после модернизации для повышения практичности и долговечности стали применять вместо башмаков звездочки. Последние фиксируются на поворотных рычагах. Крепежные оси звездочек взаимозаменяемы с осями башмаков. Вместо удлинителя оси башмака натяжения верхней цепи стали использовать проставку, крепление которой к блоку осуществляется болтами.
Двигатель ЗМЗ-406 оснащается цепями привода распределительных валов.
Их нет возможности заменить цепями, которые устанавливали на более ранние версии моторов.
Поршни
Они отливаются из сплава алюминия и имеют проточки под два кольца компрессионных и одно маслосъемное. Во время работы днище поршня охлаждается маслом через масленку в верхней головке шатуна.
Сферическая рабочая поверхность верхнего компрессионного кольца имеет слой покрытия хромом, что способствует лучшей притирке кольца. Второй элемент покрыт слоем олова. Маслосъемное кольцо — комбинированного типа, оно состоит из расширителя и двух стальных дисков. Крепление поршня к шатуну осуществляется при помощи пальца, фиксируемого на два штопорных кольца.
Коленчатый вал
Отлит из чугуна с последующей обработкой и закалкой поверхности шеек токами высокой частоты. Устанавливается в блоке на пяти коренных подшипниках.
Перемещение коленвала соответственно оси ограничивается штопорными полукольцами, которые размещены в проточных пазах опоры и крышки третьего коренного подшипника.
На валу находятся противовесы в количестве восьми штук. К задней части вала крепится маховик, в отверстии которого впрессована распорная втулка и подшипник качения первичного вала коробки переключения передач.
Масло
Силовая установка ЗМЗ-406 оснащена комбинированной системой смазки. Под действием давления происходит процесс смазки поршневых пальцев, шатунных и коренных подшипников коленвала, смазываются опорные точки распределительных валов, гидропривод клапанов, промежуточный вал и ведомая шестерня масляного насоса. Все другие детали и элементы мотора смазываются посредством разбрызгивания масла.
Масляный насос — шестеренчатого типа, имеет одну секцию и приводится в действие от промежуточного вала через винтовые шестерни. Система смазки оснащена масляным радиатором и полнопроточным фильтром очистки.
Вентиляция картера закрытого типа, с принудительным отводом газов.
Итак, мы привели подробное описание всех узлов, агрегатов и систем двигателя.
Схема ЗМЗ-406 находится на фото выше.
Гори ясно! — журнал За рулем
АВТОКЛУБ
ДИАГНОСТИКА: СИСТЕМА ЗАЖИГАНИЯ ЗМЗ-406
ГОРИ ЯСНО!
ГЕННАДИЙ ЕМЕЛЬКИН
Вы наверняка знаете, что для работы двигателя необходимо обеспечить не только хорошее наполнение цилиндров смесью воздуха и топлива, но и правильно эту смесь воспламенять. Разбираясь с условиями пуска двигателя ЗМЗ-406, в предыдущих номерах журнала мы уже проверили электрические цепи бензонасоса и форсунок, измерили давление топлива, убедились в том, что оно исправно подается в цилиндры. Значит, отказ мотора запуститься, скорее всего, связан с неполадками в зажигании. Какими именно?
Чтобы контроллер подавал управляющие команды форсункам и катушкам зажигания, сам он должен получать сигналы с датчика положения коленчатого вала. В исправности этого датчика мы уже убедились, когда проверяли, срабатывает ли форсунка (фото 1). Если это так, то имеет смысл сразу оценить работоспособность высоковольтной части системы зажигания — это самое простое.
Вынув свечной наконечник одного из цилиндров, вставляем в него пробник и зажимом соединяем с болтом клапанной крышки (фото 2). Можно вместо пробника воспользоваться исправной свечой, корпус которой любым способом (например, проводом) соединили с «массой». Включаем стартер. Нет искры? Вот теперь будем проверять низковольтные цепи. К каждой катушке зажигания идут два провода. На колодке розового при включенном зажигании должен быть «плюс» 12 В (фото 3).
Если его нет (лампочка пробника не горит), проверяем предохранитель на 15 А — пятый справа (фото 4, стрелка). Если этот участок цепи исправен, а «плюс» на розовый провод все-таки не подается, то обрыв цепи нужно искать где-то ближе к ее началу — например, в замке зажигания. Нередко виновницей неприятностей оказывается установленная на машине система сигнализации, самопроизвольно разорвавшая цепь.
Ну а если напряжение на колодку розового провода поступает, а катушка зажигания не работает, то не в порядке она сама. Здесь не забудем, что каждая обслуживает только два цилиндра, так что при отказе одной из катушек другая позволяет двигателю работать на двух оставшихся цилиндрах.
Вероятность одновременного отказа катушек невелика.
Кстати, как их проверить? Разъем с розовым проводом подключим к катушке, а другой отсоединим. Если первичная обмотка цела, то при включенном зажигании на освободившемся выводе должен появиться «плюс» (фото 5). Нет? Катушка неисправна, ее придется заменить. Бывает, что первичная обмотка в порядке, а дефект — во вторичной. В этом случае высокого напряжения катушка все равно не выдает — необходима замена.
А теперь рассмотрим любопытную ситуацию: искра на свечах есть, топливо в цилиндры исправно подается, а мотор отчего-то не заводится! Это беда, в основном, начинающих «ремонтников»: если для чего-либо снимали клапанную крышку и отсоединяли от катушек провода, то почему бы при сборке не поразвлечься, перепутав их местами! Когда сигнал контроллера, адресованный катушке первого и четвертого цилиндров, приходит на катушку второго и третьего, мотор работать не может.
Случается, что катушки исправны, все провода на своих местах, а мотор не работает.
Правда, сигнал на форсунках не был проверен — возможно, это отложили «на потом»… Тогда ничего не остается, как проверить цепь управления катушками: поступают ли на них команды контроллера? Запомним: за работу первого и четвертого цилиндров отвечает первый контакт в колодке контроллера, а второго и третьего — двадцатый контакт. Сам контроллер легко доступен — он находится в салоне, под панелью приборов справа (фото 6). Но прежде чем отстыковать его разъем, не забудем отсоединить минусовую клемму аккумуляторной батареи. Теперь можно проверить цепи от катушек до контроллера. Если они исправны, логично предположить, что дефект — в самом контроллере. Такой заменяют новым или сдают в ремонт.
А теперь рассмотрим случай, когда нет ни сигналов на форсунках, ни искры на свечах, иначе говоря, первым под подозрение попадает датчик положения коленчатого вала. Как его проверить? Подключаем к контактам 1 и 2 его разъема мультиметр (фото 7), включаем режим измерения переменного напряжения, прокручиваем коленвал стартером.
Нет сигнала — виноват датчик. Есть переменное напряжение около 4,6 В — датчик жив! В чем же тогда дело?
Вполне возможно, что этот сигнал до контроллера и не доходит! Как это проверить?
Снова отключаем батарею, затем — колодку от контроллера. Теперь подключаем батарею, и можно проверять интересующую нас цепь. Прокручивая стартером коленвал, проверяем мультиметром напряжение на контактах 48 и 49 колодки. Нет напряжения — придется искать обрыв в цепи между колодкой и датчиком. Есть напряжение? Значит, неисправен сам контроллер.
Как видите, поиск причин остановки двигателя ЗМЗ-406 не сложней, чем двигателей ВАЗ. Здесь те же три элемента: работа электробензонасоса, форсунок, зажигания.
Система подачи топлива и зажигания в Голливуде, Флорида
Топливная система и система зажигания Как работает топливная система моего автомобиля? Топливная система вашего автомобиля обеспечивает подачу топлива в двигатель вашего автомобиля по мере необходимости, чтобы обеспечить его бесперебойную работу.
Топливная система состоит из нескольких частей, включая топливный бак, фильтр, насос, топливопроводы и впрыск или карбюратор. Со временем на этих деталях топливной системы образуются отложения, которые могут привести к замедлению работы системы.Вот почему так важно периодически привозить свой автомобиль в университетский автоцентр в Голливуде. Мы ремонтируем автомобили с 2000 года и хорошо знакомы со всеми частями вашей топливной системы.
Топливный насос вашего автомобиля подает топливо из бензобака в двигатель вашего автомобиля. Некоторые автомобили, в том числе Acura, Audi, BMW и Buick, имеют несколько насосов и баков, поэтому убедитесь, что у вас всегда есть топливо при движении по разной местности, например, при резком повороте или движении по крутому склону.Топливный насос также имеет топливопроводы, которые направляют топливо из бака в двигатель, где оно сгорает. Чтобы убедиться, что надлежащее количество топлива подается в двигатель, когда это необходимо, в вашем автомобиле есть заслонка с электронным управлением, называемая топливной форсункой, которая открывается ровно на время, достаточное для дозирования идеального количества топлива для запуска двигателя.![]()
Мы в Университетском автоцентре в Голливуде очень хорошо знакомы с тем, как работает впрыск топлива. Для того, чтобы двигатель вашего автомобиля работал бесперебойно, в нем должно быть обеспечено правильное соотношение топлива и воздуха.Топливная форсунка представляет собой клапан с электронным управлением, который подает топливо от топливного насоса к двигателю автомобиля. Топливная форсунка способна открываться и закрываться несколько раз в секунду. Когда форсунка активируется, электромагнит перемещает поршень, который открывает клапан, позволяя топливу под давлением выбрасываться через крошечное сопло. Форсунка спроектирована таким образом, чтобы распылять топливо как можно мельче, чтобы оно могло легко гореть. Топливная форсунка управляется блоком управления двигателем автомобиля или ЭБУ.
Как работает система зажигания автомобиля? Когда ваш двигатель смешивает воздух и топливо, появляется искра, вызывающая взрыв.
Эта искра называется зажиганием. Система зажигания состоит из катушки зажигания, распределителя, крышки распределителя, ротора, проводов и свечей зажигания. Вот краткий обзор того, что делает каждая из этих частей:
- Катушка зажигания использует относительно низкий заряд аккумулятора и превращает его в искру, достаточно мощную для воспламенения паров топлива.
- Распределитель — это вращатель, который распределяет искры к соответствующей свече зажигания в нужное время. Он делает это через вращающийся электрический контакт, называемый ротором.
- Свеча зажигания производит большую голубую искру, которая воспламеняет топливно-воздушную смесь и вызывает горение.
Система зажигания вашего автомобиля повторяет этот процесс тысячи раз в минуту во время вождения. Неотъемлемой частью является бесперебойная работа каждой части топливной системы и системы зажигания.Если у вас возникли какие-либо проблемы с вашим автомобилем, не стесняйтесь привезти его в Университетский автоцентр в Броварде сегодня.
Помимо ремонта топливной системы и системы зажигания, мы также предлагаем услуги по ремонту развал-схождения и тормозов.
Здесь, в Университетском автоцентре в Голливуде, штат Флорида, 33024, мы являемся экспертами во всем, что касается ремонта автомобилей, и можем эффективно и недорого отремонтировать вашу систему охлаждения.
причин, по которым вы должны иметь с нами дело:
- Прозрачность
- Честность
- Целостность
- Мы эксперты
- Лет опыта
Мы занимаемся ремонтом автомобилей с 2000 года, и наша команда ставит во главу угла высококачественное обслуживание клиентов.Наша миссия состоит в том, чтобы превзойти ваши ожидания, завоевав ваше доверие и предоставив самый надежный, честный и вежливый сервис, доступный сегодня на рынке. Если вы находитесь в Голливуде, Дэви, Флорида, Голливуде, Флорида, Пембрук-Пайнс, Флорида, Уэстон, Флорида или прилегающих районах, позвоните нам по телефону 954-450-3696 или посетите веб-сайт https://autocenterhollywood.
com/, чтобы Запланировать встречу! Университетский автоцентр — Качество и прозрачность при каждом ремонте!.
Система подачи топлива и зажигания в The V Shop
Топливная система и система зажигания Как работает топливная система моего автомобиля?Топливная система вашего автомобиля обеспечивает подачу топлива в двигатель вашего автомобиля по мере необходимости, чтобы обеспечить его бесперебойную работу.Топливная система состоит из нескольких частей, включая топливный бак, фильтр, насос, топливопроводы и впрыск или карбюратор. Со временем на этих деталях топливной системы образуются отложения, которые могут привести к замедлению работы системы. Вот почему так важно периодически привозить свой автомобиль в The V Shop на Плантации. Мы ремонтируем автомобили с 1995 года и хорошо знакомы со всеми частями вашей топливной системы.
Топливный насос вашего автомобиля подает топливо из бензобака в двигатель вашего автомобиля.
Некоторые автомобили, в том числе Volvo, Toyota, Acura и BMW (и другие марки), имеют несколько насосов и баков, поэтому убедитесь, что у вас всегда есть топливо при движении по разной местности, например, при резком повороте или движении по крутому склону. Топливный насос также имеет топливопроводы, которые направляют топливо из бака в двигатель, где оно сгорает. Чтобы убедиться, что надлежащее количество топлива подается в двигатель, когда это необходимо, в вашем автомобиле есть заслонка с электронным управлением, называемая топливной форсункой, которая открывается ровно на время, достаточное для дозирования идеального количества топлива для запуска двигателя.
Мы в The V Shop на Плантации хорошо знаем, как работает впрыск топлива. Для того, чтобы двигатель вашего автомобиля работал бесперебойно, в нем должно быть обеспечено правильное соотношение топлива и воздуха. Топливная форсунка представляет собой клапан с электронным управлением, который подает топливо от топливного насоса к двигателю автомобиля.
Топливная форсунка способна открываться и закрываться несколько раз в секунду. Когда форсунка активируется, электромагнит перемещает поршень, который открывает клапан, позволяя топливу под давлением выбрасываться через крошечное сопло.Форсунка спроектирована таким образом, чтобы распылять топливо как можно мельче, чтобы оно могло легко гореть. Топливная форсунка управляется блоком управления двигателем автомобиля или ЭБУ.
Когда ваш двигатель смешивает воздух и топливо, появляется искра, вызывающая взрыв. Эта искра называется зажиганием. Система зажигания состоит из катушки зажигания, распределителя, крышки распределителя, ротора, проводов и свечей зажигания. Вот краткий обзор того, что делает каждая из этих частей:
- Катушка зажигания использует относительно низкий заряд аккумулятора и превращает его в искру, достаточно мощную для воспламенения паров топлива.
- Распределитель — это вращатель, который распределяет искры к соответствующей свече зажигания в нужное время.
Он делает это через вращающийся электрический контакт, называемый ротором. - Свеча зажигания производит большую голубую искру, которая воспламеняет топливно-воздушную смесь и вызывает горение.
Система зажигания вашего автомобиля повторяет этот процесс тысячи раз в минуту во время вождения. Неотъемлемой частью является бесперебойная работа каждой части топливной системы и системы зажигания.Если у вас возникли какие-либо проблемы с вашим автомобилем, не стесняйтесь принести его в магазин The V Shop в Броварде сегодня. Помимо ремонта топливной системы и системы зажигания, мы также предлагаем услуги по техническому обслуживанию и диагностике электрооборудования.
Ваш мастер по ремонту топливной системы и системы зажиганияЗдесь, в магазине V Shop в Плантейшн, Флорида, 33313, мы являемся экспертами во всем, что касается ремонта автомобилей, и можем эффективно и недорого отремонтировать вашу систему охлаждения.
причин, по которым вы должны иметь с нами дело:
- Прозрачность
- Честность
- Целостность
- Мы эксперты
- Лет опыта
Мы занимаемся ремонтом автомобилей с 1995 года, и наша команда ставит во главу угла высококачественное обслуживание клиентов.
Наша миссия состоит в том, чтобы превзойти ваши ожидания, завоевав ваше доверие и предоставив самый надежный, честный и вежливый сервис, доступный сегодня на рынке. Если вы находитесь в Плантейшн, Санрайз, Флорида, Плантейшн, Флорида, Форт-Лодердейл, Флорида, Дэви, Флорида или прилегающих районах, не стесняйтесь звонить нам по телефону 954-587-3291 или зайти на сайт https://thevshopfl.com/, чтобы Запланировать встречу! The V Shop — альтернатива вашему дилерскому центру для всех ваших потребностей в уходе за автомобилем.
Топливная система и система зажигания в Лавленде, Колорадо
Топливная система и система зажигания Как работает топливная система моего автомобиля? Топливная система вашего автомобиля обеспечивает подачу топлива в двигатель вашего автомобиля по мере необходимости, чтобы обеспечить его бесперебойную работу.Топливная система состоит из нескольких частей, включая топливный бак, фильтр, насос, топливопроводы и впрыск или карбюратор.
Со временем на этих деталях топливной системы образуются отложения, которые могут привести к замедлению работы системы. Вот почему так важно периодически привозить свой автомобиль в Stan’s Auto Service Inc в Лавленде. Мы ремонтируем автомобили с 1984 года и хорошо знакомы со всеми частями вашей топливной системы.
Топливный насос вашего автомобиля подает топливо из бензобака в двигатель вашего автомобиля.Некоторые автомобили, в том числе Acura, Alfa Romeo, AMG и Aston Martin, имеют несколько насосов и баков, поэтому убедитесь, что у вас всегда есть топливо при движении по разной местности, например, при резком повороте или движении по крутому склону. Топливный насос также имеет топливопроводы, которые направляют топливо из бака в двигатель, где оно сгорает. Чтобы убедиться, что надлежащее количество топлива подается в двигатель, когда это необходимо, в вашем автомобиле есть заслонка с электронным управлением, называемая топливной форсункой, которая открывается ровно на время, достаточное для дозирования идеального количества топлива для запуска двигателя.
Мы в Stan’s Auto Service Inc в Лавленде очень хорошо знакомы с тем, как работает впрыск топлива. Для того, чтобы двигатель вашего автомобиля работал бесперебойно, в нем должно быть обеспечено правильное соотношение топлива и воздуха. Топливная форсунка представляет собой клапан с электронным управлением, который подает топливо от топливного насоса к двигателю автомобиля. Топливная форсунка способна открываться и закрываться несколько раз в секунду. Когда форсунка активируется, электромагнит перемещает поршень, который открывает клапан, позволяя топливу под давлением выбрасываться через крошечное сопло.Форсунка спроектирована таким образом, чтобы распылять топливо как можно мельче, чтобы оно могло легко гореть. Топливная форсунка управляется блоком управления двигателем автомобиля или ЭБУ.
Как работает система зажигания автомобиля? Когда ваш двигатель смешивает воздух и топливо, появляется искра, вызывающая взрыв.
Эта искра называется зажиганием. Система зажигания состоит из катушки зажигания, распределителя, крышки распределителя, ротора, проводов и свечей зажигания. Вот краткий обзор того, что делает каждая из этих частей:
- Катушка зажигания использует относительно низкий заряд аккумулятора и превращает его в искру, достаточно мощную для воспламенения паров топлива.
- Распределитель — это вращатель, который распределяет искры к соответствующей свече зажигания в нужное время. Он делает это через вращающийся электрический контакт, называемый ротором.
- Свеча зажигания производит большую голубую искру, которая воспламеняет топливно-воздушную смесь и вызывает горение.
Система зажигания вашего автомобиля повторяет этот процесс тысячи раз в минуту во время вождения. Неотъемлемой частью является бесперебойная работа каждой части топливной системы и системы зажигания.Если у вас возникли какие-либо проблемы с вашим автомобилем, не стесняйтесь принести его в Stan’s Auto Service Inc в США уже сегодня.
Помимо ремонта топливной системы и системы зажигания, мы также предлагаем услуги по техническому обслуживанию и диагностике электрооборудования и ремонту автомобилей.
Компания Stan’s Auto Service Inc, расположенная в Лавленде, штат Колорадо, 80537, является экспертом во всем, что касается ремонта автомобилей, и может эффективно и с минимальными затратами отремонтировать вашу систему охлаждения.
причин, по которым вы должны иметь с нами дело:
- Прозрачность
- Честность
- Целостность
- Мы эксперты
- Лет опыта
Мы занимаемся ремонтом автомобилей с 1984 года, и наша команда ставит во главу угла высококачественное обслуживание клиентов.Наша миссия состоит в том, чтобы превзойти ваши ожидания, завоевав ваше доверие и предоставив самый надежный, честный и вежливый сервис, доступный сегодня на рынке.

/84.gif)
До свечи напряжение не дойдет, но и наличие искрящего проводника в подкапотном пространстве, мягко говоря, не полезно для авто. Обратная сторона медали – слишком толстый провод неудобен в монтаже, он неэластичный, что затрудняет укладку и обслуживание;
3
Такие же действия проведите с винтом качества, но уже выкручивайте его на три оборота;
с.) / 5200 об/мин
Он делает это через вращающийся электрический контакт, называемый ротором.