Устройство и принцип работы главного цилиндра сцепления газель: устройство и ремонт главного цилиндра сцепления
устройство и ремонт главного цилиндра сцепления
Чтобы привести автомобиль в движение, необходимо передать крутящий момент от двигателя на коробку. За это отвечает сцепление. Именно этот узел передает вращательный момент через определенные передаточные шестерни на колеса. Основная функция сцепления – временное отсоединение силового агрегата от коробки передач. Также механизм отвечает за плавный запуск передаточных звеньев, когда двигатель запущен.
Характеристика устройства
С помощью сцепления удается предотвратить резку смену нагрузки, чем обеспечивается плавный старт автомобиля с места. Также сцепление защищает всю трансмиссию от нагрузок инерционных моментов, что возникают в результате резкого замедления вращения коленчатого вала на запущенном моторе в тот момент, когда водитель переключает передачу. На автомобилях «Газель» устанавливают гидравлическую систему сцепления. Она получила широкую популярность на многих моделях современных авто. В основе конструкции гидравлического механизма лежит главный цилиндр сцепления.
Газель «Бизнес» ею тоже оснащается. Главная задача, которую решает цилиндр – это передача импульсов от педали к рабочему элементу системы. При помощи этого узла, обеспечивается старт машины. Также механизм дает возможность переключения повышенных и пониженных передач.
Узнаем как устроен главный цилиндр сцепления?
Система сцепления выполняетфункцию кратковременного отключения ДВС от коробки передач. Вследствие…
Ниже мы рассмотрим устройство главного цилиндра сцепления. «Газель» — это коммерческий транспорт, поэтому периодически он требует обслуживания. Какие неполадки случаются со сцеплением, как ремонтировать, обслуживать и при необходимости менять этот узел? Расскажем обо всем по порядку.
Как устроен гидравлический привод «Газели»
Он состоит из небольшого количества деталей и узлов. Так, в системе имеется бачок главного цилиндра сцепления. «Газель» комплектуется им с 1995 года. В бачке содержится тормозная жидкость, которая и работает в приводе. Также узел включает в себя главный и рабочий цилиндр, трубки, шланги и патрубки.
В системе применяется и возвратная пружина.
Принцип работы гидропривода
Если не вдаваться в подробности того, как устроен главный цилиндр сцепления, «ГАЗель» работает следующим образом. Когда водитель автомобиля нажимает на педаль, то это усилие посредством штока передается на главный привод. Здесь оно воспринимается и через сеть трубок переходит на рабочий цилиндр. Последний, посредством вилки сцепления и выжимного подшипника отключает или подключает двигатель к трансмиссии.
Выжимной подшипник сцепления. Признаки неисправности…
Сцепление – весьма ответственный узел в конструкции любого автомобиля. Он включает в себя выжимной…
Устройство гидравлического привода
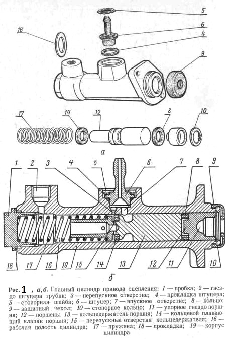
Среди основных узлов, которые входят в конструкцию элемента, можно выделить толкатель. С помощью него педаль сообщается с механизмом. Также это сам цилиндр, поршень, пробки и возвратная пружина. Как устроен главный цилиндр сцепления? “Газель” оснащается узлом с двумя половинами, что разделяются специальной перегородкой.
Верхняя часть предназначена для рабочей жидкости, которая в процессе поступает из бачка. Там же, в верхней части, хранится определенный запас жидкости. Если сцепление и гидропривод нормально отрегулированы, то ее уровень должен составлять не меньше, чем три четверти от объема.
В нижней половине находится рабочая зона. В обычном исходном состоянии поршень цилиндра поджимается с помощью пружины к стенке, разделяющей цилиндр на две зоны. Между поршнем и толкателем есть зазор. За счет него жидкость попадает в рабочую часть. Когда водитель нажимает на педаль, толкатель движется и перекрывает зазор. Жидкость больше не может попадать из верхней зоны в нижнюю. Поршень перемещается, и усилие передается от ноги водителя прямо на рабочий цилиндр. Благодаря тому, что размеры поршня и выходного отверстия разные, отверстие увеличивается. Этого вполне достаточно, чтобы сработало сцепление. Данная конструкция облегчает усилие, что возлагается на педаль. Этой силы вполне достаточно для отсоединения ДВС от коробки.
Когда педаль будет отпущена, на поршень будет действовать пружина. Также за счет давления в гидравлической системе педаль сможет вернуться в свое базового исходное положение. В это же положение перейдет и толкатель. За счет этого жидкость снова будет свободно проникать в нижнюю емкость цилиндра.
Узнаем как прокачать сцепление? Советы автомобилистам
Если ваш автомобиль укомплектован механической коробкой передач, следует регулярно проверять…
Когда требуется ремонт главного цилиндра сцепления
«Газель» может потребовать ремонта при утечках жидкости или попадании воздуха в систему. Даже несмотря на простоту конструкции цилиндра, с ним также случаются проблемы. Выделяют несколько неисправностей. Подробно о каждой из них – далее.
Утечка жидкости
Ремонт может понадобиться, если обнаружен недостаток рабочей жидкости. Причинами могут служить обрывы или повреждения в манжете цилиндра, нарушение герметичности соединений. В этом случае рекомендуется убедиться, достаточен ли уровень в расширительном бачке.
Если жидкости мало, тогда ее доливают. Затем периодически проверяют уровень при регламентных работах или техническом осмотре. Иногда простая доливка рабочей жидкости может не помочь. Тогда проводят тщательный осмотр, выявляют место утечки и затем обеспечивают герметичность. В этом случае можно не ремонтировать, а просто поменять главный цилиндр сцепления на «Газели».
Воздух в системе
Еще одна типовая неисправность – это воздух в системе. Такая проблема может привести к полной неработоспособности узла. Сцепление не выжмется полностью, а работа педали будет сопровождаться характерным хрустом или вибрациями на рычаге КПП. Среди причин, по которым в систему и непосредственно в цилиндры попадает воздух, можно выделить различные разрушения шлангов, естественный износ деталей. Не исключают утечки жидкости в местах, где между собой соединяются участки гидропривода. Как в данном случае делается ремонт главного цилиндра сцепления? «Газель» ставится на ровную поверхность, производится замена поврежденных шлангов с последующей прокачкой системы.
Прокачка жидкости через цилиндр
Также есть еще одна неисправность – в данном случае цилиндр может перекачивать рабочую жидкость через себя. Причиной неисправностей служит манжета, которая, скорее всего, повреждена. Возможно, есть выработка по причине естественного износа поршня. Все эти неисправности можно устранить, используя ремкомплект главного цилиндра сцепления. «Газель» в этом случае можно быстро вернуть в рабочее состояние. В комплект входят все элементы, которые часто выходят из строя. Процесс замены манжеты и других деталей не представляет особых сложностей для водителей этих автомобилей.
Если наблюдаются первые признаки неисправностей цилиндра, нужно провести диагностику и обслуживание системы сцепления. Это поможет избежать необходимости замены цилиндра полностью.
Частичный ремонт главного цилиндра при помощи ремонтного комплекта
При помощи него можно избежать необходимости замены узла полностью. Ремонтный комплект состоит из следующих деталей:
- Защитный колпачок.

- Стопорное кольца.
- Поршень.
- Возвратная пружина.
- Манжета главного цилиндра сцепления «Газелей».
Чтобы разобрать цилиндр полностью, на нем ищут специальную пробку. Ее необходимо открутить. В процессе сборки под эту пробку нужно установить прокладку-уплотнитель.
Демонтаж и дефетовка
Первым делом снимают и разбирают цилиндр. Найти его можно в левом заднем углу под капотом автомобиля. Затем, после того как узел разобран, все составляющие промывают тормозной жидкостью – не стоит использовать для этого агрессивные растворители. Затем цилиндр осматривают на предмет задира. Проверяют состояние зеркала и шток. Если заметны незначительные участки коррозии или задиры, эти дефекты можно устранить мелким наждаком. Но такие повреждения могут свидетельствовать о большом зазоре между цилиндром и поршнем.
Далее проводят замену изношенных комплектующих, которые предусмотрены в ремкомплекте. Прежде чем собрать главный цилиндр сцепления, “Газель” требуется поставить на ручной тормоз.
Каждая деталь должна быть смазана тормозной жидкостью. На поверхность поршня, что будет контактировать с толкателем, наносят немного консистентной смазки. Далее цилиндр собирают, устанавливают на его место и прокачивают.
Замена главного цилиндра сцепления
«Газель» требует этой операции по тем же причинам, что и в предыдущем случае. Это утечки, естественный износ, неправильная работа механизма сцепления. Как уже было замечено, расположен этот цилиндр слева задней углу под капотом автомобиля.
Прежде чем будет выполнена сама замена, необходимо слить тормозную жидкость из системы. Для этого шланг соединяют со специальным штуцером. Последний находится на рабочем цилиндре. Далее отсоединяют педаль сцепления от цилиндра. Чтобы повести эту операцию, снимают часть приборной панели, находящуюся под рулевым колесом. Затем снимают фиксирующую скобу, которую можно найти на педали и вытягивают штифт на толкателе цилиндра.
Когда трубка подачи рабочей жидкости от главного цилиндра будет отсоединена, можно начать отворачивать две гайки, которые удерживают сам главный цилиндр сцепления.
«Газель-3302» продолжает стоять на ручном тормозе. После того как гайки будут откручены, цилиндр можно снять и на его место установить новый. Процесс монтажа производится в обратном порядке. После сборки системы нужно обязательно выполнить прокачку привода.
Как удалить воздух
После любых ремонтов гидравлической части сцепления, систему необходимо обязательно прокачивать. Для этого жидкость заливают в бачок буквально до краев, а штуцер необходимо отвернуть до упора. Далее несколько раз нажимают на педаль. Это делается для того, чтобы тормозная жидкость попала во все трубки. Затем педаль фиксируют. Далее закручивают штуцер и снова несколько раз выжимают педаль, а затем фиксируют ее. Далее на штуцер надевают трубочку. Ее опускают в бутылку с жидкостью. Штуцер откручивают, чтобы спустить воздух. Все эти шаги необходимо повторять до тех пор, пока воздуха в системе совсем не останется.
По необходимости жидкость в бачок следует доливать. Замена ее в магистралях сцепления должна проводиться не реже, чем раз в 2 года.
Тормозная жидкость гигроскопична. Это значит, что внутри системы может образовываться коррозия.
Регулировка педали
После того как отремонтирован или заменен на новый главный рабочий цилиндр сцепления, «Газель» требует регулировки педали. Это простой процесс. Для этой операции необходима линейка, однако первым делом следует провести диагностику. Если при попытках начать движение на автомобиле педаль западает, в процессе переключения слышны различные звуки, при движении наблюдаются удары и рывки, необходимо запустить мотор, отпустить сцепление медленно и постараться плавно тронуться. Если автомобиль не спешит трогаться, то это говорит о том, что педаль выставлена неверно. Ее ход больше, чем это определено нормой. Далее при помощи линейки измеряют расстояние от пола до накладки на педали. Оно должно быть не более 14-16 см. Если же оно выше, тогда педаль необходимо отрегулировать. Для этого под капотом следует найти болт с контргайкой. Он расположен там, где заканчивается трос.
Гайка подворачивается. При этом достигается нужный ход педали. Для увеличения хода, гайку необходимо закрутить. Если ход нужно уменьшить, ее откручивают. После регулировки снова проверяют педаль. Повторно измеряют линейкой расстояние. Настройка продолжается до тех пор, пока не будет достигнут нужный результат.
Рабочий цилиндр сцепления Газель: устройство, назначение, частые поломки
В этом разделе каталога РЦ «Автодизель» предлагаются все модификации рабочих цилиндров сцепления Газель. Являясь официальным дилером бренда, мы можем предложить цены на эту запчасть, близкие к оптовой стоимости производителя. Вся продукция этой категории проходит обязательное производственное тестирование, соответствует нормам ГОСТ и техническим требованиям. Все цилиндры сцепления для марки Газель в нашем каталоге – только оригинального производства, и имеют длительные эксплуатационный ресурс.
Назначение рабочего цилиндра сцепления Газель
Этот конструктивный элемент принадлежит к системе сцепления.
Он является структурной частью гидропривода в этой системе. Благодаря его наличию упрощается передача механических усилий и давления от центрального цилиндра. Проходя через него, гидравлическая смесь воздействует на комплекс подвижных элементов сцепления, и в том числе – на вилку. Как следствие этого – происходит взаимодействие с коробкой передач.
Таким образом основным функциональным назначением рабочего цилиндра в системе сцепления автотранспорта марки Газель является обеспечение корректного процесса переключения скоростей.
Данный элемент комплектации представляет собой продолговатую стальную конструкцию в виде гильзы. С одной стороны располагается специальный штуцер для выхода гидравлической жидкости при воздействии на главный цилиндр. Внутри этого узла также располагается металлический поршень с прочной и пластичной пружиной.
Поскольку через конструкцию рабочего цилиндра постоянно проталкивается гидравлическая жидкость, такая деталь обязаны быть герметичной. С этой целью при изготовлении используются износостойкие сальники, манжеты, применяются герметичные смазки, и устанавливаются уплотнительные кольца из сверхпрочных полимерных материалов.
Место расположения во всех марках автомобилей Газель рабочего цилиндра системы сцепления почти всегда одинаково. В некоторых модификациях он устанавливается непосредственно на картере коробки передач. В других моделях из-за особенностей конструкции он монтируется рядом с картером коробки передач. Это облегчает функциональный нагрузки на него и позволяет более эффективно переключать скорости.
Принцип действия
Работа рабочего цилиндра в сцеплении машин Газель происходит по следующему принципу:
- для переключения скоростей водитель выжимает педаль сцепления;
- в главном цилиндре создается повышенное давление;
- гидравлическая жидкость через нагнетательный клапан проникает непосредственно в рабочий цилиндр;
- шток упирается в поршень цилиндра и в вилку сцепления;
- посредством толкателя при выжимании вилки происходит плавное переключение скоростей.
Уязвимые места и признаки неисправностей
Несмотря на гарантии надежности от производителя, рабочие цилиндры сцепления могут выходить из строя по следующим причинам:
- растяжение рабочей пружины в цилиндре;
- поломка пружины;
- разгерметизация корпуса рабочего цилиндра сцепления;
- деформация, микротрещины на корпусе;
- протекание гидравлической жидкости;
- закачивание воздуха в полость вместе с гидрожидкостью;
- течь в шланге или в патрубке;
- ухудшение силы сжатия поршня;
- износ манжет и уплотнительных колец.

В большинстве случаев, кроме проблем с корпусом, выполняется замена конструктивных элементов. Об этих неисправностях свидетельствуют характерные для поломки симптомы: пятна жидкости по машиной, проседание педали сцепления, легких ход педали при резком нажатии, сторонние шумы при давлении на педаль, а также – утрудненное переключение скоростей.
У нас вы можете заменить любую модификацию этого конструктивного узла с выбором только оригинальных образцов. Наше обслуживание сопровождается объективным расценками, а также комфортом покупки деталей:
- помощь в выборе нужных модификаций;
- быстрая обработка заявки;
- отправка покупки в день обращения;
- выбор любых услуг почтово-транспортных компаний для надежной и быстрой доставки;
- выбор удобных платежных методов;
- официальные производственные гарантии;
- документальное сопровождение чеками, инструкциями, гарантийными талонами, транспортными накладными.
По всем вопросам выбора и покупки обращайтесь в наш отдел продаж по указанным контактным реквизитам.
JRX SA341B/SA342J Газель для X-Plane • HeliSimmer.com
Газель — один из тех вертолетов, от которых просто невозможно оторвать глаз. JRX привнес его в X-Plane во всей красе. Ник Бейтс подверг его (серьезным) испытаниям!
История проекта
«Газель» — это самолет, поразивший воображение бесчисленных любителей авиации и широкой публики. Многочисленные появления на телевидении и в кино, в первую очередь «Голубой гром», и большое количество самолетов, используемых на военной службе в Европе, означали, что эти самолеты часто демонстрировались.
Этот вертолёт появился в связи с растущим развитием вертолётной техники того времени. В то время французы были мировыми лидерами в области вертолетных полетов, и, основываясь на успехе серии Alouette и требовании французских военных заменить Alouette III, прототип SA340 «Газель» впервые поднялся в воздух в 1967 году с Жаном Буле. контролирует.
Первоначально самолет был оснащен хвостовым винтом и трансмиссией Alouette, турбовальным двигателем Astazou II мощностью 523 л.
с. и жесткой головкой несущего винта на основе конструкции MBB, используемой на BO105.
Прототип «Газель» в полете — Фото Airbus
Самолеты со второго по пятый были переименованы в SA341 и стали первыми самолетами с отличительным хвостовым оперением «Фенестрон». Fenestron использовал обычную систему привода для вращения ряда небольших лопастей вентилятора внутри самого хвоста.
Конструкция делала систему менее восприимчивой к ударам FOD, и, хотя она потребляла значительно больше энергии в ситуациях с высоким сопротивлением крутящему моменту, большое оперение делало самолет очень устойчивым в крейсерском полете. В случае отказа трансмиссии киль мог удерживать самолет достаточно прямо, тогда как более ранние Alouettes должны были уменьшить мощность или перейти на авторотацию, чтобы сохранить управление.
В то время британцы несколько отставали в вертолетных технологиях, и «Газель» привлекла внимание британского правительства под руководством Гарольда Вильсона.
В феврале 1967 года, еще до полета прототипа, было достигнуто соглашение, позволяющее британской фирме Westland построить по лицензии около 300 «Газелей» и почти 50 «Пум».
Третий построенный SA341 был переоборудован в испытательный самолет для британской армии и впервые поднялся в воздух в 1970 году. Первые британские «Газели» получили обозначение Westland Gazelle Ah2 и отличались улучшенным двигателем Astazou III и возможностью установки различного оборудования, такого как Night Sun и SNEB. … а это было бы зрелище!
Британский самолет также отличался удлиненной кабиной от первой машины французского производства. Westland построила «Газели» в четырех различных версиях для армии, авиации флота и Королевских ВВС, и, несмотря на то, что этому типу уже 50 лет, «Газели» до сих пор используются в некоторых подразделениях.
Газель XW847. Биггин Хилл, Великобритания, 19 мая 1979 г. Дэйв Бейтс Фото o
Конечно, французские военные широко использовали этот тип.
Около 300 341F и M были использованы ALAT. Версии Aerospatiale мало чем отличались от образцов, произведенных Westland, однако они участвовали в большем количестве боевых действий из-за характера внешней политики Франции в 70-х и 80-х годах. Вооруженные пушкой и управляемыми ракетами HOT, «Газели» Армии Земли служили в Анголе, Кот-д’Ивуаре и Афганистане.
Помимо бывших военных самолетов, приобретаемых для частного использования гражданскими лицами, у «Газели» также была специальная гражданская версия, получившая обозначение SA341G. Модель G впервые поднялась в воздух в 1972 году и была почти идентична военным версиям, за исключением пакетов авионики.
Этот гражданский вариант был первым вертолетом, сертифицированным для полетов по приборам с одним пилотом в США. За моделью G в гражданском мире последовал SA342J, улучшенный самолет, разработанный в тандеме с военным 342L, с двигателем Astazou XIV мощностью 870 л.с., улучшенным рулевым винтом и увеличенной эксплуатационной массой.
Пилоты и операторы любят «Газель» за простоту и комфорт в управлении. Долгое время это был самый быстрый гражданский вертолет, во многом благодаря хвостовому оперению Fenestron. «Газель» и по сей день обслуживается различными авиационными вооружениями и гражданскими операторами.
Более 20 стран в то или иное время имели на вооружении «Газели», а Югославия строила самолеты по лицензии во многом так же, как это делали британцы.
Sud Aviation была поглощена различными компаниями и теперь является частью семейства Airbus. К несчастью для любителей и операторов Газелей, поставка запчастей и, что более важно, поддержка иссякают, и скоро наступит время, когда этот тип будет слишком сложен для коммерческой эксплуатации.
Как и предшествовавший ей Alouette, Gazelle просто устарела, чтобы быть коммерчески жизнеспособной, и будущее этих моделей в основном находится в руках частных операторов по всему миру. Те, кто занимался оригинальным дизайном Газели, могут с гордостью оглянуться на более чем 50-летнюю безукоризненную службу.
ZK-HBH бывший Королевский флот SA341. Уэст-Мелтон, Новая Зеландия, 23 октября 2007 г. — Фото Дэйва Бейтса
Газель JRX SA341 / 342
Полное раскрытие: Я был частью группы тестирования этого проекта. Хотя я жил с этой моделью в течение последних нескольких месяцев так же, как и разработчик, я буду рассматривать этот самолет по тому же стандарту, что и любую другую модель платного программного обеспечения.
Газель JRX является первым платным программным продуктом от хорошо известного разработчика бесплатного программного обеспечения Bell 206. JRX представила SA341 в полной военной форме и SA342 в полной гражданской форме. Аддон имеет 17 различных цветовых схем для военной версии и 19для гражданского.
Загрузка и установка
Пакет доступен в магазине x-plane.org в одном сжатом файле. Сжатый размер составляет 1,7 ГБ, так что это не совсем маленькая загрузка, однако, как вы увидите, в этом файле много.
Установленные в «Extra Aircraft» две папки (по одной на версию) составляют чуть более 4,4 ГБ.
Модель и текстуры
Первые впечатления от 341 в симе хорошие. Модель четкая, чистая и точная. При загрузке в сим самолет стоит с флажками и заготовками на месте. Это действительно приятное дополнение, и я бы хотел, чтобы в нем участвовало больше разработчиков.
Метки удаления перед полетом также перемещаются по ветру, и модель пилота отсутствует, когда самолет находится в этом состоянии. Фенестрон и система ротора изысканно смоделированы и текстурированы, и это выглядит чертовски потрясающе.
В самолете есть множество мелких деталей, чтобы порадовать пуристов среди нас. Все антенны и порты на месте, лопасти красиво свисают в состоянии покоя, и он действительно выглядит как настоящий.
Выставлена трансмиссия военных 341-х, и вы можете наблюдать за этим вращением двигателя, приводящего систему в действие на JRX. Единственное, чего не хватает, и это не большая проблема, так это того, что различные движущиеся части не двигаются вместе с органами управления полетом.
Честно говоря, это такая мелочь, что почти не стоит упоминать.
Маленькая откидная табличка на приборной панели (подробнее об этом позже) позволяет добавить оружие в виде ракет. Они не функциональны, но если вы мчитесь в передней части, то они выглядят соответствующе.
Пилотная модель появляется при подаче питания на шину. Одетый во что-то похожее на форму DPM и в шлеме, он выглядит соответствующе. Кроме того, вы можете выбрать из вышеупомянутой таблички командира воздушного судна на левом сиденье и/или пассажиров на заднем сиденье. В военном контексте они выглядят великолепно.
Двигаясь внутрь самолета, становится совершенно ясно, что разработчик что-то знал об этой машине. Я почти чувствую запах пропитанных потом сидений, масла и гидравлической жидкости. Там очень много атмосферы.
Офис похож на работающий самолет. Много оборудования и какая-то клаустрофобная по ощущениям, но в то же время отличная обзорность и функциональность.
Маленькие детали, такие как серийные номера, сделанные Dymo для каждого самолета, действительно приятны.
Сверху на панели есть складная табличка. Это, вероятно, имело некоторые ограничения или диаграммы производительности в реальном самолете, но разработчик решил сделать это загрузочной панелью. Предустановленные заправки топливом (полный, ¾, ½, ¼) Командир ВС и/или пассажиры, снятие привязи, снятие оружия и дверей. Очень элегантное решение часто игнорируемого аспекта симуляции самолетов.
Переходя на гражданский SA342, особых отличий во внешней модели нет, кроме крышки карданного вала для хвоста. Детализация и текстурирование соответствуют неизменно высокому стандарту. Газель действительно очень красивый самолет.
Единственное, что меня беспокоит, так это то, что фигурки экипажа, за исключением пилота, не так хорошо смотрятся в гражданской одежде, но, возможно, это только я.
Перемещение внутрь гражданской версии предоставляет пользователю множество гаджетов для игры.
Компоновка панели практически не изменилась; однако центральная консоль была заполнена большим количеством радиостанций гражданского типа, GPS Garmin и автопилотом.
Кроме того, перед пилотом имеется раскладной планшет с еще большим количеством информации о самолете или навигации. Лично я не очень люблю всю эту халтуру в кабине в реальном мире или в симуляторе, однако для причудливых частных машин это выглядит уместно.
Разработчик действительно выложился по полной. Я бы даже сказал, что по внешнему виду он не уступает DCS Gazelle. Это действительно превосходно. Возможно, гражданская версия немного перегружена авионикой, но она полна атмосферности и небольших возможностей, которые понравятся большинству людей.
Системы
Газель в целом не сложная машина. Довольно стандартное реле батареи позволяет батарее питать шину. В военной форме электрическая система может похвастаться как генератором постоянного тока, так и генератором переменного тока, поскольку требования к военной технике отличаются от требований к гражданским самолетам.
Довольно редко гражданские самолеты имеют и генератор, и генератор. Самолет имеет главный выключатель авионики, который включает все радио, а в гражданском варианте — GPS и автопилот. Большинство переключателей в кабине делают то, что они должны делать, за исключением сброса генератора и генератора, переключателя песочного фильтра и переключателя паромного бака.
Есть две группы сигнальных ламп, одна предназначена для работы двигателя (в основном запуск), а другая — для других систем самолета. Кнопки Push to test активируют оба. Одна из особенностей, которая мне нравится в этой модели, заключается в том, что в ней есть работающие управляющие фрикционы. Очень удобно, когда на палочке нет пружины.
Запуск Газели немного отличается от запуска других турбинных самолетов. Принцип работы почти такой же, однако Газель (также Alouette и Lama) имеет центробежную муфту, которая позволяет запускать двигатель, удерживая лопасти в неподвижном состоянии с помощью тормоза ротора.
При включенной электрической системе электрический топливный насос включается на 20 секунд, а трехпозиционный пусковой переключатель перемещается из нижнего положения в среднее (Работа). Это проворачивает двигатель. Когда достигается соответствующее число оборотов (от 2000 до 4000 Nc), переключатель перемещается в положение «Зажигание», которое зажигает огонь сзади.
Наблюдая за тем, как Т4 и двигатель разгоняются, переключатель удерживается в положении «Зажигание» до 25000 Нс, после чего он возвращается в положение «Работа». Когда вы будете готовы к работе, тормоз ротора на крыше отпускается, а рычаг дроссельной заслонки передвигается вперед до тех пор, пока лопасти не начнут вращаться. Медленное продвижение дроссельной заслонки постепенно включает сцепление, пока стрелки не сойдутся в зеленой дуге.
Для выключения достаточно просто перевести дроссельную заслонку в режим холостого хода, чтобы отключить сцепление, и задействовать тормоз ротора ниже 170 Nr. Двигатель можно оставить работающим во время погрузки людей или груза или выключить.
Версия JRX почти идеально воспроизводит весь этот процесс. Сцепление, возможно, немного тугое, но в целом оно очень точное. На самом деле нечего сказать, кроме того, что они прибили это. Это действительно здорово!
Военная версия включает в себя авионику PBDI (Индикатор расстояния до азимута). Это вид оборудования, для изучения которого, вероятно, потребуются недели наземной школы. В симуляторе JRX упростили его, не лишив многих функций и ощущения реального устройства, заставив его читать планы XP FMS. Устройство сообщит вам расстояние и азимут, чтобы добраться до следующей путевой точки. Я сам мало использовал его в аддоне, но это довольно крутая маленькая функция.
В военной версии используются радиостанции военного типа. Стандартные инструменты VHF, IFF и Nav работают так же, как и на любой другой машине. Есть УВЧ и еще один УКВ для связи земля-воздух. Ни один из них не работает, за исключением того, что при настройке воспроизводится случайная военная болтовня, приятное прикосновение.
Радиостанции в гражданской версии работают так, как и следовало ожидать. Тем не менее, есть небольшая проблема с гражданской посадкой, когда двигатель работает на холостом ходу. Похоже, что автопилот и GPS потребляют такой ток, что включение авионики после старта снижает обороты до такой степени, что я не удивлюсь, увидев, что они гаснут.
Это всплыло на этапе тестирования, но я был единственным, кто это заметил. Тем не менее, он все еще присутствует в релизной версии, поэтому я, по крайней мере, вынужден ждать, пока двигатель не будет работать на холостом ходу, прежде чем включать любую авионику.
Газель имеет гидравлическое управление полетом. Их, как и Белку, можно отключить с помощью переключателя на коллективе. Это активирует сигнальную лампу, однако на текущей модели это не влияет на управляемость дрона.
Практически все, что я тестировал на птице, работает исключительно хорошо. Помимо некоторого странного поведения авионики, JRX очень хорошо воспроизвел системы Газели.
Звук
Наряду с Alouette и могучим Ламой Газель имеет довольно характерный звук. Это связано с центробежным компрессором двигателя Астазу. Эти птицы действительно кричат. На Газели конечно шумность фенестрона тоже довольно заметна. Они объединяются, чтобы произвести звук, не похожий ни на что другое. Если вы слышите «Газель», вы можете сразу сказать, что это такое.
Звуки JRX Gazelle очень хороши. Есть шумы для всего оборудования в кабине, включая электрическую систему и двери, что является приятным изменением. Топливный насос издает легкий шум, который кажется правильным, а нажатие на стартер производит очень точный звук запуска компрессора Astazou.
Когда вы переводите переключатель в положение «Зажигание», шум изменяется соответствующим образом. Когда лопасти начинают двигаться, звуки хорошо сочетаются друг с другом, и вы получаете довольно точное представление. Звуки были записаны с реального самолета, и единственная реальная проблема заключается в незначительном смешивании шумов.
Если слишком долго сидеть на стартере, то компрессор и звук снова заглохнут. Как только двигатель работает, шум меняется, как будто дроссельная заслонка сразу же увеличивается. Смешение между стартовым звуком и звуком работающего двигателя довольно хорошее.
В полете самолет звучит идеально внутри и снаружи. JRX нашли отличное сочетание, в котором нет очевидных повторений или шаблонов. Единственное, чего нет, и если честно, это не имеет большого значения, так это легкого «рычания», которое они получают в поворотах и под нагрузкой, хотя звуки ударов лопастей хорошо смоделированы.
Имеется переключатель для имитации шлема, приглушающий звук только внутри.
В целом, очень хороший звуковой набор с несколькими небольшими изменениями, необходимыми для того, чтобы сделать его цельным. Приятно видеть, что разработчик делает звук в кабине, а не только в двигателе, захватывающим.
Динамика полета
На Газели никогда не летал и вряд ли буду.
Если я стану богатым и знаменитым, я, возможно, куплю один, но в остальном это, вероятно, так близко, как я подойду.
Старая шутка состоит в том, что «Газель» была названа так, потому что она нервная и непредсказуемая, и я уверен, что армейские пилоты, учащиеся летать на ней, вероятно, думали, что это правда. Однако, глядя на историю, тот факт, что он был сертифицирован для полетов по ППП с одним пилотом, когда этого на самом деле не было, кое-что говорит об устойчивости птицы. При этом для Газели доступны системы SAS, хотя версия JRX не оснащена такой системой.
Первое, что бросается в глаза, когда поднимаешь его в ховер, это МОЩНОСТЬ… Даже с нагрузкой он, кажется, благословлен избытком ворчания. Сидя в зависании, самолет садится справа сзади низко, как и должно быть. Я думал, что нужно использовать гораздо больше правой педали в парении, но я не могу это проверить. Мои доводы в пользу этого основаны на Фенестронах, на которых я летал, однако, возможно, Газель отличается.
Переход в полет — полное несобытие. Вертолет чувствителен, но не выходит из-под контроля. Если вы не двигаете ручку, вертолет не будет двигаться…
Оказавшись в круизе, вы действительно сможете отправиться в путешествие. «Газель» вполне счастливо проживет весь день со скоростью 150 узлов. Глядя на настоящие, я не уверен, что они настолько спрайтовые, но это определенно не выходит за рамки возможного. «Газель» легко справляется со всеми обычными полетными маневрами, и летать на ней одно удовольствие.
Одной из особенностей антикрутящих систем Frenestron является то, что они требуют большой мощности при зависании. За прошедшие годы было несколько случаев, когда люди теряли контроль над направлением движения на ветру и попадали в аварию.
В Фенестроне есть куча противодействующих крутящих моментов, и если он начнет вращаться на вас, вы должны погрузить правую педаль в пузырь и оставить ее там, пока он не остановится… и он остановится. Это стало такой проблемой, что Eurocopter выпустила уведомление, в котором пилотам предлагалось делать то же самое.
Я настроил «Газель» по ветру со скоростью около 15 узлов и легко смог сохранить курсовое управление. Даже если я немного отпустил его, он не развернулся, как они делают в реальной жизни. Я не могу слишком сильно винить в этом JRX, поскольку я никогда не управлял вертолетом ни в одном симуляторе, который правильно ведет себя в таких ситуациях.
Авторотация — довольно стандартный маневр в Газели, хотя из-за того, что дроссельная заслонка находится на крыше и довольно труднодоступна в таком режиме полета, вам лучше убедиться, что вам есть куда приземлиться.
Газель JRX, кажется, скользит довольно долго для чего-то с такими маленькими лопастями, как у нее, но автомобиль полностью управляем. Единственное, что я никак не мог получить, так это превышение скорости вращения ротора. С рычагом на полу Nr все равно оставался наверху грина. Хотя на самом деле это не большая проблема. Обороты быстро исчезают после факела, поэтому вам лучше довольно быстро вставить рычаг в нижнюю часть.
Сбои Anti-Torque — это что-то вроде несобытия, пока авто в конце, плавник на Газели не держит самолет довольно прямо, как и должно быть. Как указывалось ранее, гидравлическая система сейчас моделируется лишь частично, поэтому сбои гидравлики будут производить только свет, не влияя на управляемость.
Высота — еще одна область, в которой Газель выделяется. По мере увеличения высоты возрастает и требуемая мощность, но у меня никогда не было никаких проблем при работе на вершинах гор. Я, конечно, не могу подтвердить, насколько это точно, но, учитывая происхождение самолетов, я не удивлюсь, если он просто съедает высоту.
Мне довольно сложно делать сверхточные суждения о точности летной модели JRX. Все, что я могу сказать, это то, что это кажется правильным. Он маневренный, обладает большой мощностью и создает впечатление полета на самолете с гидравлическим усилителем. Никаких неприятных сюрпризов ни в одном из обычных режимов полета нет. Летать приятно, и это все, о чем мы можем просить./68.gif)
Разное
Загрузка ремня
Компания JRX добавила простой аддон для загрузки ремня, чтобы имитировать работу ремня в военном стиле. Военные, как правило, используют гораздо более короткие стропы, чем в гражданском мире, а подвеска JRX Gazelle включает ящик с артиллерийскими снарядами на линии примерно 25 футов.
Это было бы обычным делом для самолетов в передовых зонах. Процесс подключения нагрузки немного сложен, но как только вы сопоставите его с вашими элементами управления, это обретет смысл.
Во-первых, вы должны установить некоторые переключатели в кабине. Груз невидим, пока вы не подключитесь к нему, поэтому, используя PBDI и Radar Alt, или на глаз, если вы действительно хороши, поднимитесь на 25-футовое зависание. Когда вы стабилизируетесь (25 – 30 футов <1 узла), нагрузка будет подсоединена автоматически. Ящик со снарядами весит 400 кг, так что это нелегкий груз, и вы почувствуете вес, действующий на вертолет.
Когда пришло время снова опустить груз, вы активируете крюк и, положив груз на землю, можете снять его с помощью клавиши или кнопки на панели управления.
Нагрузка осталась позади, и вы можете вернуться и сделать это снова, если хотите. Для этой маленькой функции нет дополнительного модуля, она использует динамику XP по умолчанию, поэтому она не идеальна, но для развлечения вы не ошибетесь.
Эффекты вибрации
То, что мы все чаще и чаще наблюдаем с дополнениями, — это моделирование вибрации. У разных разработчиков есть разные способы сделать это, и большинство из них достигают определенного успеха.
У «Газели» один из самых убедительных дисплеев, которые я когда-либо видел. Весь самолет раскачивается на полозьях на низких оборотах, а когда на полетных оборотах, самолет трясется ровно настолько, чтобы вы знали, что он жив. Единственным недостатком техники JRX является то, что та же самая вибрация видна снаружи во время полета, чего просто не происходит, когда самолет находится в воздухе. Это не большая проблема, если только вы не будете искать его.
Справочные карты полетов
Контрольные списки представлены в симуляторе в виде наколенника, содержащего то, что кажется реальными справочными картами полетов для самолета.
Они определенно предназначены для военной птицы, но одинаково хорошо работают и с гражданской версией. Здесь есть все, что вам нужно для управления самолетом, включая Р-карты.
Руководство
Слишком часто разработчики подводят себя, создавая отличное дополнение без документации, объясняющей, как все это работает. Не так здесь. 38-страничный PDF-файл, мягко говоря, исчерпывающий. Подробное описание практически всего об аддоне и о том, как заставить его работать. Планировка имеет смысл и хорошо собрана.
Резюме
JRX взорвал сцену с Bell 206, который вызвал большой интерес, и Газель, вероятно, сделает то же самое. Я уже говорил это раньше и скажу еще раз: у этой птицы отличная атмосфера.
Любите ли вы военные или гражданские винтокрылые машины, здесь наверняка найдется что-то для вас. Самолет точен, с хорошим моделированием систем и звуками. Что еще более важно, летать весело. Я уже с нетерпением жду следующей птицы от JRX.
Обратите внимание: ссылка выше была предоставлена либо автором продукта, либо магазином, который прислал нам копию обзора, либо личным выбором автора статьи.
Это никоим образом не указывает на то, что HeliSimmer.com поддерживает веб-сайт, на который делается ссылка.
Система привода сцепления – x-engineer.org
В автомобиле с двигателем внутреннего сгорания (ДВС) двигатель соединен с остальной частью трансмиссии через соединительное устройство, которым может быть сцепление или преобразователь крутящего момента. Одной из функций сцепления (гидротрансформатора) является временное прерывание потока мощности между двигателем и трансмиссией (например, для переключения передач).
Для автомобиля с механической коробкой передач система включения сцепления (механизм) является интерфейсом между водителем и сцеплением, что позволяет водителю управлять подключением (включением) и отключением (отключением) сцепления.
Чтобы понять, как работает сцепление, прочтите статью Как работает сцепление .
Система привода сцепления может быть механической , гидравлической или электрической (проводной) .
Механические приводные системы могут быть с металлическими стержнями и стержнями или с металлическим тросом.
По сравнению с механическим приводом сцепления, гидравлический привод гораздо более гибкий и надежный. Гидравлические приводные системы сцепления обеспечивают оптимальное и постоянное усилие на педали, изготовлены из гораздо более легких материалов (снижение веса до 70% по сравнению со стандартной командой системы сцепления) и намного компактнее.
На приведенной ниже схеме показаны основные компоненты гидравлической системы привода сцепления .
Изображение: Детали сцепления с исполнительной системой
- Двухмассовый маховик
- Кожух сцепления
- Механический выжимной
- Устройство гашения вибрации педали
- Главный цилиндр сцепления (CMC)
- пластиковая педаль сцепления
- рабочий цилиндр сцепления (CSC)
- Диск сцепления (фрикционный)
В зависимости от типа включения диафрагменная пружина , муфты классифицируются в:
- нажимные муфты
- нажимные муфты
(крышка)
В нажимной муфте 90 064, при нажатии на педаль сцепления Подшипник выключения сцепления давит на диафрагменную пружину, и нажимной диск освобождает фрикционный диск сцепления.
В тяговом сцеплении при нажатии на педаль сцепления подшипник выключения сцепления тянет диафрагменную пружину, а нажимной диск освобождает фрикционный диск сцепления.
Системы нажимного сцепления с гидравлическим приводом широко используются в пассажирских транспортных средствах.
Системы привода сцепления должны соответствовать нескольким конструктивным требованиям:
- они должны обеспечивать полное выключение сцепления
- они должны обеспечивать плавное включение и выключение сцепления
- усилие на педали сцепления должно быть около 100 … 150 Н, что означает, что для выключения сцепления требуется усилие от среднего до низкого
- ход педали сцепления должен быть около 120 … 150 мм, что означает, что водитель должен иметь возможность выжать педаль сцепления до упора
- он должен иметь механизмы автоматической компенсации износа сцепления, т.е. усилие на педали должно иметь одинаковую характеристику даже при уменьшении ширины фрикционного диска
- должен быть компактной системой, иметь легкую конструкцию, которую можно быстро и легко собрать
- большинство компонентов должно быть изготовлено из материалов, пригодных для повторного использования (не влияет на ощущения водителя)
Крутящий момент сцепления регулируется силой нажатия на педаль сцепления.
Поскольку она косвенно контролирует крутящий момент на колесе, очень важно, чтобы гидравлическая система привода сцепления работала бесперебойно, была надежной и гарантировала длительный срок службы.
Как работает система привода гидравлического сцепления
Принцип работы системы привода гидравлического сцепления основан на законе Паскаля (также известном как принцип Паскаля или принцип передачи давления жидкости).
Изображение: Система привода гидравлического сцепления (прицепного типа) – схема
Кредит: Eaton
- главный цилиндр
- резервуар
- поршень
- линия высокого давления (трубка)
- рабочий цилиндр
- Толкатель
Педаль сцепления связана непосредственно с поршнем (3) главного цилиндра (1). Когда водитель нажимает педаль сцепления, поршень перемещается внутри главного цилиндра и сжимает гидравлическую жидкость, создавая давление. Давление передается по трубопроводу высокого давления (4) на рабочий цилиндр (5).
Толкатель (6) соединен с поршнем рабочего цилиндра. Из-за увеличения давления в рабочем цилиндре толкатель выталкивается наружу, воздействуя на вилку сцепления, которая освобождает нажимной диск и размыкает сцепление.
Гидравлическая жидкость, используемая для приведения в действие, обычно представляет собой тормозную жидкость или минеральное масло.
При срабатывании ход педали сцепления R преобразуется (механико-гидравлически-механически) в ход выжимного подшипника r .
Изображение: Система прицеления гидравлической муфты — компоненты
Кредит: Eaton
- Master Cylind0266
- (дополнительно) воздушный регулятор
- корпус и вилка в сборе
- сцепление
Главный цилиндр сцепления (CMC) соединен непосредственно с педалью сцепления через поршень и толкающий шток. Толкающая сила привода воздействует на поршень, который сжимает гидравлическую жидкость внутри главного цилиндра.
Механическое усилие на педали сцепления преобразуется в гидравлическое давление и поток, передаваемый по шлангу (трубкам) в рабочий цилиндр и обратно преобразуется в механическое усилие на вилке сцепления.
Изображение: Главный цилиндр сцепления
Предоставлено: FTE Automotive 281
Некоторые варианты главных цилиндров сцепления имеют датчики хода , которые передают положение педали сцепления (поршня) обратно в электронный блок управления (ЭБУ).
Технические данные главного цилиндра сцепления
Кредит: FTE Automotive
| Рабочее давление [бар] | < 50 |
| Сопротивление вакууму [мбар] | < 2 9 0438 |
| Диапазон температур [°C] | -40 … 130 |
| Пиковая температура [°C] | 150 |
| Диапазон диаметров [мм] | 15,87 … 38,1 |
| < 45 | |
| Рабочая среда | Тормозная жидкость или минеральное масло |
Давление, создаваемое в главном цилиндре, передается по трубопроводам (шлангам) на рабочий цилиндр сцепления (CSC).
Изображение: Рабочий цилиндр сцепления
Предоставлено: FTE Automotive
Одним из требований к трубе/шлангу является фильтрация внешних вибраций для обеспечения комфортной работы педали сцепления. По этой причине трубы сцепления оснащены демпфирующими компонентами, такими как частотные модуляторы или виброгасители.
Изображение: Трубка-шланг сцепления в сборе
Предоставлено: FTE Automotive
- частотный модулятор (компактная конструкция)
- разъем
- частотный модулятор
Технические характеристики трубка-шланг в сборе 90 064
Кредит: FTE автомобильный
| Рабочее давление [бар] | < 50 |
| Сопротивление вакууму [мбар] | < 2 |
| Диапазон температур [°C] | -40 … 130 |
| Пиковая температура [°C] | 160 |
| Выход диаметр трубки [мм] | 4,75 или 6 |
| Внутренний диаметр трубки [мм] | 3,2 или 6 |
| Рабочая среда | Тормозная жидкость или минеральное масло |
Технические данные пластиковая труба
Кредит: FTE автомобильной
| Рабочее давление [бар] | < 50 |
| Сопротивление вакууму [мбар] | < 2 |
| Температура диапазон [°C] | -40 … 130 |
| Пиковая температура [ °C] | 160 |
| Наружный диаметр [мм] | 8 |
| Толщина стенки [мм] | 2,15 |
| Рабочая среда | Тормозная жидкость или минеральное масло |
Рабочий цилиндр сцепления получает гидравлическую энергию (давление и поток) от главного цилиндра и преобразует ее обратно в механическую силу.
Давление внутри рабочего цилиндра выталкивает поршень, который воздействует на вилку сцепления, выключая сцепление.
Когда водитель отпускает педаль сцепления, давление внутри главного цилиндра и рабочего цилиндра уменьшается и позволяет диафрагменной пружине толкать назад (в случае сцепления нажимного типа) через вилку сцепления поршень/толкатель в рабочий цилиндр.
Система включения сцепления статична относительно кузова автомобиля. Нажимной диск сцепления и диафрагменная пружина вращаются вместе с коленчатым валом двигателя внутреннего сгорания. Устройство выключения сцепления должно обеспечивать связь между статическим элементом (поршень/толкатель рабочего цилиндра) и подвижным элементом (диафрагменная пружина). Это требование может быть выполнено либо путем использования выжимного подшипника вместе с вилкой сцепления, либо с помощью концентрического рабочего цилиндра .
Изображение: Концентрический рабочий цилиндр сцепления
Предоставлено: FTE Automotive
Концентрические рабочие цилиндры содержат также подшипник выключения сцепления.
В этом узле нет необходимости в вилке сцепления, рабочий цилиндр установлен концентрично с диафрагменной пружиной сцепления.
Технические характеристики рабочего цилиндра сцепления
Предоставлено: FTE Automotive куб. сопротивление [мбар]
Технические данные концентрического рабочего цилиндра давление [бар] Наличие водителя независимое управление сцеплением дает некоторые возможности с точки зрения улучшение топливной экономичности автомобиля и снижение выбросов выхлопных газов. Транспортное средство Движение по инерции (также называемое Плавание ) означает, что двигатель отделен от остальной части трансмиссии, и транспортное средство движется за счет своей кинетической энергии (инерции). Транспортное средство может выполнять два типа функций движения накатом: Сценарий Off Coasting дает наибольшее улучшение экономии топлива, но может повлиять на управляемость автомобиля с точки зрения времени, необходимого для разгона автомобиля после события Coasting. Движение по инерции можно легко получить на автомобилях с автоматизированной механической коробкой передач (AMT), коробкой передач с двойным сцеплением (DCT) или автоматической коробкой передач (AT) благодаря электронному управлению сцеплениями. На автомобилях с механической коробкой передач (МКПП) для включения движения по инерции необходимо управлять сцеплением независимо от намерений водителя. Компания Schaeffler разработала ряд интеллектуальных систем включения сцепления для автомобилей с механической коробкой передач, которые автоматически отключают сцепление и позволяют автомобилю двигаться накатом. Изображение: Электронное сцепление (E-Clutch) В концепции электронного сцепления нет механической или гидравлической связи между педалью сцепления и системой выключения сцепления. Чтобы сохранить такое же поведение по отношению к водителю (получить противодействующую силу при нажатии на педаль сцепления), регулятор усилия на педали встроен в педаль сцепления. Со стороны сцепления рабочий цилиндр заменен электронным гидравлическим приводом , который создает необходимое давление для управления положением сцепления. < 50 Сопротивление вакууму [мбар] < 2 Диапазон температур [°C] -40 … 180 904 41 Пиковая температура [°C] 200 Макс. нагрузка выключения [Н] < 7000 Рабочая среда тормозная жидкость или минеральное масло Электроприводы сцепления
Эти улучшения могут быть достигнуты, когда транспортное средство переходит в состояние движения по инерции.
Авторы и права: Schaeffler


