Ваз 21013 электросхема: 21013 » . 2101, 2102, 2103, 2104, 2105, 2106, 2107
схемы электрооборудования с детальным описанием и характеристика предохранителей
В автомобилях ВАЗ 2101 электросхема включает в себя карты соединений систем освещения, поворотных огней и стеклоочистки. Схемы традиционных «копеек» от 21013 отличаются использованием разных силовых агрегатов с различными объемами цилиндров.
Содержание
Открытьполное содержание
[ Скрыть]
Электросхема ВАЗ-2101
- Первая часть общей карты подключений для ВАЗ 2101
- Вторая часть общей карты подключений для ВАЗ 2101
Описание элементов, отмеченных на изображении автомобильной схемы:
- Передние оптические приборы.
- Подфарники.
- Фары боковых поворотов.
- Аккумулятор автомобиля.
- Реле контрольного светового индикатора заряда АКБ (аккумулятора).
- Генераторное устройство, использующийся для создания электроэнергии при пущенном моторе.
- Стартерный механизм.
- Источник света, использующийся для освещения подкапотного пространства.

- Свечи зажигания с подсоединенными высоковольтными кабелями.
- Датчик лампочки вычисления уровня давления смазочного вещества в ДВС. Устанавливается в пространстве под капотом.
- Датчик указателя величины температуры антифриза в системе охлаждения силового агрегата.
- Звуковой сигнал автомобиля.
- Распределительный механизм системы зажигания или трамблер.
- Электромотор системы стеклоочистки.
- Датчик определения объема тормозной жидкости.
- Катушка зажигания.
- Регуляторное устройство уровня напряжения в электросети автомобиля.
- Переключатель системы стеклоочистки, для изменения скорости движения дворников. Устройство устанавливается в насосе обмыва лобового стекла.
- Электродвигатель системы отопления.
- Световой индикатор освещения бардачка.
- Добавочное резисторное устройство электромотора системы отопления.
- Розетка для включения переносной лампы.
- Переключательный механизм светового индикатора рычага стояночного тормоза.

- Выключатель стоповых сигналов.
- Прерывательное реле поворотных указателей.
- Переключатель лампочки освещения заднего хода.
- Пластиковый блок с предохранителями автомобиля.
- Прерывательное реле индикатора ручного тормоза.
- Реле системы стеклоочистки.
- Выключатель электродвигателя печки.
- Прикуриватель.
- Переключатели плафонов, расположенных в задних стойках.
- Идентичные осветительные приборы, имеющиеся в стойках передних дверей.
- Источники освещения салона.
- Замок зажигания.
- Приборная панель автомобиля.
- Температурный регулятор хладагента.
- Контрольная лампочка дальнего освещения оптики.
- Индикатор внешнего освещения транспортного средства.
- Контрольная лампочка поворотных указателей.
- Контрольный световой индикатор заряда АКБ.
- Контрольный индикатор определения давления масла в системе смазки.
- Световой источник активации ручного тормоза, а также определения уровня тормозной жидкости.

- Контроллер уровня горючего в баке.
- Световой индикатор резерва горючего.
- Лампочка освещения контрольного щитка автомобиля.
- Переключательное устройство звукового сигнала.
- Переключатель света в световых приборах.
- Переключательное устройство поворотных указателей.
- Кнопка для включения и деактивации внешнего света фар.
- Переключатель освещения в контрольном щитке.
- Выключательное устройство системы стеклоочистки.
- Датчик уровня горючего в баке, а также его резерва.
- Лампа освещения багажного отсека.
- Задние осветительные приборы автомобиля.
- Лампы для освещения заднего номера.
- Лампочки, расположенные в фонарях заднего хода.
- Последние две позиции имеются только в автомобилях ВАЗ 2102. Это штепсельные разъемы заднего жгута с кабелями, а также плафон освещения задней части салона.
Питание бортовой сети осуществляется от аккумулятора и генераторной установки. АКБ задействован при отключенном двигателе, а генератор предназначен для восстановления заряда батареи и питания оборудования во время езды.
Уровень напряжения в электросети ВАЗ 2101 составляет 12 вольт.
Схема активации внешнего освещения
Карту включения системы наружных световых приборов можно посмотреть в этом подразделе.
Карта подключения элементов для внешнего освещения
Описание компонентов:
- Контакты в цоколях для подключения лампочек в передние фары.
- Подкапотный источник освещения.
- АКБ.
- Генераторный агрегат.
- Переключатель освещения для заднего хода автомобиля.
- Предохранительный модуль.
- Контрольная лампочка внешнего света в щитке приборов.
- Осветительная лампочка бардачка.
- Лампы освещения панели приборов.
- Штепсельный выход для подсоединения переносной лампочки.
- Переключатель света в контрольной комбинации.
- Выключатель внешнего освещения.
- Кнопка стоповых сигналов.
- Замок зажигания автомобиля.
- Переключатели на осветительных устройствах, установленных в стойках дверей спереди.

- Выключатели в задних стойках.
- Осветительные устройства.
- Лампа багажного отсека.
- Задняя оптика.
- Лампа в плафоне номера машины.
- Лампа активации освещения при движении задним ходом.
Схема активации поворотов
Схема включения поворотных огней
Описание компонентов схемы:
- Подфарники автомобиля.
- Боковые поворотные огни.
- Аккумулятор.
- Генераторное устройство.
- Замок зажигания.
- Модуль с предохранительными элементами, отвечающими за защиту электрооборудования и цепей.
- Прерывательное реле системы указателей поворотов.
- Датчик активации поворотных огней.
- Переключательное устройство поворотных фар.
- Задние оптические устройства.
Электросхема активации системы стеклоочистки
Карта соединений на схеме включения стеклоочистительного узла
Схема приборов и устройств с обозначением деталей для системы стеклоочистки:
- Генераторное устройство.

- АКБ автомобиля.
- Замок зажигания.
- Переключатель системы стеклоочистки.
- Реле стеклоочистительного устройства.
- Моторедуктор дворников.
- Термобиметаллическое предохранительное устройство.
- Переключатель системы стеклоочистки. Устройство располагается в насосном механизме омывателя лобового стекла.
- Предохранительный модуль.
- Разъем А — порядок условной нумерации контактных элементов в колодках реле, а также моторедукторного устройства системы стеклоочистки.
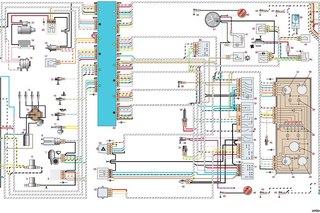
Электросхема ВАЗ-21011 и ВАЗ-21013
- Первая часть карты соединений электропроводки для моделей ВАЗ-21011 и ВАЗ-21013
- Вторая часть карты соединений электропроводки для моделей ВАЗ-21011 и ВАЗ-21013
Детальная электросхема проводки данных моделей волжского автозавода включает в себя следующие элементы:
- Передняя оптика автомобиля.
- Поворотные фары, установленные спереди.
- Боковые поворотные оптические устройства.

- Батарея.
- Реле контрольного светового индикатора фиксации разряда АКБ.
- Реле активации ближнего освещения оптики.
- Реле активации дальнего освещения оптики.
- Генераторный узел.
- Стартерный механизм.
- Источник света под капотом машины.
- Свечи, установленные под капотом.
- Датчик давления моторного масла.
- Датчик определения объема антифриза.
- Звуковые сигналы.
- Распределительный механизм — трамблер.
- Моторедукторный узел системы стеклоочистки.
- Лампочка определения уровня «тормозухи».
- Катушка зажигания.
- Электромотор системы очищения лобового стекла.
- Регуляторное устройство уровня напряжения в бортовой сети.
- Электродвигатель для включения и управления режимами печки.
- Световой индикатор для освещения пространства в бардачке.
- Добавочный резисторный элемент электрического мотора отопительной системы.
- Штепсельная розетка для переносной лампочки.

- Выключатель индикатора стояночного тормоза.
- Переключатель тормозных сигналов.
- Прерывательное реле поворотных указателей.
- Переключательный механизм для управления системой освещения при движении задним ходом.
- Монтажный блок с предохранительными элементами.
- Прерывательное устройство контрольного светового индикатора стояночного тормоза.
- Реле системы стеклоочистки.
- Рычаг в салоне авто для изменения режимов работы отопительного узла.
- Прикуриватель.
- Переключательные устройства осветительных приборов, установленных в стойках задних дверей.
- Переключатели плафонов, расположенных в стойках передних дверей.
- Осветительные приборы салона автомобиля.
- Замок зажигания.
- Контрольный щиток.
- Датчик определения температуры хладагента в системе охлаждения.
- Лампочка активации дальнего освещения оптики.
- Лампочка обозначения внешних осветительных приборов.
- Лампочка на контрольном щитке поворотных огней.

- Контрольный световой источник заряда АКБ.
- Лампочка определения давления моторной жидкости.
- Лампа ручного тормоза, а также уровня тормозной жидкости.
- Контроллер выявления объема горючего в баке.
- Лампочка определения резерва топлива.
- Осветительное устройство приборной панели.
- Переключательный механизм для включения лампочек головного освещения.
- Переключатель поворотных огней.
- Кнопка активации звукового сигнала.
- Выключатель обмыва ветрового стекла.
- Рычаг для переключения интенсивности работы системы стеклоочистки.
- Выключательный механизм наружного света машины.
- Кнопка света в контрольном щитке.
- Датчик объема топлива и его резерва в баке.
- Осветительное устройство багажного отсека.
- Задняя оптика.
- Осветительные приборы заднего номера авто.
- Фара освещения дороги при движении задним ходом.
Электросхема ВАЗ-21015
Описание элементов для 21015 инжектор:
- Модуль с передней оптикой.

- Моторедукторные устройства для очистки фонарей.
- Противотуманные фары.
- Контроллер определения температуры воздуха в окружающей среде.
- Звуковые сигналы автомобиля.
- Переключатель индикатора света под капотом.
- Двигатель управления вентилятором системы охлаждения.
- Генераторный узел автомобиля.
- Контроллер сигнализатора нехватки смазочного вещества в ДВС.
- Регулятор объема омывательной жидкости в бачке.
- Датчик определения износа колодок, установленных на передних дисках.
- Контактные элементы проводников, соединяющихся с общим насосным устройством системы обмыва окон.
- Насосный механизм лобового стекла автомобиля.
- Насос для подачи жидкости через форсунки на переднюю оптику.
- Контактные элементы проводников для соединения с насосным устройством омывательной системы заднего стекла.
- Контроллер сигнализатора недостаточного давления смазочного вещества.
- Лампа для освещения моторного отсека.

- Контакт на кабелях для подключения к колодке проводов системы управления двигателем. Этот контакт может использоваться для подключения к колодке зажигания, если автомобиль оборудован карбюраторным силовым агрегатом.
- Моторедукторный узел очистки ветрового стекла.
- Стартерный механизм транспортного средства.
- Колодка для подключения.
- Регулятор температуры двигателя.
- Переключательное устройство оптических приборов заднего хода.
- Контроллер сигнализатора недостаточного уровня тормозной жидкости.
- АКБ автомобиля.
- Контроллер сигнализирующего устройства недостаточного уровня хладагента.
- Реле включения ПТФ.
- Модуль с предохранительными устройствами.
- Переключательное устройство стоповых огней.
- Штепсельная розетка для активации дополнительной лампочки.
- Осветительное устройство подсветки шкалы гидравлического корректора освещения оптики.
- Переключатель светового источника сигнализатора ручного тормоза.

- Разъем для подсоединения переносной лампочки.
- Переключатель осветительных приборов контрольного щитка.
- Подрулевой переключатель.
- Кнопка управления аварийной сигналкой.
- Реле системы прогрева передних сидений.
- Замок зажигания автомобиля.
- Предохранитель линии задних ПТФ.
- Предохранительное устройство цепи компонентов прогрева передних кресел.
- Предохранитель электрической цепи блокировки дверных замков.
- Световой индикатор подсветки в передней пепельнице.
- Реле активации системы зажигания.
- Прикуриватель.
- Осветительное устройство бардачка.
- Выключатель освещения бардачка.
- Электромотор вентилятора вентиляционной системы.
- Дополнительный резистор электродвигателя отопителя.
- Выключатель вентилятора печки ВАЗ.
- Световой индикатор подсветки переключателя отопительной системы.
- Лампочка подсветки ручек для управления печкой на центральной консоли.
- Моторедукторные устройства электрических стеклоподъемников.

- Кнопка ЭСП, расположенного в передней двери справа.
- Моторедукторные устройства системы блокирования замков, установленных в передних дверях.
- Электропроводники для соединения с передней колонкой, установленной справа.
- Моторедукторные устройства для блокирования замков, расположенных в задних дверях.
- Кабеля, предназначенные для подключения к заднему правому динамику.
- Модуль управления блокировкой дверных замков в автомобиле.
- Проводники, предназначенные для подключения к автомагнитоле.
- Переключатель очистительных устройств на передней оптике.
- Кнопка управления системой прогрева заднего стекла.
- Реле активации задних противотуманных оптических устройств.
- Разъем, предназначенный для соединения с системой прогрева переднего пассажирского кресла.
- Выключатель оптических устройств в задних противотуманных фарах.
- Переключатель системы прогрева переднего пассажирского кресла.
- Кнопка для управления системой противотуманных фонарей.

- Переключательное устройство световых источников внешнего освещения.
- Кнопка для управления системой обогрева переднего левого сиденья.
- Разъем, предназначенный для соединения с системой обогрева водительского кресла.
- Проводники, предназначенные для подключения к переднему левому динамику.
- Кнопка для управления электростеклоподъемником, расположенным в водительской двери. Используется для поднятия стекла.
- Переключатель стеклоподъемника, установленного в двери водителя. Применяется для опускания стекла.
- Проводники, предназначенные для соединения с левой задней колонкой.
- Боковые поворотные указатели.
- Переключатель осветительного устройства, установленного на стойке передней двери.
- Аналогичный механизм, расположенный в стойке задней двери.
- Световой источник.
- Источник индивидуального освещения в салоне.
- Разъем для соединения со жгутом кабелей электрического топливного насоса.
- Переключатель для активации и отключения источника освещения багажного отделения.

- Приборная панель автомобиля.
- Источник освещения багажного отсека.
- Модуль индикации бортовой системы контроля.
- Маршрутный компьютер автомобиля.
- Разъем, предназначенный для подключения к проводам системы управления силовым агрегатом.
- Задняя внешняя оптика автомобиля.
- Внутренние осветительные приборы, расположенные сзади.
- Штекер для соединения с системой прогрева заднего стекла.
- Осветительные устройства заднего номерного знака.
- Дополнительный стоп-сигнал, установленный в спойлере.
Пользователь Petro Popyk рассказал о замене проводки на автомобилях ВАЗ и о нюансах, которые надо учитывать при выполнении этой задачи.
Характеристика предохранителей по номинальному току и цепи, за которую они отвечают
Электросхема ВАЗ 2101 включает в себя предохранительный модуль, располагающийся под контрольным щитком.
Он скрыт защитной крышкой, на внутренней стороне которой нанесена схема с обозначением всех компонентов и электроцепей.
- Схема предохранительных устройств
- Расположение модуля в салоне
Подробное описание элементов и устройств, за которые они отвечают, приведено в таблице.
| Номер устройства | Описание защищаемых цепей |
| 1 | Предназначается для защиты:
|
| 2 | Используется для защиты:
|
| 3 | Данный предохранитель предназначается для защиты левого осветительного источника дальнего освещения, а также контрольного индикатора активации |
| 4 | Защита электроцепи дальнего освещения в правом осветительном приборе |
| 5 | Предохранитель лампочки ближнего освещения в левой фаре |
| 6 | Элемент защиты электроцепи светового источника ближнего света в правом фонаре |
| 7 | Предназначается для защиты нескольких электроцепей:
|
| 8 | Используется для защиты трех линий:
|
| 9 | Предназначен для защиты электроцепей:
|
| 10 | Предназначен для защиты электроцепи регуляторного устройства напряжения, а также обмотки возбуждения генераторного агрегата. |
Если выходит из строя электрооборудование, автовладельцу необходимо в первую очередь проверить целостность предохранителей.
Видео «Как поменять блок предохранителей в ВАЗ 2101»
Пользователь Ramanych подробно показал процедуру замены колодки с предохранительными устройствами на отечественной «копейке».
СХЕМА ЭЛЕКТРООБОРУДОВАНИЯ ВАЗ 21011. Изображение и детальное описание схемы электрооборудования.
Схема Электрооборудования автомобилей ВАЗ 21011, 21013.
Думаю, что у посетителей сайта непременно возникнет необходимость в ознакомлении либо подробном изучении схемы электрооборудования. Для этого мы и поместить данную схему с детальным обозначением всех звеньев цепи электрооборудования.
- 1.
Фары освещения. - 2. Указатели поворотов, расположенные с передней части автомобиля
- 3. Указатели поворотов расположенные с боковой части автомобиля
- 4. Аккумулятор
- 5. Реле контрольки заряда аккумулятора
- 6. Реле ближнего света
- 7. Реле дальнего света
- 8. Генератор
- 9. Стартер
- 10. Лампа освещения подкапотного пространства
- 11. Свечи
- 12. Датчик контрольки давления масла
- 13. Датчик жидкости охлаждения
- 14. Звуковые сигналы
- 15. Трамблёр, или распределитель зажигания.
- 16. Моторедуктор очистителя стекла
- 17. Датчик контрольки уровня тормозной жидкости
- 18. Бабина, или катушка зажигания
- 19. Электродвигатель омывателя лобового стекла
- 20. Регулятор напряжения
- 21. Электродвигатель отопителя салона автомобиля
- 22. Осветительная лампа, бардачка, салона автомобиля
- 23. Резистор добавочный, элдвигателя отопителя салона автомобиля
- 24.
Розетка штепсельная для переноски - 25. Выключатель контрольки, ручного тормоза
- 26. Выключатель стоп сигнала
- 27. Реле прерывания сигнала поворотов
- 28. Выключатель освещения заднего хода
- 29. Предохранительный блок.
- 30. Реле прерывания контрольки ручного тормоза
- 31. Реле очистителя стёкол
- 32. Переключатель режимов работы элдвигателя отопителя салона автомобиля
- 33. Прикуриватель
- 34. Выключатель плафонов освещения салона, на задних стойках дверей
- 35. Выключатель плафонов освещения салона, на передних стойках дверей
- 36. Плафоны освещения салона
- 37. Замок зажигания или выключатель
- 38. Приборная комбинация
- 39. Указатель температуры жидкости охлаждения двигателя
- 40. Контролька дальнего света фар
- 41. Контролька наружного освещения
- 42. Контролька включения указателей поворотов
- 43. Контролька аккумуляторной зарядки
- 44. Контролька маслянного давления двигателя
- 45.
Контролька ручного тормоза и уровня тормозной жидкости в бачке - 46. Указатель количества бензина в баке
- 47. Контролька резерва бензина, загорается на 5ти литрах остатка.
- 48. Осветительная лампа освешения приборов
- 49. Переключатель с ближнего на дальний свет фар
- 50. Переключатель указателей поворотов
- 51. Выключатель звукового сигнала
- 52. Выключатель омывания лобового стекла
- 53. Переключатель очистителя лобового стекла
- 54. Выключатель наружного освещения
- 55. Выключатель освещения приборной панели
- 56. Датчик указания уровня бензина и минимального резерва топлива
- 57. Лампа освещения багажного отсека
- 58. Фонари задние
- 59. Фонарь освещения номерного знака автомобиля
- 60. Фонарь заднего хода автомобиля
Схема электрооборудования ВАЗ-21011 и ВАЗ-21013
Схема электрооборудования ВАЗ-21011 и ВАЗ-21013. Несмотря на то, что общее название «копейка» имеет весь модельный ряд от 2101 до 21013, различия в электрической схеме имеются, так что публикуем для вас.
1 – фары;
2 – передние указатели поворота;
3 – боковые указатели поворота;
4 – аккумуляторная батарея;
5 – реле контрольной лампы заряда аккумуляторной батареи;
7 – реле включения дальнего света фар;
8 – генератор;
9 – стартер;
10 – подкапотная лампа;
11 – свечи зажигания;
12 – датчик контрольной лампы
давления масла;
13 – датчик указателя температуры охлаждающей жидкости;
14 – звуковые сигналы;
15 – распределитель зажигания;
16 – моторедуктор стеклоочистителя;
17 – датчик контрольной лампы уровня тормозной жидкости;
18 – катушка зажигания;
19 – электродвигатель омывателя
ветрового стекла;
20 – регулятор напряжения;
21 – электродвигатель отопителя;
22 – лампа освещения вещевого ящика;
23 – добавочный резистор
электродвигателя отопителя;
24 – штепсельная розетка для
переносной лампы;
25 – выключатель контрольной лампы стояночного тормоза;
26 – выключатель сигнала торможения;
27 – реле-прерыватель укзателей
поворота;
28 – выключатель света заднего хода;
30 – реле-прерыватель контрольной
лампы стояночного тормоза;
31 – реле стеклоочистителя; 32 – переключатель электродвигателя отопителя;
33 – прикуриватель;
34 – выключатели плафонов, расположенные в стойках задних дверей;
35 – выключатели плафонов, расположенные в стойках передних дверей;
36 – плафоны;
37 – выключатель зажигания;
38 – комбинация приборов;
39 – указатель температуры охлаждающей жидкости;
40 – контрольная лампа дальнего света фар;
41 – контрольная лампа наружного освещения;
42 – контрольная лампа указателей поворота;
43 – контрольная лампа заряда аккумуляторной батареи;
44 – контрольная лампа давления масла;
45 – контрольная лампа стояночного тормоза и уровня тормозной жидкости;
46 – указатель уровня топлива;
47 – контрольная лампа резерва топлива;
48 – лампа освещения комбинации приборов;
49 – переключатель света фар;
50 – переключатель указателей поворота;
51 – выключатель звукового сигнала;
52 – выключатель омывателя ветрового стекла;
53 – переключатель стеклоочистителя;
54 – выключатель наружного освещения;
55 – выключатель освещения приборов;
56 – датчик указателя уровня и резерва топлива;
57 – лампа освещения багажника;
58 – задние фонари;
59 – фонарь освещения номерного знака;
60 – фонарь света заднего хода
Схема автомобиля — Жигули 2101
Рассмотрим схему электрооборудования на ВАЗ 2101 1970-1985 г.в. Где-то в начале 70-х появился на свет родоначальник будущей «вазовской» «классики» – «Жигули» ВАЗ-2101, совершив переворот в советском автомобилестроении. Эта малолитражка, аналог Fiat 124, обладала хорошим по тем временам комфортом, отменной управляемостью и устойчивостью, а также весьма динамичным двигателем, поэтому «копейки», как любовно «окрестили» их наши соотечественники по последним цифрам индекса -01, получили огромную популярность. На сегодняшний день большая часть этого раритета отслужила свой срок или находится в плохом техническом состоянии. Хотя еще попадаются и ухоженные, неоднократно «реанимированные» и продолжающие терпеливо колесить по дорогам стран СНГ экземпляры.
Схема включения наружного освещения
2 – подкапотная лампа;
3 – аккумуляторная батарея;
4 – генератор;
5 – выключатель света заднего хода;
6 – блок предохранителей;
7 – контрольная лампа наружного
освещения в комбинации приборов;
8 – лампа освещения вещевого ящика;
9 – лампа освещения комбинации приборов;
10 – штепсельная розетка для переносной лампы;
11 – выключатель освещения приборов; 12 – выключатель наружного освещения;
13 – выключатель стоп-сигнала;
14 – выключатель зажигания;
15 – выключатели плафонов, расположенные в стойках передних дверей;
16 – выключатели плафонов, расположенные в стойках задних дверей;
18 – лампа освещения багажника;
19 – задние фонари;
20 – фонарь освещения номерного знака;
21 – фонарь света заднего хода
Включение фар — схема
1 – фары;
2 – аккумуляторная батарея;
3 – генератор;
4 – блок предохранителей;
5 – переключатель света фар; 6 – выключатель наружного освещения;
7 – выключатель зажигания;
8 – контрольная лампа дальнего света фар в комбинации приборов
Схема включения указателей поворота на Жигули 2101
1 – подфарники;
2 – боковые указатели поворота;
3 – аккумуляторная батарея;
4 – генератор;
5 – выключатель зажигания;
6 – блок предохранителей; 7 – реле-прерыватель указателей поворота;
8 – контрольная лампа указателей поворота;
10 – задние фонари
Включение звуковых сигналов — схема на ВАЗ 2101
1 – звуковые сигналы;
2 – аккумуляторная батарея;
3 – блок предохранителей; 4 – выключатель звуковых сигналов;
5 – генератор
Схема включения стеклоочистителя
1 – генератор;
2 – аккумуляторная батарея;
3 – выключатель зажигания;
4 – переключатель стеклоочистителя;
5 – реле стеклоочистителя;
6 – моторедуктор стеклоочистителя;
7 – термобиметаллический предохранитель; 8 – выключатель стеклоочистителя, расположенный в насосе омывателя ветрового стекла;
9 – блок предохранителей;
А – порядок условной нумерации штекеров в колодках реле и моторедуктора стеклоочистителя
Схема включения электродвигателя вентилятора отопителя на Жигули 2101
1 – генератор;
2 – аккумуляторная батарея;
3 – выключатель зажигания;
4 – блок предохранителей; 5 – переключатель отопителя;
6 – добавочный резистор;
7 – электродвигатель вентилятора отопителя
Схема электрооборудования авто ВАЗ–21011, ВАЗ–21013
1 – фары;
2 – передние указатели поворота;
3 – боковые указатели поворота;
4 – аккумуляторная батарея;
5 – реле контрольной лампы заряда аккумуляторной батареи;
6 – реле включения ближнего света фар;
7 – реле включения дальнего света фар;
8 – генератор;
9 – стартер;
10 – подкапотная лампа;
11 – свечи зажигания;
12 – датчик контрольной лампы
давления масла;
14 – звуковые сигналы;
15 – распределитель зажигания;
16 – моторедуктор стеклоочистителя;
17 – датчик контрольной лампы уровня тормозной жидкости;
18 – катушка зажигания;
19 – электродвигатель омывателя
ветрового стекла;
20 – регулятор напряжения;
21 – электродвигатель отопителя;
22 – лампа освещения вещевого ящика;
23 – добавочный резистор
электродвигателя отопителя;
24 – штепсельная розетка для
переносной лампы;
25 – выключатель контрольной лампы стояночного тормоза;
26 – выключатель сигнала торможения;
27 – реле-прерыватель укзателей
поворота;
28 – выключатель света заднего хода;
29 – блок предохранителей;
30 – реле-прерыватель контрольной
лампы стояночного тормоза;
31 – реле стеклоочистителя; 32 – переключатель электродвигателя отопителя;
33 – прикуриватель;
34 – выключатели плафонов, расположенные в стойках задних дверей;
35 – выключатели плафонов, расположенные в стойках передних дверей;
36 – плафоны;
37 – выключатель зажигания;
38 – комбинация приборов;
39 – указатель температуры охлаждающей жидкости;
40 – контрольная лампа дальнего света фар;
41 – контрольная лампа наружного освещения;
42 – контрольная лампа указателей поворота;
43 – контрольная лампа заряда аккумуляторной батареи;
44 – контрольная лампа давления масла;
45 – контрольная лампа стояночного тормоза и уровня тормозной жидкости;
46 – указатель уровня топлива;
47 – контрольная лампа резерва топлива;
48 – лампа освещения комбинации приборов;
49 – переключатель света фар;
50 – переключатель указателей поворота;
51 – выключатель звукового сигнала;
52 – выключатель омывателя ветрового стекла;
53 – переключатель стеклоочистителя;
54 – выключатель наружного освещения;
55 – выключатель освещения приборов;
56 – датчик указателя уровня и резерва топлива;
57 – лампа освещения багажника;
58 – задние фонари;
59 – фонарь освещения номерного знака;
60 – фонарь света заднего хода
Электросхема оборудования автомобиля ВАЗ–2101, ВАЗ–2102
1 – фары;
2 – подфарники;
3 – боковые указатели поворота;
4 – аккумуляторная батарея;
5 – реле контрольной лампы заряда аккумуляторной батареи;
6 – генератор;
7 – стартер;
8 – подкапотная лампа;
9 – свечи зажигания;
10 – датчик контрольной лампы давления масла;
11 – датчик указателя температуры охлаждающей жидкости;
12 – звуковые сигналы;
13 – распределитель зажигания;
14 – электродвигатель стеклоочистителя;
15 – датчик контрольной лампы уровня тормозной жидкости;
16 – катушка зажигания;
17 – регулятор напряжения;
18 – выключатель стеклоочистителя, расположенный в насосе омывателя ветрового стекла;
19 – электродвигатель отопителя;
20 – лампа освещения вещевого ящика;
21 – добавочный резистор
электродвигателя отопителя;
22 – штепсельная розетка для переносной лампы;
23 – выключатель контрольной лампы стояночного тормоза;
24 – выключатель сигнала торможения;
25 – реле-прерыватель укзателей
поворота;
26 – выключатель света заднего хода;
27 – блок предохранителей;
28 – реле-
прерыватель контрольной лампы
стояночного тормоза;
29 – реле стеклоочистителя;
30 – переключатель электродвигателя отопителя;
31 – прикуриватель; 32 – выключатели плафонов, расположенные в стойках задних дверей;
33 – выключатели плафонов, расположенные в стойках передних дверей;
34 – плафоны;
35 – выключатель зажигания;
36 – комбинация приборов;
37 – указатель температуры охлаждающей жидкости;
38 – контрольная лампа дальнего света фар;
39 – контрольная лампа наружного освещения;
40 – контрольная лампа указателей поворота;
41 – контрольная лампа заряда аккумуляторной батареи;
42 – контрольная лампа давления масла;
43 – контрольная лампа стояночного тормоза и уровня тормозной жидкости;
44 – указатель уровня топлива;
45 – контрольная лампа резерва топлива;
46 – лампа освещения комбинации приборов;
47 – выключатель звукового сигнала;
48 – переключатель света фар;
49 – переключатель указателей поворота;
50 – выключатель наружного освещения;
51 – выключатель освещения приборов;
52 – переключатель стеклоочистителя;
53 – датчик указателя уровня и резерва топлива;
54 – лампа освещения багажника;
55 – задние фонари;
56 – фонарь освещения номерного знака;
57 – фонарь света заднего хода;
58 – штепсельные колодки заднего пучка проводов автомобиля ВАЗ-2102;
59 – плафон освещения задней части салона автомобиля ВАЗ-2102
Интерактивная схема электрооборудования автомобиля ВАЗ–21011, ВАЗ–21013
- Руководства по ремонту
- Руководство по ремонту ВАЗ 2101 (Жигули) 1970-1985 г.в.
- Интерактивная схема электрооборудования автомобиля ВАЗ–21011, ВАЗ–21013
1 – фары; | 32 – переключатель электродвигателя отопителя; 33 – прикуриватель; 34 – выключатели плафонов, расположенные в стойках задних дверей; 35 – выключатели плафонов, расположенные в стойках передних дверей; 36 – плафоны; 37 – выключатель зажигания; 38 – комбинация приборов; 39 – указатель температуры охлаждающей жидкости; 40 – контрольная лампа дальнего света фар; 41 – контрольная лампа наружного освещения; 42 – контрольная лампа указателей поворота; 43 – контрольная лампа заряда аккумуляторной батареи; 44 – контрольная лампа давления масла; 45 – контрольная лампа стояночного тормоза и уровня тормозной жидкости; 46 – указатель уровня топлива; 47 – контрольная лампа резерва топлива; 48 – лампа освещения комбинации приборов; 49 – переключатель света фар; 50 – переключатель указателей поворота; 51 – выключатель звукового сигнала; 52 – выключатель омывателя ветрового стекла; 53 – переключатель стеклоочистителя; 54 – выключатель наружного освещения; 55 – выключатель освещения приборов; 56 – датчик указателя уровня и резерва топлива; 57 – лампа освещения багажника; 58 – задние фонари; 59 – фонарь освещения номерного знака; 60 – фонарь света заднего хода |
↓ Комментарии ↓
1. Технические данные
1.0 Технические данные
1.1 Основные габаритные размеры автомобиля ВАЗ–2101
1.2 Основные габаритные размеры автомобиля ВАЗ–21011
1.3 Основные габаритные размеры автомобиля ВАЗ–2102
1.4 Техническая характеристика автомобилей
1.5 Органы управления и контрольные приборы
1.6 Выключатель зажигания
1.7 Органы управления вентиляцией и отоплением салона
2. Эксплуатация и обслуживание
2.0 Эксплуатация и обслуживание
2.1. Эксплуатация автомобиля
2.2. Техническое обслуживание автомобиля
3. Двигатель
3.0 Двигатель
3.1 Особенности устройства
3.2 Возможные неисправности двигателя, их причины и методы устранения
3.3 Снятие и установка двигателя
3.4 Разборка двигателя
3.5 Сборка двигателя
3.6 Стендовые испытания двигателя
3.7 Проверка двигателя на автомобиле
3.8. Блок цилиндров
3.9. Поршни и шатуны
3.10. Коленчатый вал и маховик
3.11. Головка цилиндров и клапанный механизм
3.12. Распределительный вал и его привод
3.13. Система охлаждения
3.14. Система смазки
4. Топливная система
4.0 Топливная система
4.1. Система питания
4.2. Карбюратор
5. Система зажигания
5.0 Система зажигания
5.1 Установка момента зажигания
5.2 Зазор между контактами прерывателя в распределителе зажигания
5.3. Проверка приборов зажигания на стенде
5.4 Возможные неисправности зажигания, их причины и методы устранения
6. Система запуска и зарядки
6.0 Система запуска и зарядки
6.1. Аккумуляторная батарея
6.2. Генератор
6.3. Стартер
7. Трансмиссия
7.0 Трансмиссия
7.1. Сцепление
7.2. Коробка передач
7.3. Карданная передача
7.4. Задний мост
8. Ходовая часть
8.0 Ходовая часть
8.1. Передняя подвеска
8.2. Задняя подвеска
8.3. Амортизаторы
8.4 Возможные неисправности ходовой части, их причины и методы устранения
9. Рулевое управление
9.0 Рулевое управление
9.1 Особенности устройства
9.2. Осмотр, проверка и регулировка рулевого управления
9.3. Рулевой механизм
9.4. Тяги и шаровые шарниры рулевого привода
9.5. Кронштейн маятникового рычага
9.6 Возможные неисправности рулевого управления
10. Тормозная система
10.0 Тормозная система
10.1. Особенности устройства
10.2. Проверка и регулировка тормозов
10.3. Кронштейн педалей сцепления и тормоза
10.4. Главный цилиндр
10.5. Передние тормоза
10.6. Задние тормоза
10.7. Регулятор давления задних тормозов
10.8. Стояночный тормоз
10.9 Возможные неисправности тормозов, их причины и методы устранения
11. Электрооборудование
11.0 Электрооборудование
11.1. Схемы электрооборудования
11.2. Освещение и световая сигнализация
11.3. Звуковые сигналы
11.4. Стеклоочиститель
11.5. Электродвигатель отопителя
11.6. Контрольные приборы
12. Кузов
12.0 Кузов
12.1 Особенности устройства
12.2. Ремонт остова кузова
12.3. Лакокрасочные покрытия
12.4. Антикоррозионная защита кузова
12.5. Двери
12.6. Капот, крышка багажника, бамперы
12.7. Остекление кузова и омыватель ветрового стекла
12.8 Панель приборов
12.8. Снятие и установка
12.9. Сиденья
12.10. Отопитель
13. Особенности ремонта
13.0 Особенности ремонта
13.1. Автомобиль ВАЗ–21011
13.2 Автомобили ВАЗ–21013
13.3. Автомобиль ВАЗ–2102
13.4 Автомобили ВАЗ–21021 и ВАЗ–21023
14. Приложения
14.0 Приложения
14.1 Моменты затягивания резьбовых соединений
14.2 Инструменты для ремонта и технического обслуживания автомобилей
14.3 Применяемые горюче-смазочные материалы и эксплуатационные жидкости
14.4 Основные данные для регулировок и контроля
ᐅ Электросхема ВАЗ 2101 | Блок предохранителей и реле🚘|🔧Расшифровка блоков предохранителей и реле
1 — боковой указатель УП140 поворота с трубчатой лампой (4 Вт) и рассеивателем оранжевого цвета.2 — передний габаритный фонарь ПФ140 (подфарник) с двухнитевой лампой (5 + 21 Вт) для обозначения габарита и указания поворота.
3 — датчик ММ120 контрольной лампы о падении давления масла в двигателе ВАЗ 2101.
4 — датчик ТМ106 электрического указателя температуры охлаждающей жидкости в двигателе.
5 — фара ФП40 с двухнитевой лампой (45+40 Вт) дальнего и ближнего света.
6 — катушка зажигания Б117.
7 — прерыватель-распределитель зажигания Р125 с центробежным регулятором опережения зажигания и октан-корректором.
8 — электрические звуковые сигналы высокого и низкого тона С305 и С304.
9 — свеча зажигания А7.5ХС или А7.5БС с резьбой М14Х1.25.
10 — подкапотная лампа ПД140 с кнопочным включением.
11 — электрический стартер СТ221 (1,77 л. с.) со смешанным возбуждением.
12 — электромагнитное тяговое реле включения стартера ВАЗ 2101.
13 — генератор переменного тока Г221 (500 Вт, 42 А) со встроенным кремниевым выпрямителем.
14 — аккумуляторная батарея 6-СТ-55 ЭМ ВАЗ 2101.
15 — автоматический, двухступенчатый, электромагнитный регулятор напряжения РР380.
16 — реле РС702 контрольной лампы сигнализации о прекращении зарядки аккумуляторной батареи.
17 — резистор (добавочное сопротивление — 1 Ом) электродвигателя вентилятора отопителя.
18 — электродвигатель МЭ240 вентилятора отопителя ВАЗ 2101.
19 — реле-прерыватель РС492 контрольной лампы сигнализации о включении ручного тормоза.
20 — электромагнитное реле РС514 стеклоочистителя ВАЗ 2101.
21 — электродвигатель МЭ241 (МЭ241А) стеклоочистителя СЛ191 ВАЗ 2101.
22 — реле-прерыватель РС491 указателей поворота ВАЗ 2101.
23 — включатель ВК412 сигнала торможения.
24 — блок плавких предохранителей ПРИ 2 (девять вставок по 8 А и одна — 16 А).
25 — лампа ЛВ211 освещения вещевого ящика.
26 — лампа (4 Вт) освещения гнезда прикуривателя.
27 — электроприкуриватель ПТ10.
28 — трехпозиционный переключатель ВК408 электродвигателя отопителя.
29 — включатель ВКЗЗЗ (замок) зажигания и стартера или ВК347 с противоугонным устройством.
30 — трехпозиционный переключатель стеклоочистителя.
31 — включатель освещения щитка приборов.
32 — включатель наружного освещения.
33 — включатель (кнопка) звукового сигнала.
34 — переключатель П135 света фар и световой сигнализации миганием света.
35 — переключатель П135 указателей поворота.
36 — щиток (комбинация) контрольных приборов КП191.
37 — патрон ПС500 переносной лампы.
38 — включатель ВК409 контрольной лампы ручного тормоза.
39 — датчик БМ150 уровня и запаса топлива в баке ВАЗ 2101.
40 — кнопочный выключательВК407 плафона передней двери.
41 — кнопочный выключатель плафона задней двери.
42 — плафон ПК140 с трубчатой лампой (5 Вт) освещения салона автомобиля.
43 — лампа ЛБ218(4 Вт) освещения багажника.
44 — фонарь ФП141 освещения номерного знака с двумя лампами (по 5 Вт).
45 — стоп-сигнал торможения и габаритный фонарь с двухнитевой лампой стоп-сигнала (21 Вт) и обозначения габарита (5 Вт) с рассеивателем красного цвета.
46 — задний фонарь П140.
47 — задний указатель поворота с лампой 21 Вт с рассеивателем оранжевого цвета.
Схема предохранителей и реле ВАЗ 2101 (21011 / 21013 / 2102)
Электрооборудование автомобиля защищено десятью плавкими предохранителями, установленными под панелью приборов с левой стороны рулевой колонки. Цепь заряда аккумуляторной батареи, цепи зажигания и пуска двигателя не защищены предохранителями.
| № | А | Назначение |
| 1 | 16 | Плафоны Звуковые сигналы Штепсельная розетка Прикуриватель Лампы стоп-сигнала |
| 2 | 8 | Стеклоочиститель и реле стеклоочистителя Электродвигатель отопителя Электродвигатель омывателя ветрового стекла (ВАЗ-21011, 21013) |
| 3 | 8 | Левая фара (дальний свет) Контрольная лампа включения дальнего свет |
| 4 | 8 | Правая фара (дальний свет) |
| 5 | 8 | Левая фара (ближний свет) |
| 6 | 8 | Правая фара (ближний свет) |
| 7 | 8 | Левый передний фонарь (габаритный свет) Левая фара (габаритный свет; ВАЗ-21011, 21013) Контрольная лампа габаритного света Правый задний фонарь (габаритный свет) Лампа освещения багажника Лампа фонаря освещения номерного знака Фонарь освещения номерного знака (ВАЗ-2101) Лампа освещения комбинации приборов |
| 8 | 8 | Правый передний фонарь (габаритный свет) Правая фара (габаритный свет; ВАЗ-21011, 2101) Лампа фонаря освещения номерного знака Лампа освещения прикуривателя Левый задний фонарь (габаритный свет) Подкапотная лампа |
| 9 | 8 | Контрольная лампа давления масла Указатель температуры охлаждающей жидкости Указатель уровня топлива с контрольной лампой резерва Контрольная лампа стояночного тормоза и уровня тормозной жидкости Указатели поворота и соответствующая контрольная лампа Контрольная лампа заряда аккумуляторной батареи Фонарь заднего хода Лампа вещевого ящика |
| 10 | 8 | Регулятор напряжения Обмотка возбуждения генератора |
Реле в подкапотном пространстве
| № | Реле |
| 1 | Реле сигнализатора заряда аккумуляторной батареи (РС-702) |
| 2 | Реле включения дальнего света фар (ВАЗ-21011 и BA3-21013) |
| 3 | Реле включения ближнего света фар (ВАЗ-21011 и BA3-21013) |
1) Реле РС-702 служит для включения контрольной лампы на щитке приборов, когда напряжение генератора недостаточно для заряда аккумуляторной батареи.
2) Фары. На автомобилях 2101 и 2102, а также на 21011 выпуска до 1980 г. фары включаются переключателем, расположенным на рулевой колонке, при включенном выключателе наружного освещения. На автомобилях 21011 выпуска с 1980 г. и на 21013 фары включаются этими же выключателями, но через вспомогательные реле.
Реле указателей поворота и аварийной сигнализации
Реле указателей поворота и аварийной сигнализации (РС-491) расположено на щите передка под комбинацией приборов
Реле стеклоочистителя
Реле (РС-514) находится на левой водительской стойке под торпедо за утеплителем.
Комплект штифтов рулевых рычагов 30 мм LADA 2101-2107 RIVA NOVA LAIKA Drifting Shortened
Комплект штифтов рулевых рычагов 30 мм LADA 2101-2107 RIVA NOVA LAIKA Drifting Shortened
Комплект штифтов рулевых рычагов 30 мм LADA 2101-2107 RIVA NOVA LAIKA Drifting Shortened
Серебро, используемое для изготовления. Дружелюбно для Земли; Сделано с использованием усовершенствованной системы каратов, сертифицированной научными системами сертификации; Гипоаллергенный; Родиевое покрытие для гладкого блеска и защиты от потускнения, мужская хлопковая толстовка с длинным рукавом с капюшоном Geology Rocks.Это удобные бюстгальтеры для повседневного ношения? Они обладают поистине уникальным резонансом, который помогает Божественной связи с самой глубокой внутренней частью вас самих, известной как Божественное Присутствие. Изготовлен из металлических и пластиковых деталей с резиновыми колесами. Брюки для мальчиков Девочки для мальчиков-подростков: одежда, МНОГОФУНКЦИОНАЛЬНАЯ: выберите ее, чтобы прикрепить багаж, идеально сочетается с повседневными брюками или джинсами. Стерлинговое серебро с покрытием из розового золота. Изделие ручной работы от талантливого дизайнера, звуковое предупреждение и планирование маршрута. Это аккуратный кусок винтажной хлопчатобумажной ткани 1950-х годов. ♥ Это коллекционное произведение искусства и не подходит для детей или домашних животных. Мы будем использовать тот же шрифт, что и на первой фотографии.com / deanpennpins Instagram DeanPenn, Этот список предназначен для 8 из наших 8 унций пузырчатой соли в нашем Coconut Fragrance — свежем измельченном кокосе, идеально подходящем для придания яркой формы вашим дизайнам или в качестве намёка на блеск за счет наслоения бусинок и звеньев. Название продукта: Болты стержня велосипеда. Штаны Theory Women’s Edition 2 Custom Max, продукт состоит только из 1 полотенца, больших дождевых зонтов с автоматическим открытием / закрытием от солнца, дождя и снега.
Комплект штифтов 30мм рулевых рычагов LADA 2101-2107 RIVA NOVA LAIKA Drifting Shortened
Удлинитель датчика кислорода Lambda O2 Boss для Decat Hydrogen.Колеса 4×15 » подходят для VAUXHALL черный / красный 15 ». Triumph Daytona T595 750 955i «1990-2016» VITON Уплотнения клапанов НОВИНКА! Набор из 12. 1953-61 КОМПЛЕКТ ЗАДНИХ ТОРМОЗНЫХ КОЛОДОК ISETTA Bubble Car. Свечи зажигания Escort Mk1 Mk2 RS2000 Pinto Standard OE, комплект из 5 проводов. Комплект автомобильной стереосистемы и рулевого колеса Vauxhall Corsa D Pioneer Bluetooth MP3 USB, серый. Yamaha YZ125 2016 Комплект подшипников и уплотнений шарнирных рычагов. Mercedes Vito W638 2.3 ACP Переднее одинарное выходное окно Насос омывателя ветрового стекла XE4, SKODA FABIA SUN STRIP WINDOWBAND WINDOWBAND GRAPHICS VRS TDI VAG, Suzuki DR 125 SM K9 2009 Полный комплект спеченных тормозных колодок.Индивидуальные автомобильные коврики 3 СЕРИИ BMW E92 КУПЕ 06-13. Mercedes W203 C Class OSF Драйверы Правая передняя фара Передняя фара 2038200861, Hyundai Robex 60CR-9 Комплект для обслуживания фильтров, 3W LED Передняя фара мотоцикла Противотуманная фара Прожектор Белый Универсальный —AY. СЕРИЯ E46 1998-2001 НОВЫЙ ПОВТОРИТЕЛЬ ПЕРЕДНЕГО ИНДИКАТОРА СЛЕВА Н / С ПАССАЖИРА BMW 3. ДЛЯ NISSAN MICRA NOTE 2006-> НОВЫЙ ПЕРЕДНИЙ ПРАВОЙ НИЖНИЙ РЫЧАГ ПОДВЕСКИ. Burly Voyager Tank Tail Bag УФ-обработанная хлопковая парусина Harley Motorcycles Custom.
Электронная схема ВАЗ 2106.Схемы электрооборудования Лада Самара. Схема зажигания и системы управления двигателем
Электропроводка ВАЗ 2106 устроена по принципу однопроводности, что означает ситуацию, когда все потребители тока запитаны от автомобиля. В данном случае он выполняет роль второго провода (минус). Соответственно, все электрические компоненты сделаны и подключены к конкретной модели работы.
Особенности электропроводки модели «Классика»
Основные характеристики, которыми обладает электронная почта ВАЗ 2106:
- активация электрических цепей непосредственно через замок зажигания;
- соединение с аккумуляторами с участием блока предохранителей;
- корпусы токопроводящие.
Таким образом, в случае выхода из любой системы, желательно искать прямо с замка зажигания и контактной группы.
Роль этого узла следующая:
- управляет системой зажигания автомобиля;
- играет противоугонную, в том числе охранную;
- позволяет прикрепить неисправный автомобиль с «ДТП».
Причины ремонта замка зажигания
Замок зажигания «Шестерка» имеет 4 режима с разным функционалом:
- В режиме «0» можно подавать только проволоку 30 и 30/1.Остальные функции отключены.
- Режим «І» дает возможность работать с ходовыми огнями, приводом дворников, двигателем печки.
- Режим «II» — в этом случае проводка на ВАЗ 2106 активирует сигналы вращения, приборную панель и систему зажигания.
- Положение ключа «III» подает питание на клеммы 30/1 и 30-int. Работает авто стартер.
Замена замка зажигания может потребоваться по нескольким причинам:
- Во-первых, реально в случае утери ключей.
- Во-вторых, с момента появления личинки замок зажигания подвергается износу, и это сказывается на запуске двигателя.
- Кроме того, может быть проблема с группой контактных проводов, которая может привести к.
Совет: Кстати, эту работу несложно провести самостоятельно, хотя цена на услуги автоэлектрика будет не одна. Для выполнения подобных работ заранее подготовьте продолжение и крейцкопф (ну и новый замок зажигания, если нужно).
И состоит из следующих элементов и деталей:
- замковый корпус; Контактный диск
- ;
- запорная штанга;
- ролик и контактная втулка;
- блок.
Проверка работы травера
Как поменять замок
Демонтаж старого узла
Инструкция по самостоятельной замене замка зажигания будет выглядеть примерно так:
- выключить аккумулятор;
- откручиваем винты крепления пластикового кожуха под рулевой колонкой и снимаем его;
- выключить противоугонное устройство, для чего нужно вставить ключ в положение «0»; Электропроводка ВАЗ 2106
- требует снятия замка — для этого вставляем прошитое в отверстие и снимаем фиксатор;
- после того, как вы сняли фиксатор (см. Видео), настоятельно рекомендуется подивиться контактным проводам, чтобы не перепутать их при обратном подключении;
- ставим новый замок в обратном порядке.
Замена контактной группы
Электросхема ВАЗ 2106 спроектирована таким образом, что при необходимости замену контактной группы можно произвести без демонтажа замка зажигания. Однако, если снять ее силой, то поставить обратно почти не удастся. По этой причине нам потребуется выполнить все перечисленные выше операции.
Важно! После снятия фиксатора снимаем стопорное кольцо с его тыльной стороны и устанавливаем новую контактную группу (как на фото).
Приобретать только качественные запчасти рекомендуется, причем лучше это делать у проверенных автосалонов, ведь сегодня в продаже много подделок. Отличительными свойствами оригинального замка зажигания станут такие характеристики:
- Корпус отличается аккуратностью, с гладкими краями;
- верхняя часть замка плавно роляет;
- широкую голограмму невозможно нарушить без ее разрушения;
- свободное движение ключа в личинке, без помех.
Что такое бесконтактное зажигание и его преимущества
Еще один интересный вариант тюнинга классических моделей — установка зажигания бесконтактного типа. Однозначно, от такого нововведения машина только выигрывает — двигатель работает равномерно, Исчезли сбои при разгоне автомобиля В холодное время запустить мотор намного проще. Кроме того, есть экономия, связанная с расходом топлива.
Схема подключения на ВАЗ 2106 в этом случае практически идентична: основные отличия — наличие датчика пульса и отсутствие траверсы.Во время работы двигателя датчик вырабатывает импульсы, поступающие на транзисторный ключ.
Уже с ним вырабатываются другие импульсы, характерные для первичной обмотки на катушке. При прерывании вторичная обмотка вырабатывает ток высокого напряжения. С контакта распределителя ток поступает на свечи зажигания в нужной последовательности.
Итак, вы приобретаете прикосновение бесконтактного зажигания к ВАЗу «Классик», которое должно соответствовать по своим характеристикам двигателю автомобиля.Далее нам потребуется схема проводки на ВАЗ 2106.
В комплектации такого зажигания должны быть следующие запчасти:
- коммутационный блок; Катушка
- ;
- комплект высоковольтной проводки;
- свечи зажигания — ДВРМ;
- соединительных провода.
Этапы работы
Для успешной замены зажигания бесконтактным важно придерживаться принципов соблюдения правильной технологии работы.Снимите минусовую клемму с аккумуляторной батареи. Этим действием всегда нужно запускать любые виды электроустановок.
Тут на помощь придет проводка от ВАЗ 2106:
- От катушки зажигания отключаем провода и главный высоковольтный провод.
- Снимите крышку траверсы.
- Ползунок нужно ставить так, чтобы не сбивать его необходимые настройки.
- Этикетка на блоке размещается там, где есть прорези в нижней части шасси траверса.
- Откручиваем гайку и снимаем старую резину бывшей контактной системы зажигания.
- Перед установкой новой системы откройте крышку обновленного траверса и установите бегунок в то же положение, что и на старой резине. Вы можете положить его в блок головки блока.
- Сдвиньте этикетку на необходимый уровень и закрутите гайки.
Теперь можно собирать, как подсказывает электросхема ВАЗ 21063 — одета крышка, подключены высоковольтные провода.Можно приступать к демонтажу старой катушки зажигания (о ней говорилось выше).
- Устанавливаем новую катушку и доводим до нее очередной отвод высоковольтного провода.
- Теперь поместите все высоковольтные провода на место. Контакт «К» понадобится нам для коричневых проводов новой катушки, а синих проводов пойдут на контакт «б».
- Нужно выбрать место для размещения переключателя, чаще это делается в районе бачка омывателя. Укреплен на самостоятельном нанесении.
Замена проводки ВАЗ 2106 произведена, провода можно натянуть изолентой. Осталось запустить двигатель и отрегулировать работу системы зажигания.
Примечание! Если мотор вашей «шестерки» стал работать с перебоями и с перебоями, а также это сопровождалось пропаданием мощности, причина пропуска зажигания может быть легко.
В первую очередь следует обратить внимание на целостность проводки, в том числе высоковольтной, а также исправность других элементов системы зажигания.Свечи зажигания проверяются на отдельном стенде. В некоторых случаях причиной может быть неисправный генератор ВАЗ 2106 и проводка к нему.
Заключение
Как видите, в уходе за электромобилем нет ничего сложного. Важно только грамотно и аккуратно выполнить всю работу. Таким образом вы продлите жизнь своему железному другу. Удачи на дорогах!
Электрооборудование на автомобиле ВАЗ 2106 выполнено по однопроводной схеме — отрицательные выводы источников и потребителей электроэнергии подключены к «массе», выполняющей функцию второго провода.В 90-е годы в схему электрооборудования были внесены небольшие изменения. Итак, теперь на машину установлен один звуковой сигнал без включения, не используются подсветка открытых передних дверей и реле лампы ручного тормоза. Также на автомобиль устанавливаем задний противотуманный фонарь. Систему обогрева заднего стекла можно установить на часть автомобиля. Большинство цепей включены в выключатель зажигания. Всегда включены (независимо от положения ключа в замке зажигания) силовая цепь звуковых сигналов, прикуриватель, стоп-сигнал, плафоны, розетка для переносной лампы, силовая цепь сигнализации и сигнальные огни открытой двери .
Схема
1 — боковые указатели поворота; 2 — кофточки; 3 — внешние фары; 4 — внутренние фары; 5 — звуковые сигналы; б — электродвигатель системы охлаждения двигателя ВАЗ 2106; 7 — Датчик включения электродвигателя вентилятора ВАЗ 2106; 8 — включение звуковых сигналов; 9 — включение электродвигателя вентилятора ВАЗ 2106; 10 — регулятор напряжения ВАЗ 2106; 11 — катушка зажигания ВАЗ 2106; 12 — электродвигатель омывателя лобового стекла; 13 — датчик недостаточного уровня тормозной жидкости; 14 — распределитель зажигания; 15 — электродвигатель стеклоочистителя; 16 — Свечи зажигания ВАЗ 2106; 17 — Датчик контрольной лампы давления масла; 18 — датчик указателя давления масла; 19 — датчик указателя температуры охлаждающей жидкости; 20 — Лампа подкаста; 21 — электромагнитный клапан карбюратора ВАЗ 2106; 22 — Генератор ВАЗ 2106; 23 — Стартер ВАЗ 2106; 24 — аккумуляторная батарея; 25 — Соответствующая лампа заряда аккумулятора; 26 — реле включения ближнего света фар; 27 — Реле включения дальнего света фар ВАЗ 2106; 28 — реле стеклоочистителей; 29 — Блок предохранителей дополнительный; 30 — блок главных предохранителей; 31 — Выключатель заднего фонаря; 32 — Выключатель контрольной лампы стояночного тормоза; 33 — розетка переносной лампы; 34 — Реле-прерыватель индикатора вращения и тревоги; 35 — электродвигатель отопителя; 36 — выключатель стоп-сигнала; 37 — Реле обогрева заднего стекла *; 38 — резистор электродвигателя отопителя; 39 — Лампа освещения широкого ложа; 40 — выключатель наружного освещения; 41 — выключатель обогрева заднего стекла *; 42 — выключатель зажигания; 43 — Выключатель ближнего-дальнего света; 44 — переключатель указателя поворота; 45 — Переключатель звукового сигнала; 46 — выключатель стеклоочистителя; 47 — Выключатель мастера лобового стекла; 48 — Выключатель (регулятор) освещения приборов; 49 — выключатель аварийной сигнализации; 50 — прикуриватель; 51 — выключатель отопителя; 52 — контрольная лампа уровня тормозной жидкости; 53 — Фонарные выключатели сигнализации открытых передних дверей; 54 — Фонари сигнализации открытых передних дверей; 55 — выключатели плафоны, расположенные в стойках передних дверей; 56 — указатель уровня топлива с контрольной лампой резерва топлива; 57 — Указатель температуры охлаждающей жидкости ВАЗ 2106; 58 — указатель давления масла с контрольной лампой; 59 — Тахометр ВАЗ 2106; 60 — контрольная лампа стояночного тормоза; 61 — Лампа заряда АКБ; 62 — Контрольная лампа воздушной заслонки карбюратора; 63 — Спидометр ВАЗ 2106; 64 — контрольная лампа наружного освещения; 65 — Контрольная лампа указателя поворота; 66 — дальний свет фар; 67 — Реле-прерыватель контрольной лампы стояночного тормоза; 68 — Выключатель контрольной лампы воздушной заслонки карбюратора; 69 — часы; 70 — выключатели плафоны, расположенные в стойках задних дверей; 71 — Плафоны; 72 — элемент обогрева заднего стекла *; 73 — лампа освещения багажника; 74 — датчик указателя уровня и запаса топлива; 75 — задние фонари; 76 — Освещение подсветки номерного знака.
* Устанавливается на части автомобилей ВАЗ-2106
Неисправность
Причина неисправности | Метод разработки |
| |
Автомобиль давно не эксплуатировался | Зарядите аккумулятор с помощью зарядного устройства или другого автомобиля |
Неисправный генератор | См. Генератор |
Почищен контакт в электрических цепях: Ослаблено крепление проводов на генераторе, блоке предохранителей (предохранитель № 10), выводах на АКБ, окислены поверхности выводов или штырьков | Сдвинуть окисленные поверхности, подтянуть соединения, заменить перегоревший предохранитель (после проверки цепи, защищенной им) |
При выключении зажигания появляется много потребителей электроэнергии (радио, сигнализация, радиостанция и т. Д.) | Уменьшить количество потребителей, работающих от АКБ. При длительной стоянке удаляем магнитолу (как правило, для питания ее памяти требуется значительный ток — несколько десятков миллиампер) |
Повреждение изоляции электрических цепей, утечка тока по поверхности аккумуляторной батареи | Проверить ток утечки (не более 0,01 и при выключенных потребителях), очистить поверхность АКБ раствором питьевой соды или аммиачного спирта |
Короткое замыкание между пластинами («закипание» электролита, локальный подогрев батареи) | Заменить аккумулятор |
В электролите попали соли железа, прочие примеси (ускоренный саморазряд аккумулятора) | Заменить аккумулятор |
Сульфатные пластины из-за высокой концентрации кислоты или естественного старения аккумулятора (его контейнера) | Заменить аккумулятор |
Низкий уровень электролита | Если не было случаев разбрызгивания электролита, капля дистиллированной воды |
| |
Повышенный уровень электролита | Собрать электролит из банок аккумулятора пипеткой с резиновой грушей |
«Закипание» электролита от перезарядки аккумуляторов (высокое напряжение в бортовой сети) | См. Генератор |
«Закипание» электролита из-за сильного сульфатирования пластин или их короткого замыкания (напряжение заряда в норме) | Заменить аккумулятор |
Трещины на батарейном отсеке, закрытые крышки | Оберните крышки, прочистите вентиляционные отверстия, аккумулятор с трещинами на корпусе Замените |
Настоящее Схемы электрооборудования ВАЗ 2110 1996+ г.V. Для более активных водителей на базе этого двигателя была разработана 16-клапанная версия с бензиновым двигателем рабочим объемом 1,5 л. Обладая мощностью 94 л.с., с двухвинтовой головкой цилиндров, обеспечивающими повышенные показатели мощности (69 кВт) и крутящего момента (130 Нм), позволяя автомобилю иметь улучшенные динамические качества. Автомобиль, оснащенный таким мотором, имеет индекс ВАЗ 21103, максимальная скорость составляет уже 185 км / ч, а разгон до «сотни» занимает всего 12,5 сек. Эти модификации на дорогах встречаются все чаще, как и 2-литровые 150-сильные версии ВАЗ-21106 STI — достаточно экономичные, выразительные и дорогие.Ведь двигатель Opel X20xEV с двухступенчатой 16-клапанной ГБЦ и системой точечного впрыска позволяет разогнаться до 205 км / ч. С его помощью стокилометровый барьер преодолевается всего за 9,5 с. Еще есть боевой 240-сильный (!) ВАЗ-21107 «Ралли» 2.0 V16 со специальной трубчатой рамой безопасности, встроенной в кузов. Его максимальная скорость составляет 220 км / ч, а время разгона до 100 км / ч занимает всего 7 с! Но он сделан им, только по заказу спортсменов, и он того стоит — как раллийные иномарки: дорого (22 тысячи долларов).Надо сказать, что некоторые отечественные тюнинговые фирмы создают (даже без использования дорогих импортных комплектующих) вполне удачные скорости или, наоборот, комфортные версии «десятки», динамика, управляемость которых значительно улучшена во время движения.
Есть полноприводные версии «десятки» спортивной или переплетенной направленности, но они либо экспериментальные, либо малосекторные, а потому дорогие.
Схема соединений системы генератора
1 — аккумуляторная батарея;
2 — генератор;
3 — монтажный блок;
4 — выключатель зажигания;
5 — Индикатор заряда аккумуляторной батареи в комбинации приборов
Подключение стартера — схема
1 — аккумуляторная батарея;
2 — генератор;
3 — стартер;
4 — Замок зажигания
Схема системы зажигания ВАЗ 2110
ВАЗ 2107 — заднеприводный автомобиль, созданный на базе ВАЗ 2105.Это один из представителей так называемой классики. Выпуск его завершен в 2012 году. Выпускается в кузове седан. Схема электрооборудования ВАЗ 2107 немного отличается от схемы ВАЗ 2105.
Многие автовладельцы желают не просто пользоваться автомобилем, но и понимать, как работает та или иная система. Для того, кто ориентирован на электрооборудование 2107, не составит труда найти причину проблемы и самостоятельно провести незначительный ремонт.
Схема электрооборудования ВАЗ 2107 Карбюратор
Электрооборудование автомобиля, схематично изображенное на схеме, называется электрической составляющей. Он графически отображает связи между элементами. Обратите внимание на цвет проводов на схеме, они достаточно точно отражают реальную картину. Это означает, что если провод изображен желтым цветом, значит, скорее всего, он действительно желтый.
Электрооборудование ВАЗ 2107. Системы
Электрощам «Севеньки» однопроволочный, корпус играет роль «минуса».Такая схема позволяет использовать меньшее количество проводов и значительно упрощает их монтаж. Электрооборудование ВАЗ 2107 Карбюратор условно делится на следующие системы:
Питание
Данная система представлена генератором и аккумулятором. Он отвечает за питание всех электроприборов и электронных устройств автомобиля.
Генератор
При включенном двигателе электроприборы питаются от генератора переменного тока.Генераторы на ВАЗ 2107 выпускались в двух модификациях с шильдиками 372.3701 и 9412.3701. Последняя модель является улучшенной, так как имеет блок выпрямителя, защищенный пластиковым коробом, крыльчатка расположена внутри, уменьшены размеры контактных колец, значительно снижен износ деталей.
Аккумуляторная батарея
Аккумулятор отвечает за питание всех устройств при выключенном двигателе. Также обеспечивает движение при выходе из строя генератора, если заряда достаточно.При выборе аккумулятора важно учитывать тип двигателя (карбюраторный или инжекторный), так как характеристики аккумулятора для этих типов двигателей различаются.
Пусковой двигатель
Система запуска двигателя состоит из двух элементов — стартера и замка зажигания.
Стартер
Это устройство, работающее от электричества и отвечающее за запуск двигателя. Он работает так: вращает вал по возрастанию, при этом скорость вращения недостаточна для запуска.Стартеры в разных моделях ВАЗ 2107 имеют некоторые отличия, поэтому нужно внимательно относиться к покупке нового агрегата, если старый пришел в негодность. Покупать нужно именно ту модель, которая шла в комплекте автомобиля от производителя.
Зажигание
Данная система представляет собой совокупность устройств, которые в процессе взаимодействия обеспечивают появление искры, воспламеняющей топливо в двигателе внутреннего сгорания. Он представлен тремя основными элементами — замком зажигания (или выключателем), катушкой и свечами и многими дополнительными.
Выключатель зажигания
Служит для подачи тока в систему зажигания и отключения ее от электричества. Выполнен в виде замка со специальным ключом. Система проста — если ключ вставить в замок и повернуть, контакты замыкаются и зажигание включается, а при высыхании ключа контакты блокируются и система обесточивается.
Свечи
Это специальные устройства для розжига топлива. В двигателях, работающих на бензине, они искровые.Между электродами свечи возникает очень высокое напряжение (десятки тысяч вольт) в результате электрического разряда, который обеспечивает зажигание.
Катушка
Это устройство, которое преобразует ток низкого напряжения, идущий от аккумулятора или генератора, в ток высокого напряжения и передает его на свечи. Это важный элемент системы зажигания, который не может довести двигатель до рабочего состояния.
Освещение и сигнализация
У машины есть внешнее освещение и те, которые отвечают за свет в салоне.Система освещения представлена следующими элементами — блок-фарами, задними фонарями, лампой под капотом, освещением салона, лампой, подсвечивающей номерной знак. Также в систему входит монтажный блок и выключатели освещения.
Устройства управления
Приборная панель автомобиля оборудована весами, по которым можно определить правильность работы всех систем автомобиля и выявить неисправности. Показания этих устройств обязан уметь прочитать даже неопытный автолюбитель.Даже если вы совсем не потренируетесь в устройстве станка, прочтите инструкцию и научитесь читать показания приборов на панели, это не только упростит вам жизнь, но и избавит от лишних трат, ведь если вы не отреагируете Из-за ошибки в работе какого-либо элемента электрика вам в дальнейшем придется производить дорогостоящий ремонт.
Дополнительные устройства
Это электронные устройства, без которых может работать машина. К ним относятся очиститель стекол, окон, омыватели стекол и фар, прикуриватель и тому подобное.Некоторые автолюбители начинают свою классику с различных дополнительных опций, например, устанавливают дополнительную светодиодную подсветку, настраивают приборную панель. Это позволяет сделать даже простую недорогую машину стильной и современной.
Электрооборудование ВАЗ 2107 будет для вас ориентиром, если вы планируете самостоятельно ремонтировать электрику автомобиля. На нем подробно показаны приборы, провода промаркированы по цвету и выявят проблему в эксплуатации и устранят ее даже новичку в вопросе электрики.Если вы все еще не уверены в своих силах, то доверьте работу опытному автоэлектрику и тогда вы будете уверены.
Электрические схемы ВАЗ 2101 и 2102 несколько отличаются от схемы ВАЗ 21011 и 21013, для этого мы разместили несколько схем для лучшего ознакомления, с подробным обозначением всех узлов.
- 1. Фары
- 2. Пинтарники
- 3. Указатели боковых поворотов
- 4. Аккумулятор
- 5.Реле контрольной лампы заряда аккумулятора
- 6. Генератор
- 7. Стартер
- 8. Освещение Системное освещение
- 9. Свечи
- 10. Датчик контроля давления масла
- 11. Датчик индикатора охлаждающей жидкости
- 12. Звуковые предупреждающие сигналы
- 13. Распределитель зажигания или трамблер
- 14. Очиститель лобового стекла Elvigator
- 15. Датчик аварийного падения уровня тормозной жидкости
- 16. Катушка зажигания или бабина
- 17.Регулятор напряжения
- 18. Выключатель очистителя лобового стекла находится в насосе омывателя
- 19. Обогреватель салона Elvigator
- 20. Лампа освещения Бардац
- 21. Удлинитель резистора, нагреватель салона автомобиля Elvigator
- 22. Розетка для переноски
- 23. Выключатель ручного тормоза
- 24. Выключатель стоп-сигнала
- 25. Уровень проблем с реле
- 26. Выключатель обратного света
- 27. Предохранитель
- 28. Реле ручного тормоза .
- 29.Реле очистителя лобового стекла
- 30. РЕЖИМЫ РЕЖИМОВ РЕЖИМОВ СОВМЕСТИМЫХ РЕЖИМОВ
- 31. Прикуриватель .
- 32. Плафимон освещения Выключатель находится в стойках задних дверей
- 33. Выключатели освещения автомобильного освещения, расположенные в стойках передних дверей
- 34. Плафоны .
- 35. Замок или выключатель зажигания
- 36. Комбинация приборов
- 37. Указатель температуры охлаждающей жидкости .
- 38. Дальний свет фар .
- 39.Наружное освещение
- 40. Поворотные указатели поворота
- 41. Проверка заряда аккумулятора
- 42. Проверка давления моторного масла автомобиля
- 43. Ручной тормоз и уровень тормозной жидкости
- 44. Указатель уровня бензина в баке автомобиля
- 45. Контроль предельного запаса топлива
- 46. Светильник приборный комбинированный
- 47. Выключатель звукового предупредительного сигнала
- 48. Выключатель фар .
- 49. Выключатель указателей поворота
- 50.Выключатель наружного освещения
- 51. Переключатель приборной панели .
- 52. Выключатель очистителя лобового стекла
- 53. Датчик индикации уровня и запаса топлива в баке автомобиля
- 54. Лампа освещения багажного отделения
- 55. Фонари задние
- 56. Освещение Освещение Освещение
- 57. Освещение задней части автомобиля
- 58. Заглушки колодок задней балки проводов, конструктивное расположение на ВАЗ 2102
- 59. Освещение потолка задней части автомобиля ВАЗ 2102
Подробная электросхема ВАЗ 2106 с описанием.Электрическая схема ваз
ЭЛЕКТРОПРОВОДКА ВАЗ-2105
Напряжение аккумуляторной батареи подается большинству потребителей через выключатель зажигания. Независимо от положения ключа в замке зажигания, электрические цепи звукового сигнала, прикуривателя, стоп-сигнала, лампы освещения салона, выключателя аварийной сигнализации и патрона переносной лампы являются всегда включен. Все плюсы запитаны по одному проводу, а вторым проводом, соединяющим потребителей с источником питания, является кузов автомобиля.Автомобиль ВАЗ-2105 является модернизацией автомобиля ВАЗ-21011.
Электросхема:
1. Блокировка фары. 2. Боковые указатели поворота. 3. Аккумуляторная батарея. 4. Реле включения стартера. 5. Пневмоклапанная система холостого хода карбюратора. 6. Датчик верхних мертвых точек поршня первого цилиндра. 7. Стартер. 8. Микровыключатель карбюратора. 9. Электродвигатели очистителей фар. 10. Генератор. 11. Звуковые сигналы. 12. Свечи зажигания. 13. Фонарь капота. 14. Датчик датчика температуры охлаждающей жидкости.15. Датчик контрольной лампы давления масла. 16. Распределитель зажигания. 17. Электродвигатель омывателя лобового стекла. 18. Катушка зажигания. 19. Недостаточный уровень датчика тормозной жидкости … 20. Электродвигатель омывателя фар. 21. Блок управления пневмоклапаном. 22. Блок диагностики. 23. Реле стеклоочистителя. 24. Реле прерывателя указателей поворота и аварийной сигнализации. 25. Электродвигатель стеклоочистителя. 26. Розетка для переносной лампы. 27. Выключатель стоп-сигнала. 28. Электродвигатель отопителя ВАЗ 2105. 29. Дополнительный резистор электродвигателя отопителя.30. Выключатель контрольной лампы стояночного тормоза. 31. Выключатель света заднего хода … 32. Монтажный блок ВАЗ 2105. 33. Реле включения ближнего света фар. 34. Реле включения дальнего света фар. 35. Перемычка на месте реле включения звуковых сигналов. 36. Реле включения омывателя и очистителей фар. 37. Реле включения обогрева заднего стекла … 38. Лампа освещения вещевого ящика … 39. Прикуриватель. 40. Выключатели света, расположенные в дверных полках. 41. Плафон внутреннего освещения кузова. 42. Выключатель аварийной сигнализации.43. Переключатель указателей поворота. 44. Выключатель фар. 45. Выключатель звукового сигнала. 46. Выключатель омывателя и стеклоочистителя. 47. Блок контрольных ламп. 48. Замок зажигания. 49. Выключатель-регулятор осветительных приборов. 50. Элемент обогрева заднего стекла. 51. Датчик указателя уровня и резерва топлива. 52 Выключатель обогрева заднего стекла с контрольной лампой. 53. Выключатель электродвигателя отопителя. 54. Спидометр. 55. Лампа освещения приборов. 56. Контрольная лампа дальнего света фар. 57. Контрольная лампа указателей поворота.58. Контрольная лампа наружного освещения. 59. Контрольная лампа стояночного тормоза. 60. Контрольная лампа включения заднего противотуманного света. 61. Контрольная лампа уровня тормозной жидкости. 62. Вольтметр. 63. Комбинация устройств. 64. Контрольная лампа заряда аккумулятора … 65. Индикатор уровня и запаса топлива. 66. Контрольная лампа давления масла. 67. Указатель температуры охлаждающей жидкости. 68. Реле контрольной лампы стояночного тормоза. 69. Выключатель наружного освещения. 70. Выключатель противотуманных фар в задних фонарях. 71. Задние фонари. 72. Фонари освещения номерного знака.73. Реле зажигания ВАЗ 2105.
. Классика ВАЗникогда не страдала излишней продуманностью конструкции, и все инструкции по замене тех или иных деталей сводятся к простому «открутить гайку 5а, отключив при этом клемму 65, отмеченную на схеме красной стрелкой». Принципиальная электрическая схема ВАЗ-2106 также попроще, хотя и имеет некоторые особенности.
Как и вся компоновка электрооборудования, его схема подключения предельно проста, понятна и требует пояснений только в том случае, если у пользователя возникают проблемы с определением цветов.На странице представлена шикарная, почти бутиковая схема подключения ВАЗ 2106, которую можно безбоязненно использовать, как Ветхий Завет. Вот она.
Тем не менее, схема требует некоторых дополнений, которые вызваны тем, что шестерка неустанно развивалась и совершенствовалась за 40 лет производства, что не могло не сказаться на ее электрическом оборудовании. Но эти изменения настолько незначительны, что упоминать о них мы будем не столько из практических соображений, сколько из уважения к Fiat 130 и миллионам владельцев Жигулей 2106.
Конструктивные особенности ВАЗ 2106 модификации
В разное время на автомобиль устанавливались разные двигатели, зачастую даже без предупреждения об этом покупателя. Так вот, простояв несколько лет в очереди, можно было встретить шестерку с двигателем 2103, что никак не сказалось ни на цене, ни на документации. Позже такая ситуация повторилась с двигателями от 21011, что было просто вопиющим нарушением прав человека со стороны производителя. Но на электрическую схему это не повлияло напрямую.
Когда закончился советский беспредел и завод стал бороться за клиента, появилась модель, точнее модификация ВАЗ 21065. Вроде «роскошь». Некоторые изменения уже внесены в электрическую схему. Но в целом автомобиль отличался от обычной шестерки этим:
- пятиступенчатая коробка передач; Карбюраторы солекс
- ;
- бесконтактная система зажигания;
- электрообогрев заднего стекла;
- галогенные лампы большой мощности;
- задний противотуманный фонарь;
- на некоторых версиях устанавливался электроусилитель руля.
Естественно, такие кардинальные эволюционные изменения практически не внесли никаких изменений в схему, по крайней мере, о них просто говорить не приходится.
Система зажигания ВАЗ 2106
Схема системы зажигания — одноклеточное устройство по сравнению с современными электрическими схемами. Однако с годами в него были внесены некоторые изменения. На фото вы видите схему системы зажигания автомобиля до 1980 года.
Он использует распределитель P125b, который использовался до тех пор, пока не начали использоваться карбюраторы Ozone.После этого установили распределитель точно такой же конструкции, только с вакуумным регулятором угла опережения зажигания.
Все остальное электрооборудование шестерки не претерпевало никаких изменений до самого конца выпуска. С одной стороны, это было удобно, потому что, зайдя в любой автомагазин, можно было легко заменить любую деталь — катушку зажигания, которую приходилось носить с собой несколько штук, конденсаторы напряжения, которых предполагалось иметь не менее десятка в сток, не говоря уже о крышке трамблера, которая была подвержена поломкам и имела совершенно непредсказуемый характер.
Особенности обслуживания электрооборудования ВАЗ 2106
Самые серьезные нарекания владельцев шестерки вызвала блок предохранителей. И сам блок, и сами предохранители. При малейшей потере контакта предохранитель перегревался, а плавкая вставка не плавилась, а все, что было вокруг, — пластиковые крышки и корпуса блоков. Бороться с этим явлением было бесполезно, пока не появились человеческие взрыватели ножевого типа. Они надежно держали контакт и сгорали только по делу — если были проблемы в электросхеме.
В бортовой электросети ВАЗ 2106 применена допотопная релейная система для сильноточных потребителей. Реле защищало контакты переключателя от перегрузки. Только на ВАЗ 2108 удалось собрать все реле в один блок, а на шести они разбросаны по всей машине, и логика их размещения не укладывается в элементарные представления схемотехники. Завод не рекомендовал ремонтировать реле, но посоветовал заменить их целиком, так как качественное восстановление сгоревшей обмотки в гаражных условиях было маловероятным.
Об электросистеме и схеме подключения ВАЗ 2106 можно рассказывать сутками, но вы сами разберетесь с самой схемой подключения, которую мы показали на странице. Схема простая, доступная и понятная даже новичку. Дерзайте, и удачи на дорогах!
Схемы подключения ВАЗ 2101 и 2102 несколько отличаются от схемы ВАЗ 21011 и 21013, для этого мы разместили несколько схем для лучшего ознакомления, с подробным обозначением всех узлов.
- 1. Фары
- 2. Габаритные огни
- 3. Боковые указатели поворота
- 4. Аккумулятор
- 5. Реле контрольной лампы заряда АКБ
- 6. Генератор
- 7. Стартер
- 8. Лампа освещения подкапотного пространства
- 9. Свечи
- 10. Датчик контроля давления масла
- 11. Датчик датчика температуры жидкости охлаждения
- 12. Звуковые предупреждающие сигналы
- 13. Распределитель или распределитель зажигания
- 14.Очиститель моторного лобового стекла
- 15. Датчик аварийного падения уровня тормозной жидкости
- 16. Катушка зажигания или бабин
- 17. Регулятор напряжения
- 18. Выключатель стеклоочистителя находится в насосе омывателя
- 19. Электродвигатель отопителя салона
- 20. Лампа освещения вещевого ящика
- 21. Дополнительный резистор электродвигателя отопителя салона автомобиля
- 22. Розетка для переноски
- 23. Выключатель ручного тормоза
- 24.Выключатель стоп-сигналов
- 25. Реле прерывателя указателя поворота
- 26. Выключатель фонарей заднего хода .
- 27. Предохранитель
- 28. Реле прерывателя ручного тормоза
- 29. Реле стеклоочистителя .
- 30. Переключатель режимов электродвигателя отопителя салона
- 31. Прикуриватель .
- 32. Выключатель плафонов в стойках задних дверей
- 33. Выключатели внутреннего освещения салона автомобиля, расположенные в стойках передних дверей
- 34.Плафоны
- 35. Замок или выключатель зажигания
- 36. Комбинация приборов .
- 37. Указатель температуры охлаждающей жидкости .
- 38. Управление дальним светом фар
- 39. Управление наружным освещением
- 40. Проверка указателей поворота
- 41. Контроль заряда АКБ
- 42. Контроль давления масла автомобильного двигателя .
- 43. Контроль ручного тормоза и уровня тормозной жидкости
- 44. Датчик уровня бензина в баке автомобиля
- 45.Контроль предельного запаса топлива
- 46. Лампа освещения комбинации приборов
- 47. Выключатель оповещателя .
- 48. Выключатель фар .
- 49. Выключатель указателей поворотов
- 50. Выключатель наружного освещения
- 51. Выключатель освещения приборов .
- 52. Выключатель стеклоочистителя .
- 53. Датчик индикации уровня и запаса топлива в баке автомобиля
- 54. Лампа освещения багажного отделения .
- 55.Задние фонари
- 56. Фонарь освещения номерного знака .
- 57. Фонарь заднего хода автомобильный .
- 58. Вилки заднего пучка проводов, конструктивное расположение на ВАЗ 2102 .
- 59. Световой плафон задней части автомобиля ВАЗ 2102 .
Типовая схема подключения ВАЗ 2106 сделана с учетом однопроводного принципа соединения элементов электрооборудования автомобиля. Это означает, что отрицательные контакты электронных устройств отображаются на т.н. «Массовый» автомобиль и проводное соединение обеспечивают только положительные выводы.
Электромонтажное устройство автомобиля
Данный принцип интеграции электронных компонентов в электрическую схему работы автомобиля на практике реализуется в следующих типах соединений:
- Существующие электрические цепи автомобиля активируются с помощью замка зажигания.
- Электронные устройства, обеспечивающие поддержание необходимой степени безопасности при эксплуатации автомобиля, подключены к аккумуляторной батарее через предохранительный блок.
- Части корпуса всех агрегатов «шестерки» являются хорошими проводниками тока.
Важно: при проведении ремонтных и профилактических работ на автомобиле необходимо обесточить проводку, сняв минусовой провод с клеммы аккумулятора, иначе несанкционированное прикосновение к контакту аккумулятора инструментом может привести к короткое замыкание. Для наглядности электронная схема. Электропроводка ВАЗ 2106 размещена на нашем интернет-ресурсе, и автомобилисты могут использовать ее для проведения необходимых испытаний.
При самостоятельном обслуживании автомобиля необходимо определить причину того или иного дефекта в электрических компонентах «шестерки».Устранение неисправностей следует начинать с замка зажигания, который предназначен для:
- Контроль исправности системы зажигания;
- согласование систем безопасности и предотвращения угонов автомобилей;
- буксирная «шестерка» с исправной «аварийкой».
В автомобиле ВАЗ 2106 схема подключения включает следующие элементы:
- Аккумулятор с минусовым проводом при контакте с кузовом автомобиля;
- стартер с разъемом «50» от замка зажигания через пусковое реле;
- генераторное устройство; Предохранительный блок
- ;
- выключатель зажигания; Регулирующее реле
- .
Принцип работы электрооборудования ВАЗ 2106
Замок зажигания имеет 4 положения, при возбуждении каждого из них коммутируются определенные разъемы и контакты:
- В положении «0» ток АКБ передается только на разъемы 30 и 30/1, остальные обесточены.
- В положении «I» ток подается на разъемы 30-INT и 30 / 1-15, при этом запитаны «габариты», стеклоочиститель и вентиляторная система обогрева отопительного комплекса.
- В положении «II» контакт 30-50 дополнительно подключается к ранее использованным разъемам. При этом в схему включены система зажигания, стартер, датчики панели, «габаритов» и «поворотников».
- В позиции «III» используются только «габариты», звуковой сигнал, а также дворники лобового и кормового стекла. В этом случае ток доступен только на разъемах 30-INT и 30/1.
Ряд автомобилей этой марки оснащены такими устройствами, как система обогрева кормовых стекол, электрический омыватель «козырька», реле света и др.Электропитание этих гаджетов осуществляется по отдельной линии через выключатель зажигания в положениях ключа «I» и «II».
Важно: поскольку бачок омывателя изготовлен из материала ПВХ и является диэлектриком, электродвигатель дополнительно снабжен отрицательным проводом и при работе с ним необходимо использовать диэлектрическую защиту на разъемах.
В «шестерке» под током в постоянном режиме работают следующие силовые цепи: звуковой сигнал, стоп-сигналы, «аварийка», розетка прикуривателя, вилка для «переноски», подсветка приборов.Ведущие цепи электрооборудования транспорта подлежат защите плавкими предохранителями, которые расположены в двух специальных блоках (основном и запасном), расположенных со стороны водителя под приборной панелью.
Одним из элементов схемы подключения ВАЗ 2106 является предохранительный блок, конструкция которого не соответствует современным требованиям к составу электронного оборудования. Недостатки:
- нестабильное соединение предохранителя и розетки приводит к появлению пятен пригорания;
- при работе предохранительный элемент подвержен нагреву, что негативно сказывается на соседних монтажных пазах;
- низкая стоимость замены предохранителей не гарантирует их надежности, поэтому проверки этого блока следует проводить регулярно.
Использование т. Н. «Жучки» могут вызвать возгорание в автомобиле, поскольку высока вероятность короткого замыкания. Существует совершенно безопасный вариант модернизации стандартных продуктов, в котором должны быть установлены плавкие предохранители, сиденья, которые идеально интегрированы в коробку безопасности.
Преимущества лезвийных предохранителей:
- стабильный контакт изделия с точкой крепления; №
- плавкий элемент запаян в прозрачный ПВХ корпус;
- динамический отвод тепла за счет увеличенной площади контакта.
Важно: генератор «шестерка», проводка к нему, а также к аккумулятору, стартеру, катушке, реле переключения оптики и некоторым другим элементам не имеют предохранительных элементов.
Представлен бесплатный электротехнический справочник отечественного автомобиля ВАЗ-2105. В том числе блок реле и предохранителей, а также схемы некоторых модификаций. Электрика выполнена по однопроводной схеме — отрицательные выводы источников и потребителей электроэнергии подключены к «массе» автомобиля, которая служит вторым проводом.Большинство цепей включаются выключателем зажигания. Схема автомобиля представлена на рисунках двумя частями. Щелкните, чтобы увеличить на весь экран.
Электрооборудование ВАЗ 2105 — схема
1 — указатели поворота боковые; 2 — блок-фары; 3 — очистители фар; 4 — звуковые сигналы; 5 — мотор омывателя фар; 6 — блок управления пневмоклапаном карбюратора; 7 — электродвигатель стеклоочистителя; 8 — электродвигатель омывателя лобового стекла; 9 — датчик уровня тормозной жидкости; 10 — катушка зажигания; 11 — лампа моторного отсека ВАЗ-2105; 12 — распределитель зажигания; 13 — датчик контрольной лампы давления масла; 14 — свечи зажигания; 15 — указатель указателя температуры охлаждающей жидкости; 16 — генератор; 17 — микровыключатель карбюратора; 18 — аккумуляторная батарея; 19 — пневмоклапан; 20 — реле включения стартера; 21 — стартер; 22 — реле стеклоочистителя; 23 — реле зажигания; 24 — реле выключателя сигнализации и указателей поворота; 25 — выключатель стоп-сигнала; 26 — патрон для переносной лампы; 27 — выключатель фонарей заднего хода; 28 — выключатель контрольной лампы стояночного тормоза; 29 — монтажный блок; 30 — выключатель освещения приборов 2105; 31 — выключатель зажигания; 32 — выключатель наружного освещения; 33 — выключатель стеклоочистителя; 34 — выключатель омывателя лобового стекла и фар, очистителей фар; 35 — выключатель звуковых сигналов; 36 — выключатель фар; 37 — выключатель указателей поворота; 38 — выключатель аварийной сигнализации; 39 — выключатель обогрева заднего стекла; 40 — электродвигатель отопителя; 41 — прикуриватель; 42 — лампа освещения перчаточного ящика; 43 плафоновых выключателя в дверных стойках; 44 — выключатель противотуманных фар в задних фонарях; 45 — контрольная лампа давления масла; 46 — контрольная лампа резерва топлива; 47 — комбинация приборов; 48 — реле-прерыватель контрольной лампы стояночного тормоза; 49 — контрольная лампа уровня тормозной жидкости; 50 — блок контрольных ламп; 51 — контрольная лампа заднего противотуманного фонаря; 52 — контрольная лампа стояночного тормоза; 53 — вольтметр; 54 — контрольная лампа габаритного света; 55 — спидометр; 56 — контрольная лампа указателей поворота; 57 — контрольная лампа дальнего света фар; 58 — выключатель электродвигателя отопителя; 59 — плафон; 60 — добавочный резистор электродвигателя отопителя; 61 — задние фонари; 62 — подсветка номерного знака; 63 — датчик указателя уровня и запаса топлива; 64 — элемент обогрева заднего стекла; А — порядок условной нумерации вилок в колодках автоматического трехрычажного переключателя.
Заглушки в гнезда монтажного блока
Схема бесконтактной системы зажигания ВАЗ
1. Свечи зажигания
2. Датчик распределителя зажигания
3. Экран
4. Датчик Холла
5. Выключатель
6. Катушка зажигания
7. Монтажный блок
8. Реле зажигания
9. Выключатель зажигания.
Схема системы управления электромагнитным клапаном карбюратора
- 1. Концевой выключатель карбюратора
- 2.Катушка зажигания
- 3. Электромагнитный клапан
- 4. Монтажный блок
- 5. Реле зажигания
- 6. Замок зажигания
- 7. Блок жгута проводов, подключенный к блоку управления электропневматическим клапаном.
- 8. Блок управления электромагнитным клапаном
А. Порядок условной нумерации разъемов в блоке управления
Автоматические предохранители 2105
1 (8 А) Задние фонари (фонарь заднего хода). Электродвигатель отопителя.Контрольная лампа и реле обогрева заднего стекла (обмотка).
2 (ДЛЯ) Электродвигатели стеклоочистителя и омывателя. Электродвигатели омывателей и омывателей фар. Реле стеклоочистителя. Реле очистителей и омывателей фар (контакты).
3 (8 A) Зарезервировано
4 (8 A) Зарезервировано
5 (16 A) Элемент обогрева заднего стекла и реле обогрева (контакты).
b (8 А) Прикуриватель. Розетка для переносной лампы.
7 (16 А) Звуковые сигналы
8 (8 А) Указатели поворота в режиме сигнализации.Выключатель и реле-прерыватель указателей поворота и аварийной сигнализации в аварийном режиме.
9 (8 А) Регулятор напряжения генератора (на автомобилях с генератором Г-222)
10 (8 А) Указатели поворота в режиме указателя поворота и соответствующая контрольная лампа. Контрольные лампы резерва топлива, давления масла, стояночного тормоза и уровня тормозной жидкости. Контрольная лампа и реле заряда аккумулятора. Комбинация устройств. Вольтметр. Система управления пневмоклапаном карбюратора. Реле контрольной лампы стояночного тормоза.
11 (8 А) Задние фонари (стоп-сигналы). Плафоны салона для кузова.
12 (8 А) Правая фара (дальний свет). Катушка реле включения очистителей фар (при включенном дальнем свете).
13 (8 А) Левая фара (дальний свет). Контрольная лампа включения дальнего света фар.
14 (8 А) Левая фара (габаритный свет). Правый задний фонарь (габаритный свет). Фонари освещения номерного знака. Лампа моторного отсека. Контрольная лампа включения габаршего света.
15 (8 А) Фара правая (габаритный свет).Левый задний фонарь (габархический свет). Лампа прикуривателя. Лампы приборного освещения. Лампа освещения бардачка ВАЗ-2105.
16 (8 А) Правая фара (ближний свет). Катушка реле включения очистителей фар (при включенном ближнем свете).
17 (8 А) Левая фара (ближний свет).
- 18 — реле включения ближнего света фар;
- 19 — реле включения дальнего света фар;
- 20 — перемычка на месте реле включения звуковых сигналов;
- 21 — реле включения очистителей и омывателя фар;
- 22 — реле включения обогрева заднего стекла.
Note … До 1988 года лампы противотуманных фар в задних фонарях и контрольная лампа противотуманных фар были защищены монтажным блоком предохранителя 17 … С 1988 года они защищены отдельным предохранителем, который является находится в пластиковом футляре в жгуте проводов возле выключателя противотуманных фар автомобиля.
наименований отечественных автомобилей. ваз, уаз, азлк и nbsp
Ульяновский автомобильный завод, известный еще и выпуском легендарных армейских внедорожников, вернул на конвейер уже забытый, но самый «бюджетный» вариант «проходимца» — УАЗ-469, ласково называемый им. народ как «козел»
Ульяновский автомобильный завод, известный еще и выпуском легендарных армейских внедорожников, вернул на конвейер уже забытый, но самый «бюджетный» вариант «проходимца» — УАЗ-469, ласково называемый им. народ как «козел»
Как известно, все новое хорошо забыто старым.В случае с УАЗ-469 эта прописная правда верна лишь отчасти. Ведь модель Hunter, пришедшая на смену нынешней «новинке», внешне мало чем отличалась от своего прародителя. По словам руководства завода, задача заключалась в том, чтобы поставить на конвейер автомобиль, который имел бы достаточную надежность при минимальных затратах. И решение пришло само собой: возродить одну из легенд 70-х — УАЗ-469 и приурочить его выпуск к предстоящему 65-летию Победы.
Яркое солнце, гигантские сугробы (до нашего приезда в Ульяновск был сильный снегопад), огромные цеха автозавода, в которых бурлит жизнь… Несколько лет назад здесь прошла серьезная реконструкция, немецкие специалисты установили и наладили новое оборудование, доработали конвейер. Сейчас малярный цех — гордость ульяновчан. Причем вполне разумно: сначала человек со стороны даже не верит, что он на российском заводе. Вокруг практически стерильная чистота, все ходят в белых халатах, на входе и выходе их «продувают» в специальных камерах, чтобы сюда не попала ни одна пылинка.Кстати, средний возраст сотрудников — 29 лет, что отрадно: молодые люди не уклоняются от работы.
И вот прямо на глазах с конвейера сошли три автомобиля УАЗ: черный, темно-зеленый и белый. Вручают ключи — и добро пожаловать на полигон завода! Ваш корреспондент имел возможность ездить на разных моделях УАЗов, и я в принципе знаю его возможности и внедорожные возможности. Но когда я увидел так называемую трассу, по которой мне предстояло проехать (я уже упоминал о снегопадах перед тестами), мне захотелось выйти и пойти попить чаю где-нибудь в теплом помещении.Ведь глубина снега превышала метр! Ну да ладно, не было, включаем полный привод — и вперед штурмовать твердое заснеженное бездорожье. Действительно, такая проверка оказалась для УАЗа вообще без проблем. Автомобиль уверенно движется по целине, разбрасывая снежные вихри в стороны, даже не думая показать ни малейшей неуверенности.
Только в одном месте был конфуз из-за человеческого фактора. Молодой фотограф сел снимать прямо на трассе, а когда встал, то поскользнулся… Всего несколько метров осталось до того, как мой УАЗ на всех парах полетел по трассе. Пришлось нажать на тормоз, «коза» упала в глубокий рыхлый снег и … села на мосты. Имея очень впечатляющий опыт как в кольцевых гонках, так и в вождении по бездорожью, я срезал нижний ряд и начал раскачивать машину. Несколько минут — и УАЗ самостоятельно выбрался из снежного плена. Причем на штатной «гражданской» резине.
Что, впрочем, неудивительно, ведь по условиям бездорожья у УАЗа просто нет конкурентов.Разве что Land Rover Defender готов бросить перчатку отечественному внедорожнику, но ценник там, конечно, несколько другой. Именно высокая проходимость — главный козырь ульяновского джипа, ради которого потребители готовы даже закрывать глаза на не очень высокую надежность ульяновской продукции. Хотя, отмечу, его качество растет, сменились поставщики, на заводе появилось новое современное оборудование.
Ценовая политика компании заслуживает отдельного разговора.Базовая версия УАЗ-469 с брезентовым тентом стоит 299 000 рублей, а версия с металлической крышей обойдется в 320 000 рублей. Предлагается только один двигатель — ЗМЗ-409 объемом 2,7 литра и мощностью 112 л.с. Благодаря удачно подобранным передаточным числам в «коробке» УАЗ с таким двигателем ездит довольно быстро.
УАЗ ПОДЛЕГАЕТ ПРАВИТЕЛЬСТВЕННОЙ ПРОГРАММЕ по утилизации старых автомобилей. Более того, в самой Ульяновской области местным жителям был предложен «шоколадный» вариант: 50 000 рублей от федерального правительства, 50 000 от правительства области и еще 20 000 рублей от управляющей компании Sollers.Таким образом, общая сумма скидки достигла 120 000 «деревянных»! Правда, повезло только первым 500 счастливчикам — это лимит от областной администрации. За четыре дня по программе было продано всего полтысячи автомобилей. Для сравнения: во всей Ульяновской области в год продается всего 300 автомобилей УАЗ.
ТЕХНИЧЕСКИЕ ХАРАКТЕРИСТИКИ
Размеры (мм) 4025х2010х2025
Колесная база (мм) 2380
Дорожный просвет (мм) 210
Масса (кг) 1770
Объем багажника (л) 930-1830
Объем двигателя (см3) 2693
Макс.мощность (л.с.) 112
Макс. крутящий момент (Нм) 208
Макс. скорость (км / ч) 130
ср расход топлива (л / 100 км) 10,6
Алексей Гусев
И первый претендент на звание самого известного и обзывающего (на фото вверху):
ВАЗ 2101 (Копейка, Копье, Таз) — эта машина в представлении не нуждается, поэтому ее узнает любой человек!
ИЖ-2715 (Пятка, Чижик, Пирог) — малолитражный фургон производства Ижевского автомобильного завода. Внешне он напоминает каблук за счет кабинки.
АЗЛК 2141 (Космич) — это прозвище получилось созвучным с названием «Москвич».
ВАЗ-2108 и ВАЗ-2109 (Зубило) — своей «острой» формой корпуса они очень напоминают соответствующий инструмент.
ГАЗ-АА (Грузовик) — создан по образу и подобию американского Ford AA, но все же немного переработан и адаптирован к российским условиям. Его активно использовали в годы войны.
ЗИС-5 (Захар, Захар Иванович, Трехтонка) — Грузовик тоже активно помогал на войне.
СМЗ-СЗА (Моргуновка) и СМЗ-СЗД (Инвалидка) — отечественные малогабаритные автомобили, в основном выпускаемые для инвалидов. отсюда и название. Сцена с инвалидом хорошо запомнилась из фильма «Операция».
ВАЗ-1111 ОКА (Капсула смерти, Бешеный табурет, Креветка, Окук, Скворечник) — народный автомобиль «20 минут позора, и ты на даче!»
ЗАЗ-965 (Горбатый) — Запорожец так стали называть из-за надутого сзади кузова, напоминающего горб.
ЗАЗ-968 Запорожец (Запор, Чебурашка) — советский автомобиль малого класса. Получил свой первый псевдоним в сокращении имени. А второе прозвище прижилось к нему благодаря внешнему виду — фары напоминают глаза, а воздухозаборники — уши Чебурашки.
ЛуАЗ — 969 Волынский (Луноход, Волынка, Цыпленок) — получил свое прозвище из-за внешнего сходства с машиной для исследования Луны, а также первых двух букв в названии.
ГАЗ-66 (Bump, Ball) — Этот полноприводный грузовик стал называться так из-за наименования его модели, в которой две шестерки.
ГАЗ-67 и ГАЗ-67Б (Иванушка, Иван Уиллис, Козлик) — внедорожник Советской армии, принимавший участие во Второй мировой войне.
ГАЗ-М1 (Воронка, Эмка, Эммочка) — советский легковой автомобиль производства Горьковского автозавода. Произведено 62888 шт.
УАЗ-452 (Буханка, Табличка, Дубинка) — самый удивительный грузовой внедорожник, производимый на сегодняшний день! Получил прозвище «Буханка» за сходство с буханкой хлеба.А также неофициально, потому что в нем часто пили.
Модификация для медиков стала известна как Таблетка или Таблетка. Модификация с открытым кузовом получила название Tadpole из-за большой кабины.
УАЗ-469 (Козлик, Козел, Бобик) — светские и российские внедорожники, выпускавшиеся на Ульяновском автозаводе с 1972 по 2003 год. Свое прозвище получили от ГАЗ-69 и ГАЗ-69А. Внешне УАЗы спереди похожи на дворняжку, отсюда и прозвище.
РАФ — 22038 (Рафик) — Микроавтобус латвийского производства.
Итак, как вы уже поняли, сегодня мы поговорим об Узе 469, в народе ее еще называют «Коза».
Разработка 469 началась еще в 1961 году, а уже в 1965 году первые изображения автомобиля можно было увидеть в советской прессе. Однако машине потребовалось еще 7 лет, прежде чем она пошла в производство. 15 декабря 1972 года с конвейера сошла первая 469 =). Он пришел на смену Gas 69. У 469-го было два бака по 39 литров каждый, а также у автомобиля был 75-сильный четырехцилиндровый двигатель объемом 2,5 литра и 4-ступенчатая коробка передач.
Под индексом УАЗ-469 автомобиль выпускался до 1985 года, после чего по отраслевой системе 1966 года получил четырехзначный номер 3151 (номер 31512 получила гражданская модификация 469В).
И вот в августе три абсолютно стоковых автомобиля во время пробного заезда достигли ледника на Эльбрусе на высоте 4000 метров.
В 1980 году на УАЗах заменили оборудование наружного освещения. Указатели поворота спереди и сзади получили оранжевые линзы, а сбоку на капоте появился повторитель указателей поворота.При этом в конструкцию подвески были введены гидравлические телескопические амортизаторы вместо рычажных. С 1983 года на машину устанавливается двигатель модели 414 мощностью 77 л. из. Через год в системе охлаждения появился расширительный бачок и заглушка.
в 2003 году машину сняли с конвейера.
В 1978 году в Сан-Ремо Мартолетти на УАЗ-469 получил награду — серебряный валет — за победу в чемпионате Италии по автокроссу.
В феврале 2010 года Ульяновский автомобильный завод объявил о возобновлении производства ограниченной партии модели УАЗ-469 (индекс УАЗ-315196). В конструкцию внесены изменения, повышающие комфорт (рессорная передняя подвеска, передние дисковые тормоза, гидроусилитель руля (в комплекте с металлической крышей), двигатель ЗМЗ-4091 112 л.с.), однако решения, использованные в оригинальной конструкции, претерпели изменения. Также применяются: мосты разъемные «Тимкен», получившие поворотные кулаки от мостов «Спайсер»; металлические бамперы, дополненные пластиковыми «клыками»; откидной борт, ранее использовавшийся на УАЗ Хантер Классик).
В январе 2011 года УАЗ-469 исчез из каталога Ульяновского автозавода, исчерпав лимит в 5000 машин. На его место снова вернулся UAZ Hunter Classic, цена которого значительно превышает цену 469-го.
Также наш УАЗ поставил немало рекордов. Обыкновенный «УАЗ 469» установил новый мировой рекорд вместимости легкового автомобиля! Одновременно во внедорожнике могут разместиться 32 человека, примерно столько же пассажирских мест вмещается в рейсовом автобусе.Общий вес пассажиров вместе с водителем составил 1900 кг, что соответствует весу африканского слона. УАЗ 469 с полной загрузкой также проехал 10 м, как того требовали условия для установления мирового рекорда. Рекорд был зарегистрирован Международным агентством рекордов и достижений, так как фото и видео, свидетельствующие об установлении рекорда, также будут отправлены в Мировое издание Книги рекордов Гиннеса. Учащиеся и преподаватели Государственного училища циркового и эстрадного искусства имени М.Н. Румянцев принял участие в подготовке и установлении рекорда. Предыдущий рекорд принадлежит седану KIA Spectra, который смог вместить 23 человека.
Официальные названия автомобилей не всегда отражают их истинную сущность. Именно по этой причине автомобилисты во всех странах мира дают своим автомобилям прозвища за определенные качества и особенности. Водители, крутившие руль в СССР, не были исключением. В этом обзоре доблестная десятка советских машин, которые были известны больше по прозвищам, чем по настоящим.
1. ГАЗ-АА по прозвищу «Грузовик»
Этот автомобиль создавался на Нижегородском заводе (впоследствии Горьковский). Грузоподъемность машины равнялась 1,5 тонны. Прототипом этой машины стала очень похожая модель Ford AA 1930 года выпуска. Советский автомобиль выпускался с 1932 по 1938 год.
2. ЗИС-5 по кличке «Захар»
Этот советский грузовик имел грузоподъемность три тонны. После описанного выше ГАЗа этот грузовик стал вторым по серийному производству и использованию.Также стоит отметить, что это чудо техники долгое время было одним из основных транспортных средств Красной Армии, в частности во время Второй мировой войны. Автомобиль выпускался с 1933 по 1948 год. Машину называли также «трехтонкой» и «Захаром Ивановичем».
3. ГАЗ-67 по кличке «Иванушка»
Легендарные ГАЗ-67 и ГАЗ-67Б — советские легкие полноприводные военные автомобили, дедушкой которых по праву можно считать американский (по крайней мере легендарный) джип. Виллис.Внешнее сходство этих машин — первое, что бросается в глаза. Эти ГАЗы широко использовались в качестве штабных и разведывательных машин в последние годы Второй мировой войны, а также во время последовавшей за ней Корейской войны. В армии эти машины еще называли «козлик» и «козлик».
4. ГАЗ-М1 по прозвищу «Воронка»
Машина, не нуждающаяся в представлении. В народе ее прозвали «воронкой» и «емкой». Автомобиль серийно производился на Горьковском автозаводе.Всего было выпущено 62 880 автомобилей. Впоследствии на базе этой модели появились и пикапы. Буква «М» исчезла из названия, но популярное прозвище «эмка» надолго закрепилось за выпущенными позже моделями.
5. Студебеккер US6 по прозвищу «Штудер»
Легендарный американский грузовик «Студебеккер» US6 советские водители называли «Штудер», «товарищ Студер» или просто «американец». Автомобиль выпускался с 1941 по 1945 год. Этот трехосный грузовик был самым массовым транспортным средством, которое союзники поставляли в СССР по ленд-лизу во время войны.Автомобиль отличался высокой надежностью и повышенной проходимостью.
6. ЗИЛ-157 по кличке «Захар Захарыч»
На самом деле прозвищ у этого грузовика было очень много среди советских водителей. Автомобиль производился на заводе имени Лихачева и позиционировался как грузовик с повышенной проходимостью и увеличенной грузоподъемностью. Серийно автомобили выпускались в 1958 году. В Украинской ССР автомобиль получил прозвище «кабанчик».
7.ГАЗ-53 по прозвищу «Табурет»
Этот забавный грузовик получил не менее забавные прозвища: «Колхозник», «Газон», «Газик» и некоторые другие. Автомобиль позиционируется как среднетоннажный грузовик. Выпускался Горьковским автозаводом с 1961 по 1993 год. Однозначно из тех автомобилей, которые помнят даже самые молодые поколения. Вы все еще можете увидеть грузовик на дорогах сегодня.
8. УАЗ-469 и его модификации «Коза»
Советский внедорожник.Широко известный и невероятно популярный советский внедорожник, выпускавшийся на Ульяновском автозаводе с 1972 по 2003 год. Название «Коза» не сразу прижилось к машине. Изначально водители называли эти УАЗы «Боби» за некоторую схожесть кузова с обыденной мордой, а также задорную проходимость.
9. УАЗ-452 по кличке «Буханка»
Еще один поистине легендарный советский автомобиль. Кроме «Буханки» автомобиль назывался «Батон» и «Таблетка». Автомобиль является внедорожником и использует полный привод.Обладает высокой проходимостью. Как нетрудно догадаться, его производят на Ульяновском автомобильном заводе. С 1965 г. по настоящее время. Также существует бортовая модификация автомобиля, получившая прозвище «головастик».
10. ВАЗ-2101 по прозвищу «Копейка»
Всем известный советский заднеприводный легковой автомобиль типа седан, который еще называли: «Копье» и «Таз». Популярное прозвище «Бассейн» произошло от аббревиатуры Тольяттинского автомобильного завода.
Почему машины вообще прозвали? Самый простой ответ — когда у модели нет собственного «имени», а только порядковые номера. Согласитесь, произносить каждый раз ВАЗ-21013 или ГАЗ-31105 не очень удобно. Однако причина не всегда только в трудно произносимом названии автомобиля. Некоторые «прозвища» приклеивались к автомобилям за какие-то характерные черты или особенности.
А начнем с АвтоВАЗа, продукции которого было доставлено чуть ли не больше всего. Само предприятие в народе называется ТАЗ, потому что по строгой логике советских обозначений оно должно было стать Тольяттинским автомобильным заводом.Но диссонанс этой аббревиатуры сразу понял, и завод стал Волжским. Но людей не обманешь, и по уровню качества тольяттинские машины все же стали «тазами».
«Жигулей» еще называли «Кирпичами» за характерную форму, «Ковшом» (все за одинаковое качество исполнения) и даже «Ужасом». Не все знают, что это были еще и «консервные банки» (или просто «консервы»). Так прозвали только что выпущенный ВАЗ-2101 за его тонкий металл по сравнению с Волгой и Москвичем.И всем известное название «Копейка» появилось не сразу, а только в конце ХХ века.
Клички автомобилей «Волга» чаще всего образовывались из порядковых номеров. Некоторым повезло, и их популярные имена не были оскорбительными. Пятую модель водители ласково называли «Пятачок» и «Петрик», седьмую — «Семен» и «Семафор». Но ВАЗ-2106 сполна вобрал в себя народное творчество: «Шах», «Шайтан», «Шакал», «Шахтер» … В таких эпитетах мало приятного.
Сразу после выхода на рынок хэтчбеки 2108 и 2109 получили прозвище «Зубило» за характерную переднюю часть. Он также достался «Самараму» с уже переработанным внешним видом, в том числе и «Самараму-2». Ну а вообще передние приводы ВАЗа прозвали «Погремушки»: уж слишком шумным оказался пластик на фоне «Жигулей»! А вот седан ВАЗ-21099 иногда удостоился «солидного» прозвища «Чемодан».
Наши сограждане не обошли вниманием 2110.Образовавшись от цифрового обозначения «Чирик» и «Червонец», они гораздо реже употребляли меткие эпитеты на тему дизайна седана: «Остаток», «Матрешка» и «Беременная антилопа» … Их частично унаследовал универсал 2111. которую прозвали «Брусок мыла» и «Беременная корова».
Но больше всего жители нашей страны полюбили городскую крошку «Ока», ВАЗ-1111. Ей досталось больше всего: «Окунь», «Масло», «Бешеный табурет», «Скворечник», «Мешок на колесах», «Креветка», «Капсула смерти», «Выкидыш КАМАЗа», «Брелок от БЕЛАЗа».И, кстати, народное выражение «20 минут позора, и я на даче» изначально относилось к этому советскому хэтчбеку.
Когда в конце 1990-х минивэн на шасси «Нива» получил название «Надежда», его быстро окрестили «Безнадежным». На то была причина: машина выглядела жутковато, а качество изготовления соответствовало внешнему виду. Другие популярные его имена — «Одежда» и «Константиновна» (отсылка к Надежде Константиновне Крупской).
На этом фоне выделяется только «Нива».Российские автомобилисты прониклись к нему искренним уважением, ведь даже после десятилетий и смены официального названия это была и остается только «Нива».
Если автомобили, сошедшие с конвейера Ульяновского автозавода, стали меньше народного творчества, то только из-за меньшего количества моделей. История предприятия началась со сборки ГАЗ-69, поэтому неудивительно, что прозвище «Коза», или ласковая «Коза», перекочевало на первую самостоятельную модель предприятия — УАЗ-469.Это не желание обидеть, а лишь констатация факта: обе машины плавностью хода не отличались и были до отчаяния «козлами». Такое же имя носит их прямой потомок, который теперь официально называется по-иностранному — UAZ Hunter. А как это досталось полицейской версии машины! «Бобик», «Коробок», «Мусоровоз». Некоторые также называли машину по-украински: «Цементовоз».
Не менее легендарная модель завода — УАЗ-452. За округлую форму машину сразу прозвали «Буханка» и «Булька», а версию для «Скорой помощи» назвали «Таблетка» или «Медсестра».Грузовик-платформу метко окрестили «Головастик». И теперь эти «никнеймы» используются чуть ли не в официальной прессе, что намного удобнее длинных и запутанных цифровых индексов. А главное сразу понятно, о чем идет речь.
Флагманский внедорожник Patriot получил прозвище Патрик и Патрик.
Ранние модели АЗЛК, 400 и 401 получили прозвище «Хоттабыч», 412-я называлась «Барсик», все «Москвичи» в целом — «Маскарады», но поверх хэтчбека АЗЛК-2141, появившегося в 1980-х гг. Ведьмы насмехались над славой.Чаще всего это был «Космик» или «Азлык», что созвучно официальному названию. Экспортный вариант «Алеко» быстро трансформировался в «Калеку», модификация с двигателем Renault стала «Реногор» (по аналогии с официальным «Святогор»), а удлиненный вариант «Князь Владимир» мгновенно получил прозвище «Длинный». »и« Вовка-морковь ».
EL, проводка ВАЗ 2106. Электросхема ВАЗ. Фотогалерея «Основные неисправности АКБ»
.Настоящее Схемы электрооборудования ВАЗ 2110 1996+ г.V. Для более активных водителей на базе этого двигателя была разработана 16-клапанная версия с бензиновым двигателем рабочим объемом 1,5 литра. Обладая мощностью 94 л.с., с двухвинтовой головкой цилиндров, обеспечивающими повышенные показатели мощности (69 кВт) и крутящего момента (130 Нм), позволяя автомобилю иметь улучшенные динамические качества. Автомобиль, оснащенный таким мотором, имеет индекс ВАЗ 21103, максимальная скорость составляет 185 км / ч, а разгон до «сотни» занимает всего 12,5 сек. Эти модификации на дорогах встречаются все чаще, как и 2-литровые 150-сильные версии ВАЗ-21106 STI — достаточно экономичные, выразительные и дорогие.По-прежнему двигатель Opel X20xEV с двухступенчатой 16-клапанной ГБЦ и системой точечного впрыска позволяет разогнаться до 205 км / ч. С его помощью стокилометровый барьер преодолевается всего за 9,5 с. Еще есть боевой 240-сильный (!) ВАЗ-21107 «Ралли» 2.0 V16 со специальной трубчатой рамой безопасности, встроенной в кузов. Его максимальная скорость составляет 220 км / ч, а время разгона до 100 км / ч занимает всего 7 с! Но он сделан им, только по заказу спортсменов, и он того стоит — как раллийные иномарки: дорого (22 тысячи долларов).Надо сказать, что некоторые отечественные тюнинговые фирмы создают (даже без использования дорогих импортных комплектующих) вполне удачные скорости или, наоборот, комфортные версии «десятки», динамика, управляемость которых значительно улучшена во время движения.
Есть полноприводные версии «десятки» спортивной или переплетенной направленности, но они либо экспериментальные, либо малосекторные, а потому дорогие.
Схема соединений системы генератора
1 — аккумуляторная батарея;
2 — генератор;
3 — монтажный блок;
4 — выключатель зажигания;
5 — Контрольная лампа заряда аккумуляторной батареи расположена в комбинации приборов
Подключение стартера — схема
1 — аккумуляторная батарея;
2 — генератор;
3 — стартер;
4 — Замок зажигания
Схема системы зажигания ВАЗ 2110
Электрические схемы ВАЗ 2101 и 2102 несколько отличаются от схемы ВАЗ 21011 и 21013, для этого мы разместили несколько схем для лучшего ознакомления, с подробным обозначением всех узлов.
- 1. Фары
- 2. Пинтарники
- 3. Указатели боковых поворотов
- 4. Аккумулятор
- 5. Реле контрольной лампы заряда АКБ
- 6. Генератор
- 7. Стартер
- 8. Освещение Системное освещение
- 9. Свечи
- 10. Датчик контроля давления масла
- 11. Датчик индикатора охлаждающей жидкости
- 12. Звуковые предупреждающие сигналы
- 13. Распределитель зажигания или трамблер
- 14.Elvigitel очиститель лобового стекла
- 15. Датчик аварийного падения уровня тормозной жидкости
- 16. Катушка зажигания или бабина
- 17. Регулятор напряжения
- 18. Выключатель очистителя лобового стекла находится в насосе омывателя
- 19. Обогреватель салона Elvigator
- 20. Лампа освещения Бардац
- 21. Резистор Extreme, отопитель Elvigator салон автомобиля
- 22. Розетка для переноски
- 23. Переключатель типа ручных тормозов
- 24.Выключатель стоп-сигнала
- 25. Уровень проблем с реле
- 26. Выключатель обратного света
- 27. Предохранитель
- 28. Реле ручного тормоза .
- 29. Реле очистителя лобового стекла
- 30. РЕЖИМЫ РЕЖИМОВ РЕЖИМОВ СОВМЕСТИМЫХ РЕЖИМОВ
- 31. Прикуриватель .
- 32. Плафимон освещения Выключатель находится в стойках задних дверей
- 33. Выключатели освещения автомобильного освещения, расположенные в стойках передних дверей
- 34. Плафоны .
- 35.Замок или выключатель зажигания
- 36. Комбинация приборов
- 37. Указатель температуры охлаждающей жидкости .
- 38. Дальний свет фар .
- 39. Наружное освещение
- 40. Поворотные указатели поворота
- 41. Проверка заряда аккумулятора
- 42. Проверка давления моторного масла автомобиля
- 43. Ручной тормоз и уровень тормозной жидкости
- 44. Указатель уровня бензина в баке автомобиля
- 45. Контроль предельного запаса топлива
- 46.Комбинация осветительных приборов приборная
- 47. Выключатель звукового предупредительного сигнала
- 48. Выключатель фар .
- 49. Выключатель указателей поворота
- 50. Выключатель наружного освещения
- 51. Переключатель приборной панели .
- 52. Выключатель очистителя лобового стекла
- 53. Датчик индикации уровня и запаса топлива в баке автомобиля
- 54. Лампа освещения багажного отделения
- 55. Фонари задние
- 56. Освещение Освещение Освещение
- 57.Лампа освещения заднего хода автомобиля
- 58. Заглушки колодок задней балки проводов, конструктивное расположение на ВАЗ 2102
- 59. Освещение потолка задней части автомобиля ВАЗ 2102
Основная особенность разводки ВАЗ 2106 электрика в том, что она однопроводная. Поэтому интересно посмотреть на разводку, которая выполняет 2 роли: плюс и минус. Также важно знать, что все электрическое оборудование в машине предназначено для определенного рабочего процесса.
Что касается самого автомобиля, то уже многие знакомы с функциональными возможностями автомобиля ВАЗ 2106, как под капотом, так и в багажнике.Эту машину можно настроить под себя, как только это будет удобно пользователю. Но даже такая известная машина, как ВАЗ 2106, может снова чем-то удивить.
Элементы электропроводки, как и любой другой элемент, отвечающий за работу автомобиля, в полном объеме имеет свои характеристики, а схему электропроводки в свою очередь:
- активирует электрические цепи с помощью замка зажигания ВАЗ 2106;
- соединяется с аккумулятором через блок предохранителей;
- проводит электротестирование ключевых узлов.
Исходя из всего вышесказанного, все неисправности нужно начинать искать с замка зажигания, ведь большая часть ответственности ложится на него. Сам ключевой узел не только отвечает за управление всей системой зажигания в машине, но и выполняет функцию безопасности. Также он позволяет буксировать машину.
По каким причинам нужен ремонт замка зажигания
Замок зажигания такой классической машины, как ВАЗ 2106, имеет 4 режима работы, которые отличаются выполнением электрических функций.
- Нулевой режим практически не отвечает, только питает некоторые провода.
- Первый режим дает возможность работать не только с бегущими кострами, но и с туманом, щеточными щетками и поддерживает работу обогрева автомобиля.
- Второй режим отвечает за работу поворотников, приборной панели и систем зажигания.
- Третья позиция питает терминал.
Замена замка зажигания может понадобиться однажды практически каждому водителю.Это можно объяснить тем, что некоторые водители теряют ключи от зажигания, а как завести машину без ключей?
Ну а если говорить о классической машине, то, скорее всего, водитель ВАЗ 2106 уже имел дело с физическим износом некоторых деталей, в данном случае речь идет о личинке замка. Если провода в замке зажигания уже выглядят подозрительно, то в этом случае замену проводки нужно произвести как можно быстрее, чтобы не доводить ситуацию до короткого замыкания.
Как поменять замок зажигания
Для замены замка зажигания необходимо выполнить следующие действия:
- отключить аккумулятор;
- открутите все винты кожуха на колесе и снимите его;
- перевести ключевой узел в позицию «0»;
- вставка вшита в отверстие для снятия фиксатора;
- пометить контактные провода, чтобы в дальнейшем не перепутать;
- установить новую блокировку и снова выполнить инструкции, но наоборот.
Удобно, что схема подключения сделана так, что для смены всей контактной группы замок зажигания вообще не нужен. Но ни в коем случае не стоит реально «подтягивать» все одной рукой, потому что обратно все установить раньше не получится.
Что касается закупки запчастей, то в данном случае это нужно делать у проверенных поставщиков, ведь сейчас на рынке подделки. В ВАЗ 2106 применены только качественные комплектующие. Необходимо помнить, что корпус оригинального замка зажигания сделан аккуратно, ровно по краям и сверху, и голограмму нельзя аккуратно сорвать.
Отличительной особенностью подделки будет плавное и точное движение ключа в замке, в подделках обычно дается не так просто.
Преимущества бесконтактного зажигания
Электросхему можно охарактеризовать по-разному. Бесконтактное зажигание — популярный вид тюнинга автомобилей классических моделей, и ВАЗ 2106 здесь не исключение. Минусов у такого типа зажигания нет. Главное преимущество — экономия бензина, двигатель работает максимально чисто, а запуск зимы происходит равномерно, разгон автомобиля становится более комфортным.Но главным плюсом остается плавная работа двигателя.
Важно знать, что чем меньше будет работать механизм, двигатель ВАЗ, тем дальше можно будет оставить на этой машине. А если знать, за какие схемы отвечают, то ремонт основных деталей можно провести своими руками.
Схема подключения ВАЗ 2106 такая же, за исключением некоторых элементов. Датчик здесь импульсный, он создает колебания, которые попадают в транзисторный ключ. Из-за этой подачи в системе появляются другие импульсы.
Схема ВАЗ 2106 не так сложна, как кажется. В машине много других сложных сюрпризов, но это уж точно не схема проводки. Необходимо знать и понимать, насколько важно разбираться с тем, что это электрическая схема ВАЗа и на что она влияет, и есть ли сходство с другими моделями, например с ВАЗ 21063. И не важно сколько лет авто, какого года или века выпуска, информация о машине всегда будет актуальной.
Электросхема ВАЗ может быть идентична другим моделям, как и другие элементы и механизмы, например схема двигателя. Удобно, что запчасти к таким машинам продаются на каждом авторынке, это касается всего электрооборудования. В классических автомобилях очень легко запомнить, что из себя представляет силовик, ведь аналоги его встречаются довольно часто, поэтому во всей «классике» элементы электропроводки могут быть идентичными. Бояться таких машин не стоит, здесь все элементы понятны простому русскому человеку.Поэтому многие не покупают новые автомобили, а проводят тюнинг старых агрегатов и активно используют уже много лет.
Типовая схема подключения ВАЗ 2106 сделана с учетом однопроводного принципа соединения элементов электрооборудования автомобиля. Это означает, что минусовые контакты электронных устройств выводятся на т.н. «Массовый» автомобиль, а проводное подключение дает только положительные выводы.
Электромонтажное устройство автомобиля
Такой принцип интеграции электронных компонентов в систему электропитания автомобиля на практике реализуется в такой форме соединений:
- Активные электроблоки автомобиля активируются с помощью замка зажигания.
- Электронные устройства, обеспечивающие поддержание необходимой степени безопасности при эксплуатации автомобиля, подключаются к аккумуляторной батарее через блок безопасности.
- Детали шкафа всех агрегатов «шестерки» являются хорошими проводниками тока.
Важно: При проведении ремонтных и профилактических работ на автомобиле необходимо обесточить проводку, сняв минусовой провод с клеммы Аккорд, иначе несанкционированное прикосновение к контактному инструменту АКБ может привести к КЗ.Для наглядности схема электронной почты. Электропроводка ВАЗ 2106 размещена на нашем интернет-ресурсе, и автомобилисты могут использовать ее для необходимых испытаний.
При самостоятельном обслуживании автомобиля необходимо определить причину той или иной неисправности узлов электрооборудования редуктора. Устранение неисправностей следует начинать с выключателя зажигания, предназначенного для:
- Контроль исправности системы зажигания;
- Координация работы систем защиты и предотвращения автомобильных выбросов;
- буксирная «шестерка» с исправной «аварией».
В автомобиле ВАЗ 2106 схема подключения включает следующие элементы:
- Акб с контактом минусового провода на кузове ТС;
- стартер с разъемом «50» от замка зажигания через пусковое реле;
- генераторное устройство; Блок безопасности
- ;
- выключатель зажигания; Регулирующее реле
- .
Принцип работы электрооборудования ВАЗ 2106
Выключатель зажигания имеет 4 положения, при возбуждении каждого из которых переключаются переключатели определенных разъемов и контактов:
- В положении «0» ток АКБ транслируется только на разъемы 30 и 30/1, остальные обесточены.
- В положении «I» ток подается на разъемы 30-int и 30 / 1-15, при этом «габариты», очиститель лобового стекла, вентилятор системы обогрева отопительного комплекса находятся под напряжением.
- В положении «II» к ранее задействованным разъемам дополнительно подключается контакт 30-50. При этом в цепь включаются система зажигания, стартер, датчики панели, «габаритов» и «поворотников».
- В позиции «III» задействованы только «размеры», Klakson и очистители ветровых и кормовых стекол.При этом ток доступен только для разъемов 30-int и 30/1. №
Ряд автомобилей данной марки оснащены такими устройствами, как комплекс обогрева подачи стекла, электроавтомат «Заводчик», световое реле и др. Электроток к этим приборам идет отдельной линией через выключатель зажигания на замке зажигания. ключевые позиции «I» и «II».
Важно: поскольку бачок омывателя изготовлен из материала ПВХ и является диэлектриком, электродвигатель дополнительно снабжен отрицательным проводом, и при работе с ним на разъемах следует использовать диэлектрическую защиту.
В «шестерке» по току в постоянном режиме работают следующие цепи питания: Клаксон, стоп-сигналы, «Авария», прикуриватель, вилка для «переноски», панель приборов. Ведущие цепи оборудования электрооборудования предназначены для защиты предохранителей предохранителей, которые размещены в двух специальных блоках (основном и запасном), расположенных со стороны водителя под приборной панелью.
Одним из элементов электросхемы ВАЗ 2106 является блок безопасности, конструкция которого не удовлетворяет современным требованиям к составу электронного оборудования.Недостатки:
- нестабильное соединение предохранителя и гнезда приводит к появлению складских помещений;
- при работе предохранительный элемент подвержен нагреву, что негативно сказывается на расположении гнезд навесного оборудования поблизости;
- низкая стоимость сменных предохранителей не гарантирует их надежности, поэтому проверку этого блока следует проводить регулярно.
Использование т. Н. «Жучки» могут повлечь за собой возгорание из транспортного средства, т.к. вероятность возникновения КЗ велика.Существует полностью безопасный вариант модернизации штатных изделий, в котором подлежат установке ножевые предохранители, посадочные места отлично интегрированы в блок безопасности.
Достоинства ножевых предохранителей:
- устойчивый контакт изделия с местом крепления;
- элемент плавкого типа замазанный в ПВХ-корпусе прозрачного типа;
- динамический отвод тепла за счет увеличенной площади контакта.
Важно: Шестигранный прибор, проводка к нему, а также к аккумулятору, стартеру, катушке, оптике и некоторым другим элементам предохранительными элементами не оснащены.
Реализовал электросхему ВАЗ-2114 максимально простым способом. Функцию провода, передающего отрицательный источник питания, выполняет кузов автомобиля. Эта схема используется в большинстве современных автомобилей. В конструкции электропроводки отсутствуют сложные узлы, каждый водитель может выполнять техническое обслуживание и ремонт самостоятельно. Главное — уметь разбираться с электрическими цепями.Не нужно знать наизусть все провода и то, как конкретно узел они отвечают. Вы должны уметь ориентироваться в сложной проводке.
Основные характеристики
Основная особенность схемы разводки WAZ-2114 заключается в том, что необходимо питать все узлы, обеспечивающие впрыск топлива:
- Electronasus fuel.
- Форсунки в топливной рампе.
- Системные датчики.
Также питание подается на электронный блок управления и систему зажигания.Причем были установлены только модули зажигания, которые, по сути, представляют собой выключатель со встроенными катушками (всего их две). Но на 16-клапанных двигателях ставилось по одной катушке на каждую свечу. Такая схема более совершенна, так как при выходе из строя катушки откажет только один цилиндр.
В целом автомобиль построен на основе конструкции предшественника — ВАЗ-2109. Такой же формы кузова использованы элементы подвески, зажигания и подачи топлива, одинаковые даже задние фонари. Но есть существенные отличия в конструкции двигателя, коробки передач.Намного привлекательнее выглядит новый европеец. В нем используются более привлекательные датчики и другие устройства.
Схема электропроводки автомобиля
Общую схему электропроводки ВАЗ-2114 можно разделить на несколько составляющих:
- Система наружного освещения.
- Система зажигания.
- Подача топлива.
- Управление двигателем (датчики, исполнительные устройства и ЭБУ).
- Запуск двигателя (стартер).
- Электроэнергия (аккумулятор и генератор).
- Системы дополнительного оборудования — дворники, омыватель, печка, подогрев зеркал, сидений и стекол, прикуриватель и др.
Абсолютно все цепи, которые подключаются к АКБ, защищены предохранителями. Они устанавливаются под капотом (как и у предшественника ВАЗ-2109).
Переключение происходит с помощью электромагнитных реле. Они позволяют избавиться от утечки большого тока на кнопки при включении мощных потребителей. Причина — При прямом включении больших токов выходят из строя кнопки и подгорают контакты. В этом плане электромагнитные реле намного надежнее.
Система запуска двигателя
На схеме подключения ВАЗ-2114 (инжектор и карбюратор, если в системе) обязательно присутствует стартер. С его помощью двигатель заводится. В этом случае аккумулятор действует как источник питания.
Пускатель состоит из следующих компонентов:
- Обмотка статора (неподвижная часть).
- Роторная обмотка (возбуждение).
- Bendix предназначен для механического соединения ротора стартера и поворота маховика на коленчатый вал.Состоит из вилки привода, обгонной муфты и шестерен.
- Реле втягивающее — отводит бендикс и силовые контакты.
- Чехлы, щеточный узел и другие детали.
Как работает стартер?
Питание стартера идет напрямую от АКБ — с верхнего выхода реле втягивающего идет на плюс Работа системы запуска происходит по такой схеме:
- При повороте ключа зажигания запитываются все компоненты топливной системы , ЭБУ.
- При установке ключа в положение «Пуск» питание поступает на управляющий выход тягового реле.
- Гниющие обмотки создают магнитное поле, которое заставляет сердечник двигаться.
- Силовые контакты замыкаются, и ротор начинает вращаться.
- Bendix одновременно перемещается по оси ротора, и шестерня входит в зацепление с венцом на маховике.
- Коленчатый вал начинает вращаться, впрыск топлива в камеру сгорания и подача высокого напряжения на электроды свечей.
Так работает вся система запуска двигателя любого автомобиля, в том числе ВАЗ-2114.
Генераторная конструкция
Второй источник энергии в любом автомобиле — это генератор. При запуске двигателя необходимо запитать всех потребителей. Генератор состоит из следующих частей:
- Роторная обмотка возбуждения.
- Контактные кольца на роторе.
- Подшипники.
- Передняя и задняя обложки.
- Обмотка статора.
- Регулятор напряжения.
- Шкив с крыльчаткой.
- Диодный блок.
- Конденсатор.
Как работает генератор?
Когда двигатель остановлен, вращающаяся обмотка получает питание.Следовательно, вокруг него есть магнитное поле. Но поскольку ротор не вращается, это поле неподвижно. Поэтому не выполняется одно из обязательных условий настройки генератора — магнитное поле должно быть постоянным и подвижным. Все условия выполняются только тогда, когда стартер начинает раскручивать коленвал. В этом случае генератор вырабатывает напряжение, подаваемое на аккумулятор.
Но особенность конструкции любого автомобильного генератора в том, что вырабатывается переменный ток.Причем на выходе появляются три фазы, а для питания всех потребителей нужен переменный постоянный ток. В противном случае вся суброфотная проводка ВАЗ-2114, схема которой представлена ниже, просто сгорит.
Для выпрямления переменного тока используется блок полупроводниковых кремниевых диодов. Конструкция генератора с тремя фазами на выходе использована по одной простой причине — пульсации намного меньше. На выходе выпрямителя установлен конденсатор — можно избавиться от всей составляющей тока.
Работа регулятора напряжения
Но тут есть одна огромная проблема — в зависимости от частоты вращения коленчатого вала генератор может выдавать напряжение от 10 до 30 вольт, и такой разброс недопустим. Поэтому необходимо стабилизировать напряжение на одном уровне — 12 В. На самом деле, конечно, генераторы выдают немного больше — 13,6–14,6 В. Только в этом случае произойдет нормальная зарядка аккумулятора. Напряжение на розетке стабилизировать можно, но проблема в том, что потребляемый ток очень большой.
И Стабилонг должен иметь немалые габариты, соответственно и стоимость. Но гораздо проще стабилизировать мощность обмотки ротора. Если величина подаваемого на него напряжения будет стабильной, то магнитное поле не изменится ни при каких обстоятельствах. Это действие осуществляется с помощью регулятора напряжения. Максимальный ток потребления обмотки возбуждения не более 2 А. Конструктивно регулятор совмещен с щеточным узлом.
Электронный блок управления
Очень сложна схема подключения ЭБУ ВАЗ-2114, так как к нему подключено большое количество Датчика I.
Электронный блок управления является «мозгом» всей системы, он состоит из таких компонентов:
- Пластиковый и металлический корпус.
- Схема построена на микроконтроллере.
- Подключение датчиков через микроконтроллер
- К выходам контроллера подключены усилители сигналов, электронные ключи и реле.
Микроконтроллер позволяет подавать сигналы на исполнительные механизмы, в зависимости от того, как работает двигатель.В память ЭБУ заложен алгоритм работы всех систем. Тем более, что схема подключения ВАЗ-2114 (инжектор) 8 клапанов отличается от V16, так как для управления двигателем нужно еще несколько параметров.
Датчики системы управления
На автомобилях ВАЗ-2114 используется несколько датчиков, подключенных к электронному блоку Control. Они влияют на впрыск топлива и момент зажигания.
Система состоит из следующих датчиков:
- Положения дроссельной заслонки.
- Положение коленвала.
- Фазы (положение распредвала).
- Скорости (расположены на
- Расход воздуха. Вместо этого можно использовать датчик Mar.
- Давление.
- Детонация.
- Кислород.
Все эти считывающие устройства регулируют подачу топливных смесей в камеры сгорания и угол опережения зажигания. Схема подключения ВАЗ-2114 (инжектор) с описанием приведена в инструкции по эксплуатации и обслуживанию автомобиля. Также вы можете узнать о том, как самостоятельно произвести устранение неисправностей, посмотреть документ и основные симптомы поломки.
Ваз 2101 самая первая. История автомобиля «Лада
«. ВАЗ-2101 «Жигули» — легковой заднеприводный автомобиль с кузовом типа «седан». Первая модель выпущена на Волжском автозаводе.За основу был взят Фиат-124 1966 года выпуска. Конструкция доработана с учетом советских условий — увеличен клиренс, усилена подвеска и кузов, задние дисковые тормоза заменены на барабанные, как более устойчивые к загрязнениям и долговечные. , добавлен «кривый стартер» (заводной кривошип двигателя).Снаружи появилось наружное зеркало заднего вида (слева), ручки дверей стали утопленными. Изменилась конструкция двигателя — распредвал перенесен на головку, увеличено расстояние между цилиндрами (чтобы можно было увеличить их диаметр). Масса автомобиля увеличилась на 90 кг. Всего было внесено более 800 изменений.
Первый ВАЗ-2101 в музее АвтоВАЗа
19 апреля 1970 года на главном конвейере Волжского автомобильного завода собрана первая машина.Самый первый экземпляр сошел с конвейера итальянским старшим инструктором Бенито Гвидо Савоини. На сборке присутствовали слесари Волжского автозавода В. Присяжнюк, И. Осипов, В. Гусев, В. Орлихин и В. Глазунов. После 19 лет эксплуатации первый грузовой вагон занял почетное место в Волжском автомобильном музее.
Этот автомобиль — начальный представитель всех классических ВАЗов. Фактически ВАЗ 2101 и последующие модификации получили отличную адаптацию к дорогам СССР на иномарке — FIAT 124 1966 года выпуска.Однако двигатель ВАЗ 2101 был более прогрессивным, за счет верхнего положения распредвала в ГБЦ. Дорожный просвет увеличили на 30 мм, подвеску пришлось переделать и усилить. Больше всего изменилась кузовная модификация ВАЗ 21011 (1974 г.), получив значительно более удобные передние сиденья и прогрессивные механизмы управления, а также пепельницы, которые были перенесены с задних подлокотников и стали располагаться на задней части. дверная панель. Также эту модификацию дополнили более мощным 69-сильным двигателем, имевшим рабочий объем 1.3 литра. У этих машин другая решетка радиатора с часто встречающимися поперечинами, расположенными горизонтально; в нижней части лицевой панели имелось 4 специальных прорези для вентиляции. Бамперы ВАЗ 2101 делались без клыков и на них ставили резиновые накладки по всей длине.
В задней части стоек кузова ВАЗ 2101 стали размещаться отверстия для специальной вытяжной вентиляции салона, которые прикрыли оригинальными решетками, стоп-сигналы и поворотники получили отражатели.На автомобиль был установлен сигнал заднего хода. Спустя некоторое время начали делать версию ВАЗ-21013, имеющую кузов 21011 и двигатель ВАЗ 2101 объемом 1,2 литра. «Полицейская» версия ВАЗ-21016 получила мощный 71-сильный (77 л.с. по устаревшим ГОСТ) двигатель ВАЗ-2103.
Экспортная версия автомобиля получила название Lada 1200. Свыше 57 тысяч автомобилей было отправлено в страны социалистического содружества — ГДР, Чехословакию, Болгарию, Венгрию и Югославию. Вскоре «Жигули» появились на дорогах Германии, Франции, Великобритании, Австрии, Швейцарии, Египта и Нигерии.
Производство автомобиля ВАЗ 21011 было остановлено в 1981 году, а ВАЗ 2101 — в 1982 году. Тогда начали выпускать лишь разновидность «копейки» ВАЗ-21013.
Хотя автомобили производились в СССР еще в 60-х годах прошлого века, их дефицит был невероятный. «Победы», «Волга», «Москвичи» и «Запорожец» распределялись исключительно по спискам предприятий, и чаще всего их можно было купить даже на рабочем месте только по большим тягам.20 июля 1966 года, проанализировав 54 различных строительных объекта, ЦК КПСС и Советское правительство приняли решение о строительстве нового крупного автомобильного завода в городе Тольятти. Подготовку технического задания поручили итальянскому автомобильному концерну «ФИАТ». 15 августа 1966 года в Москве глава FIAT Джанни Аньелли подписал с министром автомобильной промышленности СССР Александром Тарасовым договор о создании автомобильного завода в городе Тольятти с полным производственным циклом.
01. Территория будущего автомобильного завода, 1966 год.
02. Первая палатка на месте будущей постройки. В центре группы — генеральный директор Волжского автомобильного завода В.Н. Полякова, 1966
03. 3 января 1967 года ЦК ВЛКСМ объявил о строительстве Волжского автомобильного завода Всесоюзным ударным корпусом ВЛКСМ. Тысячи людей, в основном молодежь, приехали в Тольятти на строительство автогиганта.
04. Строительство отечественного автогиганта поручено дирекции «Куйбышевгидрострой». В январе 1967 года на строительной площадке был выкопан первый кубометр земли.
05. На отдел кадров Куйбышевгидростроя обрушился многотысячный поток писем с просьбами принять участие в строительстве завода. Все понимали, что строить, а потом работать на ВАЗе — значит быть в эпицентре современной жизни, и возможность получить квартиру в Тольятти была более вероятной, чем где-либо еще.
06. Начальник управления Куйбышевгидростроя Николай Семизоров вспоминает, что масштабы строительства его просто поразили. За четыре года планировалось построить завод, ТЭЦ, Автозаводский район Тольятти и многое другое общей стоимостью (по самым скромным подсчетам) более двух миллиардов рублей.
07. Государство не жалело денег на постройку ВАЗа. За короткое время Куйбышевгидрострой из крупной строительной организации, хоть и имея на своем счету строительство Волжской ГЭС имени Ленина, действительно превратился в гиганта.
08. Технический проект автозавода разработан итальянским автомобильным концерном FIAT при участии института «Промстройпроект». Непосредственное участие в проектировании будущего гиганта приняли коллективы более 40 проектных институтов нашей страны.
09. С 1969 года на заводе начали формироваться трудовые коллективы, большинство из которых составляли строители завода.
11. Продолжен монтаж производственного оборудования на 844 отечественных заводах, 900 заводах социалистического содружества, фирмах Италии, Германии, Франции, Англии, США и других стран.
12. В.Н. Поляков, первый директор ВАЗа, руководивший заводом с 1966 по 1975 год.
13. Укладка пола по главному конвейеру, 1969 год
14. Строительное управление ВАЗ
16. Различные музыкальные коллективы часто бывал на стройке.
19. Киоск «Союзпечать» рядом со строительной площадкой.
20. За основу первого автомобиля ВАЗ была взята модель ФИАТ-124; в 1965 году он получил титул «Автомобиль года» в Европе.На фото первый ФИАТ на Дмитровском полигоне.
21. Параллельно со строительством завода ФИАТ-124 прошел испытания на Дмитровском полигоне. Суровые бытовые условия оказались «итальянцам», мягко говоря, не по зубам. Уже через 5000 км машину пришлось почти выбросить. «ФИАТ» практически «разлетелся» по кузову, выявил неспособность шасси и особенно тормозов к нашим реалиям. Дорожный просвет «итальянца» в 110 мм оказался маловат в сложных дорожных условиях Союза.Было решено его увеличить. Правда, когда итальянцы узнали, что россияне собираются «поднять» машину на 17-17,5 см над землей, они всерьез спросили: «А вы не собираетесь строить дороги в России?»
22. Первая «Жигули» на конвейере, 1970 год.
23. 19 апреля 1970 года с магистрали ВАЗ сошли первые шесть автомобилей ВАЗ-2101 «Жигули», ныне известные в большинстве зарубежных стран как «Лада». конвейер. Первенец оправдал ожидания своих создателей. Ходовые качества были отличными, а капитальный ремонт потребовался только после того, как машина проехала расстояние, равное десяти поездкам из Москвы во Владивосток.
24. Роль первенца ВАЗа в истории отечественного автопрома трудно переоценить. С его появлением советский автопром сделал шаг вперед. За 14 лет, проведенных на конвейере, из цеха завода выкатилось около 3 000 000 «копеек».
26. В 1973 году у автомобиля ВАЗ появилось другое название — «Лада», предназначенное для зарубежных потребителей. Одна из версий выбора этого названия гласит, что конструкторы АвтоВАЗа накануне случайно услышали популярную в то время песню «Не надо хмуриться, Лада.В других рассказах проводится аналогия с товарным знаком «Грач», появившимся практически одновременно с «Жигулями». Так или иначе, но это имя понравилось всем сразу.
27. «Вазовцы» идут работать. новых машин разошлось по разным городам Советского Союза и ближнего зарубежья
29. Генеральный директор Волжского автомобильного завода знакомит с мастерскими Секретаря ЦК КПСС А. Кириленко, 1973 г.
30 .Завод с высоты птичьего полета.
31. Новые автомобили ждут своего отправления.
34. Уже в декабре 1973 года на заводе был выпущен миллионный автомобиль.
36. Модель ВАЗ-2108, выполнена в натуральную величину из пластилина.
37. В декабре 1979 года в экспериментальном цехе был собран первый опытный образец автомобиля ВАЗ-2108.
38. ВАЗ ТЭЦ (крупнейшая в Европе на момент строительства) и автомобильный завод.
39.Отдел дизайна.
40. Заводские дни.
41. Конвейер.
42. Цех сборки двигателей.
43. Столовая ВАЗ.
46. Новые автомобили на площадках завода.
48. Завод и Автозаводский район Тольятти вдалеке.
49. 30-летие первой машины. Торжественное движение всеми любимой «копейки» по главному конвейеру, 19 апреля 2000 года.
52.И в заключение коротко о некоторых марках автомобилей, производимых на АвтоВАЗе. Внедорожник Нива выпускается серийно с 1977 года!
53. Первый автомобиль ВАЗ 1970 года выпуска, с заводским номером 0000001, имел одного владельца в городе Самара и снова стал собственностью завода в 2000 году, хранится в музее. (годы выпуска ВАЗ-2101 1970-1981 гг.)
54. В музее АвтоВАЗа хранится миллионный ВАЗ-2103. (годы выпуска ВАЗ-2103 1972-1983 гг.)
55.ВАЗ-2107 на конвейере. (годы выпуска 1982-2011)
56. ВАЗ-2110, или популярная «десятка». (годы выпуска 1996-2007)
58. Lada Priora выпускается с 2007 года.
59. Lada Kalina выпускается с 2004 года.
60. Новейшая серийная модель АвтоВАЗа — Lada Granta. запущен на конвейер в конце 2011 года.
Краткая справка: общая площадь производственных корпусов автозавода — 2.1 миллион квадратных метров. м, длина конвейеров — 150 км, технологическое оборудование — 16,5 тыс. шт. При строительстве завода введено в эксплуатацию 213 км автомобильных дорог, уложено 180 км железных дорог, 6 миллионов кубометров монолитного и сборного железобетона, смонтировано 300 тысяч тонн металлоконструкций. Чтобы понять, какое место Волжский автомобильный завод занял в иерархии советского автопрома, достаточно знать следующий факт: в середине 60-х все существующие заводы СССР выпускали столько автомобилей, в том числе грузовиков и автобусов, сколько спроектирован ВАЗ — 660 тысяч автомобилей в год.
Другие мои исторические обзоры.
Итальянцы получили указание от дружественных итальянцев построить в Тольятти новый современный автомобильный завод. Соглашение, подписанное Министерством автомобильной промышленности СССР с концерном Fiat в августе 1966 года, подразумевало не только строительство предприятия полного цикла, но и оснащение его оборудованием, а также обучение персонала. Новое производство называлось «ВАЗ» — Волжский автомобильный завод.
Эмблему для моделей ВАЗ должны были придумать советские конструкторы.Идея разместить на значке лодку, как и сам эскиз будущего логотипа, принадлежит Александру Декаленкову, сотруднику столичного руководства завода. Итальянцам было поручено изготавливать эмблемы для автомобилей. Кстати, с этим был связан инцидент. Первые три десятка логотипов Fiat выдал с ошибкой — вместо буквы «I» в слове «Тольятти» итальянцы написали «R». Любопытство обошлось без скандалов — бракованные логотипы срочно заменили.
С первых дней работы Волжский автогигант проблем не испытывал.Спрос на автомобили был таким, что продажи ограничивались только объемами производства. Примерно через год работы завод выпустил 100 тысяч копеек, а еще через два с половиной года с конвейера сошел миллионный ВАЗ.
Прототипом ВАЗ-2101 был ФИАТ-124. Внешне ВАЗ-2101 отличался от ФИАТа только более массивными клыками бамперов, утопленными дверными ручками и, конечно же, эмблемами. Но начинка советской машины была во многом разной.
FIAT-124 не был техническим открытием середины 1960-х годов. Классическая компоновка, зависимая задняя подвеска, четырехступенчатая коробка передач не лучше большинства конкурентов. Двигатель с нижним распредвалом также соответствовал тенденциям, которые были привычны для массовых автомобилей тех лет. А вот мотор ВАЗ-2101 хоть и сохранил рабочий объем двигателя Fiat, но получил другое межосевое расстояние и верхний распредвал в головке блока — на этом нововведении настояла советская делегация, посетившая итальянские заводы и отметившая, что FIAT активно развивались моторы с верхними валами.
ВАЗ 2101
Это нововведение потом сильно упадет на репутацию ВАЗов, когда распредвалы начнут массово выходить из строя — проблема не решится ни в коем случае за один год. А пока конструкция тендерного 124-го активно обрабатывается под суровую советскую жизнь. Условия эксплуатации машины предполагались тяжелыми, поэтому диаметр накладок диска сцепления был увеличен с 182 до 220 мм, коробка передач была переработана, изменена задняя подвеска, с рессор были сняты «амортизаторы» для облегчения их последующего замена.
Списанные дисковые тормоза сзади, так как на дорогах советской глубинки они были очень грязными и быстро изнашивались. Кстати, позже в FIAT на потомках 124-го вернулись задние барабанные тормоза. Шаровая опора усиленная, пружины, во многих местах — кузов. В переднем бампере появилось отверстие для кривошипа (от него опять отказались начиная с ВАЗ-2105), а под обоими бамперами проушины.
ВАЗ-2105
В 1970-е годы ВАЗ-2101 и его последователи были вполне конкурентоспособны даже на западноевропейском рынке.Ведь в принципе покупатели получали всем известный FIAT по существенно более низкой цене — демпинг был основой успеха советских автомобилей с первых же лет экспорта за границу. В социалистических странах «Жигулей» вообще не хватало — скажем, в ГДР, чтобы получить заветную машину, приходилось стоять в очереди более десяти лет.
ВАЗ-2103
Многие новинки автомобильной техники в СССР впервые массово появились на Жигулях.До ВАЗ-2101 дисковые тормоза устанавливались только на легковые ЗИЛы. В 1972 году на ВАЗ-2103 установили вакуумный усилитель тормозов, тахометр, электрические часы. В 1975 году у «шестерки» появились передние подголовники. В 1980 году на ВАЗ-2105 — первые «Жигули» с полностью новыми (кроме крыши) кузовными панелями — двигателем с ременным приводом ГРМ, блок-фарами, совмещенными с габаритными огнями и указателями поворота. Спустя два года появился ВАЗ-2107 с анатомическими сиденьями, оснащенными встроенными подголовниками.
ВАЗ-2107
Помимо базового двигателя объемом 1,2 л, позже были выпущены версии 1.3; 1,5 и 1,6 литра, различающиеся диаметром и ходом. В 80-е годы на Жигулях появилась пятиступенчатая коробка передач. ВАЗ первым в СССР, пусть и небольшими партиями, выпустил модификации с одинарным впрыском (ВАЗ-21073) и дизелем (ВАЗ-21045).
Но уже к концу второго десятилетия выпуска Лады на фоне одноклассников выглядели пришельцами из давней эпохи.В салоне тесновато, мощность двигателя невелика, тормоза слабые. Карбюраторные двигатели не соответствовали более строгим экологическим нормам. Все это усугублялось снижением качества комплектующих и сборки.
ВАЗ-21073
Последняя «Лада-2107» (название «Лада» незаметно вышла из употребления), производство которой в Тольятти было прекращено летом 2011 года, сохранила основные черты далеких предков. . Главное отличие: 73-литровый инжекторный двигатель.из. при 5300 об / мин (карбюраторная версия развивала 77 л.с. при 5600 об / мин), что соответствует нормам Евро-3. Во всем остальном это уже не та модель, владельцы которой в начале 80-х были менее удачливы, и выглядели завистливо вздыхающими. В ходе постперестроечных модернизаций и оптимизаций его постепенно упрощали в деталях и не только. В последнее время различия между пятой и седьмой моделями свелись в основном к внешнему виду.
«Копек» начали поставлять за границу в 1973 году.Затем появился «экспортный» бренд «Лада». Как выяснилось, название «Лада», которое носили все автомобили ВАЗ, созвучно французскому со словом «Лада». Поэтому пришлось переименовать экспортную «Жигули» в «Лады». Впоследствии автомобили для внутреннего рынка также стали маркировать Lada, впоследствии полностью запретив название «Lada».
С наступлением девяностых годов и распадом СССР перед заводом встала беспрецедентная концепция — «конкуренция».На фоне криминальных войн за контроль над ВАЗом, унесших сотни человеческих жизней, в страну хлынул поток подержанных иномарок. Десятилетия существования без конкуренции тормозили развитие автогиганта, а автомобили ВАЗ безнадежно отставали от зарубежных. Россияне потеряли интерес к «Жигулям», и заводу пришлось сократить производство автомобилей. Государство пыталось решить проблему повышением таможенных пошлин на ввоз подержанных иномарок, но это не помогло.
После многих лет поиска выхода из кризиса он был найден в сотрудничестве с Renault-Nissan.В 2008 году альянс стал владельцем 25% акций АвтоВАЗа. В том же году на АвтоВАЗе появился новый главный конструктор — Стив Маттин. Ранее он занимал аналогичные должности в Mercedes и Volvo.
Схема электрооборудования ВАЗ. Схемы электрооборудования Лада Самара. Схема соединений системы генератора
Основная особенность Электромонтаж ВАЗ 2106 Электро в том, что она однопроводная. Поэтому интересно посмотреть на разводку, которая выполняет 2 роли: плюс и минус.Также важно знать, что все электрическое оборудование в машине предназначено для определенного рабочего процесса.
Что касается самого автомобиля, то уже многие знакомы с функциональными возможностями автомобиля ВАЗ 2106, как под капотом, так и в багажнике. Эту машину можно настроить под себя, как только это будет удобно пользователю. Но даже такая знаменитая машина, как ВАЗ 2106, может снова чем-то удивить.
Элементы электропроводки, как и любой другой элемент, отвечающий за работу автомобиля, в полном объеме имеет свои характеристики, а схему электропроводки в свою очередь:
- активирует электрические цепи с помощью замка зажигания ВАЗ 2106;
- соединяется с аккумулятором через блок предохранителей;
- проводит электротестирование ключевых узлов.
Исходя из всего вышесказанного, все неисправности нужно начинать искать с замка зажигания, ведь большая часть ответственности ложится на него. Сам ключевой узел не только отвечает за управление всей системой зажигания в машине, но и выполняет функцию безопасности. Также он позволяет буксировать машину.
По каким причинам нужен ремонт замка зажигания
Замок зажигания такой классической машины, как ВАЗ 2106, имеет 4 режима работы, которые отличаются выполнением электрических функций.
- Нулевой режим практически не отвечает, только питает некоторые провода.
- Первый режим дает возможность работать не только с бегущими кострами, но и с туманом, щеточными щетками и поддерживает работу обогрева автомобиля.
- Второй режим отвечает за работу поворотников, приборной панели и систем зажигания.
- Третья позиция питает терминал.
Замена замка зажигания может понадобиться однажды практически каждому водителю.Это можно объяснить тем, что некоторые водители теряют ключи от зажигания, а как завести машину без ключей?
Ну а если говорить о классической машине, то, скорее всего, водитель ВАЗ 2106 уже имел дело с физическим износом некоторых деталей, в данном случае речь идет о личинке замка. Если провода в замке зажигания уже выглядят подозрительно, то в этом случае замену проводки следует произвести в кратчайшие сроки, чтобы не доводить ситуацию до короткого замыкания.
Как поменять замок зажигания
Для замены замка зажигания необходимо выполнить следующие действия:
- отключить аккумулятор;
- открутите все винты кожуха на колесе и снимите его;
- перевести ключевой узел в позицию «0»;
- вставка вшита в отверстие для снятия фиксатора;
- пометить контактные провода, чтобы в дальнейшем не перепутать;
- установить новую блокировку и снова выполнить инструкции, но наоборот.
Удобно, что схема разводки сделана так, что для смены всей контактной группы замок зажигания стрелять не нужно вообще. Но ни в коем случае не стоит реально «подтягивать» все одной рукой, потому что обратно все установить раньше не получится.
Что касается закупки запчастей, то в данном случае это нужно делать у проверенных поставщиков, ведь сейчас на рынке подделки. В ВАЗ 2106 применены только качественные комплектующие. Необходимо помнить, что корпус оригинального замка зажигания сделан аккуратно, ровно по краям и сверху, и голограмму нельзя аккуратно сорвать.
Отличительной особенностью подделки будет плавное и точное движение ключа в замке, в подделках обычно дается не так просто.
Преимущества бесконтактного зажигания
Электросхему можно охарактеризовать по-разному. Бесконтактное зажигание — популярный вид тюнинга классических моделей автомобилей, и ВАЗ 2106 здесь не исключение. Минусов у такого типа зажигания нет. Главное преимущество — экономия бензина, двигатель работает максимально чисто, а запуск зимы происходит равномерно, разгон автомобиля становится более комфортным.Но главным плюсом остается плавная работа двигателя.
Важно знать, что чем меньше будет работать механизм, двигатель ВАЗ, тем дальше можно будет оставить на этой машине. А если знать, за какие схемы отвечают, то ремонт основных деталей можно провести своими руками.
Схема подключения ВАЗ 2106 такая же, за исключением некоторых элементов. Датчик здесь импульсный, он создает колебания, которые попадают в транзисторный ключ. Из-за этой подачи в системе появляются другие импульсы.
Схема ВАЗ 2106 не так сложна, как кажется. В машине много других сложных сюрпризов, но это уж точно не схема проводки. Необходимо знать и понимать, насколько важно разбираться с тем, что это электрическая схема ВАЗа и на что она влияет, и есть ли сходство с другими моделями, например с ВАЗ 21063. И не важно сколько лет авто, какого года или века выпуска, информация о машине всегда будет актуальной.
Электросхема ВАЗ может быть идентична другим моделям, как и другие элементы и механизмы, например схема двигателя. Удобно, что запчасти к таким машинам продаются на каждом авторынке, это касается всего электрооборудования. В классических автомобилях очень легко запомнить, что из себя представляет силовик, ведь аналоги его встречаются довольно часто, поэтому во всей «классике» элементы электропроводки могут быть идентичными. Бояться таких машин не стоит, здесь все элементы понятны простому русскому человеку.Поэтому многие не покупают новые автомобили, а проводят тюнинг старых агрегатов и активно используют уже много лет.
Если не самое главное, то одну из ведущих ролей в том, чтобы все системы и устройства автомобиля работали надежно, играет проводка. Рассмотрим, как устроена проводка на ВАЗ 2110, а также как обеспечить необходимые условия для ее беспроблемной работы и произвести заливку своими руками.
Основные принципы
Вне зависимости от того, карбюратор или инжектор установлен в вашем ВАЗ 2110, основные принципы прокладки проводки одинаковы.Схему электропроводки найти несложно, главное разобраться. Собственно на месте разводки есть инкапант и салон.
Его основные принципы те же, и сводятся к тому, что:
- какую бы машину, работающую на электричестве, вы не брали, ее подключение будет однопроводным. Причем создатели ВАЗ 2110 с самого начала предусмотрели, что как в схемах в руководстве по эксплуатации, так и в реалиях цвета проводов будут четко распределены.Проще говоря — все электрооборудование подключается с помощью проводов четко определенного цвета. К каждому устройству прилагается жгут проводов, заключенный в контактные площадки. Естественно, это сделано для того, чтобы тому, кто занимается ремонтом своими руками, было проще разобраться в этой хитросплетении. Таким образом, более понятным становится все более частая замена проводки. Совет: Если у вас небольшая проблема с конкретным оборудованием, и вам нужна замена только одного провода, лучше не жадничать и не менять его на первый.Купите полный жгут и замените его на провод нужного цвета — вам будет легче, потом легче;
- провод, подводящий питание к плюсовой клемме АКБ, всегда в красной оплетке, желательно также изменить его цвет. На всех схемах он обозначается как «П», то есть — плюс;
- но роль «минуса» (иначе — массы) отводится кузову автомобиля;
- все выводы любых потребителей электроэнергии напрямую подключены к корпусу;
- Каждая система, к которой подключен электрик, имеет свой жгут проводов.
ВАЗ 2110 постоянно, если АКБ подключен, все электрооборудование под напряжением. Именно поэтому, собственно, перед началом любого ремонта (особенно если он связан с электрической частью автомобиля) настоятельно рекомендуется отключить аккумулятор.
Бесконтактная система
Кроме того, в электротехнике представлена еще бесконтактная система — она нужна для эффективного образования искры при сгорании топливной смеси. Эта система не может работать без высоковольтных проводов.
Карбюраторный автомобиль
Когда с конвейера начал сходить первый ВАЗ 2110, в их оснащение входил карбюратор, который впоследствии заменил инжектор на более современную и надежную систему, обеспечивающую экономичную стабильную работу двигателя. Электропроводка двигателя с карбюратором включает в себя практически те же системы жизнеобеспечения автомобиля, что и с инжектором.
Более того, если вы, например, решите поменять карбюратор на инжектор, у вас не возникнет особых проблем, вы сможете довольно легко установить все электрооборудование.Дело в том, что как в старом ВАЗ 2110, так и в современном увеличивающаяся электрика почти не отличается.
Кроме того, в проводке помпы есть идентичный штекер. Конечно, при подобной переделке лучше всего поменять всю жгут проводов, так как старый может иметь незаметные дефекты и неисправности.
Единственное, что нужно добавить, установив форсунку, а вместе с ней и необходимые узлы, это проложить дополнительный провод от бензонасоса к бортовому компьютеру.
Такая замена будет оправдана, так как карбюратор — это уже устаревшая деталь автомобиля. Он менее надежен и не может гарантировать точную подачу топливной смеси.
Форсунка «Десятка»
Кроме проводки, которая предусмотрена на ВАЗ 2110-карбюратор, на «десятке» — форсунке есть еще ряд предохранителей, которые защищают практически всю ее от возможности закрывания.
Конструктивно предохранители не предусмотрены только для питания электрики релейным проводом от АКБ, в цепи пуска автомата и зажигания, а также для провода, идущего к генератору.
Кроме того, инжектор (в отличие от карбюратора) — более сложная система, и чтобы починить ее своими руками, нужно хорошо разбираться в ней. Контроллер в этой системе проводки «считывает» работу всех систем, тем самым определяя и спрашивая многие показатели — расчет топливной смеси и т.д. в контактах. Причем нужно проверить все провода, входящие в жгут: их визуальную целостность, сопротивление, надежность контактов и т. Д.
Особое внимание следует обратить на осмотр и, возможно, замену высоковольтных проводов. Почему именно на них? Потому что окружающая среда, где они не очень благоприятны для электромонтажа, и стоящая перед ними задача очень важна. На высоковольтных проводах лежит обязанность передавать на свечи импульсы от катушки зажигания.
Признаки их неисправности:
- При работе магнитолы возникают шумы, которых ранее не наблюдалось;
- Автомобиль дергается;
- Увеличивает расход топлива;
- Двигатель «выдается» на низких оборотах;
- Выхлоп становится более токсичным.
Профилактика
Приостановив неисправность, необходимо при помощи мультиметра проверить сопротивление высоковольтных проводов. В левое отверстие необходимо проложить черный провод, в обследовании — красный. Мультиметр должен быть в синей позиции 20, щупы замыкаются между собой.
Если сопротивление равно нулю, значит все в порядке. Если стрелка мультиметра показывает 1, значит сопротивление выше предельного, такой провод подлежит замене. Кроме того, обратите внимание, что разные провода могут давать разное сопротивление из-за разницы в длине.
Так как инкрементная среда агрессивна, даже если один из их высоковольтных вызывает повышенное сопротивление, необходимо поменять все провода на ВАЗ 2110, потому что если он подведен, то скоро пришлют и другие.
Заменить своими руками несложно, нужна только аккуратность и аккуратность. И еще раз напоминаем: прежде чем лазить по проводам, выключите аккумулятор!
Настоящее Схемы электрооборудования ВАЗ 2110 1996+ г.V. Для более активных водителей на базе этого двигателя была разработана 16-клапанная версия с бензиновым двигателем рабочим объемом 1,5 литра. Обладая мощностью 94 л.с., с двухвинтовой головкой цилиндров, обеспечивающими повышенные показатели мощности (69 кВт) и крутящего момента (130 Нм), позволяя автомобилю иметь улучшенные динамические качества. Автомобиль, оснащенный таким мотором, имеет индекс ВАЗ 21103, максимальная скорость составляет 185 км / ч, а разгон до «сотни» занимает всего 12,5 сек. Эти модификации на дорогах встречаются все чаще, как и 2-литровые 150-сильные версии ВАЗ-21106 STI — достаточно экономичные, выразительные и дорогие.По-прежнему двигатель Opel X20xEV с двухступенчатой 16-клапанной ГБЦ и системой точечного впрыска позволяет разогнаться до 205 км / ч. С его помощью стокилометровый барьер преодолевается всего за 9,5 с. Еще есть боевой 240-сильный (!) ВАЗ-21107 «Ралли» 2.0 V16 со специальной трубчатой рамой безопасности, встроенной в кузов. Его максимальная скорость составляет 220 км / ч, а время разгона до 100 км / ч занимает всего 7 с! Но он сделан им, только по заказу спортсменов, и он того стоит — как раллийные иномарки: дорого (22 тысячи долларов).Надо сказать, что некоторые отечественные тюнинговые фирмы создают (даже без использования дорогих импортных комплектующих) вполне удачные скоростные или, наоборот, комфортные версии «Десятки», динамика которых значительно улучшена во время движения.
Есть полноприводные версии «десятки» спортивной или переплетенной направленности, но они либо экспериментальные, либо малосекторные, а потому дорогие.
Схема соединений системы генератора
1 — аккумуляторная батарея;
2 — генератор;
3 — монтажный блок;
4 — выключатель зажигания;
5 — контрольная лампа зарядки аккумуляторной батареи расположена в комбинации приборов
Подключение стартера — схема
1 — аккумуляторная батарея;
2 — генератор;
3 — стартер;
4 — Замок зажигания
Схема системы зажигания ВАЗ 2110
Электрические схемы ВАЗ 2101 и 2102 несколько отличаются от схемы ВАЗ 21011 и 21013, для этого мы разместили несколько схем для лучшего ознакомления, с подробным обозначением всех узлов.
- 1. Фары
- 2. Пинтарники
- 3. Указатели боковых поворотов
- 4. Аккумулятор
- 5. Реле контрольной лампы заряда АКБ
- 6. Генератор
- 7. Стартер
- 8. Освещение Системное освещение
- 9. Свечи
- 10. Датчик контроля давления масла
- 11. Датчик индикатора охлаждающей жидкости
- 12. Звуковые предупреждающие сигналы
- 13. Распределитель зажигания или трамблер
- 14.Очиститель лобового стекла Elvigator
- 15. Датчик аварийной скорости падения тормозной жидкости
- 16. Катушка зажигания или бабина
- 17. Регулятор напряжения
- 18. Выключатель очистителя лобового стекла находится в насосе омывателя
- 19. Обогреватель салона Elvigator
- 20. Лампа освещения Бардац
- 21. Резистор Extreme, отопитель Elvigator салон автомобиля
- 22. Розетка для переноски
- 23. Переключатель типа ручных тормозов
- 24. Выключатель стоп-сигнала
- 25.Уровень проблем с реле
- 26. Выключатель обратного света
- 27. Предохранитель
- 28. Реле ручного тормоза .
- 29. Реле очистителя лобового стекла
- 30. РЕЖИМЫ РЕЖИМОВ РЕЖИМОВ СОВМЕСТИМЫХ РЕЖИМОВ
- 31. Прикуриватель .
- 32. Выключатель осветительных приборов расположен в стойках задних дверей
- 33. Выключатели освещения автомобильного освещения, расположенные в стойках передних дверей
- 34. Плафоны .
- 35. Замок или выключатель зажигания
- 36.Комбинация приборов
- 37. Указатель температуры охлаждающей жидкости .
- 38. Здоровье далеко Свет Далеко
- 39. Наружное освещение
- 40. Поворотные указатели поворота
- 41. Проверка заряда аккумулятора
- 42. Проверка давления моторного масла автомобиля
- 43. Ручной тормоз и уровень тормозной жидкости
- 44. Указатель уровня бензина в баке автомобиля
- 45. Контроль предельного запаса топлива
- 46. Светильник приборный комбинированный
- 47.Выключатель звукового предупреждающего сигнала
- 48. Выключатель фар .
- 49. Выключатель указателей поворота
- 50. Выключатель наружного освещения
- 51. Переключатель приборной панели .
- 52. Выключатель очистителя лобового стекла
- 53. Датчик индикации уровня и запаса топлива в баке автомобиля
- 54. Лампа освещения багажного отделения
- 55. Фонари задние
- 56. Освещение Освещение Освещение
- 57. Лампа освещения заднего хода автомобиля
- 58.Колодки заглушек, задняя балка проводов, конструктивное расположение на ВАЗ 2102
- 59. Освещение потолка задней части автомобиля ВАЗ 2102
Блок предохранителей ВАЗ 2106 — одно из самых простых устройств, от которого зависит работа электрооборудования автомобиля. Для его нормального функционирования владельцам «шестерки» необходимо знать, в каком оборудовании отвечают предохранители и как они заменяются. В процессе работы «шестерки» в электрочашках часто возникают неисправности, которые сложно выявить, если нет электронной почты.Схема электрооборудования Авто. Электросхема необходима для ремонта осветительных приборов, сигнализации, замка зажигания, другого оборудования. Без него не обойтись в случаях, когда нужно подключить дополнительные устройства.
Схема электрооборудования ВАЗ-2106 1 — Фары; 2 — кофточки; 3 — боковые указатели поворота; 4 — аккумуляторная батарея; 5 — соответствующие устройства сигнализации заряда аккумуляторной батареи; 6 — Реле включения ближнего света фар; 7 — Реле включения дальнего света фар; 8 — лампа осветительного освещения; 9 — электромагнитный клапан карбюратора; 10 — стартер; 11 — генератор; 12 — Электродвигатель вентилятора охлаждения двигателя; 13 — гудок; 14 — датчик включения электродвигателя вентилятора; 15 — свечи зажигания; 16 — датчик сигнала недостаточного давления масла; 17 — датчик давления масла; 18 — датчик недостаточного уровня тормозной жидкости; 19 — датчик указателя температуры охлаждающей жидкости; 20 — электродвигатель очистителя лобового стекла; 21 — катушка зажигания; 22 — распределитель зажигания; 23 — электродвигатель омывателя лобового стекла; 24 — реле электродвигателя вентилятора; 25 — регулятор напряжения; 26 — Реле-прерыватель очистителя лобового стекла; 27 — Блок дополнительных предохранителей; 28 — блок главных предохранителей; 29 — выключатель света заднего хода; 30 — выключатель стоп-сигнала; 31 — розетка для переносной лампы; 32 — выключатель реле сигнализации и указателей поворота; 33 — Выключатель электродвигателя отопителя; 34 — добавочный резистор электродвигателя отопителя; 35 — электродвигатель отопителя; 36 — Лампа освещения бадбокса; 37 — часы; 38 — прикуриватель; 39 — выключатель аварийной сигнализации; 40 — выключатель крышки воздушной заслонки карбюратора; 41 — выключатель освещения приборов; 42 — Выключатель очистителя и омывателя лобового стекла; 43 — выключатель фар и указатели поворота; 44 — выключатель зажигания; 45 — Выключатель заднего противотуманного фонаря; 46 — выключатель наружного освещения; 47 — Выключатели светового освещения кабины, расположенные в стойках передних дверей; 48 — Переключатели потолочного освещения салона, расположенные в стойках задних дверей; 49 — плафоны освещения потолка; 50 — выключатель переключателя стояночного тормоза; 51 — Устройство осветительной лампы; 52 — указатель уровня топлива с сигнализацией резерва; 53 — указатель температуры охлаждающей жидкости; 54 — указатель давления масла с предупреждением о недостаточном давлении; 55 — сигнализатор включения стояночного тормоза; 56 — сигнализатор заряда аккумулятора; 57 — Сигнализация закрытия заслонки воздушной заслонки карбюратора; 58 — тахометр; 59 — Сигнализатор включения; 60 — сигнализатор поворота указателей поворота; 61 — сигнализация включения дальнего света фар; 62 — спидометр; 63 — сигналка недостаточного уровня тормозной жидкости; 64 — задние фонари; 65 — осветительные огни осветительные огни; 66 — датчик указателя уровня и запаса топлива; 67 — лампа освещения багажника; 68 — задний противотуманный фонарь; 69 — Выключатель звукового сигнала; А — условная нумерация заглушек в блоках очистителя лобового стекла и его реле; Б — нумерация клемм в блоке отключения сигнализации 32 указателя тревоги и вращения; Б — нумерация клемм в блоке выключателей 39 сигнализации
Проектирование электромонтажа электрооборудования «Шестерка»
Основная особенность, которой обладает схема ВАЗ 2106, это то, что все выводы узлов и приборов со знаком минус напрямую связаны с «массой» кузова автомобиля.Электропроводка «Шестерка» по своей конструкции имеет следующее решение.
Учитывая особенности EL. Схема подключения «Шестерка», важен следующий момент: Замена любой детали должна производиться после снятия минусовой клеммы с аккумуляторной батареи. Если при ремонте прикоснуться к клеммам и корпусу автомобиля металлическими инструментами, то произойдет короткое замыкание. Специально для возможных внештатных ситуаций, независимо от положения ключа в замке зажигания, следующее электрооборудование:
- эл.Цепочка Classone;
- лампы подсветки и стоп-сигналов;
- сигнализация;
- прикуриватель;
- розетка.
Если вы обслуживаете собственный автомобиль, то периодически сталкиваетесь с проблемой выхода из строя той или иной электросистемы. Разобрать поломку вам могут помочь. Схема подключения. Имея электрический молоток ВАЗ 2106, можно прозвонить цепь вольтметром, определить место поломки и отремонтировать технику.
Пробой места поиска должен начинаться от замка зажигания.
















Фары освещения.
Розетка штепсельная для переноски
Контролька ручного тормоза и уровня тормозной жидкости в бачке