Схема адаптер k line usb: USB k-line FT232RL » Shemotehnik.ru
Самый простенький K-line адаптер на двух транзисторах… — Приборы — Автомобиль
По просьбе некоторых читателей, решил выложить самый простой наверное что есть K-line адаптер через сом-порт ( в этом случаи USB — вариант не берётся) . Это отличный и проверенный адаптер, его достоинства; дешёвый, простенький и может хорошо ковыряться в мозгах вашего авто 🙂 В данном случаи берётся только K-линия, Л-линия нам не нужна.
Сам адаптер собран всего на двух транзисторах, вот схема- проще не найдёте…
Сперва я делал тестовый вариант K-line адаптера
Так сказать начинал с экспериментов на макетке собирал всё как попало, главное чтобы держалось и детали подходили, некотрых деталей не было, к примеру вместо конденсатора о.47 мкф поставил 220 нф , но параллельно…ну и так дальше.
Переменник взял на 500 Ом, вот какая чудо-плата сперва получилась 😉
Ну что ж надо проверить работоспособность данного девайса…
Как проверить адаптер без подключения к авто?
Итак сперва качаем софтинку CheckIt 3.
К компьютеру подключаем наш адаптер и подаём на него 12 вольт. Делаем именно в этой последовательности, иначе можно спалить Сом-порт. Саму К-line не подключаем, так как мы же не подключились к авто.
Интерфейс DOS-овский, давим любую кнопку нажимаем). Затем — «пропустить». Опять давим любую кнопку и о чудо )
Попадаем в меню, где методом тыка (проб и ошибок — интуитивно) находим test\serial ports\com1
Затем Нажимаем Enter
Пойдет тест порта, если конечно всё вы собрали правильно. Сначала тест пойдёт на скорости 300 бит в сек, потом 1200, 4800, 9600, короче перебераются все скорости.
вот пример теста на скорости 300 (бит\сек)
Если тест прошел на скоростях 300 и 1200 бит (бод), нам этого вполне хватит чтобы наш адаптер работал нормально.
Если тест не пройдёт то вылезит окно типа такого…
Это говорит о том что неправильно собран адаптер или нет питания на адаптере. Ну ладно с тестом покончено, ( это было так, можно сказать познавательно) теперь перейдём к рабочей версии адаптера.
Рабочий вариант K-line адаптера
Всё что нам понадобится ….
Список деталей:
транзисторы: КТ315 или S9014 (2шт)
резисторы 3кОм (3шт) — это R2, R3, R6 и 10кОм (2шт) — это R1, R5
светодиод подойдёт любой (если нет можно не ставить вообще)
диод любой маломощный типа 1n4148
Кондёр на 470 мкф , ну и клемник и разъём DB9
Рисуем сначала печатку в Спринте…
Как видно, печатка для двухстороннего текстолита. Второй слой используется лишь для крепления печатки к контактам разъема…кому лень делать можете скачать ))) ЗДЕСЬ…
2. Печатаем на принтере на глянце несколько рисунков, чтобы выбрать хороший. Все варианты были нормальными — делаем три печатки.
Если есть какие косяки подправляем маркером. перед травлением.
Дальше, счищаем тонер, лудим, сверлим, подтачиваем, паяем, счищаем флюс.
Собираем всё на плату, в смысле припаиваем радиоэлементы, трудная эта работа — припаивать мелкие элементы, особенно если ты делаешь это в первый раз, но зато потом можешь с гордостью насладиться своим творением 🙂
Транзисторы можно брать любые бинолярные п-р-п …например Кт 315 или кт 3102 и т.
 д. Можно также взять и SMD-транзисторы…
Потом берём термоусадку на 16 мм аккуратно одеваем на адаптер и сушим феном, получается вполне нормально.
Да и ещё…при отладке использовал резистор на 500 ом (на схеме 1ком), а на плате заменил на обычный с номиналом в 510 Ом. Но на печатке его место обозначено как 470 ОМ.
Но вот и всё, адаптер готов, желаю и вам того же…
DIY K-Line converter
DIY K-Line converterМои наработки плюс информация, которой не хватало для старта работы с диагностическим разъемом.
 Простейший и незатратный способ самому начать диагностику – это спаять адаптер, который подключался бы
к диагностическому разъему автомобиля. В сети выложено немало
схем таких адаптеров, в основном – для COM порта, отличающихся элементной базой и состоящие из не более, чем десятка компонентов.
То, что на современных ноутбуках такой порт (другое наименование – RS-232) напрочь отсутствует, а в настольных компьютерах
встречается как исключение – не должно смущать, поскольку давно созданы китайские переходники USB->COM.
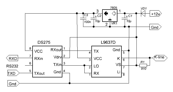
Так как ничем другим, кроме изменениея уровней сигнала, такие «адаптеры» не занимаются, а повышенных требований к длительности фронтов импульсов нет (скорости то маленькие!), было решено не заморачиваться и слепить простейший преобразователь на 2-х транзисторах из того, что было под рукой. Вся «начинка» уместилась в корпус от стандартного разъема типа «DB9», а плата вытравлена по лазерно-утюжному методу. Поиск ответной фишки для диагностического разъема грозил вылиться в проблему, поэтому попутно была вытравлена еще одна плата, куда были впаяны плоские контакты от какого-то разъема.
На рисунках все, что относится к части USB (речь о которой пойдет далее) показано слева, а то, что к самому преобразователю K-Line – справа.
Схемы
Топология плат
 Работоспособность схемы без автомобиля проверяется просто – надо воткнуть адаптер в COM порт компьютера
и подать на 16-й контакт  разъема (от внешнего блока питания) напряжение +10.
 ..15В (относительно контакта 4).
Далее надо запустить любую терминальную программу, не забыв правильно установить в ней номер используемого COM порта, и попытаться 
передавать набираемые с клавиатуры символы. Эти символы должны приниматься обратно, т.е. будет реализован режим «зеркало».
Если подключить осциллограф к контакту 7 разъема, то можно наблюдать кодовые посылки, соответствующие пересылаемым символам.
При отключенном питании такого «зеркала» не будет.
 Иногда перед проверкой работоспособности адаптера бывает полезно проверить работоспособность COM порта. Для этого надо
соединить контакты 2 и 3 разъема перемычкой (можно просто кончиком отвертки) и проверить наличие «зеркала». 
При использовании переходников «USB-COM» (не забудьте установить драйвер!) в системе появится виртуальный COM порт,
а его номер можно посмотреть в разделе «Мой компьютер–>Свойства–>Оборудование–>Диспетчер устройств–>Порты(COM и LPT)».
При необходимости номер можно переназначить, зайдя в раздел «Свойства» порта.
Из всех перепробованных во Windows XP диагностических программ запустились только две – KWP_D.EXE и OpenDiag.exe. Чтобы запустить AKM.exe (которая работает в сеансе MS DOS), надо немного «пошаманить» с ее ярлыком запуска – во вкладке «Память» поставить все параметры на «Авто». При своем запуске эти программы сами делают тест на «зеркало», и в случае его непрохождения выводят сообщение «нет адаптера». Некоторые автомобили при выключенном зажигании не подают питание +12В на колодку диагностики, поэтому для успешного прохождения теста указанные программы следует запускать после включения зажигания на автомобиле.
 НО! Ни одной из программ связь с ЭБУ (электронным блоком управления автомобиля) установить не удалось!. В моей машине стоит блок,
отмаркированный «М10.3» (что означает модель ЭБУ МИКАС 10.3), а номер прошивки указан «M114151SS13307», что означает МИКАС 11.4 (цифры «114» в обозначении). Выбор в программах и того, и другого типов, результата не дал. Пришлось лезть в дебри.
А дебри таковы.
ЭБУ использует нестандартную (для PC) скорость обмена данными 10400 бод (10400 бит в секунду). А чтобы блок вышел на связь, требуется специальная инициализирующая процедура – вначале надо «притянуть» линию K-Line к земле на 25 мс, затем «отпустить» на 25 мс (уровень при этом возвратится к +12В) и сразу после этого подать цепочку из 5 байт: «81», «10», «F1», «81», «3».
 Зная, как плохо обстоят дела с таймингами во Windows, я решил посмотреть, что же мы имеем по факту (вдруг придумано
что-нибудь особенное?). Но чуда не узрел. Все тот же разброс задержек, из которого программисты выпутываются тем, что вводят несколько
попыток инициализации связи.
Тем не менее программа OpenDiag.exe (при выборе «Метода 2») показала абсолютно точную воспроизводимость интервалов, что наводит на мысли об использовании некоего трюка. Такой «трюк» описан в Интернете – надо просто послать в COM порт байт со значением «F0» («11110000» в двоичном представлении) и скоростью 200 бод.
Попутно выяснилось назначение некоторых параметров программы OpenDiag:
«TiniL/TiniH» – длительность интервалов инициализирующего импульса в миллисекундах,
«Цикл инициализации» – прогамма может делать несколко попыток, варьируя длительность в большую или меньшую сторону,
(0 – без вариаций, 1 – плюс две вариации в +1 и -1 мс, 2 – плюс еще две вариации в +2 и -2 мс и т.д.),
«кол-во попыток соединения» – параметр, определяющий количество таких «Циклов инициализации»,
Кнопка «Подстройка инициализации» – определяет оптимальную длительность импульса, делая попытки, начиная с малых значений.
 Но самое интересное оказалось связанным со скоростью обмена. При использовании переходника «ATEN UC-232A» эта скорость
оказалась не 10400, а 14286 бод, что почти в 1.5 раза выше! Это все и объясняет. Позже выяснилась причина – см.
 примечание ниже.
В обдумывании того, какой переходник следует использовать, я наткнулся на статью журнале «Радио» «Универсальный автомобильный USB-адаптер» («Радио» №7, 2010, стр.62). В этом устройстве использована микросхема FT232BL, которая, по всей видимости, может обеспечить требуемые скорости обмена.
Поскольку такие микросхемы давно лежали у меня (когда-то были заказаны), то собрать «довесок» было делом недолгим.
Результаты работы с программой OpenDiag.exe (длительности импульсов) сведены в таблицу:
| А д а п т е р | «Метод 1» | «Метод 2» 22мс | «Метод 2» 23мс | запрос «81,10,F1,81,3» | 
| 1. нет (PC COM1) | 25/5…10 мс | 22/22 | 23/23 | 10481 бод | 
2.  ATEN UC-232A (COM3) | 17/ 40..43 мс | 25/24 | 26/25 | 14286 бод (!) | 
| 3. ATEN UC-232A (COM3) с правкой реестра | 25/ 32..35 мс | 25/24 | 26/25 | 10425 бод | 
| 4. FTDI FT232B (COM3) | 25/13…32 мс | 25/24.5 | 26/25.5 | 10638 бод | 
При нажатии на кнопку «Подстройка инициализации» («Метод 2») программа OpenDiag определила оптимальный «TiniL/TiniH»=18. С этим значением блок («Микас 10.3») стал благополучно выходить на связь.
Небольшие пояснения к дизайну.
1. Маркировка элементов не проставлена – сверяйтесь со схемой.При пайке устройства была поставлена «сопля» с С5 на землю, в результате чего устройство не опознавалось, а микросхема жутко грелась.
2. Форма и габариты плат выбраны под имевшиеся корпуса разъемов.![]()
3. Платы вставляются между рядами хвостовиков контактов разъемов DB9 и удерживаются пайкой.
4. Разъем USB заводится с помощью шнурка-кабеля. Обратите внимание на порядок контактов 1-3-2-4 (к ним подходят провода USB кабеля стандартных цветов : красный, зеленый, белый и черный соответственно). Сделано это из-за удобства трассировки.
5. Кварц 6 МГц запаивается с обратной стороны платы. Конденсатор C1 на плате адаптера также запаян с обратной стороны.
7. На плате преобразователя USB индикация питания (R1, HL1) не предусмотрена. Не хватило места.
8. Резисторы на плате адаптера – размера 0805, на плате преобразователя USB – размера 0603, т.е. меньше, иначе не поместились.
9. У ответной фишки для диагностического разъема запаяны только используемые контакты.
10. Схема USB части позаимствована из «Радио», с сохранением позиционных обозначений.
 При устранении дефекта все нормально заработало – респект фирме FTDI за живучесть продукции.Примечание.
В преобразователях, выполненных на базе микросхемы CP2102, задание скорости обмена сделано несколько маразматично: вместо вычисления нужного коэффициента деления и записи его в соответсвующий регистр микросхемы ввели таблицу фиксированных коэффициентов деления для каждой скорости. Перепрограммировать эту таблицу может только специальная утилита (CP210xBaudRateAliasConfig.exe).
 Преобразователь «ATEN UC-232A» выполнен на базе другой микросхемы. Его корпус неразборный, сформован из полупрозрачного силикона. Микросхема хоть и просматривается, но маркировка не видна.
При «копании» драйверов всплыла строчка «PL2303», что говорит об использовании соответствующей одноименной микросхемы. 
Для нее придумано такой решение:
 в секцию реестра Windows [HKEY_LOCAL_MACHINE\SYSTEM\CurrentControlSet\Services\Ser2pl]
 надо добавить строковый параметр  «ExtBaudrate»=»46,2147487743 200,2147487349 10400,2147485840 10472,2147485839»,
который добавит четыре новых скорости – 46, 200, 10400 и 10472 бод (изменения вступят в силу после переподключении адаптера).
 После такой правки этот преобразователь «подружился» с ЭБУ.
 http://antiradio.narod.ru/raznoe/k_line/
Дата создания документа: 10.06.2015. Последнее обновление: 25.07.2018.
K-Line адаптер своими руками
Здесь я расскажу как делал адаптер… Вы скажете что это не ново и таких схем дофига, правильно на схему я не претендую, а вот несколько фитч которые облегчат жизнь я все же покажу. Из схем было решено выбрать схему на max232 и 555лн1. Наиболее симпатична мне была схема на компаратере lm339, но в нашей дыре я его не смог найти, да и с логикой было напряженно, автор рекомендует 74ALS04 (74LS04, К555ЛН1, К1533ЛН1), и их как оказалось тоже не так то просто разыскать а вот пошарив немного в инете я нашел что 155-серия тоже вполне может подойти, вот тока кушает она поболее, но так как питание мы будем брать от прикуривателя то нам начхать на это.
 Я
немного дополнил схему автора, все дело
в том что обычный клайн адаптер имеет
12-ти вольтовые уровни, а мой блок ALDL
имеет 5-ти вольтовые, и уж очень хотелось
иметь универсальный адаптер, в инете я
нашел схему на транзисторах где в
качестве нагрузочного резистора
использовался резистор в 10кОм и схема
работала прекрасно с ALDL-блоками, вот
так и решено было сделать.
 Для остальных
блоков номинал нагрузочного резистора
должен быть от 510Ом до 2кОм, вот это и
возложено было на переменный резистор,
резистор в 10кОм блокируем выключателем.
Более подробно, про настройку резистора
можно посмотреть 
в описании автора: (На схеме его номинал 2 Ком, это оптимально для тестирования и программирования блоков «Январь», для «Бошей» его номинал около 1 Ком, для GM — больше 2 Ком. От себя замечу, что номинал резистора применяю 510 -560 Om, как на «больших» схемах, это обеспечивает ток линии около 20 mA, что повышает помехозащищенность. В GM, повторюсь, нагрузочный резистор установлен в блоке и линия диагностики использует пятивольтовые уровни, внешний нагрузочный резистор в адаптерах ALDL не используется) http://sim.vistcom.ru
 Теперь
собственно перейдем к изготовлению
платы, решил я заморочиться и вытравить
ее, и вот тут первая фишка изготавливать
мы будем при помощи фото печати на
лазерном принтере с последующим переносом
утюгом.
 Так вот печатать
мы будем на самоклейке а точнее на
бумажке которую мы обычно выкидываем
на той самой гладкой стороне,
выкидывать на этот раз
придется самоклейку 🙂 вырезаем кусок
форматом 210х100 правим его что бы края не
загибались и аккуратно ложим в принтер (не надо подсовывать
не какие листки и на что либо его
приклеивать поверьте мне все прекрасно
напечатается и ни чего не зажует),
далее обезжириваем плату, печатной
стороной прислоняем к медному слою
текстолита бумагу от самоклейки(не
забываем в программе сделать зеркальное
отражение) и надавливаем
горячим утюгом слегка поглаживая секунд
30 затем даем остыть так что бы нормально
терпела рука и аккуратно отклеиваем.
Если все сделали правильно то рисунок
100% должен перенестись на медь, если нет
то ацетон вам в помощь и повторяем 🙂 
 Рисунок
перенесли Теперь настала очередь
травления, мне подфортило у меня были
старые запасы хлорного железа,его
разводим 1:3 можно купоросом и солью их
1 часть купороса 3 соли.
 Не знаю как вы а
я торопыжка мне нетерпиться все и сразу
поэтому И вот тут фитча №2 из школьного
курса химии мы знаем что температура
ускоряет реакцию ну вот и воспользуемся
этим сделаем «тазик в тазике :)» 
травление идет в разы быстрее.
Плата готова промываем смываем оставшейся запекшийся тонер при необходимости лудим дорожки.
И еще одна фитча у вас есть микромотор с цанговым зажимом и со сверлом 0.6 нету? И у меня нет, а скажите а на хрена вообще сверлить дырки почему нельзя обычные детали припаять как SMD те бескорпусные? Кто вообще это сверление придумал :). Экономим кучу времени и нервов, нам плату не в космос запускать и электролитов на многофарад у нас нет тоже, так что остальное выдержит. У меди и припоя эффект смачивания достаточно высок так что детали будут припаяны качественно.
Выкладываю схему под «утюг» ну и вот как это выглядит в законченом варианте:
Теперь
немного о том «что где взять?».
 Шнурок
для ком порта был взят от  бесперебойника,
можно так же в магазине спросить
нуль-модемный кабель.  Разъем для
прикуривателя позаимствовал от инвертора
на 220, один фиг рекомендуют подключать
к аккумулятору .  Переключатель и сам
разъем питания который в основном
использовался для наладки, позимствовал
от сгоревшего адсл-модема. Так как разъем
GM не представляется возможным найти,
да и выше мы говорили об универсальном
блоке, то заместо его мы использовали
два отрезка «стальки» от «гофры» длинной
70мм-90мм к ним припаиваем провода и
одеваем изоляцию от провода на 220  2,5
квадрата. Теперь самое интересное, для
диагностики хотелось использовать свой
нетбук, ком порта на котором естественно
нет. Переходник  был приобретен
«Кабель-адаптер
Defender USB AM —> COM9M 1.8м. <USR 130>»
для того что бы он правильно работал
нужно в реестр
прописать:
[HKEY_LOCAL_MACHINE\SYSTEM\CurrentControlSet\Services\Ser2pl]
«ExtBaudrate»=»8200,2147485879»
Если
параметра нет его надо создать.
 Для
ленивых сам
драйвер и
файл реестра. 
И еще одна маленькая изюменка. Дело в том что мой блок 16209689 KDAC ZXWU SW работает на нестандартной скорости 8200.
Для диагностики использую две программы research_daewoo и daewoo_scaner, так вот сначала нужно запустить research_daewoo а только потом daewoo_scaner, так как первая умеет выставлять на порту «хитрую» скорсть 🙂
Ну и напоследок фото моего разъема
Если используете питание от прикуривателя землю можно не подсоединять.
У меня все это работает на DAEWOO NEXIA 1.5l 75лс 2004г. ЭБУ 16209689 KDAC ZXWU SW
Всем удачи, надеюсь что мои творческие муки будут кому то полезны!
PS не забываем припаивать перемычки, делалось все наскоряк так что без косяков не обошлось 🙂
Перемычка которая соеденяет 5 ногу лн и 12-ую макс
Перемыка 1-ая нога лн и точка между диодом и резистором
KKL OBD2 USB интерфейсный кабель с FTDI FT232RL
 USB-интерфейс VAG KKL — это экономичный инструмент для диагностики и перепрограммирования, совместимый с протоколами связи ISO9141 и KWP2000, используемыми во многих автомобилях и мотоциклах, и совместимый с широким спектром диагностического программного обеспечения сторонних производителей.
 Наши высококачественные интерфейсы VAG KKL используют надежный и широко поддерживаемый чип  FTDI FT232RL  и имеют наиболее подключенные контакты внутри. Остерегайтесь других кабелей VAG, которые этого не делают!
Совместимое ПО:
- VCDS-Lite для Volkswagen, Audi, SEAT, Skoda (см. характеристики ниже)
 - TuneECU (Windows): для Ducati, Triumph, KTM, Aprilia Benelli, Moto Guzzi, Moto Morini
 - TuneECU (приложение для Android): для Ducati, Triumph, KTM, Aprilia Benelli, Moto Guzzi, Moto Morini
 - Multiecuscan (Windows): универсальный (см. список поддерживаемых автомобилей на веб-сайте)
 - ГуззиДиаг
 - JPDiag
 - ТюнерПро
 - VW-Инструмент
 - АльфаДиаг
 - www.obd-2.com
 - BMW Карта
 - Считыватель информации иммобилайзера APR
 - FreeDiag (на базе Linux)
 - REVO Lemmiwinks ЭБУ Тюнинг
 - И многое другое!
 
Особенности:
- Полностью поддерживает одиночные и двойные K-LINES
 - Использует высококачественный и надежный набор микросхем FTDI FT232RL
 - Совместим со многими сторонними диагностическими программами
 - Совместимость с GuzziDiag, JPDiag и TuneECU для диагностики и переназначения ЭБУ
 - Включает наше простое руководство по установке драйвера
 -  Совместимость с программным обеспечением VCDS-Lite для Windows XP 7 8 8.
 1 10 (32/64 бит) - Совместим с большинством моделей VW, Audi, SEAT и Skoda 1990-2004 годов, но НЕ работает ни с одной моделью, требующей прямого подключения CAN для диагностики
 - Чтение/удаление кодов неисправностей DTC, чтение модулей управления, кодовых модулей, адаптаций
 
Подключенные контакты:
- PIN 2: SAE J1850 (ПОЛОЖИТЕЛЬНЫЙ +)
 - PIN 4: Масса шасси
 - PIN 5: Сигнальная земля
 - КОНТАКТ 7: K-LINE ISO9141
 - PIN 10: SAE J1850 (ОТРИЦАТЕЛЬНЫЙ -)
 - PIN 15: L-LINE (KWP2000)
 - PIN 16: питание +12 В
 
Технические характеристики:
- Интерфейс USB: 2.0 Диагностический интерфейс
 - : OBDII 16 Pin
 - Напряжение: 12 В
 -  Операционная система: Windows XP 7 8 8.
 1 10 32/64 бит 
Программное обеспечение VCDS-Lite 1.2:
Функции, доступные для VCDS-Lite (незарегистрированная бесплатная версия):
- Информация о блоке управления
 - Чтение диагностических кодов неисправностей*
 - Сброс диагностических кодов неисправностей
 - Контроллер закрытия
 - Кодовый модуль
 - Блоки измерения (чтение различных данных модуля управления в режиме реального времени)
 - Регистрация данных*
 - Отдельные показания
 - Адаптации*
 - Логин
 - Просмотр готовности
 - Поддержка двойной K-линии
 - Поиск модуля управления
 
*Ограничения бесплатной версии:
- VCDS-Lite будет отображать все номера диагностических кодов неисправностей, но может не предоставлять информацию для всех диагностических кодов неисправностей
 - Стоп-кадр недоступен
 - Доступны адаптации первых 9 каналов адаптации
 - Функция сохранения адаптации и справочные таблицы недоступны
 - Регистрация данных только для групп 001-025
 
Автомобили, совместимые с программным обеспечением VCDS-Lite:
 Совместим с большинством моделей VW, Audi, SEAT и Skoda 1990-2004 годов, но  НЕ  работает с любой моделью, требующей прямого подключения CAN для диагностики.
K+DCAN с контактами переключателя 7 и 8: хорошо или нет?
Что такое кабель K+DCAN с переключателем:
Это USB-кабель BMW K+Dcan, версия 2018 года.
Подробнее… Смотрите здесь:
Добавлен новый переключатель по сравнению с традиционным кабелем Dcan.
 переключатель на этом кабеле на ЛЕВЫЙ для 7-контактного, на ПРАВЫЙ для 8-контактного 
  8-контактный для связи K-LINE  (старые кабели DCAN не могут этого сделать) для BMW с 1998 по 2008 год 
 Загрузить изображения…
Традиционный кабель Dcan:
http://www.obdii365.com/wholesale/bmw-inpak-can-with-ft232rl-chip.html
Новый кабель K+Dcan с контактами переключателя 7 и 8 и чипом FT232RQ:
http://www.obdii365.com/wholesale/bmw-inpa-k-can-with-ft232rq-chip.html
Зачем нужны контакты 7 и 8 K+Dcan?
 Я предполагаю, что причины этого в том, что в автомобилях DCAN один контакт используется для подключения к сети Ethernet, а другой — для линии передачи данных K — на автомобилях линии K оба контакта подключены к линиям данных K, и создание схемы режима переключения будет стоить дороже.
 чем интерфейс стоит.Два наиболее разумных варианта связаны с аппаратным обеспечением: —
- Используйте адаптер (например, продаваемый One Stop electronics), который внутренне соединяет контакты 7 и 8 или…
 
- Установите небольшой переключатель на разъем OBD вашего адаптера, который может шунтировать (для линии K) или разделять (для DCAN) соединение между контактами 7 и 8.
 
Как использовать/переключить/подключиться к контактам 7 и 8 K-Line или Dcan?
В: Значит, вам нужно физически подключать (K-Line) или отключать (DCAN) контакты 7 и 8?
A: Да, я думаю, что соединение с помощью пайки — плохой вариант, так как это ограничивает полезность интерфейса, у меня есть адаптер, но я думаю, что переключатель будет лучшим вариантом.
  В: Что еще нужно сделать для переключения с K-Line на DCAN, а затем отключить контакты 7 и 8? К сожалению, у меня нет   модели DCAN.
 
A: Как только вы подключите интерфейс к автомобилю и компьютеру, запустите DCAN.exe для настройки скорости связи. Я использовал свой интерфейс K+DCAN только с автомобилями DCAN.
В: Нужно ли делать это каждый раз, когда я хочу использовать DCAN, или интерфейс остается в режиме DCAN после запуска DCAN?EXE?
A: Вам нужно запускать его только тогда, когда вы переключаетесь между режимами. Если вы запустите его при первом подключении к автомобилю DCAN, ваш компьютер сохранит настройки.
В: Как вернуться к K-Line? Просто подключением двух контактов или требуются дальнейшие действия на компьютере?
A: Раньше у е39 был и OBD порт в салоне и круглый 20 контактный разъем под капотом.
Порт OBD разрешал доступ только к ограниченным модулям, я думаю, что только DME на самом деле.
 Я всегда переключаю свой адаптер K+D CAN между протоколами K и D CAN по мере необходимости, в зависимости от автомобиля, к которому я подключаюсь.
Я использую DOS-версию утилиты DCAN. Как уже упоминалось, если вы используете адаптер только на e39, запустите утилиту один раз, установите адаптер на K CAN и оставьте на этом.
На самом деле, думая об этом, я использую один и тот же адаптер для INPA, DIS и ISID.
С этими кабелями K + DCAN есть две тонкие разные версии: одна с включенным контактом 8, другая с отключенным.Тот, у которого он отключен, идеально подходит для e90 новее 03/07 и той эпохи, эти провода часто поставляются с черным адаптером для повторного включения контакта 8 (просто привязав его к контакту 9), поэтому он также подойдет для e46. /e39/e63 и т. д. Те, у которых активен контакт 8, являются просто более старыми версиями кабеля. В худшем случае вам просто нужно изменить кабель и прикрепить к нему переключатель, чтобы включить / выключить контакт 8 по мере необходимости.
 Наконец-то появилось много дрянных переходных кабелей. Найти хороший может быть сложно.
В: У меня E39 2003 года, поэтому OBD1 больше нет. Как переключать режимы физически? Используете ли вы такой адаптер для подключения контактов 7 и 8?
A: Если вы не планируете использовать кабель на автомобилях с DCAN (2007+), вы можете открыть корпус и припаять перемычку между ними. Когда вы сделаете это, функциональность DCAN больше не будет работать.
Где скачать и как установить программное обеспечение BMW INPA для кабеля K+Dcan:
Посмотрите здесь:
BMW INPA Ediabas v5.0.2 v5.0.6 v6.4.7 скачать: http://blog.obdii365.com/2017/01/18/bmw-inpa-download-install-on-windows-xp-vista-7-8-10/
 Как установить программное обеспечение INPA на  Windows XP  ,   Windows Vista 32bit  ,  ,  ,  ,   Windwos 7 64BIT  ,   Windows 8  ,   Windows 10  пользователей .
(нажмите на операционную систему, чтобы напрямую получить практическое руководство).
Линия
K
Линия K представляет собой тип двунаправленной однопроводной шины, описанной в стандартах ISO 9141 и ISO 14230-1, которая используется в автомобильной промышленности.
Аналогично, линия L представляет собой аналогичный кабель, используемый для установления связи с электронным коммутатором, известной как «фаза возбуждения». После установления диалога линия L постоянно принимает высокое значение сигнала. На практике такая инициализация непривычна, так как в большинстве автомобилей она осуществляется через саму К-линию. Некоторые дорогие автомобили немецкого производителя Audi используют линию L для обмена данными; такое поведение не соответствует стандарту и требует специального адаптера, обычно называемого «KKL» или «K/KL».
Применение
 Линии K и L используются в основном для связи с внешним миром (например, для внебортовой диагностики блоков электронного управления   в мастерской).
 Поток данных в данный момент может идти только в одном из двух направлений. Несмотря на это, основная характеристика, позволяющая нескольким сторонам общаться по одному и тому же кабелю, сохраняется. Типичные двоичные скорости составляют 9600 и 10400 бод.
Шина работает с определенными уровнями сигналов в зависимости от напряжения аккумуляторной батареи автомобиля (обычно Vbat = 12 В и 24 В).Таким образом, логический ноль будет принимать значение 0–30 % от Vbat, а логическая 1 — от 70 до 100 % от Vbat. Точное значение этого процента зависит от направления связи (автомобиль на диагностический тестер или наоборот).
 Шиной можно управлять с ПК через соединения USB и RS232 с помощью адаптера K-line. Поскольку большинство таких адаптеров также поддерживают L-линию, их часто называют «интерфейсом KL». Уровни сигналов можно согласовать с RS232 с помощью интегральной схемы со специально разработанным электронным компонентом (например, Vishay Si9243AEY или Freescale MC33290D).
 Другой уже устаревшей альтернативой являются электронные схемы с оптронами.
Возбуждение
Процесс установления связи между диагностическим тестером и электронным блоком управления известен как «возбуждение» и может осуществляться двумя различными способами. осуществляется с помощью различных средств связи.
Быстрое возбуждение
Это делается путем подачи логического 0 на линию K на 1,8 с ± 0,01 с, после чего может начаться нормальная связь.
Возбуждение 5 бод
Это делается на очень низкой скорости (5 бод) и с использованием пакетов данных, которые преднамеренно нарушают условия четности. После этой фазы общение начинается на конечной скорости.
Другие варианты
Линейка W практически идентична линейке L, но с другой областью применения. Линия W используется для связи между блоком управления двигателем и противоугонной системой и редко используется для передачи диагностических данных.
Протоколы
 KWP 1281 или KWP 2000 в основном используются в качестве протокола связи.
 Преимущество KWP2000 заключается в том, что он позволяет обновлять прошивку  , содержащуюся во флэш-памяти блока управления, посредством диагностического соединения (что на жаргоне известно как «перепрошивка»).
Библиография
- Циммерманн, Вернер; Шмидгалл, Ральф (2010). Шинные системы в автомобильной технике – протоколы, стандарты и программная архитектура (на английском языке) (4-е издание).Видег + Тойбнер. ISBN 978-3-8348-0907-0 .
 - Шеффер, Флориан. Диагностика автомобиля с OBD (включена) . курфюрст. ISBN 978-3-89576-173-7 .
 
внешние ссылки
Связь Интерфейсы 
 Все наши интерфейсы предлагают следующие преимущества перед другими на рынке: 
 Как выбрать интерфейс, который именно для вас: Сначала решите, как вы собираетесь использовать VCDS: 
 Во-вторых, рассмотрите компьютер, который вы планируете использовать: 
 Следующая сравнительная таблица также может справка: 
 
 Audi, которым требуется Две K-линии: 
 «Трудные» старые автомобили 
 Ноутбуки «Хромой порт» 
 «Тугой диагностические разъемы» 
  Пример автомобиля с  плотная отделка вокруг диагностического разъема.  | |||
Страница не найдена — FTDI
 
 
 
 
 CountryAfghanistanAlbaniaAlgeriaAmerican SamoaAndorraAngolaAnguillaAntarcticaAntigua и BarbudaArgentinaArmeniaArubaAustraliaAustriaAzerbaijanBahamasBahrainBangladeshBarbadosBelarusBelgiumBelizeBeninBermudaBhutanBoliviaBosnia и HerzegovinaBotswanaBouvet IslandBrazilBritish Индийский океан TerritoryBrunei DarussalamBulgariaBurkina FasoBurundiCambodiaCameroonCanadaCape VerdeCayman IslandsCentral африканских RepublicChadChileChinaChristmas IslandCocos (Килинг) IslandsColombiaComorosCongoCook IslandsCosta RicaCote D’IvoireCroatiaCubaCyprusCzech RepublicDenmarkDjiboutiDominicaDominican RepublicEast TimorEcuadorEgyptEl SalvadorEquatorial GuineaEritreaEstoniaEthiopiaFalkland (Мальвинские) острова Фарерские IslandsFijiFinlandFrance, MetropolitanFrench GuianaFrench PolynesiaFrench Южный TerritoriesGabonGambiaGeorgiaGermanyGhanaGibraltarGreeceGreenlandGrenadaGuadeloupeGuamGuatemalaGuineaGuinea-BissauGuyanaHaitiHeard и острова Мак-ДональдГондурасГонконгВенгрияИсландияВ diaIndonesiaIran (Исламская Республика) IraqIrelandIsraelItalyJamaicaJapanJordanKazakhstanKenyaKiribatiNorth KoreaSouth KoreaKuwaitKyrgyzstanLao Народной Демократической RepublicLatviaLebanonLesothoLiberiaLibyan арабских JamahiriyaLiechtensteinLithuaniaLuxembourgMacauFYROMMadagascarMalawiMalaysiaMaldivesMaliMaltaMarshall IslandsMartiniqueMauritaniaMauritiusMayotteMexicoMicronesia, Федеративные Штаты ofMoldova, Республика ofMonacoMongoliaMontserratMoroccoMozambiqueMyanmarNamibiaNauruNepalNetherlandsNetherlands AntillesNew CaledoniaNew ZealandNicaraguaNigerNigeriaNiueNorfolk IslandNorthern Mariana IslandsNorwayOmanPakistanPalauPanamaPapua Новый GuineaParaguayPeruPhilippinesPitcairnPolandPortugalPuerto RicoQatarReunionRomaniaRussian FederationRwandaSaint Китса и NevisSaint LuciaSaint Винсент и GrenadinesSamoaSan MarinoSao Томе и PrincipeSaudi ArabiaSenegalSeychellesSierra LeoneSingaporeSlovak RepublicSloveniaSolomon IslandsSomaliaSouth AfricaSouth Грузии &ампер; Южные Сандвичевы островаИспанияШри-ЛанкаSt.
 ЕленаСв. Пьер и MiquelonSudanSurinameSvalbard и Ян Майен IslandsSwazilandSwedenSwitzerlandSyrian Arab RepublicTaiwanTajikistanTanzania, Объединенная Республика ofThailandTogoTokelauTongaTrinidad и TobagoTunisiaTurkeyTurkmenistanTurks и Кайкос IslandsTuvaluUgandaUkraineUnited арабских EmiratesUnited KingdomUnited StatesUnited Штаты Экваторияльная IslandsUruguayUzbekistanVanuatuVatican City State (Святой Престол) VenezuelaViet NamVirgin острова (Британские) Виргинские острова (США) Уоллис и Футуна IslandsWestern SaharaYemenDemocratic Республика КонгоЗамбияЗимбабвеЧерногорияСербияАландские островаБонэйр, Синт-Эстатиус и СабаКюрасаоПалестинская территория, оккупированнаяЮжный СуданSt.Бартелеми Св. Мартин (французская часть) Канарские острова Остров Вознесения (Британия) Косово, Республика Остров Мэн Тристан да Кунья Гернси Джерси 
 
 Больше не показывать это всплывающее окно.
 Эти данные вы предоставили для наших маркетинговых коммуникаций с последними новостями, предложениями, рекламными акциями, событиями и для других целей, описанных в нашей политике конфиденциальности.
Автомобильные системы и протоколы OBD-II
Представьте себе ситуацию, когда вы заказывали товар онлайн и с нетерпением ожидали эту посылку.Каждый день вы наблюдали в окно за прибытием грузовика с доставкой, но, к сожалению, он прибывал позже, чем ожидалось. В таком случае вы бы воспользовались системой отслеживания через свой телефон или компьютер. Тогда вы сможете точно знать, когда прибудет ваша посылка. Или подумайте о другой ситуации, когда вашего ребенка забирает из школы служба продленного дня, и вы задаетесь вопросом, благополучно ли он добрался до места назначения. Если бы была возможность отслеживать транспортное средство через телефон во время путешествия вашего ребенка, это было бы очень полезно.
 К счастью, теперь это стало реальностью и называется системой слежения за транспортными средствами. Система слежения за транспортными средствами использует трекер глобальной системы позиционирования (GPS), подключенный к порту бортовой диагностики (OBD) на транспортном средстве.
 Когда транспортное средство движется, GPS-трекер со встроенной антенной отправляет данные о точном положении транспортного средства, скорости, времени и другую соответствующую информацию на сетевой сервер в режиме реального времени. Назначенные приемники получают эти данные с сервера и преобразуют их в формат, который может использоваться приложениями для настольных компьютеров или смартфонов для отслеживания движения автомобиля.
Порт бортовой диагностики (OBD)
 В последние годы наблюдается распространение электронных технологий в автомобилестроении, и автомобили в целом претерпели значительную эволюцию. Одним из значительных достижений является добавление встроенных компьютерных систем для мониторинга и контроля функций состояния автомобиля, таких как выбросы двигателя, впрыск топлива, скорость движения, антиблокировочная система тормозов и т. д. Компьютер получает информацию от различных датчиков и регулирует необходимые параметры для поддерживать оптимальную работу нескольких функций автомобиля.
 Например, автомобильные компьютеры регулируют параметры двигателя по мере необходимости, чтобы поддерживать выбросы в критических пределах. Существует несколько электронных блоков управления (ECU), предназначенных для критически важных функций автомобиля, и каждый ECU построен на микроконтроллерах. В современном автомобиле около 50 или более ЭБУ. Микроконтроллеры получают данные от датчиков, производят расчеты и при необходимости отправляют команды по каналам связи, таким как популярная сеть контроллеров (CAN).
 Один из блоков управления в современном автомобиле представляет собой компьютерную систему, называемую системой бортовой диагностики (OBD).Поправки к Федеральному закону о чистом воздухе 1990 г. требовали, чтобы все новые автомобили, построенные в 1996 г. или позднее, имели встроенную стандартизированную систему бортовой диагностики. Система, называемая системой OBD-II, генерирует диагностические коды, называемые диагностическими кодами неисправностей (DTC). Если на приборной панели появляется предупреждение о неисправности, инженер по обслуживанию может получить доступ к кодам неисправностей, подключив сканирующий прибор OBD-II через порт OBD-II.
 Доступ к этому порту осуществляется через разъем канала передачи данных (DLC). Эти коды помогают специалистам по обслуживанию быстро определить причину неисправности и быстро и точно устранить ее.DLC представляет собой 16-контактный диагностический разъем, расположенный под приборной панелью рядом с сиденьем водителя. Основная цель DLC или порта OBD-II — загрузить коды неисправностей и найти источник неисправности. Однако порт обычно остается неиспользованным. Системы слежения за транспортными средствами с современными интеллектуальными технологиями используют диагностические коды для альтернативной цели отслеживания транспортного средства с помощью GPS. Чтобы получить данные отслеживания транспортного средства, просто подключите любой GPS-трекер к 16-контактному порту OBD-II, и он соберет данные.
 Питание от аккумулятора 12В на порт OBD-II подается всегда, даже если автомобиль заперт и в замке зажигания нет ключа. Мы можем подключать и отключать автомобильные трекеры к порту OBD-II и от него, когда это необходимо.
 Эти события подключения-отключения на постоянно «горячей» розетке могут вызывать события электростатического разряда (ESD). Оно может достигать сотен вольт, что приводит к повреждению электрической цепи. Защита схемы от электростатического разряда может быть достигнута путем размещения диода подавления переходного напряжения (TVS) на каждой линии передачи данных, подключенной к контактам GPS-трекера.Диоды TVS защищают порты данных от угроз электростатического разряда, останавливая пик электростатического разряда на системном уровне менее чем за наносекунду и отводя большие токи от порта данных. Они эффективно ограничивают пики высокого напряжения и помогают избежать повреждения системы GPS-трекера и автомобиля. В нормальных условиях эксплуатации диод TVS представляет собой путь с высоким импедансом к цепи GPS-трекера, поэтому устройство выглядит как разомкнутая цепь и не мешает передаче сигнала.
 Следующий очевидный вопрос заключается в том, как определить, какой диод TVS требуется для защиты какого контакта из 16 в порту OBD-II.
 Еще одно важное решение, которое необходимо принять, заключается в том, можем ли мы использовать одиночный TVS-диод для каждого контакта или многострочные TVS-диоды для группы контактов. Чтобы получить эти ответы, нам нужно получить более подробную информацию о типе сигнала, связанного с и электрических характеристиках 16 контактов в разъеме порта OBD-II.
Рисунок 1. Разъем OBD-II и выводы
 На рис. 1 показан 16-контактный диагностический разъем OBD-II, также называемый разъемом J1962, и конфигурация его контактов.Контакт 16 подает питание и подключается к аккумулятору автомобиля. Контакты 4 и 5 соединены с землей. Контакты 6 и 14 подключены к сигналам CAN Bus High и CAN Bus Low соответственно. Контакты 2 и 10 используют протокол SAE J1850, контакт 2 — положительный, а контакт 10 — отрицательный. Контакты 7 и 15 используют K-линию и L-линию протокола ISO9141 соответственно. Контакты 1, 3, 8, 9, 11, 12 и 13 оставлены пустыми и могут использоваться производителем автомобиля для других целей.
OBD-II поддерживает в основном четыре различных протокола связи (показаны на T
способен 1) связываться с интерфейсом OBD-II.Каждый производитель транспортных средств имеет свои собственные предпочтения протокола.
Стол — 1
- ISO 15765: ISO 15765 — это международный стандарт для отправки данных по шине CAN. CAN состоит из двух проводов с именами CAN High и CAN Low. CAN High достигает 3,75 В при передаче любых данных. В то же время CAN Low падает до 1,25 В. Когда шина CAN не передает никаких данных, и CAN High, и CAN Low остаются на уровне 2,5 В. Максимальная скорость передачи данных, определенная стандартом, составляет 1 Мбит/с.CAN High подключается к контакту 6, а CAN Low подключается к контакту 14.
 -   ISO 9141-2:  ISO 9141-2 представляет собой асинхронную последовательную связь и использует два сигнала, K и L. Сигнал K в основном является средой для большинства коммуникаций через OBD-II. Сигнал L используется для инициализации шины.
 Максимальная скорость передачи данных составляет 10,4 Кбит/с, а максимальное напряжение сигнала — 12 В. K-Line подключается к контакту 7, а L-Line подключается к контакту 15 порта OBD-II. - SAE J1850 (PWM): протокол SAE J1850 был создан Обществом автомобильных инженеров (SAE).SAE J1850 PWM реализован методом широтно-импульсной модуляции с использованием дифференциальной схемы передачи. Скорость сигнала для ШИМ составляет 41,6 кбит/с. Максимальный уровень напряжения 5В. Шина SAE J1850 + и шина SAE J1850 – подключаются к контактам 2 и 10 порта OBD-II соответственно.
 - SAE J1850 (VPW): SAE J1850 VPW реализован методом переменной ширины импульса и использует один сигнальный провод и один провод заземления. Скорость сигнала для ШИМ составляет 10,4 кбит/с. Максимальный уровень напряжения 7В.
 
Это первая часть из серии блогов о защите портов OBD-II от электростатического разряда.
  Semtech и логотип Semtech являются зарегистрированными товарными знаками или знаками обслуживания Semtech Corporation или ее дочерних компаний.
 
Начало работы с OBD-II — Learn.sparkfun.com
Избранное Любимый 26Введение
В конце концов, в своем путешествии в мир встроенной электроники вам захочется «взломать» транспортное средство для получения данных. Как и во многих других интегрированных системах, для общения с транспортными средствами существует специальный «язык».В этом учебном пособии вы познакомитесь со спецификацией бортовой диагностики (OBD) , которую транспортные средства и другие промышленные машины используют для связи с внешним миром.
Хотите попрактиковаться с OBD-II?
Мы вас прикроем!
SparkFun OBD-II UART
В наличии Экраноплан-09555 Эта плата позволяет вам взаимодействовать с шиной OBD-II вашего автомобиля.
 Он предоставляет вам последовательный интерфейс с помощью команды ELM327 se…
Разъем OBD-II
В наличии DEV-09911OBD-II обеспечивает доступ к многочисленным данным от ЭБУ и предлагает ценный источник информации при устранении неполадок…
3 Внимание! Изменение вашей системы OBD-II до несертифицированного состояния считается федеральным правонарушением .Предоставленная информация предназначена только для чтения из спецификации OBD-II. Взламывайте на свой страх и риск!Определение
Так что же такое и спецификация OBD, и почему нас это волнует? Согласно веб-сайту Агентства по охране окружающей среды:
.
Бортовая диагностика, или «OBD», представляет собой компьютеризированную систему, встроенную во все автомобили малой грузоподъемности и грузовики 1996 года и позже, в соответствии с требованиями поправок к Закону о чистом воздухе 1990 года. Системы OBD предназначены для контроля работы некоторые из основных компонентов двигателя, включая те, которые отвечают за контроль выбросов.
Другими словами, OBD — это язык блока управления двигателем (ECU) , и он был разработан для борьбы с выбросами и отказами двигателя.
 Спасение планеты — это здорово (привет вам, граждане, ученые!), но это также означает, что мы можем получить доступ к другим функциям автомобиля и собирать информацию из этих частей и о них. Изучение того, как работать с этими протоколами, также означает, что вы можете определить, на что ссылается этот индикатор неисправности  (MIL)  (также известный как индикатор проверки двигателя) на вашей приборной панели, когда он сообщает вам о проблеме с двигателем.
 Если вы или ваш механик когда-либо читали  DTC (диагностические коды неисправностей)  на вашем автомобиле, они используют OBD-II.
К сожалению, сами протоколы не доступны в открытом доступе (если бы только они были с открытым исходным кодом!), но мы попытались собрать и уточнить как можно больше.
Оборудование
Любое транспортное средство, выпущенное в 1996 году или позже, по закону должно иметь компьютерную систему OBD-II. Вы можете получить доступ к этой системе через разъем канала передачи данных (DLC) .Это 16-контактный разъем, который может сказать вам, по какому протоколу общается ваш автомобиль, в зависимости от того, какие контакты в нем заполнены.
Разъем канала передачи данных в автомобиле Jeep Cherokee 1998 года выпуска с маркировкой контактов.
 В автомобилях он будет расположен под приборной панелью, рядом с сиденьем водителя или рядом с пепельницей — в легкодоступном месте с места водителя без использования инструментов для доступа к нему (т.
 е. вам не нужен отверткой, чтобы снять панель, чтобы добраться до нее).
Терминология
Прежде чем мы зайдем слишком далеко, давайте убедимся, что поняли все ключевые слова, используемые в этих протоколах.
Двигатель/электронный блок управления (ECU)
ЭБУ может относиться к одному модулю или набору модулей. Это мозги автомобиля. Они контролируют и контролируют многие функции автомобиля. Они могут быть стандартными от производителя, перепрограммируемыми или иметь возможность последовательного подключения нескольких функций.Функции настройки ЭБУ могут позволить пользователю заставить двигатель работать на различных уровнях производительности и различных уровнях экономичности. На новых автомобилях это все обычно микроконтроллеры.
Некоторые из наиболее распространенных типов ECU включают:
-   Модуль управления двигателем (ECM)  — управляет исполнительными механизмами двигателя, влияя на такие параметры, как угол опережения зажигания, соотношение воздуха и топлива и скорость холостого хода.

 - Модуль управления транспортным средством (VCM) — Другое название модуля, который управляет работой двигателя и транспортного средства.
 - Модуль управления коробкой передач (TCM) — управляет коробкой передач, включая такие параметры, как температура трансмиссионной жидкости, положение дроссельной заслонки и скорость вращения колеса.
 - Модуль управления силовым агрегатом (PCM) — обычно представляет собой комбинацию ECM и TCM. Это контролирует вашу трансмиссию.
 - Электронный модуль управления тормозной системой (EBCM) — контролирует и считывает данные с антиблокировочной тормозной системы (ABS).
 - Модуль управления кузовом (BCM) — модуль, управляющий функциями кузова автомобиля, такими как электрические стеклоподъемники, сиденья с электроприводом и т. д.
 
Диагностический код неисправности (DTC)
 Эти коды используются для описания того, где возникает проблема с автомобилем, и определяются SAE (вы можете найти полную спецификацию здесь по стоимости).
 Эти коды могут быть общими или уникальными для производителя автомобиля.
Эти коды имеют следующий формат:
ХХХХХ
Неполные списки кодов неисправностей можно найти здесь и здесь.
Идентификация параметра (PID)
Это фактическое мясо и картошка информации, которую вы можете извлечь из системы OBD-II.PID — это определения различных параметров, которые могут вас заинтересовать. Они аналогичны третьей цифре кода неисправности.
Не все PID поддерживаются всеми протоколами, и для каждого производителя может быть несколько уникальных настраиваемых PID. К сожалению, они также обычно не публикуются, поэтому вам может потребоваться много поиска и / или обратного проектирования, чтобы определить, к какой системе относится каждый PID.
Доступны различные режимы, и каждый режим имеет несколько вариантов PID, доступных в этом режиме.Для получения более общей информации об этом, пожалуйста, посетите вики-страницу PID.
Лампа индикатора неисправности (MIL)
 MIL — это ужасная маленькая лампочка на приборной панели, которая указывает на проблему с автомобилем.
 Есть несколько вариантов, но все они указывают на ошибку, обнаруженную протоколом OBD-II.
Другая возможность, которую вы можете найти на приборной панели, включает в себя эту опцию:
«Motorkontrollleuchte» автора Benutzer: chris828 — собственная работа автора оригинального загрузчика.Под лицензией Public Domain через CommonsНезависимо от того, что это за свет, обычно это не очень хорошо видно, если только вы не хотите взломать!
Протоколы OBD-II
В спецификации OBD-II доступно пять различных протоколов связи. Как и во многих других вещах, у производителей есть свои предпочтения и они считают свой протокол лучшим, отсюда и вариации. Вот краткий обзор каждого и описание значков, используемых в DLC для каждого из них.
SAE J1850 ШИМ
 Этот сигнал представляет собой широтно-импульсную модуляцию со скоростью 41,6 кбит/с.
 Этот протокол обычно используется на автомобилях Ford.
| Характеристика | Описание | |
|---|---|---|
| автобус + | Контакт 2 | |
| ШИНА — | Контакт 10 | |
| 12 | Штифт 16 | |
| GND | Pins 4, 5 | |
| Шутер автобус: | Active, когда автобус + вытягивается высокий, автобус — вытащил низкий | |
| Максимальное напряжение сигнала: | 5V | |
| Минимальный сигнал напряжения: | 0V | |
| Количество байтов: | 12 | |
| Битовая синхронизация: | Бит «1» — 8 мкс, бит «0» — 16 мкс, начало кадра — 48 мкс | 
САЕ Дж1850 ВПВ
Этот протокол имеет переменную ширину импульса, которая составляет 10.4 кбит/с. Автомобили GM обычно используют эту версию.
| Bus + | PIN 2 | ||||||||||||
| 12V | PIN 16 | ||||||||||||
| Pins 4, 5 | |||||||||||||
| автобус : | Низкий уровень холостого хода шины | ||||||||||||
| Максимальное напряжение сигнала: | +7 В | ||||||||||||
| Напряжение сигнала решения: |  +3.  5V | ||||||||||||
| Минимальное напряжение сигнала: | 0V | 0V | 0V | ||||||||||
| Количество байтов: | |||||||||||||
| 12 | |||||||||||||
| бит сроки: | ‘1’ Bit — HiGH 64US, «0» бит — HIGH 128US, начать Рама — HIGH 200uS | 
ИСО 9141-2
Если у вас Chrysler, европейский или азиатский автомобиль, это ваш протокол. Он работает на скорости 10,4 кбит/с и представляет собой асинхронную последовательную связь.
| Описание | 0 | |||||||||||||||||||||
|---|---|---|---|---|---|---|---|---|---|---|---|---|---|---|---|---|---|---|---|---|---|---|
| K 9 | PIN 7 | PIN 7 | ||||||||||||||||||||
| L линии (однонаправленные, необязательные) | PIN 15 | |||||||||||||||||||||
| 12V | Контакт 16 | |||||||||||||||||||||
| GND | Контакты 4, 5 | |||||||||||||||||||||
| Состояние шины: | K Линия простоя HIGH.Шина активна, когда управляется НИЗКИМ. | |||||||||||||||||||||
| Максимальное напряжение сигнала: | + 12V | |||||||||||||||||||||
| Минимальный сигнал напряжения: | 0V | 0V | ||||||||||||||||||||
| Количество байтов: | Сообщение: 260, Данные: 255 | |||||||||||||||||||||
| бит съемки: | UART : 10400 бит/с, 8-N-1 | 
ИСО 14230 КВП2000
 Это Keyword Protocol 2000, еще один метод асинхронной последовательной связи, который также работает со скоростью до 10,4 кбит/с.
 Это также используется на Chrsyler, европейских или азиатских автомобилях.
| 1 K Line (двунаправлена) | PIN 7 | ||||||||||||||||||||||
|---|---|---|---|---|---|---|---|---|---|---|---|---|---|---|---|---|---|---|---|---|---|---|---|
| L LINE (однонаправленная, необязательно) | LINE (однонаправленная, необязательно) | PIN 15 | |||||||||||||||||||||
| 12V | PIN-код 16 | ||||||||||||||||||||||
| GND | Контакты 4, 5 | ||||||||||||||||||||||
| Состояние шины: | Активен при низком уровне сигнала. | ||||||||||||||||||||||
| Максимальное напряжение сигнала: | + 12V | ||||||||||||||||||||||
| Минимальный сигнал напряжения: | 0V | 0V | |||||||||||||||||||||
| Количество байтов: | Данные: 255 | ||||||||||||||||||||||
| бит: | UART: 10400 с, 8 -N-1 | 
ИСО 15765 МОЖЕТ
 Этот протокол обязателен для всех автомобилей, проданных в США с 2008 года и позже. Однако, если у вас европейский автомобиль 2003 года выпуска или позже, он может иметь CAN.
 Это двухпроводной метод связи, который может работать со скоростью до 1 Мбит/с.
| Описание | ||||||||||||||
|---|---|---|---|---|---|---|---|---|---|---|---|---|---|---|
| PIN 6 | PIN 6 | |||||||||||||
| PIN-код 14 | ||
| 12V | PIN-код 16 | |
| GND | Контакты 4, 5 | |
| Состояние шины: | Активен, когда на CANH установлен ВЫСОКИЙ уровень, на CANL установлен НИЗКИЙ уровень.Бездействует, когда сигналы плавающие. | |
| Сигнал хж. | Минимальное напряжение сигнала: | CANH = + 2.75V, CANL = + 0.5V | 
| Количество байтов: | L | L | 
| битовое время: | 250kbit / sec или 500kbit / sec | 
Использование симулятора
 Несмотря на то, что эти протоколы отлично подходят для сбора данных с вашего автомобиля, при создании прототипа может быть очень сложно сидеть с компьютером, различной электроникой и кабелями, проложенными повсюду в передней части вашего автомобиля.
 К счастью, существует множество симуляторов, позволяющих создавать базовые прототипы и тестировать системы OBD-II.
У нас есть несколько различных симуляторов, полезных для работы с этими протоколами. Мы обновим этот раздел, если/когда получим какие-либо дополнительные.
ЭБУсим 2000
Этот симулятор ECU разработан и изготовлен прекрасными ребятами из ScanTool. Вы можете просмотреть всю информацию о продукте на их странице продукта здесь.
Чтобы начать использовать этот симулятор, необходимо выполнить следующие подключения:
- Подключите USB-кабель к симулятору и компьютеру. Установите необходимые драйверы.
 - Подключите кабель OBD-II к симулятору.
 - Отключите симулятор от прилагаемого источника питания 12 В.
 -  Откройте последовательный терминал по адресу 
115200 бит/с, 8,N,1, подключившись к последовательному порту, на который настроен симулятор. -  Настройте симулятор на протокол, который вы хотите протестировать.

 - Подключение к вашему устройству ECU (плата OBD-II, CAN-Bus Shield, Raspberry Pi и т. д.)
 
Теперь вы можете использовать возможности симулятора, проверяя, что данные, передаваемые по шине, соответствуют данным, которые получает ваш считыватель ЭБУ, и наоборот.
Для настройки симулятора доступно несколько различных опций программирования. Ознакомьтесь с руководством по программированию для получения дополнительной информации. Версия, которая у нас есть в настоящее время, имеет прошивку, совместимую с несколькими различными протоколами OBD-II, которые будут различаться в зависимости от того, что вы заказываете.
Руководство по программированию также включает все команды, которые вы можете использовать для симулятора.
 Например, если нам нужно определить, на какой протокол в данный момент настроен наш симулятор, мы будем использовать команду  SPI . В нашем терминале это будет выглядеть так:
  Чтение настроек протокола ECUsim 2000.
 
Это показывает, что симулятор в настоящее время настроен на протокол ISO 15765-4 (также известный как CAN), с 11-битным типом идентификатора и работает на скорости 500 кбит/с.
 Если затем вам нужно отправить данные из вашего симулятора на устройство, такое как SparkFun OBD-II UART Board или CAN-Bus Shield для тестирования, вы можете использовать команду передачи  SOMT <заголовок>, <данные>  . Например, если мы хотим отправить команду о том, что давление топлива в двигателе равно 100 кПа, мы должны отправить  SOMT , за которым следует идентификатор параметра (PID) для давления топлива, который равен  0A , и за ним следует шестнадцатеричное значение для 100 ( 64 ) в этом случае.
Передача давления топлива через ECUsim 2000.
 Если мы сначала оставим соединение неактивным (забыв затянуть анкерные винты на разъеме DB9), чтобы имитировать проблему с соединением, мы получим сообщение  CAN ERROR  при первой отправке команды.
 На этом симуляторе это означает, что есть проблема между симулятором и нашим считывателем CAN. Однако, как только мы установим соединение, симулятор сможет отправить данные и сообщит нам, что именно он передал.Довольно аккуратно!
Ресурсы и продолжение
Идем дальше
Теперь, когда у вас есть общее представление о протоколах OBD-II и о том, как работать с различными доступными инструментами связи, пришло время сделать свой собственный проект!
Если у вас есть какие-либо отзывы, посетите комментарии или свяжитесь с нашей службой технической поддержки по адресу [email protected].
Дополнительные ресурсы
Ознакомьтесь с этими продуктами и проектами, чтобы получить больше вдохновения от OBD-II!
.
 
 
 1 10 (32/64 бит)
 См. наши требования к компьютеру. То  другие концевые заглушки непосредственно в порт OBD-II, присутствующий во всех 1996 и  новые легковые автомобили VW/Audi.  VCDS  также работает со многими автомобилями 1990-1995 годов (OBD-I), но для них может потребоваться  дополнительный кабельный адаптер «2×2».
 То  KEY-серия совместима с большинством автомобилей 1990-2002 годов выпуска, а также со всеми новыми, не требующими CAN для диагностики. Micro-CAN разработан исключительно для использования с новейшими  машины  на основе Мк.5 технологий, которые требуют CAN для диагностики. Однако Micro-CAN не совместим с  последние модели Audi A4, A6, A8 или Q7; для этих моделей требуется HEX+CAN.
 
 5 
 и старше)
 Кликайте по картинкам в диаграмме  выше, чтобы перейти на соответствующую страницу.
 6L 1993–1994 годов выпуска.  двигатели с ЭБУ Hella, а также любой более старый автомобиль с  Индикатор «Проверьте двигатель», подключенный к L-Line (проверьте проводку  диаграммы — у нас нет точного списка).
 То  зазор между накладкой и самой розеткой настолько мал, что является нарушением  спецификации SAE J1962. Все наши текущие интерфейсы  (показано выше) прекрасно вписываются в эти автомобили.  Некоторые из наших старых интерфейсов, а также многие сторонние интерфейсы используют  Разъемы OBD-II, которые не подходят для этих автомобилей.
 Максимальная скорость передачи данных составляет 10,4 Кбит/с, а максимальное напряжение сигнала — 12 В. K-Line подключается к контакту 7, а L-Line подключается к контакту 15 порта OBD-II.
